Предлагаемый сетевой фильтр собран из доступных деталей и не нуждается в налаживании. Взяться за его самостоятельное изготовление автора побудило резкое ухудшение качества изображения на экране телевизора при включении компьютера. Помехи каким-то образом стали проявляться и в других телевизорах, расположенных в десятках метров от этого компьютера. Перестановка и замена антенн мало влияли на ситуацию Причем, как только компьютер выключали, помехи исчезали.
Были, конечно, проведены и другие эксперименты. В частности, пытались использовать приобретенные в розничной торговле сетевые "фильтры". Это слово здесь не зря взято в кавычки. Их разборка показала, что, несмотря на громкое название, в большинстве из них какие-либо помехоподавляющие элементы внутри отсутствуют. Лишь в одном был найден дроссель индуктивностью 2,2 мГн без каких-либо конденсаторов. Естественно, помеховую обстановку такие устройства не изменяют и могут служить не более чем удлинителями.

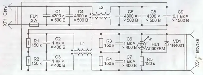
Рис. 1
В конце концов, помог фильтр, разработанный и изготовленный самостоятельно по схеме, показанной на рисунке. Для большей эффективности он состоит из двух соединенных последовательно звеньев Первое (конденсаторы С1, С4, С5, С8, двухобмоточный дроссель L2) отвечает за подавление помех частотой выше 200 кГц. Второе звено (двухобмоточный дроссель L1 с остальными конденсаторами) подавляет помехи, спектр которых простирается ниже указанной частоты - вплоть до единиц килогерц.
Благодаря магнитной связи между обмотками дросселей происходит подавление синфазных помех - тех, что наводятся одновременно на оба сетевых провода или излучаются ими. Поэтому обмотки каждого дросселя должны быть одинаковыми и симметрично намотанными на магнитопрово-ды. Важно обеспечить правильную фазировку обмоток. Их начала обозначены на схеме точками.
Дроссель L1 намотан сложенным вдвое проводом ПЭЛШО диаметром 0,63 мм (87 витков) на ферритовом магнитопроводе Ш12х14 с самодельным каркасом из электрокартона. Марка феррита, к сожалению, неизвестна. Измеренная прибором LP235 индуктивность каждой обмотки - около 20 мГн. Для дросселя L2 использован броневой магнитопровод Б22 из феррита 2000НМ1. Его обмотки содержат по 25 витков и намотаны тем же проводом и таким же образом, что и обмотки дросселя L1. Индуктивность каждой обмотки дросселя L2 - 120 мкГн. Кольцевые ферритовые магнитопрово-ды для дросселей было решено не применять по причине повышенной трудоемкости намотки на них провода.
Конденсаторы первого звена фильтра - слюдяные. Поскольку малогабаритных конденсаторов такого типа требующейся для фильтра емкости на нужное напряжение не существует, пришлось соединить попарно параллельно конденсаторы КСО-5 меньшей емкости. Аналогичное решение, но с попарно последовательным соединением конденсаторов С2, СЗ и С6, С7 (пленочных зарубежного производства), принято и во втором звене фильтра для обеспечения нужного рабочего напряжения. Подключенные параллельно конденсаторам резисторы R1-R4 выравнивают значения приложенного к ним напряжения. Они же обеспечивают быструю разрядку всех конденсаторов после отключения фильтра от сети. Конденсатор С9 - К78-2.
Плата фильтра помещена в заземленную металлическую коробку.
Автор: А. Зызюк, г. Луцк, Украина
