Реле давления РДМ-5 (рис. 1) - одно из самых простых, доступных и не сложных электромеханических регуляторов давления, предназначенных для водоснабжения частного дома. Кто хоть раз пробовал установить нужное давление в водопроводной системе с помощью реле РДМ-5, знает, как сложно это сделать. При установке момента включения изменяется момент выключения, поэтому приходится подстраивать момент выключения, тут же немного меняется момент включения, и только такими многократными манипу-ляциями можно добиться необходимого давления в системе водоснабжения дома. Если в летний период во время полива дачных насаждений не хватает давления и вам нужно его увеличить, возникает та же проблема и те же многократные манипуляции, что очень неудобно. Предлагаемый блок управления упрощает установку нужного давления в системе водоснабжения и предотвращает затопление в случае прорыва труб или их протекания. Схема блока управления изображена на рис. 2. Основа устройства - микроконтроллер PIC16F873A-I/SP, датчик давления G1/4 (0...1,2 МПа) и четырёхразрядный цифровой светодиодный индикатор с общим анодом CA56-12GWA.

Рис. 1. Реле давления РДМ-5

Рис. 2. Схема блока управления
Основные технические характеристики датчика давления G1/4
Номинальное напряжение питания, В .....................5
Выходное напряжение, В ............0,5...4,5
Потребляемый ток, мА ............10
Интервал измеряемого давления, МПа ................0...1,2
Максимальное давление, МПа .........................2,4
Интервал рабочих температур, оС.....................0...85
Ошибка измерения, % ..........±1,5
Время отклика, мс ................. 2
Выходной разъём ......XH2.54MM-3P
Длина выходного трёхпроводного кабеля, мм ...........200
Назначение выводов датчика:
выход (DATA) - жёлтый;
питание + 5 В (VCC) - красный;
общий (GND) - чёрный.
Основные технические характеристики блока управления
Напряжение питания, В ...........12
Минимальный потребляемый ток, мА ...................24
Максимальный потребляемый ток, мА ..................110
Максимальное коммутируемое переменное напряжение, В .....................250
Максимальный коммутируемый ток, А ....................16
Измеряемое давление, бар (bar)...................0...9,9
Интервал регулировки давления, бар (bar) ...........0,6...9,9
Петля гистерезиса (разность давления включения и выключения насоса), бар (bar) .......0,2...3
Первая цифра на дисплее - информационная, она означает:
1 - основной рабочий режим измерения и регулировки давления;
2 - режим установки предельного значения регулируемого давления;
3 - режим установки петли гистерезиса;
5 - затопление и отключение насоса;
6 - превышение верхнего предела измерения или неисправность датчика, отключение насоса;
7 - защита от "сухого" холостого хода, отключение насоса.
Две последние цифры показывают давление в целых и десятых долях бара.
При превышении верхнего предела измерения насос выключается, и на дисплей выводится информация об ошибке - "6-66". Для сброса ошибки необходимо отключить и снова включить питание блока управления.
Частичная защита "сухого" холостого хода. Если после включения блока управления через одну минуту давление не поднимается выше 0,5 бар, насос выключается, на дисплей выводится информация об ошибке - "7-77" (для сброса ошибки необходимо отключить и снова включить питание блока управления).
Блок управления начинает работать сразу после включения питания. На дисплее появится сообщение "1-0.0" при отсутствии давления. При давлении 2,5 бар на дисплее будет "1-2.5". После входа в меню установок отсчёт времени "сухого" холостого хода приостанавливается. При однократном нажатии на кнопку SB1 "М" (меню) входят в режим установки максимально необходимого давления. На дисплее будет информация "2-0.0". Нужное значение установите, нажимая на кнопки SB2 "-" и SB3 "+" в интервале от нуля до 9,9 бар с шагом 0,1 бар. При повторном нажатии на кнопку SB1 блок управления перейдёт в режим установки петли гистерезиса, и на дисплее будет "3-0.2". Установите его нужное значение в интервале от 0,2 до 3 бар с помощью кнопок SB1 и SB2. Третье нажатие на кнопку SB1 переведёт блок управления в основной рабочий режим - измерения и поддержании установленного давления. Следующие нажатия на кнопку SB1 повторяют цикл.
Например, если установить давление 3,3 бар (на дисплее - "2-3.3") и гистерезис 0,6 бар (на дисплее - "3-0.6"), насос будет выключаться при давлении 3,3 бар (на дисплее - "13.3"), а включаться при давлении 2,6 бар (на дисплее - "1-2.6").
Если оставаться в режимах установки параметров более десяти секунд, не нажимая на кнопки SB2 или SB3, блок управления автоматически сохранит последние установленные значения параметров в EEPROM микроконтроллера и перейдёт в основной рабочий режим. Уменьшение и увеличение параметров может производиться как кратковременными нажатиями, так и удержанием одной из кнопок SB2 или SB3.
К выводам 2 и 3 разъёма XP1 с помощью проводов можно подключить датчик протечки (электроды), размещают его в предполагаемом месте затопления. В случае затопления вода попадает на оба электрода, через них потечёт ток, и насос отключится. При этом на дисплей выводится ошибка "5-55", которая сбрасывается автоматически после осушения датчика протечки воды в месте затопления. Датчик протечки в моём случае - это два медных залуженных провода, расстояние между ними - 30...50 мм. Блок управления может работать и без датчика протечки, для этого его просто не подключают. Свечение светодиода HL1 сигнализирует о том, что команда на включение насоса сформирована. При налаживании движок подстроечного резистора R3 надо установить в верхнее положение по схеме. Для некоторых экземпляров датчиков G1/4 потребуется небольшая подстройка с помощью этого резистора, для этого сравнивают показания дисплея и манометра.

Рис. 3. Чертёж печатной платы блока управления

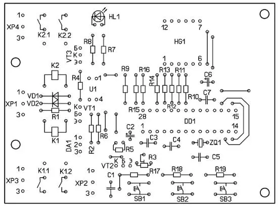
Рис. 4. Схема размещения элементов на плате блока управления
Чертёж печатной платы блока управления показан на рис. 3, а схема размещения на ней элементов - на рис. 4. Она рассчитана на установку постоянных резисторов МЛТ, С2-23, подстроеч-ного резистора СП3-19а или импортного, кнопок с самовозвратом - ТС-0102, разъёмов PWL-03. Оксидные конденсаторы - импортные, остальные - К10-17б. Диоды - любые маломощные выпрямительные или импульсные. Транзистор VT1 - любой из серии КТ3107, транзистор VT2 - любой из серии КТ3102. Для микроконтроллера DD1 должна быть предусмотрена панель, в которую его вставляют уже запрограммированным. Кварцевый резонатор - HC-49S. Реле - RT314012 или TRA2 L-12VDC-S-Z на номинальное напряжение 12 В, они совпадают по размерам, цоколёвке и параметрам. Программа для блока управления написана мной в среде MPLAB X IDE XC8 (V2.00). Для прошивки микроконтроллера был использован программатор PlCkit-2. Питать блок управления можно от стабилизированного источника питания напряжением 12 В и током до 500 мА. Внешний вид смонтированной платы вместе с датчиком давления показан на рис. 5. Блок работает без замечаний почти год.

Рис. 5. Внешний вид смонтированной платы вместе с датчиком давления
Программы для микроконтроллера, чертежи печатной платы и видеоролики, иллюстрирующие работу устройства, находятся здесь.
Автор: А. Гетте, г. Рязань
