Вопросам автоматизации управления водоснабжением садового или индивидуального жилого дома было посвящено немало публикаций в журнале "Радио". Однако, несмотря на наличие большого числа готовых схемотехнических решений, автор решил разработать свой вариант устройства автоматического поддержания уровня воды в водонапорном баке, описание которого и предлагается вниманию читателей.
Требования, предъявляемые к такому устройству, продиктованы особенностями системы водоснабжения дачного дома автора. Основным элементом системы является расположенный на чердаке дома водонапорный бак, вода из которого поступает в трубопровод холодного водоснабжения и в электрический котёл, который обеспечивает дом горячей водой, а также нагревает воду для системы отопления. Наполнение бака водой в летнее время осуществляется с помощью центробежного насоса через летний водопровод, а осенью, когда из-за отрицательной температуры на улице использование летнего водопровода становится невозможным, - из колодца с помощью погружного насоса, подключаемого резиновым шлангом на время наполнения бака.
Из сказанного выше очевидно, что водонапорный бак в этой системе выполняет несколько функций. Он обеспечивает подачу воды, поддерживает необходимое давление на всасывающем патрубке установленного перед котлом циркуляционного насоса, а также принимает на себя объём воды, вытесняемой из электрокотла при нагреве, работая как расширительный бак. Поэтому основным требованием, предъявляемым к устройству управления, является недопущение снижения уровня воды ниже некоторого минимального значения, обеспечивающего нормальную работу системы отопления. Вторым требованием является возможность работы устройства в полностью автоматическом режиме летом и в полуавтоматическом осенью, когда включение насоса производится вручную, а отключение происходит после достижения верхнего уровня воды в баке. Третьим требованием является работа электродов датчиков уровня воды на переменном токе, что предотвращает электролиз воды в баке.

Рис. 1. Схема подключения устройства
Исходя из приведённых выше требований, было сконструировано устройство, схема подключения которого показана на рис. 1. Датчиками уровня воды служат электроды Е1-Е3, изготовленные из изолированного алюминиевого провода сечением 6 мм2. На длине 10 мм с конца каждого провода изоляция удалена, а сами провода закреплены на планке из стеклотекстолита, установленной внутри водонапорного бака, и подключены к устройству управления. Металлический корпус водонапорного бака заземлён и соединён с общим проводом устройства, а включение и отключение электродвигателя насоса осуществляются с помощью контактов реле, установленного в устройстве управления.

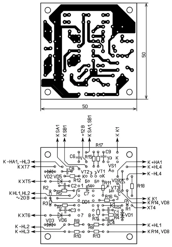
Рис. 2. Схема устройства
Схема устройства приведена на рис. 2. Каждый из датчиков Е1-Е3 подключён к входной ячейке, состоящей из токоограничивающего резистора, стабилитрона, однополупериодного выпрямителя с резистором нагрузки и сглаживающего конденсатора. Датчики питаются переменным напряжением 20 В, поступающим с обмотки III трансформатора Т1.
Рассмотрим работу входной ячейки, соединённой с датчиком Е3. Пока этот датчик не погружён в воду, на контакте ХТ4 присутствует переменное напряжение, которое ограничено стабилитроном VD1. Положительные полуволны переменного напряжения, проходящие через диод VD4, заряжают конденсатор С1, поэтому на выводе 9 логического элемента DD1.1 присутствует высокий логический уровень, разрешающий работу генератора, собранного на этом элементе. Светодиод HL1 при этом мигает, а транзистор VT1 периодически открывается, подключая к источнику питания звуковой излучатель со встроенным генератором НА1, сигнализирующий об аварийно низком уровне воды в баке.
Когда датчик Е3 оказывается погружённым в воду, на выводе 9 элемента DD1.1 устанавливается низкий логический уровень, запрещающий работу генератора, поэтому на выходе элемента DD1.1 появляется высокий уровень напряжения, закрывающий транзистор VT1 и отключающий звуковой сигнал. Светодиод HL1 при этом светит постоянно, сигнализируя о низком уровне воды в баке-резервуаре.
В процессе дальнейшего наполнения резервуара в воду оказывается погружённым датчик Е2 и низкий логический уровень на выходе элемента DD1.2 сменяется высоким, поэтому светодиод HL1 гаснет и включается светодиод HL2 зелёного свечения, сигнализирующий о нормальном уровне воды. Когда вода дойдёт до датчика Е1, на выходе элемента DD1.3 появится высокий логический уровень, светодиод HL2 погаснет и включится светодиод HL3 синего свечения, сигнализирующий о высоком уровне воды. При снижении уровня воды светодиоды HL1-HL3 переключаются в обратной последовательности.
Управление насосом, подающим воду в резервуар, может осуществляться в двух режимах, полуавтоматическом и автоматическом, выбираемых с помощью переключателя SA1. Рассмотрим работу устройства в автоматическом режиме. Когда уровень воды в резервуаре опустится ниже датчика Е2, на выходе элемента DD1.2 появится низкий логический уровень, открывающий транзистор VT2. Этот транзистор соединяет управляющий электрод тиристора VS1 через токоограничивающий резистор R15 с плюсом источника питания, в результате чего тиристор открывается, подавая питание на обмотку реле К1, которое своими контактами К1.1 подключает насос к сети 230 В. Светодиод HL4 при этом светит, сигнализируя о работе насоса.
В процессе наполнения резервуара вода достигает датчика Е2 и транзистор VT2 закры вается, но тиристор VS1 остаётся открытым и насос продолжает работать до погружения в воду датчика Е1. Когда это происходит, на выходе элемента DD1.3 появляется высокий логический уровень и конденсатор С7 начинает заряжаться через резисторы R13 и R14. Когда напряжение на конденсаторе С7 достигнет порога переключения элемента DD1.4, на его выходе появится низки й логический уровень и полевой транзистор VT3 закроется, отключая цепь питания реле К1 и тиристора VS1. Насоспри этом отключается, и светодиод HL4 гаснет.
Снижение уровня воды ниже датчика Е1 приводит к появлению на выходе элемента DD1.3 низкого логического уровня, в результате чего конденсатор С7 разряжается через диод VD8 и резистор R13, на выходе элемента DD1.4 появляется высокий логический уровень и транзистор VT3 открывается, подготавливая тиристор VS1 к повторному включению. Кнопка SB1 служит для принудительного включения насоса при нормальном уровне воды в резервуаре (при включённом светодиоде HL3 работа кнопки SB1 блокируется).
Работа устройства в полуавтоматическом режиме происходит аналогично, за исключением того, что коллектор транзистора VT2 отключён от левого по схеме вывода резистора R15, и включение насоса возможно только вручную с помощью кнопки SB1. Следует отметить, что принудительное отключение насоса в любом из режимов возможно только путём отключения самого устройства управления от сети. При необходимости ручное отключение насоса можно реализовать, включив в анодную цепь тиристора VS1 нормально замкнутые контакты дополнительной кнопки, с помощью которой можно отключать насос в полуавтоматическом режиме.
Подстроечный резистор R14 предназначен для установки длительности задержки отключения насоса после достижения водой в резервуаре датчика Е1. Такая задержка призвана выполнять две функции. Во-первых, она обеспечивает полное погружение в воду рабочей части датчика Е1, что предотвращает ложное переключение индикаторных светодиодов под воздействием колебаний уровня воды в резервуаре. Во-вторых, наличие некоторого уровня воды над нижним краем датчика Е1 позволяет довольно просто контроли¬ровать наличие даже незначительных утечек в системе водоснабжения.
Например, наполнив резервуар водой вечером и обеспечив отсутствие водоразбора в ночное время, утром с помощью индикаторных светодиодов можно определить наличие утечки. Если продолжает светить светодиод HL3, утечка либо отсутствует, либо её величина не превышает объёма воды, находящегося над нижним краем датчика Е1. Если же светодиод HL3 погашен и светит светодиод HL2, наличие утечки воды в системе очевидно. При указанных на схеме номиналах элементов длительность задержки отключения насоса регулируется в интервале от 3 до 25 с.
Источник питания устройства состоит из понижающего трансформатора Т1 с двумя вторичными обмотками. От одной из обмоток питается стабилизатор напряжения 12 В, состоящий из выпрямительного моста VD7, сглаживающего конденсатора С5, блокировочных конденсаторов С6, С8 и интегрального стабилизатора напряжения DA1. С другой вторичной обмотки поступает переменное напряжение 20 В, служащее для питания датчиков Е1 - Е3. Диод VD9 защищает элементы устройства от противо-ЭДС, возникающей в момент прерывания тока через обмотку реле К1.

Рис. 3. Схема печатной платы устройства и размещение элементов на ней
Детали устройства, за исключением элементов источника питания, реле К1, звукового излучателя НА1, кнопки SB1, переключателя SA1, светодиодов HL1- HL4, а также подстроечного резистора R14 и диода VD8, размещены на печатной плате из одностороннего фольгированного стеклотекстолита толщиной 1,5...2 мм, чертёж которой приведён на рис. 3. Конденсатор С6 установлен параллельно плате и приклеен к ней с помощью клея "Момент", конденсатор С7 установлен над корпусом микросхемы DD1. Резисторы R1-R3 установлены на плате перпендикулярно, а их свободные выводы спаяны между собой и образуют шину, к которой подключается один из выводов обмотки III трансформатора Т1. Внешний вид смонтированной платы приведён на рис. 4.

Рис. 4. Внешний вид смонтированной платы
В авторском варианте устройство смонтировано в корпусе от измерительного преобразователя переменного напряжения Е855/1-М1, от которого также использован понижающий трансформатор с двумя вторичными обмотками. Элементы стабилизатора напряжения, а также реле К1 смонтированы на пластине из полистирола, установленной в левой части корпуса, к которой с помощью уголков и винтов М3 прикреплена печатная плата устройства. Правый край печатной платы закреплён к пластине из полистирола, на которой смонтирован держатель плавкого предохранителя FU1.
Индикаторные светодиоды, звуковой излучатель НА1, кнопка SB1, переключатель SA1 и подстроечный резистор R14 установлены на крышке корпуса устройства, а диод VD8 припаян непосредственно к выводам подстроечного резистора. Для подключения всех внешних цепей использованы имеющиеся в корпусе штатные винтовые клеммы, а после завершения монтажа печатная плата, а также все паяные соединения покрыты двумя слоями лака ХВ-784. Вид на монтаж устройства приведён на рис. 5, а внешний вид устройства в сборе - на рис. 6.

Рис. 5. Вид на монтаж устройства

Рис. 6. Внешний вид устройства в сборе
В устройстве можно применить постоянные резисторы любого типа соответствующей мощности рассеяния, подстроечный резистор - СП-1, СПО-0,5 или любой другой, имеющий линейную зависимость сопротивления от угла поворота движка и подходящий по габаритам. Неполярные конденсаторы - К10-7В или К10-17, оксидные конденсаторы С5, С6 - К50-35 или импортные. Конденсатор С4 - танталовый ТЕСАР или керамический К10-17, конденсатор С7 - танталовый К53-1 или другой с аксиальными выводами. Диодный мост VD7 должен иметь обратное напряжение не менее 50 В и допустимый ток не менее 100 мА (его также можно составить из отдельных диодов с такими же параметрами), остальные диоды - любые маломощные выпрямительные или импульсные, например, серии КД521 или КД522.
Светодиоды - любые сверхъяркие желаемого цвета свечения, звуковой излучатель со встроенным генератором НА1 - ТМВ12А12 или другой с номинальным напряжением 12 В. Микросхему стабилизатора напряжения 7812 можно заменить отечественной микросхемой КР142ЕН8Б, а вместо микросхемы CD4093BE использовать микросхему К561ТЛ1. Полевой транзистор 2N7000 можно заменить транзистором BS170 или КП501, транзисторы КТ3107И (VT1, VT2) - КТ3107 с любым буквенным индексом. На месте тиристора КУ101Е (VS1) можно использовать тиристор КУ101 с любым буквенным индексом, реле К1 - SANOU SRD-S-112 D или аналогичное с током срабатывания не более 50 мА и номинальным напряжением 12 В. Следует отметить, что контакты выбранного реле должны быть рассчитаны на коммутацию сетевого напряжения и ток, потребляемый насосом. Кнопка SB1 и переключатель SA1 - любые подходящие по габаритам.
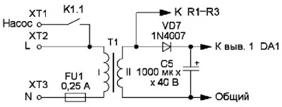
В качестве трансформатора Т1 автор использовал готовый понижающий трансформатор, имеющий две вторичные обмотки с напряжением 20 В и током нагрузки 100 мА каждая. В случае отсутствия такого трансформатора можно использовать трансформатор с одной вторичной обмоткой, выполнив блок питания устройства по схеме, приведённой на рис. 7. Напряжение вторичной обмотки используемого трансформатора может находиться в интервале 15...20 В при токе нагрузки не менее 100 мА.

Рис. 7. Схема блока питания устройства
Собранное правильно и из исправных деталей устройство начинает работать сразу и в налаживании не нуждается. В случае необходимости яркость свечения светодиодов HL1-HL4 можно изменить путём подбора сопротивления соответствующих токоограничительных резисторов, однако ток, протекающий через эти светодиоды, не должен превышать 3 мА. Время задержки отключения насоса можно изменить подстроечным резистором R14 и (или) подборкой конденсатора С7.
Если водонапорный бак, в котором расположены датчики (см. рис. 1), изготовлен из изоляционного материала, для обеспечения функционирования устройства в бак (на всю его глубину) следует поместить неизолированный проводник, который соединяют с контактом ХТ7 устройства. Дополнительный электрод так же, как и основные электроды, должен быть изготовлен из не подверженного корро¬зии металла (алюминий или нержавеющая сталь).
Мощность электродвигателя насоса, которым может управлять устройство, определяется допустимым рабочим то¬ком контактов реле К1. Для управления более мощным насосом или насосом, питающимся от трёхфазной сети, следует использовать магнитный пускатель, катушку которого подключают к контактам ХТ1 и ХТ3 устройства. Для управления насосом также можно использовать твердотельное реле соответствующей мощности, излучающий диод которого включают вместо обмотки реле К1.
В случае, если требуется только указатель уровня воды в резервуаре, схему устройства можно упростить, исключив из неё элементы, отвечающие за управление насосом (резисторы R12-R18, конденсаторы С7, С9, диоды VD8, VD9, транзисторы VT2, VT3, светодиод HL4, а также тиристор, реле, кнопку и переключатель). Не используемые в этом случае входы элемента DD1.4 следует соединить с общим проводом устройства.
Чертёж печатной платы находится здесь.
Автор: А. Мельников, г. Барнаул
