Для нормальной работы холодильника следует держать его дверцы открытыми как можно меньше. Поэтому во многих современных холодильниках устанавливается устройство индикации открытой дверцы, которое, если холодильник открыт более 10...15 с, начинает подавать звуковой сигнал. В холодильниках, изготовленных раньше, как правило, такого устройства нет. О конструкции "электронного дворецкого", которое звуковым прерывистым сигналом напоминает о необходимости закрыть холодильник, рассказывается в этой статье.
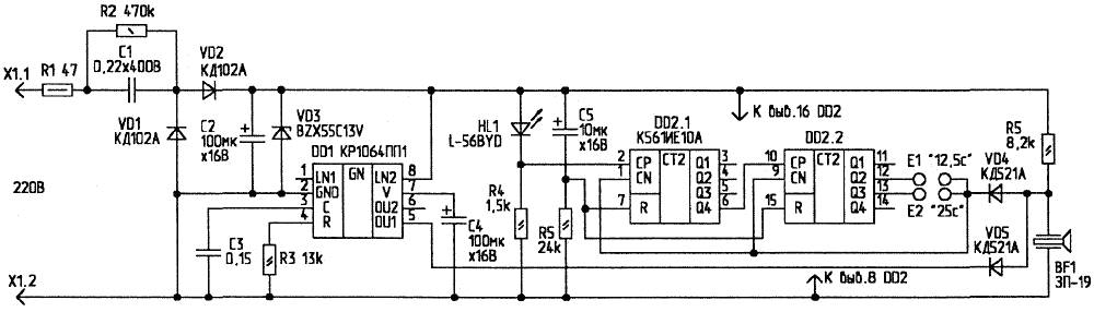
Схема устройства звуковой индикации приведена на рис.1. Работает устройство так. При открывании дверцы холодильника замыкаются контакты кнопки, подающей переменное напряжение 220 В на лампу освещения. К этим же контактам подключается и "электронный дворецкий". В нем применен бестрансформаторный источник питания с емкостным балластом С1. Пониженное переменное напряжение выпрямляется диодами VD1 и VD2. Конденсатор С2 устраняет пульсации, а стабилитрон VD3 защищает электронные компоненты схемы от скачков напряжения, а также стабилизирует напряжение на уровне 13 В. Бестрансформаторный источник питания для таких устройств предпочтительнее, так как он не боится коротких замыканий. При коротких замыканиях ток в нагрузке ограничивается относительно небольшим значением, так что опасность самовозгорания сводится к минимуму. Пожарная безопасность для круглосуточно работающего без надзора устройства является самым главным требованием. Да и габариты источника питания с гасящим конденсатором значительно меньше, чем у трансформаторного.

Рис.1. Принципиальная схема звуковой индикации
Напряжение питания 13 В подается на микросхемы DD1 и DD2. В качестве DD1 используется КР1064ПП1. Это микросхема тонального вызова для телефонных аппаратов, которая может работать непосредственно на пьезокерамический излучатель. Напряжение включения ИМС находится в пределах 12,1... 13,1 В, напряжение выключения - 7,9...8,9 В.
При подаче напряжения на DD1 она вырабатывает две тональные частоты - F1 и F2 - с частотой переключения F3. Тональные частоты и частота переключения задаются внешними элементами - R3 и СЗ. Конденсатор СЗ устанавливает значение F3, резистор R3 (8,2.. .56 кОм) определяет тон звуковой частоты. Изменение номиналов СЗ и R3 в широких пределах позволяет получить на выходе сигнал, близкий по звучанию к сирене.
Частоты можно вычислить по формулам:
Звуковой сигнал, который вырабатывает DD1, подается на пьезоэлектрический излучатель через диод VD5. Диоды VD4, VD5 и резистор R5 образуют логический элемент И. Таким образом, звуковой сигнал передается на BF1 при условии, что на катод диода VD4 подана логическая 1.
Микросхема DD2 содержит два 4-разрядных двоичных счетчика. Установка триггеров счетчиков в исходное (нулевое) состояние происходит при подаче на вход R логической 1. Счет происходит по спаду импульсов положительной полярности на входе СР при "0" на входе CN. Для увеличения коэффициента деления два счетчика соединяются последовательно.
В момент появления питания, цепочкой R5-C5 вырабатывается импульс сброса, который сбрасывает счетчик в нулевое состояние. Логический "0" с вывода 12 или 13 DD2 подается на VD4, запрещая прохождение звукового сигнала на пьезокерамический излучатель BF1. Этот же "0" подается на входы CN (выводы 1 и 9 DD2), разрешая счетчику счет импульсов, приходящих с генератора на вход СР (вывод 2) DD2.1. В качестве генератора импульсов используется мигающий светодиод HL1. Частота миганий HL1 - приблизительно 2,5 Гц. Поэтому "1" на выводе 12 DD2 появляется через 12,5 с, если впаяна перемычка Е1, или на выводе13 через 25 с, если установлена Е2. Этот сигнал запрещает счет и разрешает прохождение звукового сигнала с микросхемы DD1 на BF1. Таким образом, сигнал сирены зазвучит через 12,5 или 25 с после открывания дверцы и будет звучать до тех пор, пока холодильник не закроют.
Резисторы для конструкции можно взять любые соответствующей мощности - МЛТ, С2-23. Конденсатор С1 - К73-17 на напряжение не менее 400 В, СЗ - К10-17, оксидные конденсаторы - К50-35 или импортные аналоги. Стабилитрон VD3 подойдет любой на напряжение стабилизации от 13 до 15 В - BXZ55C14V, КС215А, КС515А. Диоды VD1 и VD2 можно заменить одной диодной сборкой КДС111В. Диоды VD4, VD5 - любые из серий КД521, КД522, КД102, КД103. Мигающий светодиод подойдет любой, например, L-816DRSRSC-B, L-56BYD, L-795BGD.
Аналоги микросхемы КР1064ПП1 производят разные фирмы, как в России, так и за рубежом: КР1085ПП1, КР1091ГП1, IL2418N, КА2418, GL6840A, L3240. В микросхемах КА2418 и IL2418N отсутствует инверсный выход напряжения звуковой частоты (вывод 6). На этот вывод выведен дополнительный сигнал регулировки уровня напряжения включения. Данную регулировку в схеме можно не использовать.
При ее наличии есть возможность снизить напряжение включения ИМС до 8...9 В, включив резистор (порядка 1 кОм) с вывода 6 на вывод 7. При применении микросхем КА2418 или IL2418N и снижении напряжения включения, необходимо уменьшить напряжения питания всего устройства с 13 до 9...10 В. Для этого надо установить стабилитрон VD3, рассчитанный на напряжение стабилизации 9...10В.
Микросхема счетчика К561ИЕ10 заменяется на КР1561ИЕ10 или его импортный аналог CD4520. В качестве пьезокерамического излучателя BF1 можно применить ЗП-1, ЗП-5, ЗП-22. Температурный режим эксплуатации всех этих излучателей - от -30 до +60°С, уровень звукового давления на расстоянии 1м - не менее 75 дБ, резонансная частота - от 1,8 до 3 кГц.
Внешний вид устройства показан на рис.2.

Рис.2.
Габариты печатной платы и ее крепеж зависят от конструкции модернизируемого холодильника. Для холодильника STINOL-110 печатная плата имеет размеры 32x51 мм. Как видно из рисунка, плата имеет по краям два "усика". С помощью этих "усов" устройство устанавливается в плафоне лампы внутреннего освещения без дополнительного крепежа, как показано на рис.3, и подключается параллельно лампе освещения холодильника.

Рис.3.
Устройство работает в тяжелых климатических условиях: холод, иней, повышенная влажность, поэтому плату устройства, исключая пьезоэлектрический излучатель, желательно покрыть несколькими слоями цапонлака.
Автор: А.ПАВЛОВ, г.С.-Петербург, E-mail: pavlov@lmail.loniis.ru
