Давно лежащий без дела, морально и физически устаревший кассетный магнитофон может обрести вторую жизнь и послужить еще в качестве вполне приличного кассетного проигрывателя с неплохими характеристиками. Современная элементная база позволяет произвести такую переделку довольно легко, при малых затратах времени. А режим "запись"? В настоящее время, когда почти на каждом углу торгуют аудиокассетами с записями, по ценам лишь немного превышающим стоимость "чистых", тратить свое время на "писание" просто жалко. Если же у кого-то возникнут сомнения относительно качества работы лентопротяжного механизма советского производства, то попробуйте замерить коэффициент детонации у китайского плейера после года эксплуатации и сравнить показания.
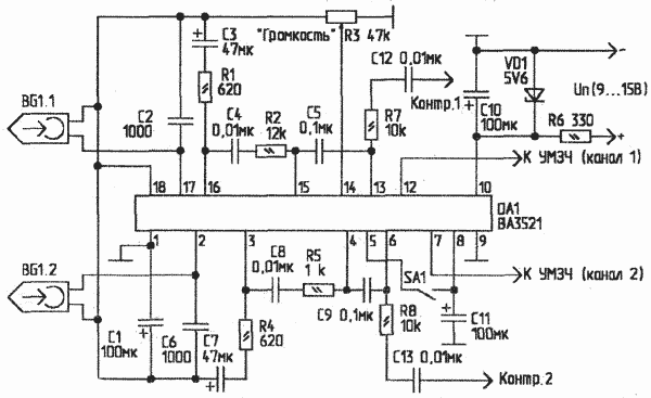
Для модернизации из большого разнообразия импортных микросхем выбрана ВА3521 ф.ROHM, представляющая собой стереофонический усилитель воспроизведения с электронной регулировкой громкости и встроенной защитой выходного каскада от перегрузок. Непосредственное подключение магнитной головки к усилителю воспроизведения микросхемы без развязывающего конденсатора позволяет расширить динамический диапазон и улучшить качество звучания. Электролитические конденсаторы дают специфические искажения, и их отсутствие в цепях прохождения сигнала - довольно ощутимое преимущество перед аналогичными микросхемами. Микросхема выполнена в стандартном 18-выводном корпусе DIP. Назначение выводов ИМС приведено в табл.1, электрические параметры - в табл.2, а схема проигрывателя - на рисунке 1.

Рис.1. Принципиальная схема проигрывателя
| № | Назначение | DIP | № | Назначение |
|---|---|---|---|---|
| 1 | Общий | ![]() | 18 | Uпит/2 |
| 2 | Вход 2 канала | 17 | Вход 1 канала | |
| 3 | Коррекция АЧХ | 16 | Коррекция АЧХ | |
| 4 | Коррекция АЧХ | 15 | Коррекция АЧХ | |
| 5 | "Mute" | 14 | Громкость | |
| 6 | - | 13 | - | |
| 7 | Выход 2 канала | 12 | Выход 1 канала | |
| 8 | "Mute" | 11 | - | |
| 9 | Общий | 10 | Uпит |
Переменный резистор R3 осуществляет электронную регулировку громкости в обоих каналах одновременно. Цепочки C5-R2-C4 и C8-R5-C9 корректируют АЧХ воспроизведения согласно стандарта NAB для магнитной ленты Fе2O3 (тип 1). При подключении вывода 5 ИМС к выводу 8 выключателем SA1, происходит блокировка выхода — режим "Mute" (отключение). Если такой режим не нужен, можно оставить эти два вывода свободными. Элементы R6, VD1, С10 образуют параметрический стабилизатор напряжения, С11 — помехоподавляющий конденсатор режима "Mute". Он устанавливается для устранения щелчков при включении/отключении выхода. Цепочки R7-C12 и R8-C13 ограничивают ток на выводах контроля (нерегулируемые выходы).
| Напряжение питания, В | +4,5...+6 |
| Ток потребления, мА | 20 |
| Полоса воспроизведения, Гц | 15...20000 |
| Коэффициент гармоник, % | 0,1 |
| Отношение сигнал/шум, дБ | 68 |
| Входное напряжение, мВ | 5 |
К комплектующим особых требований нет. Подходят практически любые общедоступные, в том числе импортные. Резисторы — типа МЛТ, С2-33 с допуском не хуже +5% и мощностью не менее 0,125 Вт. Электролитические конденсаторы должны быть с напряжением не менее 10 В, например, типа К50-35. Их емкость можно спокойно увеличить в 2...5 раз. Остальные конденсаторы — керамические, К10-7в, К10-17, КМ с допуском не хуже ±10%. Стабилитрон VD1 подойдет любой маломощный с напряжением стабилизации 4,7...6,2 В. Микросхему ВА3521 допустимо заменить на ВА3520 или СХА8008Р, которые изготовлены в аналогичном корпусе, имеют идентичную схему включения и небольшие отличия по электрическим параметрам. При установке заведомо исправных элементов схема начинает работать сразу, какой-либо наладки или подбора по номиналам не требуется.
Основная проблема, которая может возникнуть — магнитная головка (ее габаритные размеры и способ крепежа). Поэтому лучше в аппаратуру советского производства устанавливать отечественную магнитную головку (ЗД24Н080, ЗД24Н091 и т.д.), в импортную — аналогичную той, которая стояла. Замену магнитной головки и ее юстировку (регулировку высоты и угла наклона) нужно производить обязательно! Контролировать правильность установки, если нет специальной измерительной аппаратуры, можно на слух, ориентируясь на громкость и чистоту звучания высоких частот в воспроизводимой фонограмме. Соответственно, и кассету необходимо выбирать с качественной записью и с большим количеством высоких звуковых частот.
В переносных моделях магнитофонов и магнитол азиатской сборки свободного места больше чем достаточно, поэтому с установкой собранной платы в корпус проблем обычно не возникает. В магнитофонах советского производства, несмотря на приличные габариты корпуса, найти свободное место недалеко от магнитной головки бывает затруднительно. Могу предложить такой выход: найти на старой плате зону усилителя воспроизведения, удалить все теперь уже ненужные радиодетали, аккуратно выпилить место под новую, установить ее в прорезанное отверстие и скрепить обе платы между собой. Будьте внимательны и не торопитесь при этой операции — можно случайно повредить другие нужные узлы магнитофона: регулятор скорости вращения двигателя, автостоп или блок питания. Генератор стирания и подмагничивания, а также усилитель записи со старой печатной платы удаляют. Если не хочется возиться, достаточно удалить только стирающую головку и перерезать дорожку питания к генератору.
При модернизации главное условие — собранный усилитель воспроизведения разместить как можно ближе к магнитной головке и подключить его только экранированным проводом с качественной припайкой экранирующего провода (оплетки).
В качестве резистора для регулятора громкости можно попытаться использовать уже имеющийся в аппарате. Он подсоединяется обычным монтажным проводом. Если провода оказались слишком длинными, или резистор имеет небольшой, но допустимый износ, и при регулировке прослушиваются шорохи и треск, подключите блокирующий конденсатор емкостью от 0,01...100 мкФ между его средним выводом и корпусом. Громкость звучания регулируется одновременно в двух каналах, поэтому искать сдвоенный резистор нет необходимости.
Уровень выходного напряжения усилителя воспроизведения довольно высок и позволяет использовать регулятор тембра модернизируемого аппарата как активного, так и пассивного типа. Чаще всего элементы пассивных регуляторов спаяны непосредственно на выводах переменных резисторов, и сложностей здесь не возникает. Можно также воспользоваться микросхемой типа TDA1524A, TDA1526, К174ХА48, которая обеспечивает электронную регулировку громкости (в данном случае не используется), баланса и тембра ВЧ, НЧ одинарным резистором в обоих каналах одновременно.
Как показала практика, даже морально устаревшая микросхема УМЗЧ TDA2003 (К174УН14) "звучит" гораздо качественнее многих штатных микросхем в аппаратах азиатской сборки или транзисторно-трансформаторных усилителей — советской. Выбор усилителей мощности в микросхемном исполнении довольно широк. Ориентироваться нужно на напряжение и мощность блока питания магнитофона, наличие и цену микросхемы. Устанавливать двухканальный усилитель в переносной аппаратуре и делать полностью стереофонический вариант не имеет смысла — батарейки быстрее сядут, да и динамик, как правило, имеется только один. А для домашнего прослушивания лучше сделать отдельный выносной высококачественный усилитель мощности с хорошей акустикой.
Если после модернизации остался неиспользованным еще один переменный резистор (раньше он был регулятором уровня записи), можно установить дополнительно печатную плату УКВ-приемника с перестройкой частоты на варикапах и использовать этот резистор для электронной настройки на радиовещательную станцию. В этом случае кнопка "Запись" используется для переключения входа усилителя мощности с выхода усилителя воспроизведения на выход приемника.
Автор: С.ГВОЗДЕВ, г.Саранск, e-mail: sng@icsw.moris.ru

