Жизнь современного человека немыслима без различной бытовой техники, которая, особенно от ведущих мировых брендов, отличается функциональностью и надёжностью, всё же и она иногда работает не совсем адекватно... Хочу поделиться опытом устранения проблемы, возникшей при эксплуатации стиральной машины (СМ) фирмы Samsung. Замечу, что такая проблема возникает не у всех, а также то, что в сервисных центрах или ремонтных мастерских эту проблему не устранят, поскольку потребуется некоторая переделка блока управления СМ, а это ни в сервисных центрах, ни в мастерских не делают. В лучшем случае порекомендуют купить хороший сетевой фильтр, а в худшем, пользуясь неведением клиента, могут предложить заменить блок управления, двигатель, прошивку... Естественно, цена за ремонт при этом существенно вырастет, но проблема в итоге так и останется. Поэтому думаю, что полученный мной опыт может пригодиться радиолюбителям, занимающимся ремонтом или имеющим СМ, в приводе которой установлен коллекторный двигатель с ремённой передачей и стройством плавного пуска. Разумеется, если они столкнутся с такой же проблемой.
Описанная в статье ситуация, хотя и похожа на неисправность, строго говоря, ею не является, скорее, это неприспособленность к нашим реалиям... Но, даже несмотря на такое определение, она делает пользование СМ сложным, а иногда и невозможным в принципе.
Итак, при эксплуатации СМ Samsung WF0500NZW иногда стали появляться весьма неприятные ситуации. Самой безобидной из них была самопроизвольная остановка СМ во время стирки. После некоторой паузы она запускалась и продолжала работать, как ни в чём не бывало. Причём за время стирки таких пауз могло быть несколько и различной продолжительности, поэтому сам процесс стирки заметно удлинялся.
Но иногда были и более неприятные ситуации - очень быстрый разгон барабана до недопустимых в момент стирки оборотов, причём с большой амплитудой радиального смещения из-за дисбаланса при запуске. При этом из-за возникающих рывков СМ даже смещалась с места, а амплитуда смещения барабана была такой, что наблюдались весьма жёсткие удары его корпуса о корпус СМ. Иногда был слышен визг приводного ремня, проскальзывающего из-за резкого разгона двигателя. Также изредка наблюдались сбои таймера. При этом на индикаторах не высвечивался ни один из кодов ошибки, указанных в инструкции к СМ и найденных мной на специализированных сайтах.
Понятно, что эксплуатация такой СМ, становится весьма сложной и непредсказуемой, поэтому за ней необходим постоянный присмотр, чтобы при возникновении аварийной ситуации быстро отключить её от сети. Об отложенном времени стирки при этом можно вообще забыть. Также после нештатной остановки СМ и её экстренного отключения, а затем нового запуска цикл стирки приходится начинать сначала, с новой загрузкой моющих средств и заливкой воды, что тоже не прибавляет оптимизма... Наконец, рывок барабана и его корпуса может привести к разрушению элементов СМ и её непригодности к дальнейшей эксплуатации, а также заливке помещения водой, что может привести к значительным расходам.
Поскольку подобные ситуации возникают не всегда, поиск неисправности существенно осложняется, в чём пришлось убедиться лично. Тем более, что подобные "симптомы", кроме, пожалуй, сбоя таймера, могут быть вызваны и другими причинами, например, плохим контактом реле или разъёма, искрением щёток двигателя и даже плохой пайкой кварцевого резонатора на плате блока управления.
В итоге, после довольно долгих поисков неисправности, решил проверить узел синхронизации с напряжением сети, чтобы понять хотя бы причины резкого разгона двигателя. Ведь для нормальной работы СМ двигатель должен запускаться плавно. Для этого обычно используется симисторный регулятор, работа которого синхронизируется с переходом напряжения сети через ноль. На всякий случай решил проверить и сетевое напряжение осциллографом. Оказалось, что в сети иногда появляются гармоники основной частоты. Их хорошо видно на рис. 1, причём их амплитуда оказалась сравнима с амплитудой сетевого напряжения.

Рис. 1.
Для измерений использовался самодельный осциллограф, а напряжение на его вход подавалось через понижающий трансформатор ТП20-17. Понятно, что осциллограф и трансформатор и сами вносят искажения, но их влияние на результат исследования невелико. Частоту этой гармоники я не измерял, да и нужды в этом нет, достаточно убедиться, что гармоника присутствует. Попытки обратить на это внимание энергоснабжающей организации, как и ожидалось, успехов не имели.
Естественно, возникло подозрение, что именно эти гармоники и "сбивают" контроллер СМ. Поиски решений проблемы в Интернете, увы, к успеху не привели, разве что удалось узнать о том, что гармоники в сети не такая уж и редкость, и борьба с ними иногда представляет серьёзную проблему. Попытки применить самодельный LC-фильтр успехом не увенчались. Более того, чуть не привели к разрушению СМ из-за нештатного разгона барабана. Видимо, причина здесь в том, что форма тока и напряжения на нагрузке симисторного регулятора далека от синусоиды.

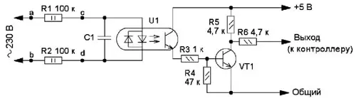
Рис. 2.
Недорогих решений в Интернете найдено так и не было, однако как-то решать проблему было просто необходимо, поэтому на основе реальной печатной платы блока управления СМ была нарисована схема узла синхронизации, показанная на рис. 2. Ёмкость конденсатора С1, а также тип оптопары и транзистора установить не удалось, да и особой нужды в этом нет. При проведении измерений осциллографом оказалось, что на коллекторе транзистора VT1 через небольшой интервал от основного импульса иногда появляется ещё один, дополнительный. С ним, возможно, ещё можно было бы мириться, но иногда он начинал мерцать - его амплитуда часто изменялась, причём хаотически. Часто она находилась на неприемлемом для цифровой техники уровне, между лог. 0 и лог. 1. Параллельно диодам оптопары U1 подключён конденсатор, образующий совместно с резисторами R1 и R2 Rc-фильтр, эффективность которого, видимо, невысока. Повысить эффективность этого фильтра простым изменением ёмкости конденсатора С1 не получилось, и указанный недостаток не был устранён.

Рис. 3.
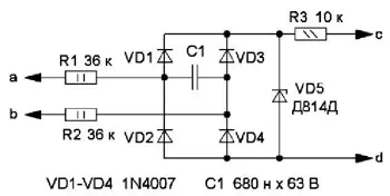
Возникла мысль увеличить амплитуду сигнала синхронизации, изменив часть схемы на рис. 2. Доработанная схема показана на рис. 3. Особых пояснений она не требует, хотя, возможно, резисторы R1, R2 и конденсатор C1 потребуют подбора в зависимости от параметров оптопары, а также частоты и уровня гармоник. Не следует слишком сильно увеличивать ёмкость конденсатора С1, поскольку при этом синхроимпульс может заметно запаздывать относительно перехода сетевого напряжения через ноль, правда, как это повлияет на работу СМ, не проверял. Возможно, никак, но возможно и падение мощности двигателя на максимальных оборотах.

Рис. 4.
Оптопара оставлена штатная. Также оставлен на плате конденсатор, подключённый параллельно оптопаре (С1 на рис. 2). Новые детали включены взамен штатных резисторов R1 и R2 между точками a, b, c, d (см. рис. 2), и большинство из них размещены на печатной плате, чертёж которой показан на рис. 4. Она изготовлена из одностороннего фольгированного стеклотекстолита толщиной 1...1,5 мм. Штатные резисторы R1 и R2 (см. рис. 2) были заменены двумя резисторами МЛТ (R1 и R2 на рис. 3), один из которых, R2, также использован как монтажная стойка. Резистор R1 установлен отдельно, как видно на рис. 5, где показан монтаж дополнительной платы на плате блока управления СМ. Ещё две стойки изготовлены из медной проволоки диаметром 1 мм, на которые надеты втулки из стержней для шариковых ручек. На чертеже платы отверстия для стоек зачернены. Чтобы не сверлить лишних отверстий в плате блока управления, стойки установлены в отверстия платы, оставшиеся после удаления штатных резисторов R1 и R2 (см. рис. 2).

Рис. 5.
Разумеется, в других моделях СМ схема узла синхронизации и расположение её деталей на плате блока управления могут быть иными.
После описанной выше доработки сбои в работе СМ полностью прекратились. Замечу также, что подобная проблема может возникнуть не только в СМ, поскольку есть довольно много устройств, где для тактирования цифровых узлов используется напряжение со вторичной обмотки трансформатора. Мне, например, после опыта с переделкой СМ, удалось таким же способом улучшить старый музыкальный центр, который долгое время используется как УМЗЧ для компьютера и УКВ-приёмник. Он часто неадекватно реагировал на нажатие штатных кнопок управления, а иногда и вовсе отказывался работать.
Чертёж печатной платы в программе Sprint-Layout и видео, иллюстрирующее появление дополнительного импульса, находятся здесь.
Автор: Е. Герасимов, станица Выселки Краснодарского края
