Предлагаемый светозвуковой сигнализатор предназначен для контроля положения двери холодильной камеры и температуры в ней. Об оставленной открытой двери холодильника и о слишком высокой температуре в нем он подает световые и звуковые сигналы. Работа сигнализатора основана на том, что свет имеющейся в холодильной камере лампы накаливания, включающейся при открытой двери, попадает на фотоэлемент, напряжение на котором в этой ситуации возрастает. Для контроля температуры внутри холодильной камеры установлен датчик, его показания периодически сравниваются с порогом, равным +15 °С.

Рис. 1
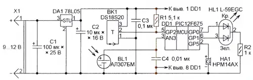
Схема сигнализатора изображена на рис. 1. Примененный в нем МК PIC12F675 (DD1) имеет встроенный модуль десятиразрядного АЦП. Работая по программе, представленной в таблице, МК отслеживает напряжение на фотоэлементе BL1, показания датчика температуры ВК1 и выдает на выходы порта микроконтроллера сигналы управления двухцветным светодиодом HL1 и звукоизлучателем НА1. Микроконтроллер настроен на работу с внутренним тактовым генератором частотой 4 МГц, программа использует таймер TMR1. Линия третьего разряда порта МК служит аналоговым входом АЦП. В качестве фотоэлемента BL1 применен обычный светодиод красного свечения АЛ307БМ. Микросхема DA1 - стабилизатор напряжения питания.
В дежурном режиме постоянно включен зеленый кристалл светодиода HL1. Когда дверь холодильника открыта, зеленый кристалл гаснет, но с частотой 1 Гц мигает красный. Если через 45 с дверь не будет закрыта, то на 15 с включится звуковой сигнал. Если дверь остается открытой, через 45 с сигнал будет повторен, и так три раза, после чего светодиод продолжит мигать красным цветом, но звуковой сигнал больше подаваться не будет.

Если температура в холодильной камере при закрытой двери превысит 15 °С, красный кристалл светодиода станет светить постоянно. Трижды с периодом в минуту будут повторены серии из трех коротких (длительностью по 1 с) звуковых импульсов. После этого светодиод останется включенным, но звуковых сигналов больше не будет.
В случае, когда и дверь открыта, и температура превысила 15 °С, первой будет подана трехминутная последовательность сигналов об открытой двери холодильной камеры, и лишь за ней прозвучат сигналы о повышенной температуре.

Рис. 2
Сигнализатор выполнен на плате из односторонне фольгированного гети-накса (рис. 2), помещенной в пластмассовый корпус. Оба резистора - типоразмера 0805 для поверхностного монтажа. Они припаяны со стороны печатных проводников. Светодиод L-59EGC можно заменить другим двухцветным с общими катодами кристаллов, например, отечественным АЛС331А.
Датчик температуры и фотоэлемент рекомендуется сделать выносными, так как они должны быть размещены внутри холодильной камеры. Длина проводов между ними и платой сигнализатора может достигать нескольких метров. Так как лампа подсветки холодильной камеры - источник тепла, датчик температуры следует устанавливать подальше от нее. Фотоэлемент же располагают поближе к лампе и направляют чувствительной поверхностью прямо на нее.
Учитывая большое разнообразие типов бытовых холодильников, каждый со своими конструктивными особенностями, место для сигнализатора следует выбирать исходя из конкретных условий. Светодиод HL1 и звукоизлучатель НА1 тоже можно вынести с платы на удобное для наблюдения и обеспечивающее хорошую слышимость сигналов место. Питают сигнализатор от источника постоянного напряжения 9... 12 В. Это может быть подходящий сетевой адаптер, подключенный непосредственно к имеющимся внутри холодильника цепям 220 В.
Программу микроконтроллера сигнализатора можно скачать здесь
Автор: В. Суров, г. Горно-Алтайск
