При разборке на запчасти старой неисправной микроволновой печи из неё в числе потенциально полезных узлов был извлечён электровентилятор SMF-3RDEA. При осмотре электродвигателя на его обмотке были найдены следы короткого замыкания в виде разбрызганных шариков меди. Вентилятор работал, но обмотка двигателя сильно нагревалась через несколько секунд после включения. Поскольку вентилятор оказался очень тихим и создавал хороший воздушный поток, было решено его отремонтировать.
Сделал я это так. Катушку с обмоткой и магнитопроводом с помощью тисков, молотка и металлической отвёртки аккуратно выбил из статора электродвигателя, после чего магнито-провод выдавил из пластмассового каркаса катушки и срезал всю её обмотку. Новую обмотку - 4800 витков с отводом от 4000-го - намотал внавал проводом ПЭВ-2 или подобным диаметром 0,11 мм, равномерно распределяя витки по каркасу катушки. Если провод обрывался, его концы связывал узлом, сваривал в пламени спички или газовой зажигалки и изолировал тонкой плёнкой. Готовую обмотку несколько раз пропитал трансформаторным лаком. Сопротивление обмотки при комнатной температуре - примерно 580 Ом.
Поскольку электродвигатель вентилятора пришлось разбирать для ремонта, было решено заодно и усовершенствовать его, дав ему вторую функцию - понижающего трансформатора. Для этого, плотно обернув обмотку (в трансформаторе она будет первичной) несколькими слоями лакоткани или пропитанной цапонлаком офисной бумаги, я намотал поверх неё (виток к витку) вторичную обмотку - 430 витков провода ПЭВ-2 0,27 мм. Эту обмотку также пропитал лаком и защитил двумя слоями ПВХ изоленты. Вид катушки в сборе с магнитопроводом показан на рис. 1.

Собирал электродвигатель в такой последовательности. Зажав статор в тисках, густо смазал магнитопровод клеем БФ-2 и вставил в катушку. Затем места стыковки магнитопровода и статора смазал этим же клеем и как можно быстрее аккуратно вбил магнитопровод в статор. Вид вентилятора в сборе показан на рис. 2.

Рис. 2
Благодаря отводу от основной обмотки вентилятор после ремонта может работать в двух режимах - обычном и форсированном, когда используется не вся обмотка, а её часть из 4000 витков.
Частота вращения вентилятора в этом режиме заметно выше.
С дополнительно намотанной вторичной обмотки в режиме холостого хода можно снять переменное напряжение 17...19 В. Его можно использовать для различных целей, например, для питания светодиодной подсветки или автоматического управления режимами работы вентилятора. Следует, однако, учесть, что если обмотка вентилятора окажется обесточенной, обесто-чатся и питающиеся от вентилятора устройства.

Рис. 3
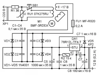
Пример использования модернизированного электровентилятора в качестве стабилизированного источника питания с выходным напряжением 12 В показан на рис. 3. Напряжение сети поступает на первичную обмотку электродвигателя вентилятора через защитный резистор R1 и замкнутые контакты переключателя SB1. В его положении, показанном на схеме, вентилятор работает в обычном режиме. Варистор RU1 защищает первичную обмотку от всплесков напряжения сети. С вторичной обмотки вентилятора переменное напряжение 17...19 В через самовосстанавливающийся предохранитель FU1 поступает на мостовой выпрямитель VD1-VD4. Конденсатор С5 сглаживает пульсации выпрямленного напряжения.
Стабилизатор напряжения выполнен на микросхеме 78R12L-TF4-T (DA1), представляющей собой линейный стабилизатор напряжения положительной полярности с выходным напряжением 12 В. Максимальное входное напряжение - 35 В. Микросхемы этой серии отличаются от обычных (серий 78хх, 78Мхх, КР142) наличием входа управления и уменьшенным падением напряжения между входом и выходом (у 78R12L-TF4-T оно не превышает 0,5 В при токе нагрузки 1 А).
Микросхемы серии 78Rxxx выпускаются в разных корпусах на несколько фиксированных значений выходного напряжения (3,3; 5, 9, 12 В) и с регулируемым выходным напряжением. На рис. 3 показана цоколёвка микросхемы 78R12L-TF4-T в четырёхвыводном корпусе TO-220F-4. Если необходимо дополнительное охлаждение, микросхему устанавливают на теплоотвод.
Диоды 1N4001 можно заменить любыми аналогичными, например, серий 1N400x, КД208, КД243, КД247. Конденсаторы C5, C8 - оксидные импортные, остальные - малогабаритные плёночные или керамические с номинальным напряжением не ниже указанного на схеме. Самовосстанавливающийся предохранитель FU1 - любого типа с рабочим напряжением 30.60 В и током срабатывания 0,15.0,2 А. Резистор R1 желательно установить невозгораемый Р1-7 или импортный разрывной. Варистор 07K275RJ (RU1) заменим любым из ряда FNR-14K431, FNR-20K431, FNR-07K471. Кнопочный переключатель SВ1 - любого типа с контактами, рассчитанными на коммутацию переменного напряжения не ниже 250 В.
Изменив число витков вторичной обмотки электродвигателя, можно изготовить источник питания с другим выходным напряжением, однако мощность, потребляемая нагрузкой, в любом случае не должна превышать 3 Вт. В отсутствие нагрузки вторичной обмотки вентилятор в обычном режиме потребляет от сети ток 90 мА, в форсированном - 110мА. При комнатной температуре нагрев обмотки и статора электродвигателя не превышает 45 °С. Увеличение тока подключённой к вентилятору нагрузки приводит к снижению частоты вращения. Уменьшение её увеличением нагрузки на вал двигателя, например, торможением крыльчатки рукой, не приводит к изменению напряжения на выводах вторичной обмотки.
Аналогичным образом можно доработать и другие подобные электродвигатели. Кстати, так называемые электродвигатели-трансформаторы применялись в 70-80-х годах прошлого века в некоторых отечественных магнитофонах, где электродвигатель с дополнительной обмоткой, питаемый от сети 220 В, одновременно выполнял функцию понижающего трансформатора блока питания электронных узлов.
Автор: А. Бутов, с. Курба Ярославской обл.
