В печатных изданиях и в Интернете встречаются материалы о переделке старых радиоприёмников для приёма SSB-сигналов, что свидетельствует об интересе радиолюбителей к этой теме. В настоящей статье автор предлагает устройство, которое даёт возможность принимать SSB-сигналы на бытовые радиоприёмники и магнитолы, имеющие тракт УПЧ-АМ, электронную настройку частоты и внутренние напряжения питания +5 В и +9 В. Автор встроил его в радиоприёмник "Салют 001" (сокращённо описанный в [1], более полно - в [2]), но оно пригодно и для многих других приёмников и магнитол, в частности, "Казахстан 101-стерео" [2], "Океан-221" [3], "Меридиан-235" [3], "Ореанда 203-стерео" [3].

Рис. 1
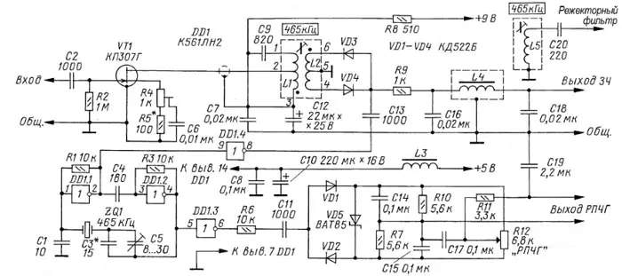
Схема предлагаемого устройства показана на рисунке. Оно содержит входной усилитель на транзисторе VT1, нагруженный контуром L1C9, настроенным на частоту ПЧ 465 кГц, смесительный детектор на диодах VD3 и VD4, фильтр нижних частот R9C16L4C18, режекторный фильтр L5C20, гетеродин на логических элементах DD1.1 и DD1.2, частота которого стабилизирована пьезокерамическим резонатором ZQ1, буферные усилители напряжения гетеродина - элементы DD1.3 и DD1.4, выпрямитель на диодах VD1 и VD2, диод VD5, используемый в качестве стабистора, R12 - регулятор напряжения ручной подстройки частоты гетеродина (РПЧГ).
Вход устройства подключают к выходу УПЧ приёмника. Транзистор VT1 служит не столько для усиления напряжения ПЧ, которое может быть вполне достаточным для работы смесительного детектора, сколько для устранения влияния смесительного детектора на приёмник. В цепь истока транзистора VT1 включён подстроечный резистор R4, движком которого устанавливают необходимое усиление. В цепь стока транзистора VT1 - половина обмотки катушки индуктивности L1 контура ПЧ L1C9. Применено частичное включение контура, так как при полном транзистор шунтирует контур, из-за чего снижается его добротность и расширяется полоса пропускания. Напряжение питания +9 В подаётся на транзистор VT1 через рези-, стор R8 и катушку L1.
Катушки индуктивности L1 и L2 образуют высокочастотный трансформатор.
Отвод от середины обмотки катушки L2 соединён с общим проводом, а её начало и конец - с диодами VD3 и VD4 смесительного детектора SSB, нагруженного по ПЧ резистором R9. К точке соединения этих трёх элементов через конденсатор С13 подведено напряжение гетеродина с выхода логического элемента DD1.4. Резистор R9 предотвращает замыкание напряжения гетеродина на общий провод через конденсатор С16. Эти компоненты также образуют первое звено фильтра нижних частот. Второе звено - катушка L4 и конденсатор С18.
Гетеродин собран на инверторах DD1.1 и DD1.2, которые переведены в линейный режим цепями отрицательной обратной связи через резисторы R1 и R3; в него входят конденсаторы С1, СЗ-С5 и пьезокерамический резонатор ZQ1, задающий частоту генерации. Гетеродин создаёт наводку на тракт ПЧ, которая влияет на систему АРУ, снижая усиление, и приводит к появлению дополнительных интерференционных помех. Для её устранения применён режекторный фильтр - последовательный контур L5C20, который подключён к базе транзистора VT2 в блоке А2 "ВЧ-АМ" приёмника "Салют 001" (см. схему на рис. 1.52, с. 62 в [2]). В других приёмниках режекторный фильтр устанавливают при наличии наводки, точку его подключения подбирают экспериментально.
Напряжение гетеродина на выходах элементов DD1.1 и DD1.2 имеет близкую к пилообразной форму и амплитуду около 2 В. Элементы DD1.3 и DD1.4 - буферные усилители-ограничители напряжения гетеродина. Выходное напряжение элемента DD1.3 через токоограничивающий резистор R6 и конденсатор С11 подаётся на выпрямитель на диодах VD1 и VD2. Выпрямленное напряжение ограничивает и стабилизирует на уровне около 0,3 В диод Шотки VD5. Оно подано в диагональ моста на резисторах R7, R10 и переменного резистора R12. Напряжение с другой диагонали моста - на движке этого резистора относительно точки соединения резисторов R7 и R10 используется для ручной подстройки частоты гетеродина приёмника. Перемещением движка переменного резистора R12 напряжение РПЧГ можно регулировать в пределах ±0,15 В. Конденсаторы С14, С15, С17, С19 сглаживают пульсации этого напряжения.
Ручная подстройка частоты гетеродина необходима потому, что настройка на радиостанции SSB, даже в растянутых КВ диапазонах, очень "острая", а система АПЧ не работает, так как она настраивается на несущую, которой в однополосных сигналах нет. Поэтому во время приёма SSB-сигналов система АПЧ должна быть выключена, а вместо напряжения АПЧ на соответствующие варикапы подано напряжение РПЧГ.
Для этой цели в экземпляре автора верхний и нижний по схеме выходы напряжения РПЧГ подключены соответственно к выводам 15 и 14 блока А12 (рис. 1.69 на с. 72 в [2]). Через печатные проводники с этих выводов напряжение РПЧГ подано на контакты 2 и 4 переключателя S3 "АПЧ" (нумерация выводов переключателя показана на рис. 2 в [1]). Чтобы отключить АПЧ, кнопка этого переключателя должна быть нажата. При этом контакт 4, на который подано напряжение АПЧ, замыкается с контактом 6, соединённым с общим проводом, в результате чего нижний по схеме выход напряжения РПЧГ соединяется с общим проводом, а верхний — через вывод 15 блока А12 — с выводом 19 блока А2 и далее (рис. 1.52 в [2]) через резистор R4 с анодом варикапа, управляющим частотой гетеродина микросхемы DA1. Для диапазонов КВ 25—49 м это второй гетеродин, для остальных AM диапазонов — первый. Переменный резистор R12 автор установил вместо переменного резистора регулировки автоматического отключения (R1 на рис. 6 в [1 ]), которым ни разу не пользовался.
В общем случае напряжение РПЧГ подают так, чтобы оно складывалось с другим управляющим напряжением на варикапе. Например, его можно включить в разрыв цепи движка переменного резистора плавной настройки (в "Салюте 001" это резистор R1 на вышеупомянутой схеме), причём порядок подключения выходов напряжения РПЧГ значения не имеет.
Устройство потребляет от источника напряжения +5 В ток 4 мА, от источника +9 В (которое может быть повышено до +12 В при питании от сети) — 1,5...2 мА. Оно собрано на трёх платах из фольги-рованного стеклотекстолита толщиной 1,5 мм: на первой смонтирован режекторный фильтр L5C20, на второй — входной усилитель на транзисторе VT1, на третьей — все остальные компоненты. Платы установлены в разных местах приёмника: первая — ближе к УВЧ приёмника, вторая — к выходу УПЧ, третья — рядом с УЗЧ. Устройство включают дополнительно устанавливаемым в приёмник переключателем, который подключает напряжения питания +5 В и +9 В, а также вход УЗЧ, отключив его от выхода AM детектора. Если в приёмнике нет внутреннего напряжения питания +5 В, его можно получить из напряжения +9 В с помощью микросхемы стабилизатора напряжения из серий КР1157ЕН501, КР1157ЕН502, КР1157ЕН5, 78L05, включённой по типовой схеме.
В экземпляре автора вход устройства подключён к выводу 7 микросхемы DA1 A244D (аналог К174ХА2) в блоке ВЧ-АМ (А2) приёмника "Салют 001" (см. схему на рис. 1.52, с. 62 в [2]). Автор рекомендует именно такое подключение входа для всех приёмников, в которых использована микросхема К174ХА2. В общем случае вход подключают к выходу УПЧ, например, к последнему контуру ПЧ. Если катушка индуктивности этого контура имеет отвод или катушку связи, вход можно подключить к ним. Чтобы не нарушить настройку контура ПЧ при полном подключении к нему, ёмкость конденсатора С2 допустимо уменьшить до нескольких пикофа-рад.
Входы незадействованных инверторов DD1 соединены с общим проводом, а их выходы никуда не подключены. Диоды VD1 и VD2 — любые кремниевые высокочастотные. Диоды смесителя VD3 и VD4 выбирают как для приёмника прямого преобразования [4, с. 124] и по возможно более близкому падению напряжения при прямом токе около 1 мА. Хорошо работали в приставке диоды ЗД112А, но их трудно подбирать попарно, и они очень хрупкие. Диод Шотки ВАТ85 (VD5) можно заменить на 1N5817 или двумя соединёнными последовательно германиевыми диодами из серии Д9.
Катушки L1 и L2 наматывают на трёхсекционном каркасе под броневой маг-нитопровод из двух ферритовых чашек 4,0x8,6 мм от контуров ПЧ радиоприёмников "Кварц", "Сокол", "Алмаз". Предварительно в основание контура добавляют вывод 6: на свободном месте сверлят отверстие диаметром 0,6 мм и вплавляют в него отрезок лужёного провода диаметром 0,75 мм и длиной 7 мм. Обмотку наматывают четырьмя свитыми вместе отрезками провода ПЭВ-1 диаметром 0,12 мм по 15 витков в каждой из трёх секций каркаса, после распайки выводов получаются две одинаковые катушки L1 и L2 по 90 витков, с отводами от середин обмоток.
L3 — любой малогабаритный дроссель индуктивностью 0,22... 1 мГн, впаянный в разрыв соединительного провода и закрытый термоусадочной трубкой. L4 — катушка реле РЭС80Т сопротивлением 1,6 кОм. Корпус реле соединяют с общим проводом, припаивая к нему стойку из облуженого провода диаметром 0,75 мм, которая служит ещё и дополнительным элементом крепления. В качестве L4 можно применить универсальную магнитную головку, как описано в [5]. Катушка режекторно-го фильтра L5 содержит 125 витков, намотанных внавал проводом ПЭВ-1 диаметром 0,12 мм на импортном каркасе с красной меткой без встроенного конденсатора с ферритовым подстро-ечником 8x12 мм. Подробнее о маркировке контурных катушек импортных радиоприёмников рассказано в моей статье [6].
Все постоянные резисторы — любые, подходящие по размерам. Сопротивление резисторов R7, R10, R12 можно увеличить до 10 кОм. Подстроеч-ный резистор R4 — СПЗ-22, переменный резистор R12 — СПЗ-4М с функциональной характеристикой "А". Подстро-ечный конденсатор С5 — КТ4-23. Оксидные конденсаторы — любые указанной ёмкости и напряжения. Остальные конденсаторы — КМ, КД или аналогичные на напряжение не менее 12 В; С8 — не менее 25 В.
При налаживании устанавливают требуемую частоту гетеродина и настраивают на неё контуры L1C9 и L5C20. Автор налаживал приставку в радиоприёмнике "Салют 001" с учётом особенностей его схемы и наличия у него режима узкой полосы (УП) пропускания в AM диапазонах, наличия в диапазонах КВ-1 и КВ-2 частот радиолюбительских диапазонов 80 и 40 м. В "Салюте 001" приём в КВ диапазонах 25—49 м ведётся с двойным преобразованием частоты, частоты гетеродинов выше принимаемых частот. В этом случае происходит двойная инверсия боковой полосы, и принимаемый SSB-сигнал имеет нижнюю боковую полосу (НБП). В диапазонах КВ-1, СВ, ДВ инверсия однократная, поэтому принимаемый SSB-сигнал имеет верхнюю боковую полосу (ВБП). Ширина полосы пропускания УПЧ-АМ 6 кГц в режиме УП позволяет принимать без искажений сигналы с ВБП и НБП при значении частоты гетеродина, равной средней частоте полосы пропускания УПЧ-АМ, но в этом случае возникает зеркальный канал приёма, как в приёмниках прямого преобразования [5]. В приёмнике автора средняя частота полосы пропускания оказалась равной 466 кГц, поэтому на эту частоту настроены контуры L1C9 и L5C20, а также гетеродин.
Автор использует устройство больше года. Приём осуществляется на телескопическую КВ антенну "Салюта-001". В диапазонах 40 и 80 м Москва и область слышны каждый вечер, при хорошем прохождении автор слушал станции Санкт-Петербурга, Воронежа, Тольятти, Брянска, а также переговоры на украинском и других иностранных языках.
Литература
1.Хабибулин В., Бродский Ю., Грин-ман Г., Козлов А. Радиоприёмник "Салют 001".— Радио, 1981, № 5-6, с. 14—17.
2. Белов И. Ф., Белов В. И. Справочник по бытовой приёмно-усилительной радиоаппаратуре. — М.: Радио и связь, 1984.
3. Алексеев Ю. П. Бытовая приёмно-усилительная радиоаппаратура. Справочник. — М.: Радио и связь, 1987.
4. Поляков В. Т. Радиолюбителям о технике прямого преобразования. — М.: Патриот, 1990.
5. Беленецкий С. Простой трёхдиапазонный приёмник прямого преобразования. — Радио, 2008, № 11, с. 52—54; № 12, с. 64—67.
6. Паньшин А. Цветовая маркировка контурных катушек импортных радиоприёмников. — Радио, 1998, № 10, с. 26.
Автор: А. Паньшин, г. Москва
