Таймер предназначен для управления отключением и включением мощной бытовой нагрузки через заданный промежуток времени. Причиной для его разработки явилась оперативная необходимость в ограничении времени работы мощного бытового нагревательного прибора с целью защиты от перегрева и обеспечения пожарной безопасности. Под рукой оказались распространённые КМОп-микросхемы, которые и послужили основой таймера. Несмотря на повсеместное использование микроконтроллеров (МК) в бытовых приборах и стремительное их удешевление, зачастую устройства на дискретных элементах обладают определёнными преимуществами. Так и в данном случае: во-первых, таймер достаточно прост и представляет собой, что называется, "конструкцию выходного дня". Во-вторых, отсутствуют затраты времени на создание и отладку программного обеспечения. В-третьих, себестоимость его изготовления всё ещё меньше аналога, выполненного на МК. В-четвёртых, ввиду существенно меньшего собственного потребления тока отсутствует необходимость в дополнительном блоке питания. Это объективные показатели. Что касается субъективных аспектов, то стремление везде использовать МК иногда напоминает "стрельбу из пушки по воробьям", сопровождается неоправданным наращиванием излишнего функционала и не способствует развитию навыков конструирования дискретных логических устройств и пониманию принципов их работы. А ведь именно это является основой мышления и профессиональной деятельности инженера-конструктора РЭА.
Таймер основан на типовых схемных и конструктивных решениях и в какой-то степени является ретро-экскурсом в классику схемотехники 1980-х годов, которая применялась в устройствах измерения временных интервалов. Его особенности: простота схемы, использование частоты сети 50 Гц в качестве опорной, бестрансформаторное питание, оптосимисторное управление нагрузкой, однократное отключение/включение нагрузки, фиксированные кратные интервалы времени коммутации, светодиодная индикация режима работы.
Основные технические характеристики
Максимальный ток нагрузки, А......................................16
Номинальное напряжение нагрузки, В..................................~230
Минимальная длительность выдержки (T0), с (мин) ............... 655 (~11)
Максимальная длительность выдержки, мин.....................93,5 /99*
*Длительность интервалов выдержки определяется выражением (2*N-1)*T0/2 или N*T0, где N = 1...9 (в зависимости от конкретной схемной реализации).

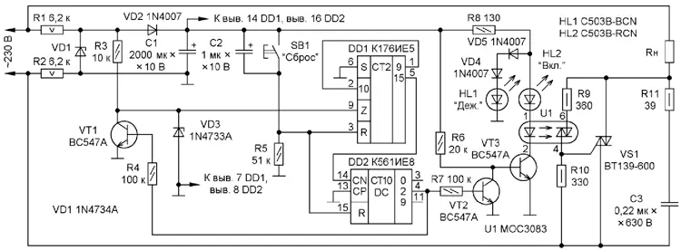
Рис. 1. Схема таймера
Схема таймера показана на рис. 1. Счётчики DD1 и DD2 образуют каскадный делитель частоты. На элементах VD1, VD2, R1, R2, C1 собран стабилизатор напряжения. При этом с катода стабилитрона VD1 снимаются импульсы практически прямоугольной формы, которые через резистор R3 поступают на тактовый вход двоичного счётчика DD1 с коэффициентом деления 32768 (215). Стабилитрон VD3 служит для ограничения амплитуды входных импульсов. Далее импульсы с периодом T0 около 655 c (~11 мин) и скважностью, равной 2, поступают на счётный вход CN десятичного счётчика-дешифратора DD2. При подаче импульсов на вход CN переключение счётчика происходит по фронту импульсов, поэтому первый импульс высокого уровня на выходе 1 появится через половину опорного периода T0 (примерно 5,5 мин), на остальных выходах через (2N-1 )*T0/2, где N - номер разряда счётчика (1...9). Выход 0 не используется, так как в начальном состоянии имеет уровень лог. 1, который сменяется на лог. 0 при первом переключении счётчика. Максимальная длительность выдержки в данном случае составляет 93,5 мин (1 ч 33 мин 30 с) на выходе 9. В авторском варианте используется подключение к выходу 2 (выдержка ~16,5 мин), что и показано на схеме. С выбранного выхода DD2 уровень лог. 1 через резистор R4 поступает на базу транзистора VT1, который открывается и тем самым блокирует прохождение тактовых импульсов на счётный вход счётчика DD1. Устройство остаётся в таком состоянии до момента ручного сброса с помощью кнопки SB1, после чего отсчёт выдержки начинается заново. Конденсатор C2 служит для установки счётчиков таймера в нулевое состояние при включении питания.
С выхода 2 счётчика-дешифратора DD2 управляющее напряжение поступает на базу транзистора VT2 через резистор R7. В исходном состоянии, при уровне лог. 0, транзистор VT2 закрыт. Соответственно, транзистор VT3 находится в открытом состоянии, через излучающий диод оптрона U1 протекает ток, симистор VS1 также открыт и нагрузка включена. При появлении уровня лог. 1 перечисленные элементы переходят в инверсные состояния и нагрузка отключается. Светодиоды HL1, HL2 служат для индикации режима работы таймера (дежурный режим и включение нагрузки соответственно). При открытом транзисторе VT3 сумма падений напряжения на его участке коллектор-эмиттер, светодиоде HL2 и излучающем диоде оптопары U1 меньше, чем сумма падений напряжения на диодах vD4, VD5 и светодиоде HL1, и последний выключен. При закрывании транзистора VT3 он включается. Такое решение (а не напрашивающееся включение светодиода HL1 в цепь коллектора транзистора VT2) выбрано исходя из возможной аппаратной доработки устройства, о которой будет сказано далее в этой статье.
Налаживания правильно собранное устройство не требует. Долговременная точность выдержки интервалов определяется частотой питающей сети и составляет ±0,1 %, что представляется вполне достаточным для бытовых нужд.
При необходимости управлять не отключением, а включением нагрузки элементы VT3 и R6 исключают, а вывод 2 оптопары U1 подключают к коллектору транзистора VT2. Если опорный сигнал с выхода микросхемы DD1 подавать на вход CP микросхемы DD2, длительность интервалов выдержки будет определяться как N*T0 для N=1...9. Минимальное её значение равно около 11 мин, максимальное - 99 мин (1 ч 39 мин). Неиспользуемый вывод CN в этом случае следует подключить к плюсовой линии питания (выв. 14 DD1) через резистор сопротивлением 4,7...24 кОм.
Режим работы таймера выбирают на этапе монтажа подключением к соответствующим выходам счётчика-дешифратора DD2. При необходимости оперативного выбора интервала можно установить галетный переключатель для коммутации этих выходов. В этом случае следует также установить дополнительный резистор сопротивлением 100 кОм между подвижным контактом этого переключателя и общим проводом.
Включение ограничительных резисторов R1, R2 обеспечивает защиту при случайном прикосновении к токоведущим частям устройства. Тем не менее, так как устройство имеет непосредственную гальваническую связь с сетью переменного тока напряжением ~230 В, при налаживании необходимо выполнять требования безопасности, предъявляемые к работе с электроустановками напряжением до 1000 В.
Микросхему К561ИЕ8 можно заменить на аналогичную из серии К176. Транзисторы VT1-VT3 - BC547 или отечественные КТ3102 с любым буквенным индексом. Стабилитроны VD1 - 1N4734A 1N4735A КС156А, КС162А с напряжением стабилизации 5,6...6,2 В, VD3 - 1N4733A 1N4732A КС151А, КС147А. Все диоды - любые из серии 1 N400x или аналогичные. Светодиоды HL1 - Cree C503B-BCN (синий), HL2 - Cree C503B-RCN (красный) или аналогичные сверхъяркие в корпусах диаметром 5 мм. Цвет свечения светодиодов имеет значение, так как прямое напряжение светодиода в этом устройстве является критичным параметром. Резисторы R3- R11 - С2-23Н, С2-33Н или МЛТ, R1, R2 - керамические проволочные цементные СR-L, SQP, PRW мощностью 5 Вт. Каждый из резисторов R1, R2 можно заменить на два параллельно включённых резистора С2-33Н или МЛТ сопротивлением 12 кОм мощностью рассеяния 2 Вт. Оксидные конденсаторы C1, C2 - К50-35, К50-68, C3 - К73-17 на номинальное напряжение 630 В. Оптрон U1 - MOC3063 (600 В), MOC3083 (800 В) со встроенным Zero-Cross детектором. Симистор VS1 - BT136, BT139, BTA140. Допустимый ток нагрузки определяется симистором и для указанных типов составляет, соответственно 4, 16 и 25 А. Кнопка SB1 - RWD-304, DS-316 или аналогичная без фиксации.

Рис. 2. Конструкция таймера
Конструкция таймера показана на рис. 2. Устройство собрано в ПВХ корпусе в исполнении IP54 с размерами 85x40x32 мм. Все элементы, за исключением симистора VS1, светодиодов HL1, HL2 и кнопки SB1, размещены на монтажной плате с шагом отверстий 0,1" и размерами 80x40 мм. Печатная плата не разрабатывалась. Монтажная плата расположена на днище корпуса и зафиксирована с помощью термоклея. Термоклей не следует наносить вблизи мощных резисторов. Мощный симистор размещён на теплоотводящей пластине из декоративного алюминиевого профиля толщиной 0,45 мм и размерами 75x40 мм. Теплоотвод закреплён на крышке корпуса с помощью резьбовых соединений М3 с обязательным использованием изолирующих шайб или стоек. В пространстве поверх монтажной платы рекомендуется свободно поместить изолирующую прокладку (из ПВХ, картона и др.) размерами 80x40 мм. Кнопку сброса и светодиоды размещают в отверстиях на боковых стенках корпуса. Межэлементные соединения выполнены с помощью провода МГТФ-0,12, цепи нагрузки - гибким многожильным монтажным медным проводом сечением 1...1,2 мм2. При больших значениях коммутируемого тока (от 25 А) необходимо разместить VS1 на отдельной печатной плате с сечением проводников, соответствующим значению тока нагрузки, и применить более мощный теплоотвод.
Автор: Д. Панкратьев, г. Ташкент, Узбекистан
