Схема шумоподавителя НЧ приведена на рис. 1. Правильно собранное устройство в налаживании не нуждается.

Puc.1
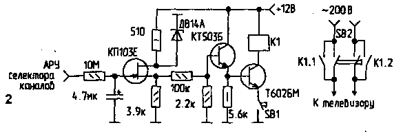
Устройство, показаное на рис.2, предназначено для автоматического отключения телевизора по окончании телепередач.

Puc.2
Порядок работы с этим устройством таков: сначала надо нажать кнопку SB2 - при этом сети подается на блок питания телевизора, реле К1 срабатывает (если телевизор принимает какой-либо сигнал). Затем кнопку можно отпустить.
По окончании телепередач напряжение АРУ селектора каналов увеличивается до 9...9,5 В, и реле отключается.
Для принудительного отключения телевизора служит кнопка SB1.
Автор: С.ГРИШКО, Кобринский р-н, п.Ореховский.
