Как и любая техника, стиральные машины иногда ломаются. И одно дело, если поломка происходит от длительной или интенсивной эксплуатации, и совсем другое, если это происходит из-за каких-то недоработок производителя. Конечно, человек, знакомый с электроникой, может устранить некоторые недоработки, но для этого он должен знать, что именно нужно улучшить. Ведь, согласитесь, никто не станет разбирать и изучать нормально работающий бытовой прибор. Поэтому, как правило, все улучшения и усовершенствования делаются уже после ремонта. В этой статье автор решил поделиться опытом улучшения применяемых во многих стиральных машинах электронных модулей управления семейства MINISEL. Возможно, эта статья поможет кому-нибудь избежать дорогостоящего ремонта. Если же ремонт уже был, автор уверен, что "пострадавший" с удовольствием потратит не так уж много времени, чтобы этого не повторилось.
Впервые с заменой модуля MINISEL я столкнулся, когда вода с пеной попала на замок устройства блокировки дверцы люка (УБЛ). В модуле вышел из строя микроконтроллер. Выяснилось, что отдельно микроконтроллер с нужной версией программы приобрести очень сложно, поскольку в современных стиральных машинах предусмотрена только модульная замена блоков. Поэтому вышедший из строя модуль пришлось заменять целиком.
Конечно, это оправдано, если речь идёт о датчиках, клапанах, помпе и других относительно недорогих элементах и узлах машины. Отремонтировать их невозможно, а цена невелика, даже с учётом работ по замене. Но при неисправности электронного модуля управления такой подход категорически не оправдан. Цена модуля плюс стоимость работы специалиста по его замене может достигать половины стоимости самой стиральной машины. Радиоинженерам и радиолюбителям понятно, что эта цена сильно завышена. Также понятно, что это связано со стремлением производителей бытовой техники сделать её послегарантийный ремонт экономически невыгодным и этим подтолкнуть потребителей к покупке новой.
После того как по причине попадания воды вышел из строя ещё один модуль управления аналогичной стиральной машины, я понял, что его необходимо доработать, чтобы такие отказы не повторялись. Изучение интернет-форумов и литературы сразу же внесло ясность, что следует сделать. Оказалось, что у всего семейства модулей MINISEL выходы микроконтроллера соединены практически напрямую с симисторами, управляющими клапанами залива воды, сливным насосом (помпой) и УБЛ и совершенно не защищены от возможных нештатных ситуаций.
В таких ситуациях (неисправность исполнительного устройства либо короткое замыкание в его цепи, попадание воды (пены) на исполнительное устройство или разъёмы, через которые оно соединяется с модулем) могут быть испорчены не только недорогие симис-торы, но и сам микроконтроллер.
Первая, самая часто встречающаяся нештатная ситуация, из-за которой модуль MINISEL выходит из строя, - попадание на замок УБЛ воды или пены. Это может случиться, например, если в стиральную машину по ошибке засыпан стиральный порошок, предназначенный для ручной стирки, или при разрыве резинового уплотнителя дверцы.
В этом случае вода (пена) может попасть и на плату электронного модуля управления, если он расположен внизу. А поскольку, как оказалось, печатная плата электронного модуля гальванически связана с питающей сетью, то при неправильном включении вилки в розетку сетевое напряжение 230 В будет присутствовать на элементах платы и на её печатных проводниках. Естественно, если вода или пена зальёт плату, сетевое напряжение может попасть и на выводы микроконтроллера и вывести его из строя.
Несколько слов о включении вилки в розетку. В инструкциях к стиральным машинам ни слова не сказано о том, что сетевой провод L ("фаза") должен подключаться к определённому гнезду сетевой розетки. Однако при изучении схемы видно, что на плате модуля один из сетевых проводов соединён с цепью питания +5 В. Если вилка вставлена в розетку неправильно, а на плату попала вода, с большой вероятностью возможны повреждения.
Ещё одна нештатная ситуация возникает, когда изнашиваются сальники подшипников барабана. В этом случае протекающая вода выводит из строя не только подшипники, но и электронный модуль управления, поскольку контакты тахогенератора находятся на соединительной колодке приводного электродвигателя рядом с силовыми цепями. В случае попадания воды (пены) на эту колодку сетевое напряжение проходит на вход микроконтроллера и выводит его из строя.
Я доработал установленный в стиральной машине ARDO TL85S электронный модуль MINISEL (800 RPM) 546080900-02 на микроконтроллере MC908JL8CDWE. Различные модификации этого модуля очень распространены. Они установлены в стиральных машинках многих марок. Предлагаемая доработка заключается во введении гальванических развязок между выходами микроконтроллера и симисторами, управляющими исполнительными устройствами, а также между обмоткой тахогенератора и входом микроконтроллера. Её можно сделать в любом модуле, в котором такая развязка отсутствует.
Чтобы ознакомиться с принципом работы стиральной машины и её управляющего модуля, а также изучить расположение клапанов, помпы, разъёмов и прочих элементов, мне оказалось достаточно книг [1] и [2]. Доработка выполнялась, опираясь на содержащуюся в них информацию.
Прежде чем приступить к описанию этой доработки, хочу обратить внимание читателей на то, что на схеме модуля MINISEL, приведённой в [2], знаком ⏚ "заземление" обозначена цепь, соединённая с проводом N ("нейтраль") питающей сети и с линией питания модуля напряжением +5 В. Общий провод модуля обозначен на схеме знаком ⟂ "соединение с корпусом"!
Модули управления имеют много разновидностей, хотя базовый состав их элементов почти одинаков. Естественно, это не означает, что модули взаимозаменяемы. В них, например, используют разные версии программ микроконтроллера. Использование модуля той или иной модификации зависит и от функциональных возможностей стиральной машины, например, от различий в скорости отжима, числе программ и т. п.
Могут отличаться и наборы исполнительных устройств, входящих в состав стиральной машины конкретного типа, и схемы их соединения. Но изучив принцип работы стиральной машины, можно понять логику работы её модуля управления. Это только с первого взгляда кажется, что стиральные машины устроены по-разному. На самом деле все они имеют клапаны залива воды (хотя их число может быть различным), УБЛ, помпу, двигатель.
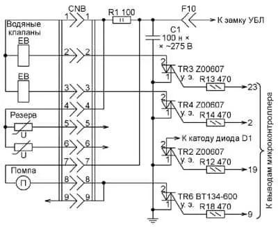
Опишу принцип, по которому я доработал модуль MINISEL. Части его схемы находятся на страницах 6 и 7 в [2]. На фрагменте, изображённом на рис. 1, показаны симисторы TR2, управляющий УБЛ, TR3 и TR4, управляющие клапанами подачи воды, и TR6, управляющий помпой.

Рис. 1. Фрагмент схемы модуля MINISEL
Я применил схему развязки оптронами выходов микроконтроллера и силовых цепей, показанную на рис. 2. Резисторы R12-R14 и R18, симистор TR6, диод D1 и разъём CNB - элементы модуля, поэтому их позиционные обозначения оставлены оригинальными. У вновь установленных элементов к ним добавлен префикс 1. Маломощные симисторы TR2-TR4 (Z00607) заменены симисторными оптронами 1U1-1U3 (MOC3023), а такой же оптрон 1U4 управляет мощным симистором TR6 (BT134). Теперь в случае нештатной ситуации выйдут из строя только оптроны. Поскольку входной ток срабатывания оптронов MOC3023 всего 5 мА, изменять номиналы резисторов R12- R14 и R18 не требуется.

Рис. 2. Схема развязки оптронами выходов микроконтроллера и силовых цепей
Если не удалось найти точную схему применённого в имеющейся стиральной машине модуля управления, придётся отыскать на его печатной плате подлежащие замене симисторы, опираясь на описания подобных модулей. Сначала найдите водяные клапаны, чтобы узнать их число. Например, в моей стиральной машине их оказалось не два, как в схеме из [2], а три. Затем проследите провода от клапанов до разъёма печатной платы модуля и по их продолжениям на плате найдите нужные симисторы.
Обычно клапанами управляют маломощные симисторы Z00607 или подобные в корпусах TO-92. Максимальный ток в открытом состоянии у них 0,8 A, а максимальное напряжение в закрытом состоянии - 600 В. Такой же симистор управляет и замком УБЛ. Затем нужно найти симистор, управляющий помпой. Он более мощный (4 А, 600 В) и обычно в корпусе SOT-82.
Чтобы убедиться в том, что это именно те симисторы, которые нужны, "прозвоните" цепи от электродов 2 симисторов до всех клапанов, помпы и УБЛ. Затем выпаяйте эти симисторы из платы модуля. Оптроны MOC3023, симистор BT134и резистор 1R1 можно смонтировать на небольшой печатной плате. Оптроны желательно установить в панели, чтобы их можно было легко заменить в случае неисправности.
Затем необходимо найти место для установки платы. Соединить её с модулем удобно плоским кабелем с нужным числом проводов. Эти провода впаивают прямо в отверстия от выводов удалённых симисторов. Оптроны могут быть любые симисторные, как с детектором нуля, так и без него. Главное, чтобы открывающий их входной ток был не более 5 мА. Например, МОС3043, МОС3063, МОС3083.
Как было упомянуто выше, в гальванической развязке от микроконтроллера нуждается и тахогенератор приводного электродвигателя. Для этого в цепь тахогенератора должен быть включён, как показано на рис. 3, трансформатор 1T1 с коэффициентом трансформации около единицы.

Рис. 3. Включение трансформатора 1T1 в цепь тахогенератора
Если не удастся найти идущие от тахогенератора провода по схеме, найдите их с помощью "прозвонки" проводов, идущих от контактной колодки электродвигателя до печатной платы модуля. Поскольку частота вырабатываемого тахогенератором переменного напряжения лежит в звуковом диапазоне, в качестве трансформатора 1T1 можно использовать согласующий трансформатор от УЗЧ любого старого транзисторного приёмника. Я даже не знаю, трансформатор от какого приёмника применён у меня. Чтобы получить нужный коэффициент трансформации, пришлось использовать только половину его первичной обмотки (до отвода). Подобный трансформатор можно намотать даже самому.
Как и где расположить этот трансформатор, зависит от конструкции конкретной стиральной машины. Поскольку провода, идущие от тахогенератора к разъёму, довольно жёсткие, я просто разрезал их в местах, обозначенных на схеме рис. 3 крестами, и припаял выводы трансформатора непосредственно к концам проводов.
Чтобы считать доработку полностью выполненной, убедитесь в том, что модуль управления расположен в стиральной машине так, что на него не может попасть вода (пена). Если такая возможность не исключена, не поленитесь и сделайте для него защитный кожух, потому что перенести модуль в другое место вряд ли получится.
Ну и обязательно проверьте, чтобы при включении в сетевую розетку вилки стиральной машины её контакты соединялись с нулём (N) и фазой (L) так, как показано на рис. 4 (изображена вилка, предназначенная для "французской" розетки типа E) .

Рис. 4. Вилка стиральной машины
Поскольку практически во всех квартирах установлены розетки типа C (без заземляющего контакта) и типа F (с заземляющими контактами по бокам), которые допускают включение в них вилки в двух положениях, придётся как-нибудь пометить на них правильное положение. И, конечно, необходимо предупредить всех пользующихся стиральной машиной, что нельзя включать вилку в розетку иначе.
Совершенно очевидно, что именно показанное на рис. 4 подключение сетевых проводов к вилке - стандарт для производителей электроприборов, в которых имеет значение, к какому контакту подключена фаза. Это подтверждено проверкой нескольких стиральных машин. А мощные газовые котлы Protherm вообще не запускаются, если провода N и L перепутаны. К сожалению, розетки, позволяющие включать в них вилку только в одном положении, в быту практически не используют. Я нашёл их только в интернет-магазине, причём по довольно высокой цене. В магазинах электротоваров (даже довольно крупных) такие розетки мне не встречались, а продавцы и не слышали об их существовании, искренне не понимая, чего от них хотят. И это тем более непонятно - ведь практически все импортные электроприборы имеют вилки с центральным заземляющим контактом.
Литература
1. РодинА. В., Тюнин Н. А. Электронные модули стиральных машин. - М.: СОЛОН-ПРЕСС, 2009, серия "Ремонт", вып. 114, с. 23-30.
2. Родин А. В., Тюнин Н. А. Электронные модули современных стиральных машин. - М.: СОЛОН-ПРЕСС, 2010, серия "Ремонт", вып. 119, с. 3-8.
Автор: А. Карпачев, г. Железногорск Курской обл.
