Автор предлагает два варианта источника питания для автономного светильника на основе светодиодных модулей серии 2ВхС различной мощности.
Сегодня доступны различные светодиоды и светодиодные модули мощностью от единиц до нескольких десятков ватт, на основе которых можно сделать несложный походный све-тильникс питанием через USB-разъём, например, от Power Bank или бортсети автомобиля. Для изготовления такого светильника за основу был взят светодиодный модуль серии 2BxC (рис. 1), где x - мощность в ваттах. Этот модуль представляет собой несколько параллельно-последовательно включённых светодиодных кристаллов, размещённых на алюминиевом основании-теплоотводе [1]. Максимальный ток модуля - 240...260 мА, число светодиодов определяет мощность (3, 5, 7, 10, 12, 15 и 18 Вт) и напряжение питания (9...50 В). У этого модуля приятный белый свет. Для его питания от напряжения 5 В потребуется повышающий преобразователь напряжения, который можно собрать на одной из специализированных микросхем или на микросхеме общего применения.

Рис.1. Светодиодный модуль серии 2BxC

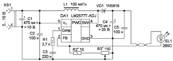
Рис. 2. Схема светильника с преобразователем на микросхеме LM2577T-ADJ и светодиодном модуле 2B5C
Схема светильника с преобразователем на микросхеме LM2577T-ADJ и светодиодном модуле 2B5C показана на рис. 2. Эта микросхема обеспечивает работу преобразователя при входном напряжении 3...40 В. Но, конечно, напряжение питания не должно превышать номинального напряжения светодиодного модуля. Преобразователь включён в режим стабилизации тока Iм через светодиодный модуль. Значение этого тока зависит от суммарного сопротивления резисторов R2 и R3: Iм = 1,23/(R2+R3). Переменным резистором R3 можно изменять ток через модуль, а значит, и яркость его свечения в широком интервале. Подборкой резистора R2 устанавливают максимальный ток, а подборкой резистора R3 - минимальный. Выходное напряжение преобразователя при этом будет приблизительно на 1,23 В больше номинального напряжения светодиодного модуля и станет изменяться в небольших пределах при регулировке тока.

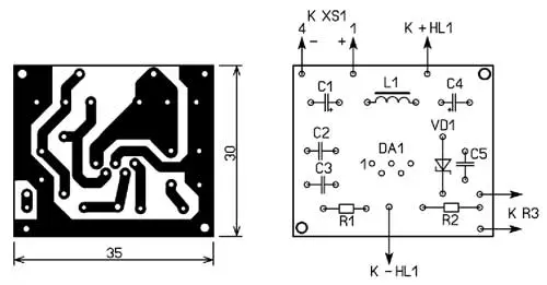
Рис. 3. Чертёж печатной платы преобразователя и элементы на ней
Элементы преобразователя размещены на печатной плате, чертёж которой показан на рис. 3. В преобразователе применены постоянные резисторы МЛТ, переменный - СП4-1, СПО, оксидные конденсаторы - импортные, керамические любого типа, рассчитанные на соответствующее напряжение. Диод 1N5818 можно заменить диодом 1N5817 или 1N5819 в зависимости от мощности светодиодного модуля. Дроссель - серии RLB (импортный) или КИ (отечественный), рассчитанный на ток не менее 1 А. Внешний вид смонтированной платы показан на рис. 4. Хотя микросхема нагревается незначительно, она снабжена небольшим ребристым теплоотводом, который будет не лишним, если применить более мощный светодиодный модуль и температура окружающей среды будет высокой.

Рис. 4. Внешний вид смонтированной платы
С указанным на схеме сопротивлением резистора R2 ток через светодиодный модуль - около 100 мА. При большем токе сопротивление этого резистора надо уменьшить и обратить внимание на минимальное сопротивление переменного резистора и соединительных проводов. У резисторов СП4, СПО это сопротивление может быть нестабильным и составлять несколько ом, поэтому лучшим вариантом будет применение проволочного переменного резистора.
Поскольку светодиоды чувствительны к перегреву, модуль установлен на ребристом алюминиевом теплоотводе с внешними размерами 36x32x25 мм с применением теплопроводящей пасты. Этот теплоотвод можно использовать как основание-подставку светильника или сделать в нём отверстие, с помощью которого светильник можно было бы подвесить. Для светодиодного модуля большей мощности размеры теплоотвода следует увеличить.

Рис. 5. Светорассеивающий колпак
Для защиты модуля от повреждений он закрыт пластмассовым светорассеивающим колпаком диаметром 60 мм от светодиодной лампы (рис. 5), впрочем, можно обойтись и без него. Преобразователь размещён в отдельном пластмассовом корпусе размерами 64x44x22 мм. Переменный резистор расположен на верхней панели и снабжён ручкой. С преобразователем модуль соединён двухпроводным кабелем требуемой длины. Внешний вид всего светильника показан на рис. 6. Для подключения к прикуривателю автомобиля можно сделать соответствующий переходник от USB-разъёма.

Рис. 6. Внешний вид светильника
Регулируемый повышающий преобразователь напряжения можно собрать на таймере КР1441ВИ1 и переключательном транзисторе [2]. Схема такого варианта светильника показана на рис. 7. На микросхеме DA1 собран генератор импульсов с регулируемой скважностью. Эти импульсы поступают на затвор переключательного транзистора VT1.

Рис. 7. Схема светильника
Когда транзистор открыт, через дроссель L1 протекает ток и энергия запасается в его магнитном поле. При закрывании транзистора запасённая энергия поступает сначала на выпрямитель на диоде VD3 и далее на светодиодную матрицу. В этом преобразователе нет стабилизации тока или напряжения, но мощность, поступающая на светодиодную матрицу, т. е. яркость её свечения, зависит от энергии, запасённой в накопительном дросселе. Изменяя скважность импульсов, можно изменять ток через светодиодную матрицу - чем больше скважность, тем меньше яркость.

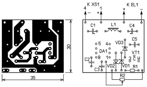
Рис. 8. Печатная плата преобразователя и элементы на ней

Рис.9. Внешний вид смонтированной платы
Элементы этого преобразователя размещены на печатной плате, чертёж которой показан на рис. 8. Микросхема таймера должна быть серии 555 на МОП-транзисторах и рассчитана на напряжение питания до 16 В. Транзистор - любой мощный переключательный структуры МОП с n-каналом и напряжением открывания 1...2 В. Остальные элементы - такие же, как в предыдущем устройстве. Подборкой резистора R1 устанавливают максимальный ток через светодиодную матрицу. Следует учесть, что при изменении напряжения питания значение этого тока пропорционально изменяется. Внешний вид смонтированной платы показан на рис. 9. Конструкция самого светильника останется такой же.
Литература
1. Rosensuotich Rosensuotich lighting Store. - URL: https://ru.aliexpress.com/ item/33027728926.html?gps-id = 8041884&scm = 1007.14677.110221.0&sc m_id = 1007.14677.1 10221.0&scm-url = 1007.14677.110221.0&pvid=49f83bcb-6ba4-45b2-bb02-3ad83ecaaa5d&spm = a2g0o.store_home.promoteWysiwyg_5022 57136.0 (25.12.19).
2. Нечаев И. Регулируемый малогабаритный светодиодный USB-светильник. - Радио, 2019, № 2, с. 38, 39.
Автор: И. Нечаев, г. Москва
