Микросхема OZ9938 фирмы O2Micro является контроллером электролюминесцентных ламп с холодным катодом (CCFL), на основе которого можно реализовать источник питания ламп подсветки ЖК панелей телевизоров и мониторов. Схема на основе такого контроллера конвертирует постоянное нерегулируемое напряжение в переменное высокочастотное квазисинусоидальной формы. Архитектура микросхемы OZ9938 приведена на рис. 1.

Рис. 1. Архитектура микросхемы OZ9938
Контроллер формирует два управляющих противофазных сигнала для конвертора на основе MOSFET-транзисторов. ШИМ контроллер обеспечивает "мягкий" старт схемы, стабилизацию выходного тока и напряжения преобра-зователя, защиту (токовую и от перенапряжения), высокую нагрузочную способность выходных драйверов и мультифункциональную регулировку яркости подсветки (как сигналами встроенного или внешнего ШИМ, так и внешним аналоговым сигналом). Варианты исполнения микросхемы OZ9938 приведены в таблице 1.
Таблица 1. Варианты исполнения микросхемы OZ9938
Обозначение ИМС | Диапазон рабочих температур | Корпус |
OZ9938G | -20...85°C | SOIC 16 |
OZ9938GN | -20...85°C | SOIC 16 (бессвинцовый монтаж) |
OZ9938IG | -40...85°C | SOIC 16 |
OZ9938IGN | -40...85°C | SOIC 16 (бессвинцовый монтаж) |
OZ9938D | -20...85°C | DIP 16 |
OZ9938DN | -20...85°C | DIP 16 (бессвинцовый монтаж) |
Основные электрические параметры ИМС приведены в таблице 2.
Таблица 2. Основные электрические параметры ИМС OZ9938
Параметр | Обозначение | Тестовые кондиции | Значение | Единица измерения | ||
VDDA(выв. 2) = 5 В; Ta = 25°C; RCT = 39 кОм; CCT= 470 пФ; RLCT = 3,3 MОМ; CLCT= 4,7 нФ | Мин. | Тип. | Макс. | |||
Потребляемый ток | ||||||
Дежурный режим | Idds | ENA (выв. 10) = 0 В | - | 2,0 | 5,0 | мкА |
Рабочий режим | Idd | Выходная емкость DRV1 & DRV2 = 2 пФ | 1,5 | 2,0 | 2,5 | мА |
Ток схемы "мягкого" старта | ISSTCMP | - | 1,83 | 2,29 | 2,75 | мкА |
Схема контроля напряжения питания (UVLO) | ||||||
Нижний порог | UVLO | VDDA: 5 В - 0 В | - | - | 3,2 | В |
Верхний порог | UVLO | VDDA: 0 В - 5 В | 4,0 | - | - | В |
Опорное напряжение | ||||||
На входе ISEN (выв. 5) | - | ISEN = SSTCMP (выв. 12) | 1,12 | 1,18 | 1,23 | В |
На входе VSEN (выв. 6) в течение поджига | VSEN = SSTCMP | 2,78 | 2,92 | 3,06 | В | |
Внутренний генератор | ||||||
Частота поджига | fstr | - | 62,6 | 65,8 | 69,0 | кГц |
Частота в рабочем режиме | Fop | - | 50,0 | 52,0 | 54,0 | кГц |
Таймер и защита | ||||||
Ток внутреннего источника в режиме поджига | - | ISEN = O В | 2,3 | 2,9 | 3,5 | мкА |
Ток внутреннего источника в режиме обрыва ламп или перенапряжения | - | SSTCMP > 3,3 В или VSEN > OVPT (выв. 7) | 8,0 | 10,0 | 12,0 | мкА |
Напряжение включения защиты (на выв. 7) | 2,60 | 2,81 | 3,02 | В | ||
Выходные драйверы | ||||||
DRV1/2 в режиме вытекающего тока | Ron | - | - | 12 | 18 | Ом |
DRV1/2 в режиме втекающего тока | Ron | - | - | 5 | 9 | Ом |
Максимальный рабочий цикл | - | 45 | - | - | % | |
Назначение выводов микросхемы OZ9938 приведено в таблице 3.
Таблица 3. Назначение выводов микросхемы OZ9938
Номер вывода | Обозначение | Описание |
1 | DRV1 | Выходной сигнал 1 |
2 | VDDA | Напряжение питания |
3 | TIMER | Времязадающий конденсатор, определяет время поджига и время отключения |
4 | DIM | Вход аналогового или ШИМ сигнала регулировки яркости |
5 | ISEN | Вход токового сигнал обратной связи |
6 | VSEN | Вход напряжения обратной связи |
7 | OVPT | Вход защиты от превышения напряжения/тока |
8 | NC | Не подключены |
9 | NC | |
10 | ENA | Сигнал включения-выключения микросхемы |
11 | LCT | Времязадающий конденсатор, определяет частоту внутреннего ШИМ схемы регулировки яркости и вход выбора аналоговой регулировки яркости |
12 | SSTCMP | Конденсатор схемы "мягкого" старта |
13 | CT | Времязадающая RC-цепь частоты основных операций и частоты поджига |
14 | GNDA | Аналоговая "земля" |
15 | DRV2 | Выходной сигнал 2 |
16 | PGND | "Земля" силовых цепей |
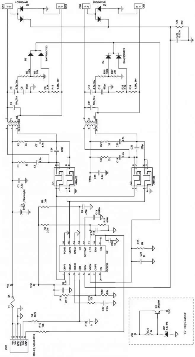
Типовая схема включения рассматриваемого контроллера приведена на рис. 2.

Рис. 2. Принципиальная электрическая схема инвертора питания CCFL
К выходам микросхемы U2 (выв. 1, 15) подключены транзисторные сборки U1, U3 (МОП транзисторы с n-каналами), транзисторы в каждом канале включены по двухтактной схеме. Нагрузкой транзисторов служат половины первичных обмоток импульсных трансформаторов T1, Т2, средняя точка обмоток подключена к источнику питания инвертора VIN. Питающее напряжение микросхемы 5 В (выв. 2) формируется стабилизатором Q1 ZD1.
Инвертор включается сигналом ENA (контакт 6 CN2), формируемым управляющим микроконтроллером, сигнал высокого уровня (более 2 В) подается на вход включения контроллера ENA (выв. 10).
Напряжение на конденсаторе С13, подключенном к выв. 12 , постепенно растет. Оно определяет мощность, передаваемую через трансформаторы в CCFL и, тем самым, предотвращает броски тока в лампах ("мягкий" старт).
Время поджига ламп задается цепью R16 C17, подключенной к выв. 3. В этом режиме частота управляющего ШИМ повышена относительно рабочего режима и составляет примерно 68 кГц. Она определяется номиналами элементов R8, C9. Когда лампы зажглись и напряжение на выв. 5 U2 составляет не менее 0,7 В, схема переходит в рабочий режим, в котором частота ШИМ понижается примерно до 52 кГц. В этом режиме напряжение на лампах составляет примерно 450...500 В при токе 6...7 мА. Ток CCFL контролируется цепью обратной связи, которая формирует сигнал на выв. 5 микросхемы (ISEN). Тем самым задается рабочий цикл выходных каскадов, управляющих двухтактными схемами на МОП транзисторах в составе сборок.
Если одна из CCFL разрушается или нарушается контакт в ее разъеме (отключается), напряжение на выв. 12 U2 быстро растет. Когда его уровень достигает 2,5 В, включается таймер (выв. 3), током которого заряжаются конденсатор С17, определяющий время задержки выключения контроллера (примерно 0,5 с). При достижении на нем уровня 3 В выходы контроллера выключаются. Для повторного включения контроллера необходимо инициализировать его питание (выв. 2) или сигнал INA (выв. 10).
Схема защиты от перенапряжения и токовой защиты в составе U2 контролирует сигнал на выв. 6. При отключении (разрушении, обрыве цепи) ламп выходное напряжение на соответствующей вторичной обмотке трансформатора возрастает, с делителей (см. рис. 2) сигнал подается на выв. 6. Как только его уровень превысит определенный (задается делителем R13 R19 на выв. 7, OVP), с такой же задержкой, как и в предыдущем случае, контроллер выключается.
Для регулировки яркости используется вход DIM (выв. 4). Для выбора режима регулировки яркости подсветки служит выв. 11. Если напряжение на нем больше 3 В, то выбирается режим аналоговой регулировки яркости. Напряжение на входе DIM может изменяться в диапазоне 0,5...1,25 В, нижний уровень соответствует минимальной яркости CCFL, а верхний -максимальной. Яркость регулируется внутренним ШИМ, если к выв. 11 подключена RC-цепь, в данном случае - R8 C14. Частота внутреннего ШИМ составляет сотни Гц и определяется по формуле:
F Losc = 3102/RLCT[MOм]xCLCT[нФ] [Гц]
Максимальной яркости соответствует напряжение 1,5 В на выв. 4U2, а минимальной - 0%.
Режим регулировки яркости подсветки внешним ШИМ сигналом задается уровнем напряжения 0,5.1 В на выв. 11 с помощью резисторного делителя. В этом случае на вход DIM подается ШИМ сигнал регулировки.
Литература:
1. O2Micro. OZ9938 datasheet, 2005.
Автор: Николай Елагин (г. Зеленоград)
Источник: Ремонт и сервис
