Сегодня светодиодные лампы прочно вошли в нашу жизнь. И хотя производители таких ламп заявляют об их высокой надёжности, тем не менее они нередко выходят из строя. Некоторые радиолюбители ремонтируют их, и небезуспешно. Предлагаемый вниманию читателей прибор поможет в их ремонте.
Среди бытовых осветительных приборов сегодня преобладают светодиодные лампы. Об их преимуществах сказано немало. Кроме того, сейчас всё более популярными становятся светодиодные матрицы с питанием непосредственно от сети 230 В. Теоретически надёжность таких ламп высока, но на практике, по разным причинам, они часто выходят из строя. Такие лампы могут быть источником радиоэлементов, а некоторые радиолюбители даже их ремонтируют. Конечно, ремонтировать такие лампы или нет, каждый решает сам. Но если можно отремонтировать, почему бы это не сделать?
Для начала надо определить неисправность, и сделать это можно с помощью различных специализированных пробников [1, 2], которые позволяют найти неисправные элементы, в первую очередь, это светодиоды, которые чаще всего выходят из строя. Но для проверки всей лампы требуется источник высокого напряжения, который в большинстве случаев в лаборатории радиолюбителя отсутствует. Если в качестве такого источника использовать сеть 230 В, это может быть опасно.
В такой ситуации поможет устройство, описание которого приводится далее. Оно представляет собой маломощный источник постоянного высокого напряжения, который не боится короткого замыкания. Основой устройства является повышающий DC/АС преобразователь напряжения от источника питания цилиндрической люминесцентной лампы, которая освещает копируемое изображение или текст в планшетном сканере формата А4. Преобразователь обычно размещается на подвижной каретке, на которой закреплена лампа. О таких преобразователях и их параметрах было рассказано в [3]. Схема используемого преобразователя показана на рис. 1. Нумерация элементов соответствует маркировке на печатной плате. Преобразователь - резонансный и работает на частоте несколько десятков килогерц. Схемы других аналогичных устройств могут незначительно отличаться.

Рис. 1. Схема преобразователя
Номинальное напряжение питания преобразователя - 12 В, но он работает в интервале напряжений 1,5...15 В, при этом выходное напряжение практически линейно зависит от входного. Это позволяет из менять его выходное напряжение изменением напряжения питания. Балластный конденсатор С3, который установлен на выходе преобразователя, ограничивает выходной ток в случае возникновения короткого замыкания в нагрузке.
Для изготовления устройства, кроме преобразователя, потребуются патрон для лампы и пластмассовый корпус подходящего размера (рис. 2). На корпусе можно установить несколько патронов для ламп с цоколем Е27, Е14 и других, их контакты соединяют параллельно.

Рис. 2. Патрон для лампы и пластмассовый корпус

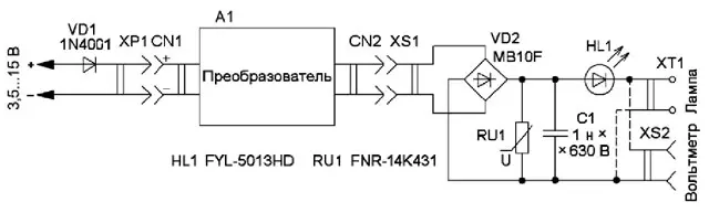
Рис. 3. Схема устройства
Схема устройства показана на рис. 3. ДиодУ01 защищает преобразователь от неправильной полярности питающего напряжения. Выходное напряжение преобразователя выпрямляет диодный мост VD2, варистор RU1 ограничивает выходное постоянное напряжение на уровне 450...480 В. Наличие диодного моста необходимо. Дело в том, что большинство светодиодных ламп имеют в своём составе выпрямитель, казалось бы, такой выпрямитель в устройстве не нужен. Но в некоторых лампах в цепи питания установлены помехоподавляющие LC-фильтры или С-фильтры, которые не пропустят высо-кочастотное переменное напряжение преобразователя, но без проблем пропустят постоянное напряжение. Светодиод HL1 служит индикатором протекания тока через нагрузку.
Диод может быть любым выпрямительным или импульсным с допустимым током не менее 300 мА. Диодный мост - с допустимым обратным напряжением не менее 500 В и должен быть рассчитан на работу на частоте несколько десятков килогерц. Варистор - маломощный с классификационным напряжением 300...430 В. Светодиод может быть любого свечения, сверхъяркий с допустимым прямым током не менее 20 мА. Конденсатор С1 - плёночный или керамический, такие конденсаторы широко использовались в драйверах КЛЛ. Для подключения к источнику питания можно использовать любой подходящий провод и разъём. Все элементы размещены на дне корпуса и закреплены с помощью термоклея. Монтаж проведён с помощью проводов в изоляции.

Рис. 4. Зависимость выходного напряжения от входного
Предварительно можно снять зависимость выходного напряжения от входного. Если блок питания со встроенным вольтметром, эта зависимость позволит приблизительно оценить значение выходного напряжения. В авторском варианте устройства зависимость выходного напряжения от входного показана на рис. 4. Видно, как варистор ограничивает выходное напряжение. Ток, потребляемый устройством при напряжении питания 15 В, - 220 мА. При снижении питающего напряжения ток пропорционально уменьшается. В случае замыкания в цепи нагрузки максимальный выходной ток - около 5 мА (при этом потребляемый ток - 100 мА), и он также снижается при уменьшении напряжения питания.
Для контроля напряжения на лампе параллельно патрону ХТ1 можно подключить вольтметр, для этого на корпусе устройства надо установить гнёзда подходящей конструкции. Вольтметр желательно применить с входным сопротивлением 10 МОм и более, это повысит точность измерения напряжения. Внешний вид смонтированного устройства в действии показан на рис. 5. Светодиоды лампы слабо светят.
Когда установлена исправная лампа, она начинает слабо светить при напряжении на ней немногим менее 200 В. При увеличении напряжения блока питания яркость свечения также увеличивается. Для проверки неисправной светодиодной лампы сначала надо аккуратно удалить светорассеивающий колпак. Лампу завинчивают в патрон, подключают устройство к регулируемому блоку питания с выходным напряжением 1,5...15 В и током до 300 мА. Для ламп, у которых все элементы размещены на одной, как правило, алюминиевой плате, найти неисправный элемент, конечно, проще. В некоторых лампах драйвер, как правило, импульсный, размещён внутри цоколя, что потребует дальнейшей разборки.

Рис. 5. Внешний вид смонтированного устройства
Устанавливают минимальное напряжение и плавно его увеличивают. Если напряжение на лампе растёт в соответствии со снятой зависимостью и при напряжении 230 В её светодиоды не светят, значит, один из них или несколько, а также и другие элементы вышли из строя, а возможно, повреждён защитный резистор, который чаще всего расположен в цоколе. Для их выявления надо измерить напряжение на всех элементах. Если перегорел один из светодиодов, на нём будет большая часть напряжения. Если напряжение на лампе не увеличивается в соответствии с зависимостью и при этом светит светодиод HL1, вероятно, в лампе короткое замыкание или большая утечка.
Следует учесть, что незначительная часть светодиодных ламп, в основном старого образца, имеет узел питания на основе балластного конденсатора. Устройство не предназначено для работы с такими лампами.
Замена светодиодов и других элементов на алюминиевой плате - это настоящая проблема. Тут без фена с насадкой для локального нагрева не обойтись. Но поиск неисправностей и технология замены элементов - это не тема настоящей статьи.
Литература
1.Нечаев И. Щуп-пробник светодиодов и светодиодных матриц. - Радио, 2021, № 5, с. 28-30.
2.Нечаев И. Пробник высоковольтных светодиодных матриц. - Радио, 2021, № 12, с. 32-34.
3.Нечаев И. Тестер варисторов, супрессоров, стабилитронов, неоновых ламп, газовых разрядников, светодиодных матриц. - Радио, 2022, № 1, с. 17-21.
Автор: И. Нечаев, г. Москва
