Импульсное реле предназначено для дистанционного включения и выключения из нескольких удалённых мест осветительных приборов или иных потребителей переменного тока, подключённых к электрической сети 230 В. В отличие от проходных выключателей, по цепям управления не протекает ток нагрузки, который может быть значительным. Управление нагрузкой производится с помощью кнопок без фиксации, например звонковых, или специальных клавишных выключателей, которые параллельно подключены к шлейфу управления. Каждое нажатие на любую из кнопок вызывает включение или отключение потребителя.
Имеющиеся в продаже импульсные реле имеют несколько недостатков: во-первых, они достаточно дороги, особенно электронные зарубежного производства, а во-вторых, они должны устанавливаться на DIN-рейку в специальный настенный щиток и иметь сравнительно большие габариты. Также самые распространённые электромеханические импульсные реле не допускают длительного нажатия на кнопку управления (свыше 1 мин), которое может привести к перегреву и сгоранию катушки.

Рис. 1. Схема электронного импульсного реле
Схема электронного импульсного реле приведена на рис. 1. Оно содержит доступные компоненты и может быть повторено многими радиолюбителями. Светильники или другой потребитель подключают между выходом R и нулевым проводником N. Подача напряжения на нагрузку осуществляется с помощью симистора VS1, который управляется симисторной оптопарой U2 в момент перехода сетевой полуволны через ноль, что при активной нагрузке уменьшает токи коммутации и снижает уровень помех. Формирование сигнала управления оптопарой U2 производится с помощью одновибратора, реализованного на триггере DD1.1, выдающего одиночный импульс длительностью около 1 с при кратковременной подаче напряжения на вход дистанционного управления S1 или S2 и счётного T-триггера, реализованного на D-триггере DD1.2. С каждым новым импульсом управления состояние этого триггера меняется на противоположное.
Напряжение питания 12 В элементов схемы обеспечивается узлом, состоящим из балластного конденсатора C5, диодного моста VD4-VD7, конденсатора C4, сглаживающего пульсации выпрямленного напряжения, и стабилитрона VD3, обеспечивающего стабилизацию напряжения. Цепь R2C3 служит для первоначальной установки триггера DD1.2 в нулевое состояние для исключения самопроизвольного включения освещения при наличии кратковременных отключений напряжения сети. При длинной линии от места установки импульсного реле до кнопочного выключателя и большой ёмкости между проводниками возможна неустойчивая работа реле. В этом случае между входами S1 и S2 подключают внешний снаббер - цепочку из последовательно соединённых конденсатора 1 мкФ на переменное напряжение не менее 275 В и резистора сопротивлением 50...100 Ом мощностью 0,25 Вт.

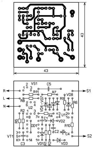
Рис. 2. Чертеж печатной платы устройства и схема размещения элементов на ней
Все элементы схемы размещены на печатной плате из одностороннего фольгированного стеклотекстолита толщиной 1,5 мм (рис. 2), которая легко размещается внутри подрозетника, на котором установлена одна из кнопок управления освещением. Также её можно установить внутри светильника, но требуется соответствующая электропроводка. В месте установки платы обязательно должен присутствовать, помимо фазного, ещё и нулевой провод. Управление нагрузкой осуществляется путём подачи между входами S1 и S2 напряжения 230 В, формируемого дистанционными кнопками. Эти входы гальванически отделены от остального устройства с помощью оптрона U1 и позволяют подавать команду управления как путём кратковременной подачи на один из входов напряжения 230 В, так и путём замыкания этого входа на нулевой проводник. Последний вариант является более безопасным, если в качестве дистанционных выключателей используются обыкновенные звонковые кнопки. Для этого второй вход соединяют с нулевым проводом N или с фазным L соответственно. Если цепь управления из-за неисправности внешнего шлейфа или кнопок длительно остаётся под напряжением, ничего страшного не произойдёт, устройство не выйдет из строя, просто оно перестанет реагировать на нажатие кнопок.
В устройстве можно использовать конденсатор серии К73-17В (C5) или аналогичный импортный ёмкостью от 0,15 до 0,22 мкФ, допускающий работу на переменном напряжении не менее 275 В. Оксидный конденсатор C4 - К50-35 или импортный ёмкостью 47...100 мкФ на напряжение 16...25В, остальные конденсаторы - керамические К10-17 или их импортные аналоги. Диоды VD4-VD7, VD8 могут быть из серий 1N4004-1N4007 или отечественные КД243Г-КД243Ж. Микросхему можно заменить импортной CD4013B. Транзистор VT1 может быть любой серии КТ3102, PN2222A. Тип симистораVS1 зависит от мощности планируемой нагрузки. Если ток нагрузки превышает 2 А, симистор необходимо установить на теплоотвод. Симисторный оптрон U2 - MOC3043M, MOC3083M, а транзисторный оптрон U1 - K815p, TLP627 или аналогичный. Постоянные резисторы - МЛТ, С2-23 или импортные металлоплёночные. Внешний вид смонтированной печатной платы показан на рис. 3.

Рис. 3. Внешний вид смонтированной печатной платы
При отсутствии ошибок при монтаже и исправных элементах устройство начинает работать сразу и не требует налаживания. После окончания монтажа платы и проверки работоспособности её следует покрыть защитным лаком.
Подключение внешних проводников платы внутри подрозетника или светильника к подходящим кабелям производится с помощью зажимных клемм или скруток с изоляцией соединения термоусаживаемыми трубками.
Следует иметь в виду, что элементы импульсного реле находятся под опасным напряжением сети 230 В, поэтому все работы, связанные с его доработкой, подбором элементов, настройкой, необходимо проводить с особой осторожностью, исключающей случайное прикосновение к токоведущим частям. На этот период устройство надо запитать через разделительный трансформатор, обеспечивающий гальваническую развязку от сети и ограничение выходной мощности.
Чертёж печатной платы устройства находится здесь.
Автор: В. Кравцов, г. Новороссийск Краснодарского края
