Для освещения своего рабочего стола я много лет использовал светильник с двумя линейными люминесцентными лампами мощностью 36 Вт каждая, питаемыми через индивидуальные электронные балласты. Люминесцентные лампы служат в среднем 5000 ч с ограниченным числом включений в сутки. Срок службы каждой лампы у меня составил в среднем около двух лет. Современные светодиодные источники света имеют срок службы гораздо больший, чем люминесцентные, и они более экономичные, но цена у них выше. Со временем цена светодиодных светильников стала более доступной, и я купил два светодиодных уличных прожектора для освещения своего рабочего стола. Прожекторы рассчитаны для жёстких условий эксплуатации на улице, что повышает их надёжность при работе в помещении. Основные характеристики прожектора: мощность - 30 Вт; напряжение питающей сети - 220...240 В; частота питающей сети - 50/60 Гц; температура окружающей среды - от -40 до +45 оС; ресурс - 30000 ч.
Почти все характеристики прожектора удовлетворяют требованиям, приведённым в таблице 17 ГОСТа [1], к освещённости рабочего места для работ, связанных с производством электронной техники, её испытанием и контролем. Один из параметров - это пульсации яркости (или светового потока), которые для уличного прожектора не нормированы, и они оказались значительно больше допустимых 10%. Причина высоких пульсаций света у описываемых прожекторов в его схемотехнике. Прожектор содержит выпрямительный мост, цепь из 24 последовательно включённых светодиодов и линейного стабилизатора тока на специальной микросхеме. Распаяны эти элементы на печатной плате, основой которой служит алюминиевая пластина, привинченная с использованием теплопроводящей пасты к корпусу прожектора, который служит теплоотводом. В зависимости от тока через светодиоды может быть установлено несколько токостабилизирующих микросхем, включённых параллельно.
Свои прожекторы я не разбирал, а эта информация получена из опыта ремонта аналогичных прожекторов этой фирмы и из Интернета. Поскольку в прожекторе после выпрямителя нет сглаживающего конденсатора, через светодиоды течёт пульсирующий ток с удвоенной частотой сети, что и приводит к соответствующим пульсациям яркости. Следует добавить, что существуют прожекторы со встроенными электронными регуляторами тока с более сложной схемотехникой, у них пульсации яркости могут быть менее 10 %.
С целью снижения пульсаций яркости для питания прожектора надо использовать источник постоянного напряжения с минимальным уровнем пульсаций. При этом сам прожектор как-либо дорабатывать не нужно, а просто надо подать постоянное напряжение на его выводы. Непосредственно выпрямить сетевое напряжение и установить сглаживающий конденсатор на выходе диодного моста и подключить к нему прожектор нельзя, поскольку на конденсаторе будет постоянное напряжение, близкое к амплитудному напряжению сети (около 300 В). От такого напряжения прожектор наверняка перегреется и сгорит. Чтобы уменьшить его до номинального напряжения, лучше всего применить импульсный понижающий стабилизатор напряжения. Нужно применить именно стабилизатор напряжения, так как ток через светодиоды стабилизируется в самом прожекторе.

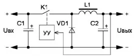
Рис. 1. Упрощённая схема источника питания
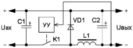
Поэтому предлагается применить понижающий импульсный стабилизатор напряжения, по английской терминологии step-down converter, chopper или buck converter. Такие стабилизаторы напряжения применяют тогда, когда необходимое напряжение нагрузки меньше, чем напряжение источника питания. Его упрощённая схема показана на рис. 1. Основные элементы этой схемы: диод VD1, накопительный дроссель L1, выходной конденсатор C2, устройство управления (УУ) и коммутирующий ключ K1, в качестве которого используется p-канальный полевой транзистор. В момент открытия ключа ток течёт из источника питания через дроссель L1 в нагрузку и заряжает выходной конденсатор C2. Когда ключ закрыт, диод VD1 пропускает ток, поддерживаемый индуктивностью дросселя L1, в нагрузку и на выходной конденсатор C2. Меняя продолжительность открытия ключа, можно регулировать напряжение на нагрузке. Полевой p-канальный транзистор с необходимыми характеристиками и с невысокой ценой я найти не смог, поэтому применил n-канальный полевой транзистор. Для этого случая упрощённая схема стабилизатора показана на рис. 2. Назначение элементов и принцип работы стабилизатора такие же.

Рис. 2. Упрощённая схема стабилизатора

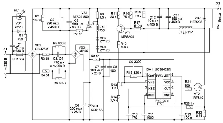
Рис. 3. Схема импульсного стабилизированного источника постоянного напряжения
На рис. 3 показана схема импульсного стабилизированного источника постоянного напряжения, к выходу которого (разъём X2) подключают параллельно два прожектора. Стабилизатор имеет гальваническую связь с сетью, об этом нужно помнить при его налаживании и эксплуатации. Основа стабилизатора - специальная микросхема ШИМ-контроллера UC3842BN (DA1), коммутирующий ключ собран на полевом транзисторе VT2 (IRF840). Контроллер включён по типовой схеме, которая приведена в документации производителя [2]. Этот контроллер используется в однотактных импульсных блоках питания для различной электронной техники. В Интернете о нём есть много информации и на русском языке, он выпускается уже довольно долго и имеет российские аналоги. Необходимым условием при выборе ШИМ-контроллера является время максимального открытия управляемого ключа в рабочем такте, близкое к 100 %.
Сетевое напряжение поступает на входной разъём X1, далее через плавкую вставку FU1 на диодный мост VD2 и цепи питания микросхемы DA1. Параллельно плавкой вставке включена цепь индикации её перегорания, которая состоит из светодиода HL1, конденса-тора C1, диода VD1 и резистора R1. Выпрямленное диодным мостом VD2 напряжение сглаживает конденсатор C2, и на нём присутствует постоянное напряжение около 300 В. Плёночный конденсатор C5, включённый параллельно конденсатору С2, уменьшает результирующее ЭПС на высоких частотах, уменьшая тем самым требования к качеству оксидного конденсатора, а значит, и его стоимость. Аналогичную задачу решает и плёночный конденсатор C14. Резистор R2 служит для разрядки конденсаторов С2, С5 после отключения устройства от сети.
Узел питания микросхемы контроллера DA1 выполнен на балластных конденсаторах C3, C4, напряжение выпрямляется диодным мостом VD3. Стабилитрон VD4 обеспечивает стабилизацию питающего напряжения микросхемы DA1. Конденсатор C6 сглаживает пульсации напряжения на стабилитроне, которые дополнительно снижает цепь из резистора R8 и конденсаторов C7, C8. Резисторы R3 и R4 ограничивают пусковой ток через балластные конденсаторы при включении в сеть, а резисторы R5 и R6 служат для их разрядки после выключения устройства из сети. Резистор R18 выполняет функции минимальной нагрузки стабилизатора напряжения, без этого резистора стабилизатор работает неустойчиво в случае отключения прожекторов.
Как уже сказано выше, ШИМ-контроллер DA1 включён по типовой схеме, в которой должен быть общий провод для цепей управления и цепи обратной связи по напряжению. Выход стабилизатора с ключевым n-канальным полевым транзистором не имеет общего провода с контроллером, поэтому, чтобы замкнуть цепь обратной связи по напряжению, необходим инвертор выходного напряжения. Этот инвертор выполнен на транзисторе VT1. С выхода стабилизатора напряжение через резистивный делитель R15R17 поступает на базу транзистора VT1, поэтому ток его коллектора будет зависеть от этого напряжения. При увеличении выходного напряжения ток коллектора увеличивается, что приводит к увеличению напряжения на движке резистора R13 и на входе VFB (вход обратной связи по напряжению) микросхемы контроллера DA1. Это приводит к уменьшению выходного напряжения стабилизатора. При уменьшении выходного напряжения процесс происходит в обратном порядке. Выходное напряжение регулируют подстроечным резистором R13. Резисторы R11 и R14 задают пределы регулировки выходного напряжения.
В случае пробоя транзистора VT2 напряжение на выходе стабилизатора повысится до амплитудного напряжения сети, и как уже говорилось выше, это опасно для прожектора. Чтобы исключить такую ситуацию, в схему введены симистор VS1, стабилитроны VD5, VD6 и резисторы R7, R9, R10. При повышении выходного напряжения больше напряжения стабилизации двух включённых последовательно стабилитронов VD5, VD6 через них потечёт ток в управляющий электрод симистора VS1. Для каждого стабилитрона напряжение стабилизации 120 В, в сумме у двух стабилитронов оно равно 240 В. Ток, протекающий через управляющий переход симистора VS1, открывает его, а ток, протекающий через симистор, возрастает до 15 А, поскольку ограничен резистором R7. Это приводит к перегоранию плавкой вставки FU1. Об этой ситуации сигнализирует светодиод HL1 красного свечения.

Рис. 4.

Рис. 5. Внешний вид собранного устройства в корпусе

Рис. 6. Внешний вид устройства
Устройство собрано в пластмассовом корпусе от индивидуального ответчика пожарно-охранной сигнализации "Комета-К" с габаритными размерами 165x100x85 мм. Все детали установлены на печатной плате из двухстороннего текстолита, кроме светодиода HL1 и плавкой вставки FU1, они установлены на корпусе, который крепится к стене несколькими шурупами. На плате установлен алюминиевый теплоотвод, к которому привинчен транзистор VT2 (рис. 4). Площадь теплоотвода - около 100 мм2, он рассчитан на рассеивание 10 Вт тепловой мощности. На рис. 5 показан внешний вид собранного устройства в корпусе, а на рис. 6 - устройство, прикреплённое к стене. Два прожектора крепятся к карнизу для штор, который представляет собой прямоугольный металлический профиль с продольным разрезом. Такие карнизы были популярны в середине 80-х годов прошлого века. Сам карниз я закрепил на потолке, в карнизе к двум плоским пластинам толщиной 3...5 мм с резьбой привинчен прожектор (рис. 7). Ширина пластины немного меньше ширины профиля, а длина одной пластины в 2...3 раза больше её ширины. Длина другой пластины больше её ширины в пять раз, к ней длинным винтом М3 крепится соединительная клемма. Пластина и кронштейн прожектора зажимают винтом на карнизе. Конечно, корпус и крепление могут быть и другими, в зависимости от возможности и фантазии радиолюбителя.

Рис. 7. Прожектор

Рис. 8. Чертёж печатной платы устройства

Рис. 9. Схема размещения деталей на печатной плате
Чертёж печатной платы показан на рис. 8, она изготовлена из двухстороннего фольгированного стеклотекстолита толщиной 1,5...2 мм. Схема размещения деталей на печатной плате показана на рис. 9. Отдельным проводником соединены минусовый вывод конденсатора C2 и нижний по схеме вывод резистора R22, что, по моему мнению, ограничивает растекание импульсов тока по другим цепям общего провода. Через отверстия, свободные от выводов деталей, печатные проводники обеих сторон соединены отрезками лужёного провода. Соединительные провода должны быть в изоляции, выдерживающей напряжение не менее 500 В. Такими же проводами сделаны соединения на плате.
Применены постоянные резисторы МЛТ, С2-23, кроме резистора R22, он - импортный, и R7 - проволочный керамический CRL-5W, подстроечный резистор - СП5-2. Допуск резисторов R11-R15, R17, R19 и R22 должен быть не более 5 %, остальные могут быть с допуском 10 %. Высоковольтные неполярные конденсаторы - К73-17 или их зарубежные аналоги CL-21, низковольтные конденсаторы - К10-7В. Оксидные конденсаторы - любого типа требуемого номинала с габаритами, допускающими их установку в корпус. Микросхему контроллера UC3842BN устанавливают в панель. Отечественным аналогом этой микросхемы является микросхема 1114ЕУ7 [3], но она выполнена в другом корпусе. Дроссель L1 - ДРТ1-1, он используется в старых отечественных телевизорах в модуле строчной развёртки МС-3 или в одной из его модификаций. Если менять этот дроссель на другой, его индуктивность должна быть около 10 мГн и магнитопровод должен иметь немагнитный зазор. Дроссель работает при частоте, близкой к 80 кГц, она задаётся цепью R19C11. Светодиод - АЛ307АМ красного свечения, его можно заменить импортным маломощным светодиодом с диаметром корпуса 5 мм. Плавкая вставка - стеклянная ВПБ6-1-ВПБ6-13, она установлена в соответствующий держатель.
Налаживание устройства производится совместно с монтажом элементов на плату. Во время монтажа пока не устанавливают микросхему контроллера DA1, (впаивают только панель), транзистор VT2 и резистор R10. Производят кратковременное подключение к сети, и вольтметром постоянного тока проверяют напряжение на конденсаторе C7 или на выводе 7 панели микросхемы. Оно должно быть 18 В ±5 %. Проверяют постоянное напряжение на конденсаторе C2, оно должно быть около 300 В. Выключают сетевое напряжение и дают разрядиться конденсатору C2 в течение 40 с. Вставляют микросхему в панель, и снова проверяют напряжение питания на выводе 7, оно не должно значительно измениться. Дополнительно на выводе 8 микросхемы DA1 появляется постоянное напряжение 5 В. Напряжение измеряют относительно минусового вывода конденсатора С7. На выходе микросхемы DA1 (вывод 6) должно быть напряжение, близкое к напряжению питания микросхемы. Там должны быть импульсы напряжения амплитудой около 18 В с коэффициентом заполнения близким к 100 % и частотой около 80 кГц. Снова отключают устройство от сети и выжидают 40 с.
Теперь можно установить транзистор VT2 на теплоотвод и подключить его к плате. В качестве нагрузки к разъёму X2 подключают лампу накаливания мощностью 60 Вт. После подачи напряжения сети лампа загорится, и на ней должно быть напряжение 215 В, которое устанавливают подстроечным резистором R13. При этом напряжение на конденсаторе С2 должно быть 295 В ±10%, напряжение на резисторах R12-R14 - 138 В ±5 %, напряжение на резисторе R11 - 28,4 В ±5 %.
В заключение впаивают на своё место резистор R10, и налаживание можно считать законченным. Все манипуляции, связанные с впаиванием элементов, нужно производить после выключения источника из сети и разрядки конденсатора C2. В целях безопасности во время налаживания для питания устройства надо использовать разделительный трансформатор с коэффициентом трансформации 1:1. В этом случае с помощью осциллографа можно будет проконтролировать форму напряжения на выходе (вывод 6) микросхемы DA1.
Литература
1.ГОСТ Р 55710-2013. Освещение рабочих мест внутри зданий. - URL: https://docs.cntd.ru/document/1200105707 (27.05.22).
2.Current-mode PWM controller UC3842. - URL:https://www.alldatasheet.com/datasheet - pdf/pdf /1 9833/P HILI PS/ UC3842.html (27.05.22).
3.ШИМ-контроллеры 1114ЕУ(7У-10У). - URL: https://mniirip.ru/sites/default/files/ products_descr/1114eu7-10.pdf (27.05.22).
Автор: А. Вишневский, г. Луганск, ЛНР
