Если по каким-то причинам для очередной изготовленной конструкции вы не желаете или не можете воспользоваться выпускающимися промышленностью многоцветными мигающими светодиодами, в качестве альтернативного решения можно применить четырёхкристальный светодиод непрерывного свечения. Каждый его кристалл подключают к выходу генератора, описание которого приводится в статье.
Многоцветные мигающие светодиоды находят применение в детских игрушках, ёлочных гирляндах, недорогих звуковоспроизводящих аппаратах, они увлекательны многообразием генерируемых цветовых эффектов, но заложенную в них программу или частоту переключений цветовых комбинаций нельзя никак изменить. Если вы хотите оснастить конструкцию многоцветным индикатором включения, чтобы, например, в темноте её лучше идентифицировать относительно других работающих устройств со светящимися светодиодными индикаторами, то можно изготовить несложный генератор, который будет управлять работой многоцветного светодиода.
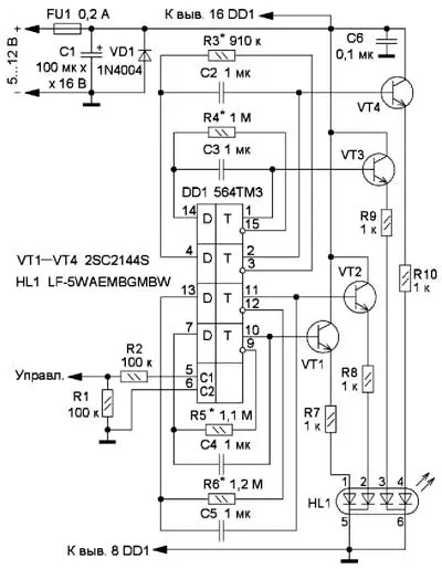
Схема генератора для управления светодиодом LF-5WAEMBGMBW с четырьмя кристаллами показана на рис. 1. Этот светодиод содержит по одному кристаллу зелёного, красного и два кристалла синего цветов свечения. Основа устройства - КМОП-микросхема 564ТМ3, содержащая четыре D-триггера с прямыми и инверсными выходами. На каждом из D-триггеров микросхемы собран RC-генератор. Частотозадающая цепь С2R3 обеспечивает частоту следования импульсов второго сверху по схеме генератора от 0,49 Гц (при напряжении питания 5 В) до 0,62 Гц (при напряжении питания 12 В).

Рис. 1. Схема генератора для управления светодиодом LF-5WAEMBGMBW
Поскольку в частотозадающих цепях в других генераторах установлены резисторы разного сопротивления, их частоты незначительно отличаются друг от друга. Это приводит к тому, что светодиод показывает разные световые эффекты, которые не выглядят хаотичными. Такой режим работы HL1 позволяет использовать устройство не только в детских игрушках, но и как индикатор включения, как многоцветный индикатор какого-либо параметра, при этом такой индикатор не будет слишком надоедливым, как многоцветные мигающие светодиоды.
Светодиод подключён к выходам генераторов через эмиттерные повторители на транзисторах VT1-VT4, резисторы R7-R10 ограничивают ток через кристаллы светодиода. Микросхема 564TM3 содержит два управляющих входа C1 и C2, являющихся общими для всех входящих в неё D-триггеров. Один из них - С2 (вывод 6) соединён с общим проводом. При подаче на вход C1 высокого уровня работа генераторов затормаживается. Резистор R2 - защитный, резистор R1 обеспечивает работу генераторов при неподключённом управляющем входе устройства.
Если останавливать работу генераторов не нужно, резисторы R1 и R2 не устанавливают, а вывод 5 микросхемы DD1 соединяют с общим проводом.
Для питания устройства подойдёт любой источник постоянного напряжения 5...12 В. При напряжении питания 12 В и отключённом светодиоде HL1 устройство потребляет ток около 1 мА. А максимальный потребляемый ток зависит от сопротивления токоограничивающих резисторов и напряжения питания. Конденсаторы C1 и C6 - блокировочные по цепи питания. Диод VD1 совместно с плавкой вставкой FU1 защищает устройство от неправильной полярности напряжения питания. Такая ситуация возможна, например, при налаживании. Если в конструкции, где будет размещено устройство, переполюсовка невозможна, диод и плавкую вставку не устанавливают.
Кроме светодиода HL1 и плавкой вставки, все элементы установлены на плате размерами 31x50 мм из изоляционного материала (рис. 2). Выводы элементов вставлены в отверстия и с другой стороны соединены отрезками монтажного изолированного провода, например МГТФ-0,03. После проверки работоспособности и налаживания для предотвращения случайных замыканий и повышения механической прочности монтажную плату с обеих сторон покрывают лаком ХВ-784 или цапонлаком.

Рис. 2. Плата с элементами
В устройстве можно применить резисторы С1-4, С1-14, С2-14, МЛТ и другие общего применения. Конденсатор C1 - оксидный, остальные - керамические или плёночные на напряжение не менее 16 В, их ёмкость может быть в интервале 0,1...1 мкФ. Сопротивление резисторов можно увеличить в несколько раз, но оно не должно быть более 30 МОм. Замена диода 1N4004 - любой из серий 1N400x, UF400X, КД208, КД243. Транзисторы 2SC2144S можно заменить любым из серий 2SC2188, 2SC2786, 2SC2787, 2SC3199, 2SD1021, КТ358, КТ315. Упомянутые транзисторы имеют отличия в типе корпуса и цоколёвке выводов.
Светодиод LF-5WAEMBGMBW можно заменить светодиодом LF-5WAEMBGMBC. Вместо одного четырёхкристального можно применить два двухкристальных с общим катодом с разными цветами свечения кристаллов или четыре однокристальных непрерывного свечения. В последнем случае желательно использовать миниатюрные светодиоды, корпусы которых совмещают и используют общий матовый рассеиватель света. Взамен интегральной микросхемы 564ТМ3 можно применить микросхемы К561ТМ3, КР1561ТМ3, CD4042A, CD4042BE, MC14042B.
Безошибочно изготовленное из исправных деталей устройство начинает работать сразу. При желании или необходимости подборкой резисторов R3-R6 устанавливают требуемую частоту переключения генераторов. Ток через кристаллы светодиодов устанавливают резисторами R7-R10, при этом через кристаллы синего цветасвечения рекомендуется выбирать ток в 3...5 раз меньше, чем через кристаллы красного или зелёного.
Автор: А. Бутов, с. Курба Ярославской обл.
