Существуют разные способы изолировать выключатель от сети переменного тока и управляемого им прибора. Это можно сделать, передавая команды включения и выключения по радиоканалу [1] или с помощью ИК излучения [2]. Можно включать питание с помощью электромагнитного или оптоэлектронного реле.

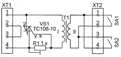
Рис. 1
Одно из самых простых решений - применение маломощного изолирующего трансформатора, включённого в цепь управления коммутирующего сетевое напряжение симистора. Схема построенного по такому принципу выключателя показана на рис. 1. Сетевое напряжение 220 В подают на контакты 1 и 2 колодки ХТ1, а одну или несколько осветительных ламп накаливания подключают к её контактам 3 и 4 (или наоборот). Люминесцентные "энергосберегающие" лампы применять с таким выключателем не следует, поскольку потребляемый ими ток носит импульсный характер, и устройство будет работать неустойчиво. Последовательно в цепь питания ламп включён симис-тор VS1. Между его электродами 2 и управляющим включена первичная обмотка понижающего трансформатора Т1.
В исходном состоянии контакты присоединённых к колодке ХТ2 механических выключателей SA1 и SA2 разомкнуты. Если выключателей требуется больше, дополнительные можно подключить параллельно этим. Через первичную обмотку трансформатора протекает только её ток холостого хода (всего несколько миллиампер), который тем меньше, чем больше индуктивность обмотки. Поскольку его недостаточно для открывания симистора VS1, освещение остаётся выключенным.
При замкнутых контактах любого из механических выключателей трансформатор Т1 работает в режиме короткого замыкания. Ток в его обмотках теперь больше и достаточен для открывания симистора VS1. Поскольку симистор открывается вблизи начала каждого полупериода, на лампы поступает практически полное сетевое напряжение. А напряжение на первичной обмотке трансформатора Т1 после открывания симистора не превышает 2...3 В, поэтому перегрузки трансформатора не происходит.

Рис. 2
Элементы устройства размещены на печатной плате, изготовленной из односторонне фольгированного стеклотекстолита, чертёж которой показан на рис. 2. ХТ1 и ХТ2 - винтовые зажимные колодки серии Х9777В с шагом контактов 7,62 мм, но можно применить и другие или вовсе обойтись без них. Трансформатор Т1 - маломощный сетевой с напряжением вторичной обмотки 8...12 В и током первичной обмотки в режиме холостого хода не более 10 мА.

Рис. 3
В авторском варианте (рис. 3) применён трансформатор с током холостого хода 5 мА от цифрового мультиметра Щ4300. Несколько унифицированных трансформаторов серии ТП-112, имевшихся в распоряжении автора, оказались непригодными, у них ток холостого хода превышал 15 мА.
Подстроечный резистор R1 - СПЗ-19. При налаживании выключателя его движок первоначально устанавливают в среднее положение. Затем, подключив к колодке ХТ1 лампу накаливания и
сеть, находят такое положение движка подстроечного резистора, чтобы при разомкнутом выключателе SA1 (SA2) лампа была выключена, а при замкнутом - включена.
Переменным напряжением вторичной обмотки трансформатора, имеющимся между контактами механических выключателей, когда все они разомкнуты, можно воспользоваться для подсветки. Она полезна для поиска выключателей в темноте. Главное, чтобы потребляемый узлом подсветки ток был меньше того, при котором включаются основные осветительные приборы.

Рис. 4
Возможная схема узла подсветки показана на рис. 4. Его элементы размещают в корпусе обычного выключателя, применив проводной монтаж и просверлив отверстия для светодио-дов. В каждом полупериоде светит лишь один из них, одновременно защищая другой от повышенного обратного напряжения. При желании один светодиод можно заменить обычным диодом любого типа, который будет выполнять лишь защитную функцию.
При указанном на схеме сопротивлении резистора R1 ток нагрузки вторичной обмотки трансформатора Т1 выключателя не превышает 1 мА. С учётом большого коэффициента трансформации это очень незначительно увеличивает ток первичной обмотки, не создавая опасности несвоевременного открывания симистора VS1. Светодио-дам повышенной яркости тока 1 мА вполне достаточно для заметной подсветки. При желании её яркость можно увеличить, уменьшая сопротивление резистора R1, но следя за тем, чтобы возросший ток не вызывал сбоев в работе выключателя.

Рис. 5
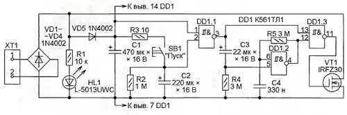
Если требуется включать освещение лишь на определённое время с последующим автоматическим выключением, вместо механического выключателя (или параллельно ему) к вторичной обмотке изолирующего трансформатора Т1 можно подключить электронный таймер, собрав его по схеме, показанной на рис. 5. Двухпроводным кабелем одну пару контактов колодки ХТ1 (1,2 или 3, 4) таймера соединяют с одной из таких же пар контактов колодки ХТ2 выключателя (см. рис. 1). Оставшиеся свободными на обеих колодках пары контактов - резервные. К ним могут быть подключены дополнительные механические выключатели или их группы.
В исходном состоянии напряжение вторичной обмотки изолирующего трансформатора поступает на выпрямительный диодный мост VD1. Через диод VD2 выпрямленное напряжение заряжает конденсатор С1 до 12... 15 В. В этом состоянии светодиод HL1 подсвечивает кнопку пуска таймера SB1. Поскольку конденсатор С2 разряжен, полевой транзистор VT1 закрыт. Освещение остаётся выключенным.
При нажатии на кнопку SB1, даже кратковременном, происходит перераспределение между конденсаторами С1 и С2 накопленного в конденсаторе С1 электрического заряда. В результате разрядки конденсатора С1 и зарядки конденсатора С2 напряжение на них становится одинаковым и равным 9... 10 В. Это обеспечено соответствующим выбором ёмкости конденсаторов. Резистор R3 ограничивает ток перезарядки.
Как только напряжение на конденсаторе С2 превысит порог открывания транзистора VT1, его открывшийся канал замкнёт диагональ моста VD1, а с ней и вторичную обмотку изолирующего трансформатора. Освещение будет включено. При этом светодиод HL1 погаснет, а диод VD2 закроется. Начнётся разрядка конденсатора С2 через резистор R2. Полевой транзистор останется открытым, пока напряжение на конденсаторе не приблизится к пороговому. Затем он начнёт постепенно закрываться, уменьшая ток в обмотках трансформатора. Симистор станет открываться со всё увеличивающейся задержкой относительно начала каждого полупериода сетевого напряжения. Это приведёт к плавному уменьшению яркости осветительных ламп вплоть до их полного выключения. Незадолго до этого работа бесконтактного выключателя может стать неустойчивой, в результате чего произойдёт несколько вспышек осветительных ламп.
При указанных на схеме номиналах элементов получена выдержка до выключения около 3 мин. Подборкой конденсатора С2 и резистора R2 её можно изменить.

Рис. 6

Рис. 7
Все элементы таймера смонтированы на печатной плате из фольгирован-ного с одной стороны стеклотекстолита, чертёж которой показан на рис. 6, а внешний вид - на рис. 7. Кнопку и светодиод устанавливают со стороны печатных проводников.
Постоянные резисторы - С2-23 или импортные, конденсаторы - импортные. Замена полевого транзистора IRFZ30 - IRL2505L или IRL3205, а диодного моста КЦ405А - четыре отдельных диода серии КД105 или 1N4001 - 1N4007. Такие же диоды подойдут и вместо 1 N4002.
Светодиод L-5013UWC можно заменить другим повышенной яркости и любого цвета свечения. Кнопка SB1 - ПКн159 или NS-A6PS-130. Но пригодны и другие кнопки без фиксации, имеющие достаточно длинный толкатель. Кнопку большого размера можно закрепить на корпусе, в который помещена плата.

Рис. 8
На рис. 8 показана схема ещё одного варианта таймера. В отличие от рассмотренного выше, здесь между цепью, определяющей продолжительность выдержки, и затвором полевого транзистора VT1 имеется узел на элементах-триггерах Шмитта микросхемы DD1. Напряжение питания этой микросхемы поступает с конденсатора С1.
В дежурном режиме конденсатор С2 разряжен, СЗ заряжен, на выходах элементов DD1.1 и DD1.2 установлен высокий уровень напряжения, поэтому на выходе элемента DD1.3 он низкий и полевой транзистор VT1 закрыт. Осветительные лампы выключены, а светодиод подсветки HL1 включён.
При коротком нажатии на кнопку SB1 конденсатор С2 зарядится, высокий уровень на выходе элемента DD1.1 сменится низким, а низкий на выходе элемента DD1.3 - высоким. Полевой транзистор VT1 откроется, осветительные лампы включатся, светодиод HL1 погаснет, а конденсатор СЗ быстро разрядится через защитный диод элемента DD1.2.
Когда конденсатор С2 разрядится через резистор R2 настолько, что уровень напряжения на выходе элемента DD1.1 вновь станет высоким, начнётся зарядка конденсатора СЗ. Это приведёт к установке высокого уровня на одном из входов (выводе 5) элемента DD1.2. Собранный на этом элементе генератор начнёт работать, формируя импульсы частотой около 1 Гц. Через элемент DD1.3 они поступят на затвор полевого транзистора VT1, периодически закрывая и открывая его. В результате осветительные лампы станут вспыхивать с указанной частотой. Это означает, что время работы освещения подходит к концу.
Через некоторое время зарядный ток конденсатора СЗ спадёт до значения, при котором падение напряжения на резисторе R4 уменьшится до соответствующего низкому логическому уровню. Работа генератора на элементе DD1.2 прекратится, и таймер, окончательно выключив освещение, вернётся в исходное состояние.
Поскольку при первом подключении таймера к изолирующему трансформатору Т1 (см. рис. 1) конденсатор СЗ разряжен, осветительные лампы будут вспыхивать, пока он не зарядится. Это может служить признаком исправности таймера.

Рис. 9
Все элементы таймера монтируют на печатной плате, чертёж которой показан на рис. 9. Изготавливают её из односторонне фольгированного стеклотекстолита толщиной 1,5...2 мм. Зажимы ХТ1.1 и ХТ1.2 представляют собой контактные площадки, в отверстия которых вставлены винты с гайками. Внешний вид смонтированной платы - на рис. 10. Кнопка SB1 и светодиод HL1 установлены со стороны печатных проводников.
При указанных на схеме номиналах элементов получена выдержка продолжительностью около 10 мин. Её можно изменить, подбирая конденсатор С2. Длительность серии вспышек в конце выдержки зависит от ёмкости конденсатора СЗ, а частота их следования - от ёмкости конденсатора С4.
Литература
1. Нечаев И. Дистанционный выключатель питания. - Радио, 2011, № 7, с. 42, 43.
2. Русин А. Выключатель освещения на ИК лучах. - Радио, 2004, № 2, с. 46-48.
Автор: И. Нечаев, г. Москва
