При диагностике неисправностей и ремонте узлов подсветки ЖК-телевизоров и компьютерных мониторов приходится проверять и подбирать исправные электролюминесцентные лампы с холодным катодом (ЭЛХК). Чтобы значительно упростить и ускорить этот процесс, можно изготовить несложное устройство, собранное на базе готового модуля инвертора напряжения.
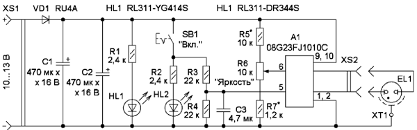
На рис. 1 показана принципиальная схема устройства, которое позволит быстро проверить работоспособность большой номенклатуры ЭЛХК и выбрать из них наиболее подходящие для замены неисправных. В конструкции применён готовый модуль повышающего преобразователя напряжения с наименованием 08G23FJ1010C (рис. 2) от узла подсветки ЖК-матрицы неисправного ноутбука ASUS. Особенность повышающих инверторов напряжения для подсветки ЖК-матриц небольших ноутбуков в том, что они обычно рассчитаны на питание только одной ЭЛХК, по сравнению с инверторами для стационарных мониторов и телевизоров, которые требуют одновременного подключения к ним двух и более исправных ЭЛХК.

Рис. 1. Принципиальная схема устройства

Рис. 2. Модуль повышающего преобразователя напряжения
Схема подключения этого модуля была неизвестна, поскольку ноутбук не сохранился. Хотя в Интернете информация об этом модуле есть, но она противоречивая. Поэтому пришлось проводить эксперименты. Гнездо XS1 для подключения этого модуля к цепям питания и управления имеет десять контактов. Контакты для подачи напряжения питания были найдены по цепям подключения керамического блокировочного конденсатора большого размера и самовосстанавливающегося предохранителя (на рис. 2 внизу слева, с маркировкой N). Нумерация выводов этого гнезда условная и начинается от двух первых контактов общего провода (вверху слева).
Подключив к выходу инвертора заведомо исправную ЭЛХК длиной 35 см, было подано напряжение питания 11 В от лабораторного БП с защитой по току 2 А. Но ничего не произошло: лампа не светит, потребляемый ток отсутствует. Был взят резистор сопротивлением 1,5...10 кОм. Подключив один его вывод к плюсовой или минусовой линии питания и подключая второй к остальным выводам разъёма, можно найти вывод ON/OFF - оказалось, что это вывод 5. После немногих экспериментов узел цепи включения модуля был собран на элементах SB1, R3, R4, C3. При замкнутых контактах кнопочного выключателя SB1 включается светодиод HL2 и модуль преобразователя напряжения активируется.
В процессе экспериментов было замечено, что после подачи напряжения питания яркость свечения проверяемой лампы может быть произвольной. Аналогичным способом находим, что за яркость отвечает вывод 6. Управление яркостью свечения может осуществляться двумя способами. Первый способ - при подаче импульсов лог. 0 или лог. 1 яркость работы лампы ступенчато уменьшается или увеличивается, регулировка не закольцована. Второй способ - яркость зависит от управляющего напряжения на этом выводе. Поскольку регулятор с переменным резистором проще, чем на основе триггера с подавителем дребезга контактов, был выбран второй способ регулировки с помощью переменного резистора R6. Максимальную яркость свечения устанавливают подборкой резистора R5, минимальную - подборкой резистора R7.

Рис. 3. Размещение элементов устройства в корпусе
Все элементы устройства (рис. 3) размещены в корпусе - пластмассовой коробке размерами 111x45x12 мм. Дополнительно установленные элементы приклеены клеем "Квинтол" и растворённым в ацетоне полистиролом. Фотография сделана до нанесения основной части клеящих составов. Для удобства подключения проверяемой лампы изготовлен короткий удлинитель-переходник. Желательно, чтобы ёмкость между проводами, идущими к лампе, а также между ними и поверхностью рабочего стола, металлическим шасси ЖК-матрицы была минимальной. Ёмкость высоковольтного керамического SMD-конденсатора (нижний справа на рис. 2), через который лампа подключена к повышающей обмотке трансформатора, - 70 пФ. При установке конденсатора большей ёмкости яркость свечения подключённой лампы не изменяется. Изоляция "горячего" провода (розового цвета на рис. 3) должна быть рассчитана на напряжение не менее 2 кВ. При испытании и работе ЭЛХК их алюминиевый экран-отражатель должен быть обязательно соединён с общим проводом, для чего используется провод длиной 80 см с зажимом "Крокодил" (ХТ1) на конце.
Подключают и отключают проверяемые лампы при выключенном устройстве. Случайное попадание под высокое выходное напряжение может вызвать незначительные точечные ожоги кожи. Из-за высокой рабочей частоты преобразователя (57 кГц) и небольшой выходной мощности другие эффекты отсутствуют.
Диод VD1 защищает устройство от переполюсовки напряжения питания. Светодиод HL1 светит при его наличии. Конденсаторы C1, C2 - блокировочные в цепи питания. При напряжении питания 12 В и подключённой лампе длиной 50 см потребляемый устройством ток - около 0,7 А. При работе инвертора с лампами длиной 35 и 40 см потребляемый ток - около 0,4 А при максимальной яркости. При повышении напряжения питания потребляе-мый ток снижается, а при его снижении до 7 В и менее инвертор выключается. При медленном нарастании питающего напряжения и замкнутых контактах выключателя SB1 инвертор может не включиться, и для включения надо кратковременно разомкнуть и замкнуть контакты этого выключателя.
Диод RU4A можно заменить любым из серий FR301-FR307, SRP300A- SRP300K, 1 N5400-1N5408, КД226, КД257, КД213. Светодиоды RL311-YG414S зелёного свечения и RL311-DR344S красного, диаметр корпуса - 3 мм, можно заменить любыми общего применения без встроенных резисторов, например, из серии КИПД66. Для привлечения большего внимания на место светодиода HL2 можно установить мигающий светодиод, например, L-36BSRD-B, в этом случае токоограничивающий резистор R2 устанавливают сопротивлением 680...1000 Ом.
Переменный резистор - импортный малогабаритный с линейной характеристикой, подойдёт резистор сопротивлением до 50 кОм. Остальные резисторы - любые малогабаритные. Оксидные конденсаторы - импортные малогабаритные. Выключатель SB1 - кнопочный импортный с фиксацией, подойдёт отечественный ПКн-61 или другой. Гнездо XS2 высоковольтного удлинителя изолировано двумя слоями термоусаживаемой трубки.
ЭЛХК имеют срок службы 40000...50000 ч, что обычно больше, чем светодиоды модулей подсветки больших (более 27 дюймов по диагонали) ЖК-матриц. Лампы с большой деградацией обычно плохо разжигаются при малой яркости, могут иметь розовый или фиолетовый оттенок свечения, мерцают. Ориентировочно степень деградации лампы можно определить по величине тёмного нагара на её концах. На рис. 4 по этому признаку наибольший износ имеет вторая лампа сверху. При проверке и замене ламп учитывайте, что они очень хрупкие.

Рис. 4. Степень деградации ламп
В ЖК-мониторах и телевизорах, имеющих несколько ЭЛХК, защита блока питания выключает работу всех высоковольтных инверторов напряжения подсветки при неисправности или сильной деградации любой из них. Также защита срабатывает при неисправности любого канала напряжения подсветки или при пробое, например, на шасси матрицы высоковольтных цепей. Даже при принудительном отключении защиты наличие нескольких каналов затрудняет диагностику. При проверке с помощью изготовленного устройства диагностика проводится проще и быстрее, разборка матрицы может не потребоваться. Подтверждённая исправность всех ламп подсветки ЖК-матри-цы позволит раньше приступить к поиску неисправностей инверторов напряжения, что уменьшит вероятность их дополнительных повреждений.
Если собранная по схеме рис. 1 конструкция будет использоваться для изготовления светильников, плату инвертора необходимо поместить в металлический экран, электрически соединённым с общим проводом, идущие к лампе провода должны быть как можно короче. При проверке ламп длиной менее 30 см их питание включают на время не более 1 мин. Вместо упомянутого готового модуля повышающего преобразователя напряжения можно использовать другой от ноутбука, рассчитанный на питание одной ЭЛХК. Выводы питания и способы управления инвертором другого типа определяют экспериментально аналогичным образом, как это было показано выше, также можно попытаться найти информацию по публикациям в Интернете или сделать необходимые замеры, если цепи управления подсветкой матрицы в составе ноутбука-донораисправны.
Автор: А. Бутов, с. Курба Ярославской обл.
