В мои руки попало несколько вышедших из строя, уже широко распространённых светодиодных ламп на напряжение 230 В, в изобилии предлагаемых в наших магазинах. Захотелось выяснить причину их быстрого выхода из строя и внутреннее устройство. Все лампы проработали не более одного года, хотя на упаковках утверждается, что их время непрерывной работы 30000 ч, получается 1250 суток, что составляет более трёх лет. И ведь наверняка сгоревшие лампы не эксплуатировались круглые сутки.
Итак, берём первую лампу под товарным знаком iEK. Кроме товарного знака, на корпусе указаны данные и параметры лампы LED-A60, 230 В, 50/60 Гц, 11 Вт, 4000 К. Как известно, большинство сетевых светодиодных ламп имеют примерно одинаковую конструкцию. К несущему корпусу, в котором расположены драйвер и светодиоды, крепится матовая колба светорассеивателя и металлический резьбовой цоколь лампы. Пробуем сначала снять колбу. Для этого я изготовил тонкий узкий нож из обломка полотна от ножовки по металлу, сделав тонкое остриё на наждачном станке. Осторожно вставляем нож между колбой и корпусом, сначала на небольшую глубину, и проходим по ругу. Далее всё повторяем на большей глубине. При этом можно пробовать покачивать колбу лампы, и когда колба будет покачиваться, отделяем её. Оказалось, что колба крепилась с помощью белого силиконового герметика. При этом следует отметить, что у некоторых ламп колба отделялась сравнительнолегко, а у некоторых - трудно. У одной лампы в герметике осталась часть нижнего пояска колбы. Но главное - соблюдать осторожность, тогда всё должно получиться.
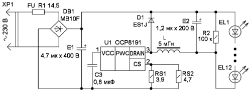
На алюминиевой печатной плате, служащей ещё и теплоотводом, припаяны 12 светодиодов поверхностного монтажа белого свечения типоразмера 3528. Один из светодиодов был с чёрной точкой, как оказалось - сгоревший. Алюминиевая подложка плотно вставлена в корпус, оказавшийся внутри также алюминиевым, поверх покрытым пластиком. Корпус тоже должен выполнять функцию теплоотвода, но площадь соприкосновения тонкой алюминиевой платы корпусом невелика, атеп-лопроводящая паста отсутствует. Плата со светодиодами подпаяна к драйверу двумя проводами. Внешний вид разобранной лампы изображён на рис. 1. Удалив герметик, поддевают ножом и извлекают плату со светодиодами, но вынуть её из корпуса не дают провода, соединяющие драйвер с цоколем лампы. Поддев ножом, извлекают центральный контакт цоколя и разгибают идущий к нему провод. Места кернения резьбовой части цоколя к корпусу высверливаем сверлом диаметром 1,5 мм. Сняв цоколь, можно достать плату драйвера. На ней оказался разрушен оксидный конденсатор с обозначением на плате Е2. Часть элементов на плате для поверхностного монтажа установлена со стороны печатных проводников, а на противоположной стороне установлены дроссель, два оксидных конденсатора и микросхема. Схема драйвера с обозначениями элементов, как на плате, показана на рис. 2. Резистор, условно обозначенный как R1, находится не на плате, а соединяет центральный контакт цоколя лампы с ней. Схема драйвера построена на микросхеме OCP8191 в корпусе ТО-92. Микросхема представляет собой неизолированный квазирезонансный понижающий преобразователь для питания светодиодов со стабилизацией тока. В её состав входят MOSFET транзистор с максимальным напряжением сток-исток 550 В и узел управления. В микросхеме есть различные виды защиты: от перегрева, от короткого замыкания в нагрузке, от превышения максимального тока. Ток через светодиоды задают резисторами RS1 и RS2.

Рис. 1. Внешний вид разобранной лампы

Рис. 2. Схема драйвера
После замены конденсатора Е2 на исправный ёмкостью 2,2 мкФ на напряжение 400 В и замыкании контактов сгоревшего светодиода лампа заработала. Был замерен ток через светодиоды, он оказался равен 120 мА, что мне кажется несколько завышенным. Ёмкость конденсатора С3 и индуктивность дросселя были замерены на плате. Применённые светодиоды начинают слабо светить при напряжении 7 В, а при напряжении 8 В и токе 2 мА светят уже ярко. Судя по этому, в одном корпусе расположены два или три последовательно включённых кристалла. Тип светодиодов остался неизвестен.
Следующей "подопытной" стала лампа под торговой маркой General. На ней нанесены следующие обозначения: GLDEN-WA60; 11 Bт; 2700 K, 198-264 B; 50/60 Гц; 73 мА. Матовый светорассеиватель снимают, как и у предыдущей лампы. После этого увидим алюминиевую плату с расположенными на ней семью SMD-светодиодами типоразмера 3528. В отличие от предыдущей лампы, плата припаяна к драйверу и закреплена двумя винтами (рис. 3). Сняв её, увидим, что она была закреплена с помощью винтов на алюминиевом штампованном диске, плотно вставленном в корпус лампы (рис. 4). Заметно, что лампа сделана более качественно, и отвод тепла от светодиодов должен быть лучше.

Рис. 3. Лампа под торговой маркой General

Рис. 4. Диск лампы
Далее аналогично снимаем цоколь. А вот диск приходится потихоньку выбивать со стороны цоколя, просунув тонкий металлический стержень и уперев его ближе к краю, в ребро диска. Иначе диск будет выгибаться. Только после этого вынимаем плату драйвера. Он построен на аналогичной микросхеме BP9916C в корпусе SOP-8 и представляет собой также неизолированный понижающий преобразователь, позволяющий поддерживать постоянным ток через светодиоды. Схема отличается от предыдущей незначительно, в основном номиналами элементов и их обозначениями на плате, и ещё тем, что после резистора R1, параллельно диодному мосту, установлен керамический конденсатор ёмкостью 0,1 мкФ на напряжение 400 В. Поэтому приводить схему не имеет смысла. Микросхема установлена со стороны печатных проводников. Замкнув контакты неисправного светодиода, удалось восстановить работоспособность лампы. При сопротивлении регулировочных резисторов RS1 и RS2, равных 5,6 и 3,9 Ом, ток через светодиоды равен 130 мА.
Потом была вскрыта светодиодная лампа с товарным знаком ASD и с обозначениями на корпусе: LED-A60, 11 Вт, 220 В, 4000 К, 990 лм. Разборка лампы такая же, как и в предыдущих случаях. Вид лампы без матового светорассеивателя показан на рис. 5. На алюминиевой плате, которая просто вставлена в корпус, установлены 18 SMD-светодиодов типоразмера 3528. Площадь теплового контакта с корпусом, как и в первой лампе, очень мала. Плата со светодиодами припаяна непосредственно к плате драйвера. Эти светодиоды, как и в предыдущих лампах, начинают светить при напряжении 7 В, а при 8 В светятся достаточно ярко при токе 2 мА. Следовательно, их параметры должны быть схожими. Драйвер этой лампы построен на микросхеме BP9918C в миниатюрном корпусе для поверхностного монтажа SOT23-3. Эта микросхема аналогична микросхемам в предыдущих лампах и обладает схожими параметрами. Схема драйвера отличается отсутствием резистора R1, вместо которого на плате сделан тонкий змеевидный печатный проводник, а также номиналами некоторых элементов и обозначениями на плате. При сопротивлении резисторов RS1 и RS2, равных соответственно 13 и 10 Ом, ток через светодиоды - 55 мА, что примерно вдвое меньше, чем у предыдущих ламп.

Рис. 5. Вид лампы без матового светорассеивателя
Исходя из всего изложенного, напрашивается вывод, что причиной быстрого выхода из строя этих ламп является завышенный ток светодиодов и недостаточное их охлаждение и, следовательно, перегрев.
Было решено восстановить эти лампы, при этом постараться продлить срок их службы. Для начала были уменьшены токи светодиодов. В первой лампе - путём замены резисторов RS1 и RS2 (4,7 и 3,9 Ом) на два резистора сопротивлением по 10 Ом каждый. Ток через светодиоды со 120 мА уменьшился до 50 мА. Во второй лампе резистор сопротивлением 3,9 Ом был заменён резистором сопротивлением 10 Ом. Ток через светодиоды уменьшился с 130 до 85 мА. В третьей лампе взамен резистора сопротивлением 13 Ом установлен резистор сопротивлением 30 Ом. Ток через светодиоды при этом уменьшился с 50 до 40 мА. Светоотдача при этом упала незначительно, хотя всё по местам может расставить только дальнейшая опытная эксплуатация.
Кроме того, у первой и третьей ламп под светодиодами, на свободной стороне платы, были подложены толстые металлические шайбы, улучшающие тепловой контакт с корпусом. Везде была нанесена теплопроводная паста КПТ-8. Металлические цоколи ламп были приклеены к корпусу эпоксидным клеем, нанесённым в места высверленных отверстий. В корпусе, рядом с цоколем лампы, были просверлены вентиляционные отверстия, улучшающие охлаждение. Правда, при этом применять лампы во влажных помещениях будет нельзя. Если лампы планируется применять в закрытых светильниках, светорассеивающие колбы можно не устанавливать, соблюдая осторожность при установке самих ламп. В противном случае колбы приклеивают белым силиконовым герметиком, как было до этого. Посмотрим, как эти доработки повлияют на долговечность ламп.
И в заключение рассмотрим совершенно другую светодиодную лампу, ещё не бывшую в эксплуатации. Это лампа торговой марки ASD, предназначенная для подключения к переменно-му или постоянному напряжению 12 В. На корпус нанесены следующие обозначения: LED-JC, 5 ВТ, AC/DC, 12 В, цоколь G4, 3000 К. Эта небольшая лампа разбирается несложно. Снимают прозрачный пластиковый колпак, закрывающий светодиоды. Он крепится к корпусу на защёлках, которые очень хрупкие. Поэтому отгибать надо не сами защёлки, а часть корпуса колпака, к которому эти защёлки прикреплены. Для этого в корпусе колпака сделаны прорези, сразу не бросающиеся в глаза, но позволяющие поддеть отвёрткой и раздвинуть защёлки. Сняв колпачок, видно, что светодиоды и другие элементы установлены на гибкой печатной плате, которая с внутренней стороны покрыта слоем липкой ленты, поэтому просто снимают её.
Далее вынимают гибкую плату и отпаивают провода, соединяющие её с цоколем. После этого можно подробно рассмотреть конструкцию лампы. Её внешний вид показан на рис. 6. Материал её корпуса похож на керамику, видимо, чтобы не оплавился при нагреве светодиодов и, возможно, хоть как-то отводил тепло от них. Материал - довольно хрупкий, легко скалывается.

Рис. 6. Конструкция лампы
Схема драйвера этой лампы представлена на рис. 7. Он собран на микросхеме U1 в корпусе SOP 8. К сожалению, однозначно идентифицировать микросхему не удалось. На разных лампах неизменной была надпись на корпусе 1086. Светодиоды в лампе типоразмера 3528, с номинальным напряжением 3,4 В. Все остальные элементы - для поверхностного монтажа. При подключении к источнику напряжением 12 В выяснилось, что лампа потребляет ток 280 мА. При увеличении напряжения до 14 В ток через лампу возрос до 290 мА, а при снижении напряжения питания до 10,2 В он уменьшился до 270 мА.

Рис. 7. Схема драйвера
При питании лампы номинальным напряжением 12 В уже после семи минут работы, при касании корпуса или светодиодов пальцем, трудно удержать его на них - обжигает. Причина - в слишком плотном расположении светодиодов и в небольшом корпусе. Ручаться после этого в продолжительной работе этой лампы я бы не стал, если только не переделать лампу, снабдив светодиоды и драйвер дополнительными теплоотводами.
Автор: П. Юдин, г. Уфа
