Понадобится всего несколько деталей и немного времени, чтобы собрать индикатор освещённости. Он пригодится для сравнения яркости осветительных ламп, освещённости рабочих мест, а если его шкалу прокалибровать в единицах освещённости по эталонному прибору, то можно использовать и как измеритель. Следует напомнить, что единицей измерения освещённости в Международной системе единиц служит люкс (лк), 1 лк = 1 лм/м2. Освещение - одно из естественных условий жизни, которое необходимо для здоровья и высокой производительности труда. Недостаточная, как и избыточная, освещённость негативно влияет на работоспособность человека. Недостаток снижает внимание, появляется сонливость, избыток возбуждает, повышает утомляемость. В таблице приведены средние уровни освещённости в разных ситуациях.
Освещённость, лк | |
Максимальная солнечная освещённость при чистом небе | 100 000 |
В полдень летом в средних широтах | 17 000 |
В облачную погоду летом в полдень | 12 000 |
Зимой в средних широтах | 5 000 |
На открытом месте в пасмурный день | 1000...2000 |
Восход и заход солнца в ясную погоду | 1000 |
В светлой комнате вблизи окна | 100 |
На рабочем столе для тонких работ | 500...2000 |
Нормальное для чтения | 30...50 |
Минимально необходимое для чтения | 1...3 |
Ночью в полнолуние | 0,1...1 |
В безлунную ночь | 0,001...0,002 |
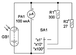
Схема индикатора показана на рис. 1. Его основа - аккумуляторный светодиодный газонный светильник. От него использованы корпус и солнечная батарея. Применение солнечной батареи в качестве датчика освещённости позволили сделать прибор без источника питания, и поэто му он всегда готов к работе.

Рис. 1. Схема индикатора
В устройстве использовано свойство солнечной батареи, заключающееся в том, что ток короткого замыкания (КЗ) напрямую зависит от её освещённости. Чтобы создать режим близкий к режиму КЗ, к солнечной батарее надо подключить такую нагрузку, чтобы вы ходной ток опре делялся её внутренним сопротивлением. Поскольку максимальное напряжение (ЭДС) применённой солнечной батареи 2,4...2,5 В, подключив нагрузку, при которой выходное напряжение не превышало бы 0,2...0,3 В, можно получить режим, близкий к КЗ. Это можно реализовать с помощью микроамперметра и шунтирующих резисторов для получения нескольких поддиапазонов.
В индикаторе применён малогабаритный микроамперметр с током полного отклонения 100 мкА и сопротивлением катушки 2,6 кОм. Поэтому напряжение на нём при отклонении стрелки на полную шкалу - 0,26 В. Резисторы R1 и R2, которые подключают параллельно микроамперметру с помощью переключателя SA1, расширяют пределы измерения тока до 1 и 10 мА. Применены постоянные резисторы МЛТ, С2-23 и аналогичные, переключатель - любой малогабаритный, например движковый, Микроамперметр можно применить любой с током полного отклонения не более 150...200 мкА, от его конструкции зависят размеры индикаторной части.
Устройство состоит из двух частей, датчика и индикатора, соединённых двухпроводным кабелем длиной 1...1,5 м. Был применён светильник с цилиндрическим корпусом диаметром 45 мм, размеры солнечной батареи - 25x25 мм. Вся "электроника", кроме солнечной батареи, удалена, а высота корпуса уменьшена до 10 мм (рис. 2). Микроамперметр, переключатель и резисторы размещены в рассеивателе (рис. 3). Для этого в его боковой стенке сделано прямоугольное отверстие для движка переключателя, к выводам которого припаяны резисторы. Для придания "товарного" вида рассеиватель покрашен чёрной краской. Внешний вид устройства показан на рис. 4.

Рис. 2. Корпус

Рис. 3. Микроамперметр, переключатель и резисторы

Рис. 4. Внешний вид устройства
Налаживание сводится к подборке резисторов R1 и R2. Для этого микроамперметр через резистор сопротивлением 1 кОм и образцовый амперметр (мультиметр в режиме измерения тока) подключают к лабораторному блоку питания с выходным напряжением 0...15 В. Плавно увеличивая выходное напряжение блока питания от 0 до 1 В, определяют ток полного отклонения стрелочного прибора. Подключают резистор R1 и увеличивают выходное напряжение блока, устанавливая ток в десять раз больше, а подборкой этого резистора устанавливают стрелку на максимальную отметку шкалы. Выполняют аналогичную операцию, подключив резистор R2 (подбирают его) и установив ток ещё в десять раз больше. Процедуру налаживания можно упростить, заменив постоянные резисторы подстроечными, например СП3-19 (R1 = 330 Ом, R2 = 47 Ом).
Датчик освещённости надо располагать перпендикулярно падающему свету. Когда лучи света падают наклонно, освещённость уменьшается пропорционально косинусу угла падения.
Автор: И. Нечаев, г. Москва
