Некоторые компактные люминесцентные лампы (КЛЛ) снабжены дополнительным матовым светорассеивателем, стилизованным под классическую лампу накаливания. Если такая КЛЛ вышла из строя, её корпус можно использовать для сборки простой светодиодной осветительной лампы или сделать из неё светодинамическую или автомат световых эффектов.
Такой доработке подверглась КЛЛ фирмы Osram (рис. 1). Её особенность - светорас-сеиватель снимается и устанавливается в специальный круговой паз без больших усилий.

Рис. 1. КЛЛ фирмы Osram
Собственно лампа и её электронная начинка аккуратно удалены. Сначала изготавливают сетевой встраиваемый блок питания (БП) с балластными конденсаторами, схема которого показана на рис. 2.

Рис. 2. Схема блока питания
Ёмкость конденсаторов С1 и С2 выбрана такой, чтобы обеспечить выходной ток БП 140...150 мА. Резистор R2 ограничивает бросок тока при подаче сетевого напряжения, а через резистор R1 конденсаторы разряжаются после выключения лампы. Плавкий термопредохранитель F1 защищает БП от перегрева при неблагоприятных обстоятельствах. Переменный ток выпрямляет диодный мост VD1-VD4, а конденсатор С3 сглаживает пульсации выпрямленного напряжения. На транзисторе VT1 и стабилитроне VD5 собран параметрический стабилизатор напряжения с выходным напряжением 12,5...13 В.
Для подключения нагрузки применено гнездо XS1. Это позволило оперативно изменять функциональное назначение лампы простой заменой модулей, снабжённых ответным разъёмом. Всего таких модулей было изготовлено три: осветительный, светодинамический и для световых эффектов. Во всех случаях в качестве источника света применены светодиодные ленты с номинальным напряжением 12 В. В первом случае число ячеек светодиодной ленты выбрано так, чтобы её номинальный ток был немного больше максимального выходного тока БП. Поэтому выходное напряжение БП меньше напряжения стабилизации, и весь ток потребляет светодиодная лента. В остальных случаях часть тока потребляет сам БП.
Плавкий предохранитель F1 (температура срабатывания 125 оС) был установлен в КЛЛ, он припаян к цоколю лампы (XP1). Балластные конденсаторы должны быть рассчитаны на работу при переменном напряжении 250 В, они извлечены из импульсных БП компьютеров, а их число может быть и другим, главное, чтобы суммарная ёмкость соответствовала указанной на схеме. Конденсаторы склеены вместе и размещены в цоколе лампы (придётся подобрать такие, чтобы они входили в него). Там же расположены резисторы R1 и R2 (МЛТ или импортные), причём резистор R2 составлен из двух одноваттных сопротивлением по 20 Ом, соединённых параллельно, и термопредохранитель Fl. Остальные элементы размещены на печатной плате из фольгированного с одной стороны стеклотекстолита толщиной 1...1,5 мм, чертёж которой показан на рис. 3. Применён резистор МЛТ (R3), оксидный конденсатор С3 - импортный. Стабилитрон - любой маломощный (в том числе и двуханодный) на напряжение стабилизации 12...12,5 В. Транзистор КТ837Т заменим любым из серии КТ818 в корпусе ТО-220, чтобы он мог рассеивать без теплоотвода мощность до 1,5 Вт. Гнездо XS1 - шестиконтактное двухрядное с шагом 2,54 мм (PBD-6). Следует отметить, что гнездо в БП и вилка у модулей не имеют ключа. Поэтому вставлять их можно, не обращая внимания на его отсутствие, главное, чтобы все контакты вилки попали в отверстия розетки. В любом случае плюсовая линия питающего напряжения будет на средних контактах, а минусовая - на крайних. Так надо подключать линии питания и у модулей.

Рис. 3. Печатная плата
Плата БП с помощью клея закреплена в верней части цоколя от КЛЛ (рис. 4) и проводами соединена с остальными элементами БП. После проверки работоспособности БП цоколь собирают, а оставшиеся от баллона КЛЛ отверстия заклеивают герметиком или клеем (рис. 5). Розетка XP1 необязательно должна выступать над слоем герметика и может находиться с ним на одном уровне.

Рис. 4. Плата БП, закрепленная в верней части цоколя от КЛЛ

Рис. 5. Оставшиеся от баллона КЛЛ отверстия заклеивают герметиком или клеем
Схема первого модуля (осветительного) показана на рис. 6. Она содержит светодиодную ленту, содержащую несколько ячеек с суммарным номинальным потребляемым током, о котором сказано ранее. К пластмассовой пластине толщиной 1,5 мм размерами 20x55 мм (зависит от габаритов светорассеивателя) приклеены вилка ХР1 (PLD-6) и светодиодная лента (рис. 7). Вилка вставляется в гнездо XS1 БП и достаточно надёжно в нём фиксируется, сверху надевают светорассеиватель. Поскольку мощность лампы не превышает 1,8 Вт, её яркость невелика, и её можно использовать в подсобных помещениях или для дежурного освещения.

Рис. 6. Схема первого модуля (осветительного)

Рис. 7. Вилка и светодиодная лента
Второй модуль предназначен для создания световых эффектов, его схема показана на рис. 8. На трёх логических элементах DD1.1-DD1.3 собран трёхфазный мультивибратор с частотой следования импульсов несколько долей герца, который управляет транзисторами VT1-VT3. Импульсы появляются на выходах логических элементов друг за другом с задержкой во времени. Поэтому кристаллы разных цветов включаются поочерёдно. Чтобы при включении яркость нарастала относительно плавно, установлены конденсаторы С2, С4 и С6. Частота следования импульсов зависит от постоянной времени цепей R1C1, R3C3и R5C5. Изменяя номиналы этих элементов в широких пределах, можно изменять и частоту следования импульсов.

Рис. 8. Схема второго модуля
Все элементы второго модуля установлены на плате из фольгированного с одной стороны стеклотекстолита толщиной 1...1,5 мм, её чертёж показан на рис. 9. Применены резисторы Р1-4, С2-23, оксидные конденсаторы - импортные низкопрофильные, чтобы плата могла свободно проходить через горловину светорассеивателя. Транзисторы PN2222 можно заменить отечественными серии КТ503. Вид смонтированной платы показан на рис. 10.

Рис. 9. Чертёж платы второго модуля

Рис. 10. Вид смонтированной платы
В этом модуле применена лента с номинальным напряжением 12 В, содержащая три ячейки, в каждой из которых установлены по три трёхцветных светодиода. Лента закручена вокруг платы и закреплена по её краю клеем. Суммарный потребляемый ток кристаллами одного цвета - 45...55 мА. Поскольку не все светодиоды включены одновременно, суммарный ток ленты не превышает 150 мА, т. е. максимального выходного тока БП.
Если свечение этой лампы на основе трёхфазного мультивибратора может показаться монотонным, схему модуля можно изменить, превратив трёхфазный мультивибратор в три независимых генератора. Для этого следует устранить связь между логическими элементами, перерезав соответствующие печатные проводники. На рис. 8 они показаны крестами красного цвета, на рис. 9 - более тонкими линиями. Затем отрезками изолированного провода делают соединения, показанные на рис. 8 штриховыми линиями.
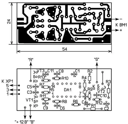
Третий модуль - светодинамический. У него источник света - также отрезок светодиодной ленты с трёхцветными светодиодами. Цвет свечения лампы с этим модулем будет изменяться в такт с музыкой или другими звуками, а также с их спектральным составом. Схема модуля показана на рис. 11 . В его состав входят микрофонный усилитель на ОУ DA1.1 и три активных полосовых фильтра на ОУ DA1.2-DA1.4. На ОУ DA1.2 собран фильтр с центральной частотой около 3 кГц, на ОУ DA1 .3 - с частотой около 1 кГц, на ОУ DA1.4 - с частотой около 150 Гц. Коэффициент усиления активных фильтров - 20...25 дБ. Сигнал с выхода фильтров поступает соответственно на транзисторы VT1-VT3. В базовые цепи транзисторов включены цепи автоматического смещения C9R11, C10R12 и C11R13. Через резисторы R11-R13 в базы транзисторов поступает ток, поэтому транзисторы приоткрываются и через светодиоды протекает небольшой ток, вызывая их слабое свечение. При появлении на выходе фильтров сигнала ток начинает протекать через конденсаторы С9-С11, транзисторы открываются больше и светодиоды начинают светить ярче. Конденсаторы не успевают быстро разрядиться через "свои" резисторы, поэтому на них появляется напряжение, которое закрывает транзисторы. Чем больше напряжение сигнала, тем больше закрывающее напряжение. При этом происходит сжатие динамического диапазона выходных сигналов, что поддерживает динамическое изменение яркости светодиодов.

Рис. 11. Схема третьего модуля
Чертёж платы третьего модуля показан на рис. 12, а вид смонтированной платы - на рис. 13. Применены керамические импортные или отечественные (К10-17) конденсаторы, остальные элементы - как в предыдущем модуле. Светодиодная лента закручена вокруг платы (рис. 14) и закреплена клеем. Чтобы модуль работал нормально, в светорассеивателе придётся сделать акустические отверстия.

Рис. 12. Чертёж платы третьего модуля

Рис. 13. Вид смонтированной платы

Рис. 14. Светодиодная лента
Налаживание начинают с подборки резистора R1 (а при необходимости и R3). С его помощью устанавливают на выходе ОУ DA1.1 постоянное напряжение 5...6 В. Такое же напряжение должно быть и на выходе остальных ОУ. Подборкой резистора R4 устанавливают желаемое усиление микрофонного усилителя. Резисторами R11-R13 устанавливают начальный ток транзисторов. Налаживать и проверять работоспособность всех модулей следует только совместно с лабораторным БП напряжением 12 В, поскольку БП лампы имеет гальваническую связь с сетью!
Следует отметить, что предложенная конструкция доработанной лампы позволяет подключать к ней модули самого различного назначения, например, с датчиком движения и пр.
Автор: И. Нечаев, г. Москва
