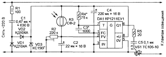
Это устройство предназначено для автоматического включения осветительных приборов в темное время суток и их выключения при наступлении светлого периода. Основа устройства - микросхема КР1211ЕУ1[1, 2]. Она предназначена для нестабилизированных импульсных преобразователей напряжения и содержит RC-генератор, два мощных выходных усилителя, работающих в противофазе, и несколько элементов управления. Благодаря некоторым особенностям, о которых будет сказано далее, ее удалось использовать в простом автоматическом выключателе освещения, схема которого показана на рис. 1.

Рис. 1
На микросхеме DA1 собран генератор прямоугольных импульсов, наличие или отсутствие которых на ее выходе Q1 зависит от освещенности фоторезистора R3. На симисторе VS1 собран электронный коммутатор, замыкающий и размыкающий цепь питания осветительных ламп.
Для питания микросхемы предусмотрен выпрямитель сетевого напряжения на диодах VD1, VD2 с гасящим конденсатором С1. Напряжение стабилизировано стабилитроном VD3.
Частота импульсов на выходе Q1 микросхемы DA1 зависит от сопротивления резистора R4 и емкости конденсатора СЗ:
f = 0,1/(R4·СЗ)
причем сопротивление должно быть не менее 500 Ом, а емкость - не более 3000 пФ. При указанных на схеме номиналах импульсы следуют с частотой приблизительно 1300 Гц.
Логический уровень напряжения на входе FV микросхемы DA1 зависит от сопротивления фоторезистора R3. При низкой освещенности (в темное время суток) оно велико и уровень низкий, что разрешает работу выходных каскадов микросхемы. На управляющий электрод симистора поступают импульсы. Он открывается в начале каждого полупериода сетевого напряжения почти без задержки. Конденсатор С5 укорачивает импульсы, уменьшая мощность, рассеиваемую в цепи управления симистором.
В светлое время суток сопротивление фоторезистора уменьшается и логический уровень на входе FV становится высоким. Работа микросхемы DA1 в этом состоянии заблокирована, импульсы на ее выходе отсутствуют, сими-стор закрыт, освещение выключено.
Проведенная автором проверка показала, что при плавном уменьшении напряжения на входе FV микросхемы КР1211ЕУ1 включение выходных импульсов происходит скачком при напряжении около 2 В. При изменении напряжения в сторону увеличения импульсы исчезают также скачком, но уже при напряжении 3,2 В. Такой гистерезис обеспечивает уверенное без "дребезга" изменение состояния микросхемы при непосредственном подключении фоторезистора к ее входу FV. Под-строечным резистором R2 устанавливают нужные пороги срабатывания по освещенности. Конденсатор С2 улучшает помехоустойчивость устройства.

Рис. 2
Большинство деталей выключателя размещены на печатной плате из односторонне фольгированного стеклотекстолита, показанной на рис. 2. Постоянные резисторы - МЛТ или С2-33, подстроечный - СПЗ-19. Фоторезистор R3 должен иметь темновое сопротивление не менее 1 МОм. Кроме указанного на схеме, подойдет, например, СФ-3. При необходимости фоторезистор можно заменить фототранзистором ФТ-1К или фотодиодом.
Конденсатор С1 - К73-17, С2 и С4 - оксидные серии К50 и аналогичные импортные, СЗ, С5 - К10-17. Симистор ТС106-10 можно заменить на КУ208Г, а стабилитрон КС156Г - любым маломощным с напряжением стабилизации 5...8 В.
Так как устройство имеет гальваническую связь с сетью, следует позаботиться об электробезопасности, поместив его в корпус из изоляционного материала. При установке выключателя следует позаботиться, чтобы свет управляемых им ламп не попадал на чувствительную поверхность фоторезистора. Налаживание сводится к регулировке порога срабатывания устройства. Благодаря конденсатору С1 эта регулировка довольно инерционна, поэтому вращать движок подстроечного резистора следует очень плавно.

Рис. 3
Если необходима индикация включения и выключения освещения, в устройство нужно добавить элементы, показанные на рис. 3. Для питания све-тодиода в данном случае использованы импульсы, появляющиеся на выходе Q2 (выв. 4) микросхемы DA1 вместе с импульсами на выходе Q1.
Последовательно со стабилитроном VD3 можно включить еще один светодиод, свечение которого будет свидетельствовать о том, что прибор подключен к сети. Хотя напряжение питания микросхемы при этом увеличится на значение прямого падения напряжения на светодиоде, оно не превысит допустимых для нее 9 В. При необходимости можно скомпенсировать это увеличение, выбрав стабилитрон с меньшим напряжением стабилизации.
ЛИТЕРАТУРА
- Гореславец А. Преобразователи напряжения на микросхеме КР1211ЕУ1. - Радио, 2001, № 5, с. 42, 43.
- Нечаев И. Малогабаритный мощный преобразователь напряжения. - Радио, 2003, № 2, с. 29. 30.
Автор: И. Нечаев, г. Москва
