Устройства динамического отображения информации широко используются в уличной рекламе, а также на предприятиях, в учебных заведениях, торговых центрах и иных учреждениях, где есть необходимость в ознакомлении публики с быстротечными данными и динамическими информационными потоками. Любительские разработки подобного назначения неоднократно описывались в периодических изданиях. Их основные недостатки, кроме значительной стоимости, — зависимость от данных, запрограммированных в микросхемах ПЗУ, отсутствие возможности оперативного изменения отображаемой информации, а в некоторых случаях и необходимость применения редких комплектующих изделий. Предлагаемое устройство представляет собой приставку к компьютеру, выполнено на доступной элементной базе и обладает достаточно широкими эксплуатационными возможностями.
Малогабаритная динамическая установка (МДУ) "Омега" вместе с пакетом программных средств позволяет организовать вывод отображаемой информации как в символьном виде из набора типичных символов, предусмотренных знакогенератором, так и в графическом, который задается пользователем из произвольного набора пикселей. Работает МДУ под управлением IBM-совместимого персонального компьютера (ПК) с операционной системой MS DOS или Windows. Устройство имеет компактные размеры, просто в эксплуатации, легко инсталлируется и не требует специальных знаний для использования. В отличие от промышленных прототипов, в минимальной конфигурации (на базе ПК с процессором 80286) имеет низкую себестоимость.
Структурная схема устройства изображена на рис.1. Управляет его работой LPT порт ПК. При этом используется восьмиразрядная шина данных, что определяет число светодиодов в знакоместе по вертикали или число строк. Управление шиной данных осуществляется через порт с адресом 378h. Устанавливая по этому адресу сигнальный код, значение которого может находиться в пределах от 0 до 255, можно задать любую комбинацию высоких и низких уровней на шине данных LPT порта.

Рис.1. Структурная схема установки
Сигнальный код с LPT порта поступает на оптронный коммутатор строк, что обеспечивает любую комбинацию включенных и выключенных светодиодов по вертикали. Для коммутации вертикальных столбцов и создания динамической горизонтальной развертки используется сигнал STROBE, который формируется программно при обращении к порту по адресу 37Аh. Через стробирующий ключ сигнал поступает на счетчик-дешифратор синхронно с изменением сигналов на шине данных.
Счетчик-дешифратор управляет поочередной работой ключей коммутатора вертикальных столбцов светодиодов, создавая горизонтальную развертку. В зависимости от потребностей и необходимой информативности прибора счетчик-дешифратор может быть 8-, 16-, 32-, 64- или 128-разрядным, что обеспечивает пропорциональное изменение числа вертикальных столбцов и соответственно длину светоизлучающего экрана. В описываемом устройстве применено светодиодное табло, состоящее из 32x8 элементов (256 светодиодов).
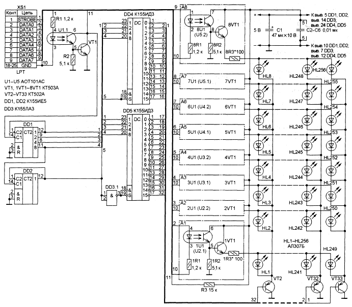
Принципиальная схема устройства приведена на рис. 2. Для обеспечения гальванической развязки и защиты ПК от экстратоков, которые могут наводиться в соединительных проводах при большом удалении МДУ от системного блока и эксплуатации в неблагоприятных электромагнитных условиях, управление работой прибора осуществляется через оптронные ключи U1.1 и 1U1— 8111 (U2.1—U5.2). С шины данных сформированный программным обеспечением на выходе LPT порта сигнал через разъем XS1 поступает на вход коммутатора строк, выполненного на оптронах 1U1 — 8U1 и транзисторах 1VT1—8VT1. В результате открываются соответствующие транзисторы и включенные в их эмиттерные цепи группы светодиодов, образующие вертикальные столбцы, через токоограничительные резисторы 1R3—8R3 подключаются к цепи питания устройства.

Рис.2. Принципиальная схема установки
Изменение состояния шины данных сопровождается появлением тактового импульса на линии Strobe LPT порта. При прохождении этого импульса через оптрон U 1.1 срабатывает ключ на транзисторе VT1, что вызывает изменение состояния счетчика DD1. Вместе со счетчиком DD2 и инвертором DD3.1 он обеспечивает соответствующую работу дешифраторов DD4 и DD5 и поочередную активизацию их выходов, соединенных с коммутатором вертикальных столбцов, выполненным на транзисторах VT2—VT33. В результате создается горизонтальная развертка: при совпадении времени открывания ключей коммутатора строк и ключа коммутации того или иного вертикального столбца катоды соответствующих светодиодов подключаются к источнику питания устройства и зажигаются. С появлением следующего тактового импульса на линии Strobe и изменением сигналов на шине данных светятся светодиоды следующего столбца и т. д.
Устройство обеспечивает вывод текстовой информации произвольной длины из текстового файла, а также созданных пользователем графических изображений из файла данных.
Проанализировать работу программного обеспечения устройства можно, рассмотрев приведенные ниже фрагменты программ, написанных на языке TurboBASIC. Программы рассчитаны на подключение МДУ к порту LPT1 с адресом 378h, при этом управление горизонтальной разверткой происходит по линии Strobe при обращении к порту 37Аh.
' Поочередное включение элемен-
' тов одного вертикального столбца
out &h378,1: delay .3
out &h378,2: delay .3
out &h378,4: delay .3
out &h378,8: delay .3
out &h378,16: delay .3
out &h378,32: delay .3
out &h378,64: delay .3
out &h378,128: delay .3
out &h378,0: delay .3
end
' Поочередное включение элемен-
' тов одного вертикального столбца
for i=1 to 10
for j=0 to 7
out &h378,2^j
delay .05
next j
next i
end
' Заполнение светящимися
' элементами одного столбца
for i=0 to 255
out &h378,i
delay .028
next
end
' Эффект "Бегущий столбец"
fore=0 to 31
out &h378,255
out &h37A,0: for q=0 to 3100: next q
out &h37A,1: for w=0 to 3100: next w
next e
end
' Эффект "Бегущая диагональ"
for i=1 to 10
for j=0 to 7
out &h37A,0: out &h378,2Aj
for k=0 to 80: next k
out &h37A,1: for 1=0 to 80: next 1
next j
next i
end
' Свечение всех элементов
fore=0 to 3100
out &h378,255: for r=0 to 10: next r
out &h37A,0: for q=0 to 1: next q
out &h37A, 1: for w=0 to 10: next w
next e
out &h378,0
end
Устройство смонтировано на печатной плате размерами 250x110 мм из двусторонне фольгированного стеклотекстолита (рис. 3). При монтаже следует учесть, что выводы некоторых деталей должны выполнять функции перемычек, соединяющих печатные проводники на разных сторонах платы, поэтому их необходимо припаять к печатным проводникам обеих сторон. Блокирующие конденсаторы С2—С6 припаивают непосредственно к выводам питания микросхем DD1, DD2 и DD4, DD5. После завершения монтажа светодиоды закрывают пластиной из прозрачного органического стекла красного цвета.

Рис.3. Внешний вид устройства
Для работы устройства в минимальной конфигурации достаточно иметь системный блок ПК на базе процессора 80286 с клавиатурой и дисководом (наличие монитора не обязательно). Питают МДУ от автономного источника с выходным напряжением 5 В при токе до 0,5 А. Повысить яркость свечения светодиодов можно уменьшением сопротивления резисторов 1R3—8R3, однако выбирать его менее 20 Ом не рекомендуется, так как среднее значение тока через светодиод может превысить максимально допустимое.
Предложенный схемотехнический подход позволяет при необходимости создать устройство с числом вертикальных столбцов от 8 до 128, при этом число светоизлучающих элементов может варьироваться от 64 до 1024. Следует, однако, учесть, что при числе столбцов более 64 яркость свечения уменьшается. Для увеличения яркости и размеров элементов индикации допустимо параллельное включение четырех светодиодов в одной светоизлучающей ячейке (каждый — через свой токоограничительный резистор). При этом желательно использовать светодиоды со светоизлучающей поверхностью прямоугольной формы.
Скачать: [Программу] [Чертежи платы]Автор: О.Желюк, г. Ровно
