Александр Леонидович Чижевский (1897-1964) разработал настолько совершенную конструкцию электроэффлювиальной "люстры", что нет необходимости в её модернизации. А вот громоздкие и тяжёлые блоки питания высокого напряжения первых "люстр" были весьма далеки от идеала. По мере появления новых электронных компонентов снижаются габариты и масса блоков питания. В предлагаемой подборке рассказано о двух таких блоках питания.
Автор доработал блок питания, сконструированный Б. С. Ивановым и вначале описанный в его книге [1] в 1975 г., а затем - в журнале "Радио" [2]. Цели доработки - повышение надёжности блока, введение индикатора высокого напряжения, применение менее габаритных деталей. Отмечено, что на резисторе R2 (см. схему на рис. 2 в [2]) рассеивается мощность больше номинальной (2 Вт), что снижает надёжность блока.

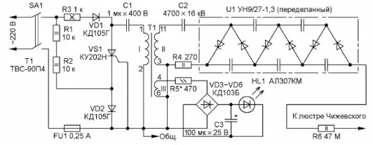
Рис. 1
Схема доработанного блока показана на рис. 1. Упомянутый выше резистор R2 заменён двумя последовательно соединёнными R1 и R2 сопротивлением по 10 кОм и мощностью 2 Вт. Диоды Д205 и Д203 - КД105Г (VD1 и VD2) меньших размеров. Трансформатор ТВС-110Л6 от лампового телевизора также заменён малогабаритным ТВС-90П4 (Т1) от полупроводникового телевизора. Его обмотки I и II включены так же, как в исходном блоке питания. Импульсное напряжение с обмотки II подаётся на выпрямитель с умножением напряжения, в который входят высоковольтный конденсатор C2 и умножитель U1, переделанный на выходное напряжение минусовой полярности по методике, описанной в статье [3]. В разрыв цепи общего провода умножителя включён резистор R4, который, по мнению автора, повышает надёжность запуска этого узла, когда все его конденсаторы разряжены. Высокое напряжение минусовой полярности через токоограничивающий резистор R6 подаётся на "люстру Чижевского".

Рис. 2
Особенность трансформатора ТВС-90П4 - наличие дополнительной вторичной обмотки III. Она использована для питания светодиода HL1 - индикатора наличия высокого напряжения. Для этой цели ток в цепи обмотки, ограниченный резистором R5, выпрямляется диодным мостом VD3-VD6 и подаётся на светодиод HL1. Конденсатор C3 сглаживает импульсы напряжения на светодиоде и соответственно тока через него. Светящийся индикатор HL1 свидетельствует о наличии импульсного напряжения на вторичных обмотках трансформатора Т1 и высокого напряжения на выходе блока питания, разумеется, при исправном умножителе напряжения. Желаемую яркость свечения индикатора HL1 устанавливают подбором резистора R5. Такая индикация высокого выходного напряжения очень удобна и совершенно безопасна по сравнению с другими способами, описанными в статье [2]: с помощью ваты, искрового разрядника или приближения руки к иглам "люстры" на расстояние 7...10 см.
В блоке питания применены резисторы R1, R2, R4 - МЛТ-2; R3 - ПЭВ-10; R5 - МЛТ-0,125; R6 - КЭВ-2. Конденсаторы C1 - К73-17, C2 - К73-14, C3 - импортный оксидный малогабаритный. Блок питания помещён в корпус из прозрачного полистирола. Его внешний вид со снятой крышкой корпуса показан на рис. 2.

Рис. 3
После отключения блока питания от сети конденсаторы умножителя напряжения долго остаются заряженными, в результате чего на иглах "люстры" сохраняется высокое напряжение. Для разрядки этих конденсаторов автор применяет разрядник, схема которого показана на рис. 3. Он содержит два последовательно соединённых резистора R1 и R2 из серии КЭВ суммарным сопротивлением около 1 ГОм. Внешний вид разрядника показан на рис. 4. Резисторы размещены в трубке из органического стекла длиной 17 см и с толщиной стенок 4 мм. Минусовый электрод - медная пластина длиной 27 мм, шириной 6 мм и толщиной 0,5 мм. Допустимо использовать отрезок жала паяльника длиной около 3 см. Плюсовой электрод - зажим "крокодил", соединённый с левым по схеме выводом резистора R1 гибким многожильным проводом МГШВ длиной около метра. Для разрядки конденсаторов умножителя напряжения достаточно прикоснуться на 5...7 с минусовым электродом разрядника к иглам "люстры" или выходу блока питания. При этом плюсовой электрод разрядника должен быть соединён с общим проводом блока питания.

Рис. 4
В случае необходимости разрядник может быть легко переделан в кило-вольтметр. Для этого в разрыв гибкого провода на расстоянии 20.30 см от плюсового электрода включают любой микроамперметр постоянного тока с пределом измерения 50 мкА. Так как суммарное сопротивление резисторов R1 и R2 близко к 1 ГОм, значение тока, показанное микроамперметром, будет примерно равно значению напряжения в киловольтах.
Автор: А. Просянов, Шауляй
Автор рассмотрел работу того же блока питания конструкции Б. С. Иванова [1, 2] и пришёл к выводу, что недостаток устройства - наличие мощного тепловыделяющего резистора R1 (см. схему на рис. 2 в [2]). Другой недостаток - наличие диода VD2 в цепи контура, образованного конденсатором С1 и обмоткой I трансформатора Т1. Любой "лишний" элемент снижает добротность контура.
В блоках питания, описанных в статьях [4, 5], встречно-параллельно трини-стору подключён диод, что позволяет отказаться от мощного резистора. В статье [5] диод VD2 выведен из контура. Но, по мнению автора, тринистор не очень хорошо подходит для коммутации колебательного контура.
При разработке блока питания была поставлена задача заменить тринистор более современным элементом - мощным высоковольтным ключевым полевым транзистором (во время разработки блока питания [1]таких транзисторов ещё не было. - Прим. ред.). Схема блока питания показана на рис. 5.

Рис. 5
Устройство работает так. Когда на верхнем по схеме сетевом проводе по отношению к нижнему (общему проводу) действует полуволна сетевого напряжения плюсовой полярности, через диод VD5 и первичную обмотку (I) трансформатора Т1 заряжается конденсатор С3. Через диод VD2 - конденсатор С2 до напряжения, ограниченного стабилитроном VD1. Это напряжение используется для питания фототранзистора оптрона U1.1 и микросхемы DA1. Одновременно через диод VD3, на котором падает напряжение 0,7 В, проходит ток, ограниченный резисторами R4 и R5. При этом стабилитрон VD4 закрыт, через излучающий диод оптрона U1.1 ток не идёт, поэтому фототранзистор оптрона закрыт. Интегральный таймер DA1 включён как инвертор, имеющий характеристику переключения с гистерезисом. На выводах 2 и 6 микросхемы DA1 присутствует высокий уровень. На его выходе (выводе 3) и соответственно на затворе транзистора VT1 будет низкий уровень, поэтому транзистор VT1 закрыт. Вывод 7 таймера - выход с открытым коллектором - соединён с затвором транзистора VT1, что обеспечивает быструю разрядку ёмкости затвора и форсированное закрывание этого транзистора.
Когда напряжение сети меняет полярность, диодVD3 закрывается. Стабилитрон VD4 будет закрыт до тех пор, пока напряжение сети не возрастёт до 9,6 В (сумма напряжения стабилизации стабилитрона VD4 (8 В) и падения напряжения на открытом излучающем диоде оптрона (около 1,6 В)). Это время паузы для завершения переходных процессов. По её окончании стабилитрон VD4 открывается, включается излучающий диод оптрона, открывается фототранзистор оптрона. Напряжение на выводах 2 и 6 микросхемы DA1 падает до низкого уровня, высокий уровень напряжения на выходе (вывод 3) открывает полевой транзистор VT1. Открытый канал транзистора VT1 проводит ток при любой полярности напряжения и, в отличие от тринистора, не закрывается при прекращении тока через него, поэтому происходит колебательный процесс разрядки конденсатора С3 на первичную обмотку трансформатора Т1. Внутренний диод полевого транзистора не мешает этому режиму, так как открытый канал его шунтирует. В результате этого стало возможным значительно уменьшить сопротивление токоограничива-ющего резистора R2 и ёмкость конденсатора С3. На вторичной обмотке транс-форматораТ1 также возникают затухающие колебания, поступающие на умножитель напряжения, собранный на диодах VD6-VD11 и конденсаторах С4-С9. Постоянное напряжение с выхода умножителя через токоограничивающие резисторы R8 и R9 подают на "люстру".
В блоке питания применены конденсаторы С1 - К73-17,С2 -К50-35,С3 - К78-2 (автор применил три параллельно соединённых конденсатора суммарной ёмкостью 0,2 мкФ), С4-С9 могут быть из серий К73-13 или КВИ-3, Т1 - трансформатор строчной развёртки ТВС-110Л6 от чёрно-белого телевизора. Хорошие результаты получаются при использовании строчных трансформаторов ТВС-110ПЦ15 и ТВС-110ПЦ16 от цветных телевизоров. Можно использовать умножитель напряже-нияУН9/27-1,3, переделанный на выходное напряжение минусовой полярности, как описано в статьях [3, 5].

Рис. 6
Большинство деталей смонтированы на печатной плате из фольгиро-ванного с одной стороны стеклотекстолита толщиной 1,5 мм. Чертёж платы со стороны печатных проводников показан на рис. 6. Детали установлены на другой стороне платы. Там же установлены две перемычки: одна соединяет выводы 4 и 8 микросхемы DA1, другая - её вывод 7 с затвором транзистора VT1. На корпусе этого транзистора закреплён тепло-отвод - алюминиевая пластина толщиной 1 мм и площадью около 10 см2. Внешний вид платы с деталями показан на рис. 7.

Рис. 7
При правильном монтаже блок питания не требует налаживания. Регулировать значение высокого напряжения на выходе можно подбором конденсатора С3. При налаживании и эксплуатации должны соблюдаться меры безопасности. При всякой перепайке деталей или проводов надо обязательно отключить устройство от сети и соединить выход высокого напряжения с общим проводом (для этого весьма удобен описанный выше разрядник).
Литература
1. Иванов Б. С. Электроника в самоделках. - М.: ДОСААФ, 1975 (2-е изд. ДОСААФ, 1981).
2. Иванов Б. "Люстра Чижевского" - своими руками. - Радио, 1997, № 1, с. 36, 37.
3. Алексеев А. "Горный воздух" на основе строчной развёртки. - Радио, 2008, № 10, с. 35, 36.
4. Бирюков С. "Люстра Чижевского" - своими руками. - Радио, 1997, № 2, с. 34, 35.
5. Мороз К. Усовершенствованный блок питания для "люстры Чижевского". - Радио, 2009, № 1, с. 30
Автор: В. Калашник из Воронежа
