Для многих известных конструкций переключателей гирлянд характерно хранение описания реализуемых световых эффектов в программной памяти микроконтроллера. Это создаёт значительное неудобство, поскольку замена световой программы требует перепрограммирования микроконтроллера. Поэтому автор разработал переключатель, световые программы для которого составляют с помощью компьютера, а затем пересылают их по интерфейсу USB в имеющуюся в переключателе микросхему энергонезависимой памяти. Микроконтроллер переключателя участвует в этом процессе лишь как посредник. Его рабочая программа всегда остаётся неизменной и перепрограммирование не требуется.
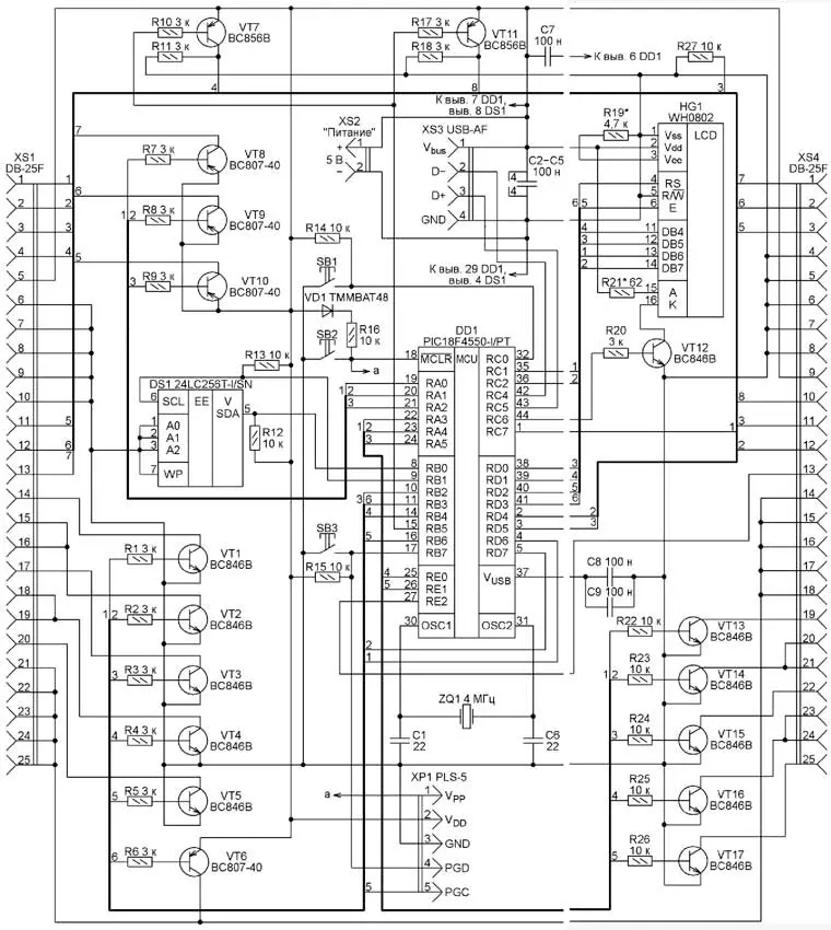
Схема основной микроконтроллерной платы переключателя гирлянд представлена на рис. 1. Её основа - микроконтроллер DD1 PIC18F4550-I/PT, имеющий возможность поддерживать связь с компьютером по USB. Это позволяет передавать информацию из компьютера в микроконтроллер, который, в свою очередь, передаёт её по интерфейсу I2C в микросхему памяти DS1 24LC256T-I/SN. В обратном направлении по тому же пути происходит передача информации из микросхемы памяти в компьютер для редактирования и составления новых версий световых эффектов.

Рис. 1. Схема основной микроконтроллерной платы переключателя гирлянд
К разъёмам XS1 и XS4 процессорной платы с помощью разветвителей, схемы которых показаны на рис. 2, могут быть подключены до десяти одноцветных гирлянд светодиодов, две гирлянды из многоцветных (RGB) светодиодов и две линейки по 24 светодиода, которые программа светового эффекта может включать и выключать в любом порядке.

Рис. 2. Схемы разветвителей
Заметьте, что левый (подключаемый к разъёму XS1) и правый (подключаемый к разъёму XS4) разветвители собраны по разным схемам и не взаимозаменяемы.

Рис. 3. Схема одноцветной гирлянды
Все одноцветные гирлянды выполнены по одной схеме (рис. 3), содержат по 25 соединённых параллельно светодиодов и различаются их типом и цветом свечения:
- гирлянды 1 и 6 - светодиоды L-05R2G531CH1-01 (красные, 600 мкд, 100о);
- гирлянды 2 и 7 - светодиоды L-05G5C342CD1-01-A (зелёные, 3000 мкд, 70о);
- гирлянды 3 и 8 - светодиоды L-05Y2G531CD1-01 (жёлтые, 800 мкд, 70о);
- гирлянды 4 и 9 - светодиоды L-05W24CHM-006 (белые, 1000 мкд, 120о);
- гирлянды 5 и 10 - светодиоды L-05B4E442CD1-01-A (синие, 700 мкд, 70о).
В гирляндах 3 и 8 установлены гасящие резисторы R1 номиналом 100 Ом, в остальных - 200 Ом.
Многоцветные гирлянды собраны по схеме, показанной на рис. 4, и содержат по 24 RGB-светодиода L-154A4SURKQBDZGW.

Рис. 4. Схема многоцветной гирлянды

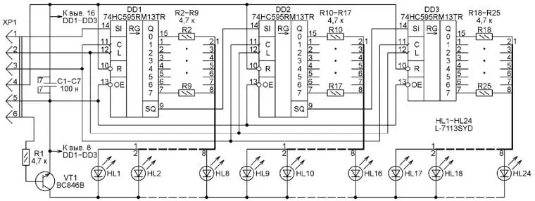
Рис. 5. Схема светодиодной линейки
Схема светодиодной линейки изображена на рис. 5. Здесь имеются три сдвиговых регистра DD1-DD3. Выход переноса (выв. 9) регистра DD1 соединён с информационным входом (выв. 14) регистра DD2, выход переноса которого, в свою очередь, соединён с информацион-ным входом регистра DD3. Таким образом, все три регистра для загружаемой в них информации включены последовательно, а их управляющие входы - параллельно. Так образован единый 24-разрядный регистр. Загруженный в него микроконтроллером код одновременно по сигналу, поданному на выводы 12 микросхем, отображается светодиодами HL1-HL24. Логической единице кода соответствует включённый светодиод, логическому нулю - выключенный. Во избежание отображения случайной информации электронный ключ натранзисторе VT1 отключает все светодиоды от общего проводадо записи в регистр первого кода.
Программы переключения и режим управления задают отдельно для каждой из двух линеек. Поскольку их подключают к устройству жгутами проводов длиной до 2 м, предусмотрена подача сигналов на тактовые входы (выв. 11) регистров через находящиеся на микроконтроллерной плате транзисторные ключи VT7 и VT11. Это позволяет избежать сбоев при загрузке в линейки кодов.
При подаче питания микроконтроллер считывает из своей энергонезависимой памяти данных способ переключения гирлянд, RGB-гирлянд и линеек. Номер программы при этом для них всех равен 1. В дальнейшем в зависимости от режима работы он изменяется или остаётся неизменным. Далее по номеру световой программы определяется начальная ячейка в микросхеме памяти DS1, откуда считываются все необходимые для этой программы значения. Чтение происходит при исполнении каждой новой световой программы уже в процессе выполнения микроконтроллером своей программы. Затем начинается сам процесс исполнения световых эффектов, а на индикатор HG1 выводится вся необходимая информация. Предварительно программа микроконтроллера формирует и заносит в CGRAM ЖКИ HG1 изображения дополнительных, отсутствующих в основном знакогенераторе символов. Оптимальную контрастность изображения на ЖКИ устанавливают подборкой резистора R19, а яркость подсветки индикатора - подборкой резистора R21.
Микроконтроллер работает с тактовой частотой 48 МГц, которую получают с помощью встроенного в него модуля фазовой автоподстройки частоты (pLl). Он умножает частоту генератора на кварцевом резонаторе ZQ1 на 24 и далее делит её на 2. Такая высокая тактовая частота необходима для организации достаточно быстрой ШИМ для управления светодиодными гирляндами.
Нажатиями на кнопки SB2 и SB3 на экран ЖКИ можно вывести четыре меню. Первое - установки для одноцветных гирлянд (рис. 6,а). В начале нижней строки находится номер текущей программы, а в её конце - режим работы (все гирлянды включены постоянно).

Рис. 6. Меню на экране ЖКИ
Второе - установки для RGB-гирлянды (рис. 6,б). Значок режима работы показывает, что программы выполняются последовательно.
Третье - установки для линейки 1 (рис. 6,в). Значок режима работы показывает, что выполняется одна единственная программа, номер которой выведен слева.
Четвёртое - установки для линейки 2 (рис. 6,г). Отсутствие значка режима работы означает, что все светодиоды этой линейки выключены.
В находящееся на экране меню входят, нажав на кнопку SB1. Должна появиться стрелка у номера программы (рис. 6,д). После этого кнопками SB2 и SB3 устанавливают номер программы. Затем нажатием на кнопку SB1 переводят стрелку на режим работы (рис. 6,е), кнопками SB2 или SB3 выбирают его. Нажатием на кнопку SB1 выходят из меню.
Если в течение 10 с нажатий на кнопки не было, то индикатор и подсветка его экрана будут выключены. Нажатием на любую кнопку можно включить их заново.
Во время загрузки компьютером информации в микросхему EEPROM на индикатор HG1 выведено сообщение, показанное на рис. 6,ж, а во время передачи в обратном направлении - на рис. 6,и.
Предусмотрены два режима питания переключателя гирлянд. В первом режиме (основном) устройство питают постоянным стабилизированным напряжением 5 В, поступающим на плату микроконтроллера от внешнего источника. Во втором режиме, используемом взаимодействия с компьютером, питание поступает от него по USB-кабелю. Можно использовать второй режим и при воспроизведении световых программ, если суммарный ток, потребляемый устройством вместе со всеми источниками света (гирляндами и линейками), не превышает возможностей USB-порта компьютера.
Подключённый к его USB-разъёму переключатель компьютер определит как "Переключатель гирлянд", а все необходимые драйверы установит сам. Пользователь должен лишь запустить на компьютере исполняемый файл "Переключатель гирлянд.exe".
Если устройство опознано, самой нижней надписью в окне этой программы будет "Переключатель гирлянд подключён", если же оно не подключено или неисправно, то "Переключатель гирлянд отключён". При этом программы световых эффектов можно создавать и при отключённом устройстве. Они хранятся в файле gir.prk, который переписывается при каждом закрытии программы. Находится этот файл в одной папке с исполняемым файлом программы. Если его удалить, то впоследствии при запуске программы придётся создать вновь, нажав на экранную кнопку "Очистить память". Вкладка "Гирлянды" окна программы представлена на рис. 7. Далее описаны основные особенности работы с программой "Переключатель гирлянд".

Рис. 7. Вкладка "Гирлянды" окна программы
Назначение экранных кнопок:
- "Чтение EEPROM" - считывание информации из микросхемы DS1.
- "Очистить память" - восстановление всех значений по умолчанию.
- "Запись EEPROM" - запись информации в микросхему DS1.
- "Очистить" - обнуляет все состояния включения/выключения в текущей программе.
- "Инверсия" - меняет в текущей программе все состояния включено/выключено на противоположные;
- "Пуск" - запуск имитации выполнения световой программы в реальном масштабе времени. Если переключатель подключён к компьютеру, то программа выполняется и на нём. При этом на HG1 вместо режима программы будут выведены буквы ПК, а номер программы равен 0. Возвращаются к выполнению программы, хранящейся в DS1, установкой соответствующего режима работы.
Поля задания значений:
- "Яркость (%)" - яркость свечения одноцветных гирлянд. Все десять гирлянд светят с заданной яркостью. Минимальное значение - 0, максимальное - 100.
- "Время (мс)" - длительность одного такта в миллисекундах. Всего 16 тактов. Минимальное значение - 10 мс, максимальное - 5000 мс. Действует на много- и одноцветные гирлянды.
- "Повтор" - число повторений выбранной программы. Минимальное значение - 0 (пропуск программы), максимальное - 8.
- "Программа (№)" - выбор номера программы.
Переключатели значений:
- "R, G, B" - задание цвета свечения RGB-гирлянды.
- "Выбор цвета" - щелчками мышью по цветным квадратам выбирают цвет свечения многоцветной гирлянды.
- "Переключатель тактов для линейки" - выбор номера такта для линейки. Всего 24 такта.
- "Время (мс)" - на странице "Линейки" задаёт длительность цикла переключения. Минимальное значение - 250 мс, максимальное - 5000 мс.
Поля заполнения:
- "Гирлянды" - поле 10x16 квадратов. Щелчками мышью по ним выбирают, какие гирлянды будут включены в каждом такте (соответствующие квадраты выделяются красным цветом). Гирлянды - по горизонтали, такты - по вертикали.
- "RGB-гирлянда" - столбец из 16 квадратов. Сначала выбирают цвет, а затем, щёлкая по квадратам, такты, в которых гирлянды будут светиться этим цветом.
- "Линейки" - две строки по 24 прямоугольника. Верхняя для первой линейки, нижняя - для второй. Сначала выбирают такт, а затем, щёлкая по прямоугольникам, задают светодиоды, включённые в данном такте.
Чертёж печатной платы микроконтроллерного блока переключателя изображён на рис. 8, а её монтажная схема - на рис. 9. Плата рассчитана на установку резисторов для поверхностного монтажа типоразмеров 0805 и 1206, конденсаторов - типоразмера 0805. На плате имеются три перемычки типоразмера 1206. Выводы кнопок SB1-SB3 укорочены и отформованы под поверхностный монтаж. Корпус разъёма XS3 припаян к плате, а выводы соединены с контактными площадками на плате тонкими проводами. Разъёмы XS1 и XS4 устанавливают на краях платы так, чтобы она вошла в зазор между рядами их контактов, а сами контакты совместились с соответствующими контактными площадками платы. Разъёмы закрепляют пайкой контактов.

Рис. 8. Чертёж печатной платы микроконтроллерного блока переключателя

Рис. 9. Монтажная схема печатной платы микроконтроллерного блока переключателя
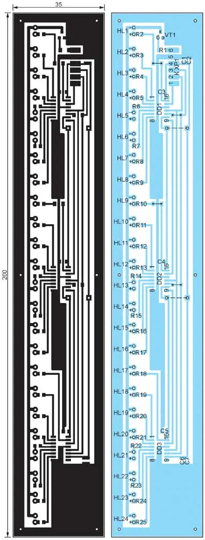
Печатная плата светодиодной линейки показана на рис. 10. Она рассчитана на установку резисторов и конденсаторов для поверхностного монтажа типоразмера 0805 (R1 - 1206). Имеет четыре перемычки типоразмера 1206. Ещё две перемычки, показанные на рис. 10 штриховыми линиями, - проволочные. Они установлены со стороны платы, противоположной печатным проводникам. На той же стороне установлены светодиоды.

Рис. 10. Печатная плата светодиодной линейки
Переключатель собран в корпусе G939G, из которого удалён батарейный отсек. Прибор с открытой верхней крышкой корпуса показан на рис. 11 . Над индикатором виден разъём питания XS2. Один из разветвителей изображён на рис. 12.

Рис. 11. Внешний вид переключателя

Рис. 12. Один из разветвителей
Для подключения к микроконтроллеру программатора на плате предусмотрен разъём XP1. На время загрузки в микроконтроллер программы необходимо отключить от разъёма XS2 внешний источник питания, а от разъёмов XS1 и XS4 - все гирлянды и светодиодные линейки. Индикатор HG1 можно не отсоединять, так как потребляемый им ток при выключенной подсветке всего 1...2 мА.
Файлы печатных плат в формате Sprint Layout 5.0 и программу микроконтроллера можно найти здесь.
Автор: П. Кожухин, г. Курган
