Светодиодные источники оптического излучения видимого диапазона, в силу конструктивных особенностей не могут светиться при напряжении ниже 1,6... 1,8 В. Это обстоятельство резко ограничивает возможность применения светодиодов в устройствах, с низковольтным (от одного гальванического элемента) питанием.
Предлагаемые светодиодные излучатели с низковольтным (0,1... 1,6 В) питанием можно использовать для индикации напряжений, передачи данных по оптическим каналам связи и т.д. Для их питания можно использовать и электрохимические элементы сверхмалого напряжения, в которых электролитом служат увлажненная почва или биологически активные среды.
Многообразие схем низковольтного питания светодиодов можно свести к двум основным разновидностям преобразования напряжения низкого уровня в напряжение высокого. Это схемы с емкостными и индуктивными накопителями энергии.
На рис.1 показана схема питания светодиода с использованием принципа удвоения напряжения питания. Генератор низкочастотных импульсов, частота следования которых определяется цепочкой R1-C1, а продолжительность - R2-C1, выполнен на транзисторах p-n-р и n-p-n структуры. С выхода генератора короткие импульсы через резистор R4 подаются на базу транзистора VT3, в коллекторную цепь которого включен красный светодиод HL1 и германиевый диод VD1. Между выходом генератора импульсов и точкой соединения светодиода и германиевого диода подключен электролитический конденсатор С2 большой емкости.

Рис.1. Cхема питания светодиода по принципу удвоения напряжения
В период продолжительной паузы между импульсами (транзистор VT2 закрыт и не проводит ток) этот конденсатор заряжается через VD1 и R3 до напряжения источника питания. При генерации короткого импульса транзистор VT2 открывается. Отрицательно заряженная обкладка конденсатора С2 оказывается соединенной с положительной шиной питания. Диод VD1 запирается. Заряженный конденсатор С2 оказывается подключен последовательно с источником питания и нагружен на цепочку: светодиод - переход эмиттер-коллектор транзистора VT3. Поскольку тем же импульсом транзистор VT3 отпирается, его сопротивление эмиттер-коллектор уменьшается. Таким образом, практически удвоенное напряжение питания (исключая незначительные потери) оказывается кратковременно приложенным к светодиоду - следует его яркая вспышка. После этого процесс заряда-разряда конденсатора С2 периодически повторяется.
При использовании светодиодов типа АЛ307КМ с напряжением свечения 1,35... 1,4 В, рабочее напряжение генератора составляет 0,8...1,6 В. Границы диапазона определены так: нижняя указывает напряжение начала свечения светодиода, верхняя - напряжение, при котором потребляемый устройством ток равен 20 мА.
Поскольку генератор работает в импульсном режиме, генерируются яркие вспышки света, привлекающие внимание. В схеме необходимо использовать хотя и низковольтный, но довольно громоздкий электролитический конденсатор С2 большой емкости.
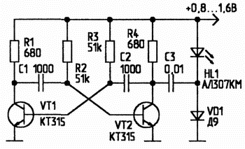
Источники низковольтного питания светодиодов на основе мультивибраторов изображены на рис.2, 3. Первый из них выполнен на основе асимметричного мультивибратора, вырабатывающего короткие импульсы с большой междуимпульсной паузой. Накопитель энергии - конденсатор СЗ - периодически заряжается от источника питания и разряжается на светодиод, суммируя свое напряжение с напряжением питания.

Рис.2. Источник низковольтного питания светодиода на основе асимметричного мультивибратора (импульсный характер свечения)
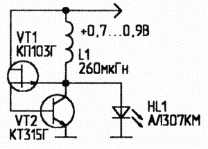
Генератор (рис.3) обеспечивает, в отличие от предыдущей схемы, непрерывный характер свечения светодиода. Устройство выполнено на основе симметричного мультивибратора и работает на повышенных частотах. В связи с этим емкости конденсаторов в этой схеме достаточно малы. Конечно, яркость свечения заметно понижена, но средний ток, потребляемый генератором при напряжении питания 1,5 В, не превышает 3 мА.

Рис.3. Источник низковольтного питания светодиода на основе симметричного мультивибратора (непрерывный характер свечения)
Преобразователи напряжения конденсаторного типа (с удвоением напряжения) для питания светодиодных излучателей теоретически могут обеспечить снижение рабочего напряжения питания только до 60%. Использование в этих целях многокаскадных умножителей напряжения малоперспективно в связи с прогрессивно возрастающими потерями и падением КПД преобразователя.
Более перспективны в плане дальнейшего снижения напряжения питания преобразователи с индуктивными накопителями энергии. Заметно понизить нижнюю границу напряжения питания стало возможным за счет перехода на LC-варианты схем генераторов, использующих индуктивные накопители энергии.
В качестве индуктивного накопителя энергии в первой из схем (рис.4) использован телефонный капсюль. Одновременно со световым излучением генератор вырабатывает акустические сигналы. При увеличении емкости конденсатора до 200 мкФ генератор переходит в импульсный режим работы, вырабатывая прерывистые световые и звуковые сигналы. В качестве активного элемента используется несколько необычная структура - последовательное соединение транзисторов разного типа проводимости, охваченных положительной обратной связью.

Рис.4. Источник с индуктивным (телефонный капсюль) накопителем энергии
Преобразователи напряжения для питания светодиода на рис.5 и 6 выполнены на аналогах инжекционно-полевых транзисторов. Первый из преобразователей (рис.5) использует комбинированную индуктивно-емкостную схему повышения выходного напряжения, сочетая принцип емкостного удвоения напряжения с получением повышенного напряжения на коммутируемой индуктивности.

Рис.5. Преобразователь напряжения для питания светодиода на аналоге инжекционно-полевого транзистора №1
Наиболее прост генератор на аналоге инжекционно-полевого транзистора (рис.6), где светодиод одновременно исполняет роль конденсатора и является нагрузкой генератора. Устройство работает в узком диапазоне питающих напряжений, однако яркость свечения светодиода довольно высока, поскольку преобразователь является чисто индуктивным и имеет высокий КПД.

Рис.6. Преобразователь напряжения для питания светодиода на аналоге инжекционно-полевого транзистора №2
На рис.7 показан генератор трансформаторного типа для питания светодиодов низковольтным напряжением. Генератор содержит три элемента, одним из которых является светоизлучающий диод. Без светодиода устройство является простейшим блокинг-генератором, причем на выходе трансформатора может формироваться довольно высокое напряжение. Если в качестве нагрузки генератора использовать светодиод, он начинает ярко светиться. В схеме в качестве трансформатора использовано ферритовое кольцо Ф1000 К10x6x2,5. Обмотки трансформатора имеют по 15.. .20 витков провода ПЭВ диаметр 0,23 мм. В случае отсутствия генерации концы одной из обмоток трансформатора меняют местами.

Рис.7. Генератор трансформаторного типа для питания светодиодов низковольтным напряжением
При переходе на высокочастотные германиевые транзисторы типа 1Т311, 1Т313 и использовании унифицированных импульсных трансформаторов типа МИТ-9, ТОТ-45 и др., нижнюю границу рабочих напряжений можно опустить до 0,125 В.
Напряжение питания всех рассмотренных схем, во избежание повреждения светодиодов, не должно превышать 1,6... 1,7 В.
Автор: М.ШУСТОВ, г.Томск
