Материал предоставлен журналом
В последнее время радиоэлектронной промышленностью освоен выпуск так называемых "светодиодов высокой яркости" бело-голубого цвета, пригодных для использования в качестве источников света. Преимущества по сравнению с лампами накаливания очевидны - малый ток потребления (20 мА), малое напряжение питания (1,6...2 В), высокий КПД (не выделяют тепла), высокая надежность (отсутствует вакуумный баллон, нежная спиралька накаливания). Минусы - чрезмерная цена промышленных устройств на этих светодиодах.
Налобный фонарик я себе все-таки купил и за два года эксплуатации не скажу о нем ни одного худого слова. Трех батареек АА действительно хватает часов на 40...50. Решил сделать светодиодную фару. Недостаток яркости скомпенсировал количеством - 6 светодиодов (а можно было и 8...10, все равно шесть втрое экономичнее, чем одна лампочка). В качестве корпуса решил применить корпус от неисправной компьютерной "мыши". Отличный корпус, эргономический дизайн! Пластмасса отлично пилится лобзиком, склеивается дихлорэтаном. Светодиоды размещаются на простейшей печатной плате, схему соединения подсмотрел, разобрав фирменный фонарик. Для 4,5-вольтового питания все светодиоды соединяются параллельно, но с последовательными гасящими резисторами по 8...10 Ом мощностью 0,125 Вт (рис. 1).

Рис.1. Cхема соединения светодиодов - параллельная
Хотя если источник питания больше 6 В - можно пробовать последовательное соединение - возрастет экономичность. Выключатель - любой малогабаритный. Отражатель и фокусирующие элементы в этой оптической системе не нужны. Диаграмма излучения этих светодиодов настолько узкая, что на плате их оказалось необходимо распаивать и разгибать немного "веером" - иначе пятно света на дороге получается очень яркое, но узкое (рис. 2). Внешнее стекло с оптической точки зрения излишне, но для защиты от грязи, дождя и механических повреждений я решил его все-таки установить. Но если нет возможности обработать "настоящее" стекло - тогда лучше не ставить вообще никакого, с оргстеклом будут очень большие потери.

Рис.2. Диаграмма излучения фары
Цвет корпуса можно было оставить родной, светло-серый, но для общей гармонии с остальной навеской велосипеда можно покрасить черной нитрокраской из баллончика. При этом необходим аккуратность, так как нитрокраска очень активно растворяет серую "компьютерную" пластмассу). Батарейки размещаются в сумке для инструментов. Конструкция очень простая, схема распиливания мыши приведена на рис.3.

Рис.3. Схема распиливания мыши
При распиле лобзиком главное - максимальная точность. Мелкая наждачка, положенная на стекло, позволит вывести идеальные плоскости, что является залогом качественной склейки и хорошего внешнего вида изделия. Из остатков нижней и верхней частей корпуса выпиливаются полоски квадратного сечения. Из них формируются пазы для закрепления стекла и платы светодиодов. Все "лишние" внутренние элементы корпуса начисто срезаются скальпелем (а лучше - бормашиной). В принципе, дизайн мышей очень разнообразен, и в каждом конкретном случае оптимальное рассечение придется придумывать индивидуально.
Схема склейки частей приведена на рис. 4. Верхнюю и нижнюю части между собой не следует склеивать, они собираются при помощи винта. Фара в разрезе показана на рис. 5.

Рис.4. Схема склейки

Рис.5. Фара в разрезе
Для фиксациии стекла и печатной платы на верхнюю и нижнюю половинки корпуса по месту приклеиваются брусочки {примерно 2x2x20 мм). Между ними образуются пазы, надежно удерживающие плату и стекло.
Трехмесячной эксплуатацией фары я остался доволен. Яркость, конечно, уступает галогеновой лампе, но препятствия на дороге в темноте видны хорошо - а что еще от фары нужно? Потребление тока - 110 мА на 6 светодиодов (лампочка от карманного фонарика потребляет минимум 300 мА, а галогеновые - в 2...3 раза больше). Затраты -300 руб. плюс батарейки. Зато трех батареек хватит на год. Для тех, кому не будет хватать 6 светодиодов, можно посоветовать применить 8...10.
Особенно актуален переход на светодиоды для серьезных велопутешественников. У фонарей с лампами накаливания срок автономной работы в лучшем случае составляет 3...4 часа. Но если катаясь по вечерам в городских парках можно смириться с необходимостью почти каждый день ставить фонарь на подзарядку, то что делать в многодневном походе? Брать с собой несколько комплектов батарей - тяжело, в походе и так каждый грамм на счету. А фара на диодах будет без проблем светить все ночи напролет в течение недели - и это на обычных батареях средней цены/качества. Я, например, использовал "Варту", и за 3 месяца наездил с включенной фарой не очень много - часов 25...30. Признаков "подсаживания" пока не наблюдается.
Встретил в магазине промышленный аналог на одном светодиоде! Вот так можно убить любую изначально правильную идею. Что можно тут посоветовать? Корпус-то хороший - можно попробовать вместо одного поставить хотя бы 3...4 диода - такой вариант позволит кататься.
Итак, первая фара построена, испытана и "обкатана". Каковы дальнейшие перспективные направления "светодиодного фаростроения"? Первым этапом, наверное, будет дальнейшее наращивание мощности. Планирую постройку 10-диодной фары с переключаемым режимом работы 5/10. Дальнейшее улучшение качества требует применения сложных микроэлектронных компонентов. Например, неплохо бы избавиться от гасящих/выравнивающих резисторов - ведь на них теряется 30...40% энергии. И стабилизацию тока через светодиоды независимо от разряженности источника хотелось бы иметь. Наилучшим вариантом было бы последовательное включение всей цепочки светодиодов со стабилизацией тока. А чтобы не увеличивать количество последовательных батарей, нужно, чтобы эта схема еще и напряжение увеличивала с 3 или 4,5 В до 20...25 В. Такие вот, так сказать, ТУ на разработку "идеальной фары".
Оказалось, специально для решения таких задач выпускаются специализированные ИС. Область их применения - управление светодиодами подсветки ЖК-мониторов для мобильных устройств - ноутбуков, сотовых телефонов и т.д. В частности, линейку ИС различного назначения для управления светодиодами выпускает фирма Maxim (Maxim Integrated Products, Inc.) Некоторые из этих "решений" отлично подойдут для велофары. Параллельная и последовательная блок-схемы управления светодиодами показаны на рис.6.

Рис.6. Параллельная и последовательная блок-схемы управления светодиодами
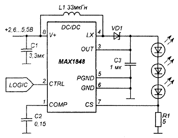
Несколько готовых вариантов схем. Вариант 1 (рис. 7). Микросхема МАХ1848, управление цепочкой из 3-х светодиодов.

Рис.7. Вариант 1
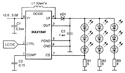
Вариант 2 (рис. 8). Повышенная мощность. Микросхема МАХ1848, включение 3-х параллельных цепочек.

Рис.8. Вариант 2
Вариант 3 (рис. 9). Возможна другая схема включения обратной связи - с делителя напряжения.

Рис.9. Вариант 3
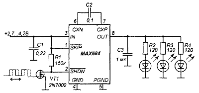
Вариант 4 (рис. 10). Микросхема МАХ684 (судя по описаниям, МАХ684 очень похожа по параметрам и характеристикам на МАХ1848, требует меньше деталей внешней навески, не требует внешней индуктивности, но ее КПД преобразования на 20-25% хуже).

Рис.10. Вариант 4
Нагрузочная способность микросхем этого семейства: МАХ682 - 250 мА; МАХ683 - 100мА; МАХ684 - 50мА.
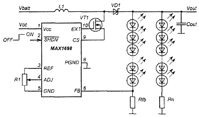
Вариант 5 (рис. 11). Максимальная мощность, несколько цепочек светодиодов, микросхема МАХ1698.

Рис.11. Вариант 5
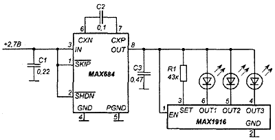
Вариант 6 (рис. 12). Вместо гасящих/выравнивающих сопротивлений - трехканальное "токовое зеркало", микросхема МАХ1916.

Рис.12. Вариант 6
Вариант 7 (рис. 13). Повышающий напряжение безиндуктивный интегральный DC/DC-преобразователь, микросхема МАХ684, токовое зеркало в нагрузке.

Рис.13. Вариант 7
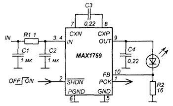
Вариант 8 (рис. 14). Микросхема МАХ1759.

Рис.14. Вариант 8
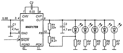
Вариант 9 (рис. 15). Та же микросхема МАХ1759 , нагрузка до 100 мА.

Рис.15. Вариант 9
Вариант 10 (рис. 16). Микросхема МАХ619 - пожалуй, самая простая схема включения. Работоспособность при падении входного напряжения до 2 В. Нагрузка 50 мА при Uвх>3 В.

Рис.16. Вариант 10
Вариант 11 (рис. 17) Микросхема МАХ878, входное напряжение изменяется от 1,5 до 6,2 В. Выход 3,3 В, до 250 мА.

Рис.17. Вариант 11
Вариант 12 (рис. 18). Микросхема ADP1110, работает начиная с Uвх = 1,15 В (всего одна батарейка!), Uвых до 12 В.

Рис.18. Вариант 12
А.СИГАЕВ, alekssi@yandex.ru, http://alekssi.narod.ru
