Предлагается 8-каналыная автоматическая установка "Бегущие огни", позволяющая обеспечить большую динамику световых эффектов.
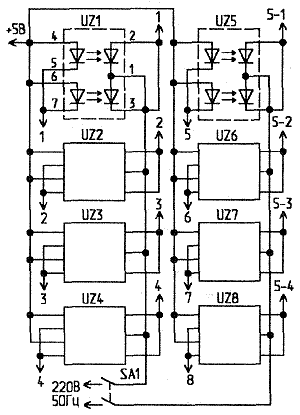
Особенность данной системы заключается в способе соединения ламп в гирляндах. Функциональная схема установки приведена на рис.1. В данной схеме лампы соединены по матричной схеме и подключены к питающей сети через две группы электронных ключей. Первая группа ключей управляется первыми четырьмя каналами схемы управления, а вторая — другими четырьмя каналами.

Рис.1. Функциональная схема установки
Таким образом, подавая на обе группы ключей различные комбинации управляющих сигналов, можно получить различные комбинации световых эффектов, определяемые программой "прошивки" ППЗУ. Один из вариантов программы приведен в таблице.
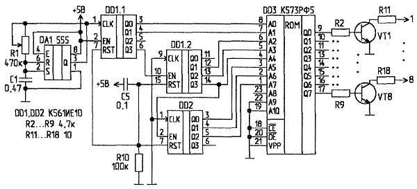
Принципиальная схема автомата световых эффектов изображена на рис.2 (управляющая часть) и 3 (силовая).

Рис.2. Принципиальная схема: управляющая часть

Рис.3. Принципиальная схема: Силовая часть

Рис.4. Блок питания

Рис.5. Печатная плата
Блок питания (рис.4) каких-либо особенностей не имеет и должен обеспечивать ток 1 А при напряжении 5 В. В качестве силовых ключей используются оптронные тиристорные модули типа МТ02-25, конструкция которых обеспечивает гальваническую развязку схемы управления от силовых цепей, а также позволяет устанавливать их на одном общем радиаторе. Схема соединения ламп в гирлянде дана на рис.6, а схема соединения гирлянд - на рис.7.

Рис.6. Схема соединения ламп в гирлянде

Рис.7. Схема соединения гирлянд
При использовании силовых модулей МТ02-25 мощность ламп, подключаемых к одному каналу, может достигать 3 кВт, а для модулей МТ0Т0-80 -до 10 кВт на канал.
Автор: Л.ЛЫСЕНКО, г.Бобруйск
