Предлагаемое устройство было разработано для дистанционного управления пятирожковой люстрой (3+2 лампы) в помещении, где отсутствует соответствующая проводка. Никакой дополнительной прокладки проводов не требуется. Обычный настенный выключатель люстры продолжает действовать, что избавляет от неудобств людей, не привыкших пользоваться пультами дистанционного управления (ПДУ).

Рис. 1
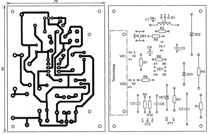
Схема устройства представлена на рис. 1 Хотя лампы EL1 и EL2 на ней условно показаны одиночными, каждая из них может представлять собой группу из двух-трёх ламп, соединённых параллельно Узел питания микроконтроллера DD1 и модуля ИК приёмника В1 напряжением 5 В собран по схеме с гасящим конденсатором С2. Стабилитрон VD2 служит элементом выпрямителя и одновременно стабилизатором выпрямленного напряжения. Конденсатор СЗ - сглаживающий. В цепи питания модуля В1 имеется дополнительный фильтр L1C1.
Резистор R3 и стабилитрон VD1 формируют импульсы сетевой частоты, перепады которых совпадают с моментами, когда мгновенное значение сетевого напряжения близко к нулю. Цепь R6C4 при включении питания подаёт на микроконтроллер импульс, устанавливающий его в исходное состояние.
Нажатиями на кнопку SB1 переводят устройство в режим выбора кнопок ПДУ, которыми в дальнейшем будут включаться и выключаться лампы, и завершают эту операцию. Светодиод HL1 - индикатор приёма ИК сигналов и режима работы устройства.
Резисторами R7 и R8 ограничен ток управляющего электрода симисторов VS1 и VS2. Демпфирующие цепи C5R9 и C6R10 необходимы для нормальной работы энергосберегающих люминесцентных ламп. Если в люстре установлены только лампы накаливания, от этих цепей можно отказаться.
Симисторы ВТ137-600 можно заменить на ВТ136-600, ВТ138-600. Поскольку суммарный ток управляющих ими импульсов длительностью 630 мкс не превышает 60 мА, управляющие электроды подключены через резисторы непосредственно к выводам микроконтроллера. Применять здесь симисторы серии КУ208 не следует, им требуется значительно больший ток управления.
Если уменьшить номинал конденсатора С2 до 0,68 мкФ, то при сетевом напряжении ниже 180 В (что в зимний период не редкость) устройство станет работать неустойчиво. Поскольку при увеличении напряжения в сети до 230 В ток, протекающий через стабилитрон VD2 при выключенных лампах, достигает 65 мА, применён стабилитрон повышенной мощности Д815А. Приборы этого типа имеют довольно большой разброс напряжения стабилизации. Для установки в устройство рекомендуется выбрать экземпляр, у которого оно находится в пределах 5,6...5,7 В.
Индуктивность дросселя L1 может находиться в пределах 60...100 мкГн. Заменять его резистором не стоит, потому что падение напряжения на нём может сделать напряжение питания ИК модуля В1 недостаточным для его работы.
Применённый автором модуль РС838 (другого не было) рассчитан на приём ИК импульсов, следующих с частотой 38 кГц. Хотя большинство ПДУ излучают импульсы с другой частотой (обычно 36 кГц), дальность действия устройства оказалась вполне достаточной для управления люстрой из любой точки комнаты. Правильнее, однако, заменить этот модуль другим, настроенным на частоту 36 кГц, например TSOP1736.

Рис. 2
Печатная плата устройства дистанционного управления - односторонняя из фольгированного стеклотекстолита. Её чертёж изображён на рис. 2, а внешний вид с установленными деталями показан на рис. 3. Если в люстре установлены энергосберегающие лампы, отводить тепло от симисторов VS1, VS2 не требуется. Но отказываться от их установки на теплоотвод всё-таки нежелательно. Это избавит от проблем, если потребуется заменить энергосберегающие лампы обычными.

Рис.3
При первой подаче на устройство сетевого напряжения (например, имеющимся в цепи люстры настенным выключателем), согласно программе микроконтроллера DD1, включается лампа EL1. Первое, что необходимо сделать после этого - выбрать на используемом ПДУ кнопки, которыми в дальнейшем будут включаться и выключаться лампы люстры, и занести эту информацию в память микроконтроллера. Для этого следует нажать на кнопку SB1. Лампа EL1 должна погаснуть, а светодиод HL1 - включиться.
Направив пульт на модуль В1, следует по очереди нажать на нём три выбранные кнопки. Та, которая будет нажата первой, станет управлять лампой EL1, нажатая второй - лампой EL2, а третья - обеими лампами вместе. Во время приёма команды ПДУ светодиод HL1 должен мигать.
После ещё одного нажатия на кнопку SB1 устройство готово к работе. Если управлять обеими лампами одновременно нет необходимости, кнопку ПДУ для выполнения этой функции можно не назначать, завершив операцию после выбора первых двух кнопок ПДУ нажатием на кнопку SB1.
Хотя программа микроконтроллера разрабатывалась для приёма команд дистанционного управления, подаваемых согласно протоколу RC-5, оказалось, что устройство прекрасно работает и со многими ПДУ, использующими иной, как правило, неизвестный протокол.
Это объясняется, по-видимому, тем, что собственно декодирование команд в программе не предусмотрено Оно лишь различает их путём измерения интервалов времени между перепадами образующих команду импульсов. Последовательность этих интервалов для каждой команды оказывается уникальной независимо от принятой в конкретном ПДУ системы кодирования. Различия между "длинными" и "короткими" интервалами достаточно велики, что позволило отказаться от кварцевой стабилизации тактовой частоты микроконтроллера.
В процессе выбора управляющих кнопок их коды, определенные программой, записываются в EEPROM микроконтроллера. В дальнейшем каждый принятый код сравнивается с хранящимися в памяти образцами и при совпадении выполняется соответствующее действие - включаются или выключаются лампы люстры.
Импульсы, открывающие симисто-ры, программа формирует в моменты, когда мгновенное значение сетевого напряжения близко к нулю. Это уменьшает создаваемые устройством помехи при работе других электронных бытовых приборов.
Когда все лампы погашены, светодиод HL1 включён. Поскольку при приёме любой И К команды, даже не входящей в число хранящихся в памяти микроконтроллера, светодиод мигает, это позволяет проверить работоспособность ПДУ. При включении любой лампы светодиод гаснет.
Устройство запоминает состояние ламп люстры в момент его отключения от сети (например, настенным выключателем). При следующем включении это состояние будет восстановлено. Однако, если все лампы были погашены, то после щелчка настенным выключателем загорится лампа EL1. Это избавляет от необходимости искать ПДУ в темноте.
Налаживать устройство не требуется, работать оно начинает сразу после подачи питания. Но всё-таки до установки на плату И К модуля и микроконтроллера рекомендуется собрать и проверить узел их питания, включив его в сеть и измерив напряжение между контактными площадками платы, предназначенными для выводов питания указанных элементов Оно не должно отличаться от 5 В более чем на 0,25 В, оставаясь в этих пределах как при минимальном, так и при максимальном напряжении в сети, в том числе при имитации нагрузки по цепи 5 В резистором сопротивлением 50...100 Ом. Никакие детали не должны сильно нагреваться. Проводя проверку, необходимо соблюдать осторожность, поскольку проводники печатной платы и установленные на ней элементы находятся под сетевым напряжением 220 В.
Программу микроконтроллера можно скачать здесь.
Размещать устройство удобно на потолке возле крюка подвески люстры.
Автор: В. Вавилин, г. Ташкент, Узбекистан
