АННОТАЦИЯ. Светодинамические устройства (СДУ) находят широкое применение для эстетического оформления баров, дискотек, казино, праздничной иллюминации, в автомобильной электронике (для управления стоп-сигнальными "огнями"), а также для организации световой рекламы. СДУ с программируемыми алгоритмами позволяют реализовывать большое многообразие светодинамических эффектов и управлять по программе большим числом световых элементов. Такое устройство можно выполнить, к примеру, на одном микроконтроллере и нескольких регистрах, в качестве интерфейсных схем, для управления набором световых элементов. Но, несмотря на простоту схемотехнических решений, изготовление таких устройств в условиях радиолюбительской лаборатории ограничено, по причине неизбежности использования дорогостоящего программатора или компьютера. С другой стороны, применение распространенных микросхем стандартной логики позволяет построить полностью автономное многоканальное светодинамическое устройство с интегрированным программатором, не требующее использования никаких дополнительных программаторов, вообще, или компьютера, в частности. Это позволяет всего за несколько минут перепрограммировать набор светодинамических эффектов в полностью автономном режиме. Применение последовательного интерфейса, реализованного в данном устройстве, позволяет управлять одновременно и синхронно несколькими гирляндами световых элементов по трем сигнальным линиям (не считая общего провода), общая длина которых может достигать 100 м.

Рис. 1 Схема электрическая принципиальная
ОБЩИЕ СВЕДЕНИЯ. Программируемое автономное 32-канальное СДУ является усовершенствованным вариантом устройства, опубликованного в [1], и позволяет управлять независимо каждым из 32 световых элементов гирлянды по 3 соединительным линиям последовательного интерфейса. В модернизированном варианте устройства учтены все особенности работы контроллера на несогласованные линии большой длины. Такое построение СДУ позволяет наращивать число элементов с минимальными аппаратными затратами без увеличения жгута проводов и располагать гирлянду на большом удалении от основной платы контроллера. Разнообразие светодинамических эффектов не ограничено и зависит от воображения пользователя. В такой архитектуре заложена потенциальная возможность наращивания числа световых элементов без существенного изменения протокола последовательного интерфейса. (Об этом будет сказано ниже).
В подавляющем большинстве конструкций светодинамических устройств реализовано управление каждым световым элементом непосредственным его подключением с помощью отдельного сигнального проводника к основной плате контроллера. Но, как правило, такие устройства позволяют управлять лишь небольшим числом элементов [2]. Наращивание их числа требует использования дополнительных микросхем памяти и соответствующего увеличения жгута проводов. Это приводит к значительному усложнению, как схемотехнической части, так и программного кода, необходимого для "прошивки" нескольких микросхем памяти. Кроме того, в таком варианте невозможно управлять набором световых элементов, удаленных от основной платы контроллера на значительное расстояние.
Практика повторения светодинамических устройств, например [2], показывает, что публикуемые прошивки, к сожалению, далеки от совершенства и содержат грубые ошибки. А ведь, пользователь ожидает результатом работы устройства получить именно эстетический визуальный эффект. Поэтому, такой подход к разработке программного кода напрочь отбивает желание повторять программируемые светодинамические устройства, несмотря на большое многообразие эффектов, реализуемых программным способом. Предлагаемое устройство лишено этого недостатка, и, прежде чем записать в память текущую светодинамическую комбинацию, она отображается на контрольной линейке светодиодов, что позволяет полностью исключить возможные ошибки, которые могут быть допущены пользователем в процессе программирования.
Решением задачи увеличения числа и управления набором световых элементов, расположенным на большом расстоянии от основной платы контроллера, является применение последовательного интерфейса между основной платой и гирляндой, состоящей из регистров, непосредственно к выходам которых и подключаются световые элементы. В таком устройстве передача данных в выходные регистры производится в течение очень короткого промежутка времени с тактовой частотой около 12,5 КГц (при тактовой частоте ВЧ-генератора 100 КГц). Пакеты данных следуют друг за другом с частотой около 10 Гц, что приводит к смене светодинамических комбинаций. Поскольку время обновления данных в регистрах очень мало: 80 мкс x 32 импульса=2,56 мс, смена комбинаций происходит визуально незаметно, что и создает эффект их непрерывного воспроизведения. Линия выполняется жгутом из 4 многожильных проводников, включая "общий" провод, при длине линии до 10 метров, и жгутом из 7 многожильных проводников, при длине от 10 до 100 метров. Во втором случае, каждый сигнальный проводник ("Данные", "Синхронизация", "Разрешение индикации") выполняется "витой парой", второй проводник которой заземляется с обеих сторон линии, и, после этого, все проводники объединяются в один жгут.
Как известно, многократные отражения сигнала, возникающие в длинных несогласованных линиях, а также интерференционное взаимодействие двух сигнальных линий, входящих в один жгут, при определенных условиях, могут привести к ошибкам в передаче данных, что в случае в светодинамической системы означает нарушение эстетического эффекта. Это накладывает ограничения на длину соединительной линии и предъявляет жесткие требования к помехоустойчивости системы, использующей последовательный интерфейс.

Рис.2 Топология печатной платы

Рис. 3 Временные диаграммы работы устройства в режимах записи и чтнения автономного 32-канального светодинамического устройства с последовательным интерфейсом
Помехоустойчивость системы, использующей последовательный интерфейс, зави-сит от многих факторов: частоты и формы импульсов транслируемого сигнала, времени между изменениями уровней (скважности) импульсов, удельной емкости проводников линии, входящих в жгут, эквивалентного сопротивления линии, а также входного сопро-тивления приемников сигнала и выходного сопротивления драйверов.
Известно, что главным критерием помехоустойчивости является значение порогового напряжения переключения логических элементов [3]. За пороговое напряжение переключения инвертирующего логического элемента принимается такое значение, при котором на выходе элемента устанавливается напряжение, равное входному. Для микросхем ТТЛ-структуры (серии К155) это значение составляет примерно 1,1 В при типовом значении напряжения питания 5 В [3]. Применение таких микросхем в устройствах передачи и приема данных по длинным несогласованным линиям не позволяет получить приемлемой помехоустойчивости даже при работе на линии небольшой длины (5 м). Дело в том, что многократные отражения сигнала, амплитуда которых даже незначительно превышает значение порогового напряжения переключения логических элементов (1,1 В), приводят к многократному переключению выходных регистров, а значит к ошибкам передачи данных. Применение более совершенных ИМС ТТЛШ-структуры (серии КР1533) не решает проблемы, поскольку пороговое напряжение для них ненамного больше и составляет всего 1,52 В при стандартном напряжении питания [3]. Чтобы частично скомпенсировать отраженный сигнал часто используют обычные RC-фильтры (так называемые интегрирующие цепочки), но они же сами и вносят искажения в передаваемый сигнал, искусственно увеличивая времена нарастания и спада фронтов сигнала. Поэтому, такой способ малоэффективен, и, в конечном счете, приводит только к увеличению суммарной паразитной емкости линии, что создает дополнительную нагрузку на микросхемы трансляторов сигналов на передающей стороне линии. Есть и еще одна проблема, связанная с применением RC-фильтров. С увеличением времен нарастания и спада фронтов сигнала, увеличивается и время "пребывания" управляющего сигнала вблизи "опасного" порогового уровня напряжения переключения логического элемента, что, в свою очередь, приводит к возрастанию вероятности ложного переключения выходного регистра под действием сигнала помехи. В случае применения микросхем структуры КМОП серии КР1564, симметричные передаточные характеристики обеспечивают помехоустойчивость на уровне 45% от напряжения источника питания, что близко к идеальному значению (50%), причем помехоустойчивость системы возрастает с увеличением напряжения источника питания, поскольку возрастает амплитуда трансли-руемого сигнала.


Рис.4 Топология печатной платы выходного регистра
Современная элементная база - быстродействующие КМОП микросхемы, обладающие высокой нагрузочной способностью и максимальной помехоустойчивостью (их пороговое напряжение переключения практически равно половине напряжения питания) - позволяют построить СДУ с последовательным интерфейсом, длина соединительных линий которого, учитывая участки, соединяющие регистры выносной гирлянды, может достигать 100 м даже при использовании обычной витой пары (никаких экранированных проводников!). Кроме того, для трансляции сигналов в линию использованы мощные буферные элементы с триггерами Шмитта типа КР1554ТЛ2, высокая нагрузочная способность которых позволяет непосредственно управлять емкостной нагрузкой.

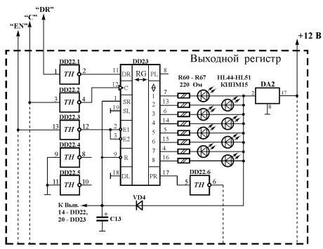
Рис.5 Схема электрическая принципиальная выходного регистра
Эффекты влияния длинных несогласованных линий начинают проявляться, когда времена задержек распространения сигнала вдоль линии и обратно начинают превосходить длительность фронтов нарастания и спада сигнала. Любые несоответствия между эквивалентным сопротивлением линии и входным сопротивлением логического элемента на приемной стороне линии или выходного сопротивления драйвера на передающей стороне приводят к многократному отражению сигнала. Типовое значение времен нарастания и спада фронтов сигнала для микросхем серии КР1564 составляет менее 5 нс, поэтому эффекты влияния длинных несогласованных линий начинают проявляться при ее длине в несколько десятков сантиметров.
Зная характеристики линии передачи, такие как полная входная емкость и удельная емкость на единицу длины, можно вычислить время задержки распространения сигнала по всей длине линии. Типовое значение времени задержки распространения сигнала обычно составляет 5-10 нс/м. Если длина соединительной линии достаточно велика и длительность фронтов нарастания и спада сигнала достаточно мала (т.е. высока крутизна), несоответствие эквивалентного сопротивления линии и входного сопротивления логического КМОП элемента на приемной стороне создает отражение сигнала, амплитуда которого зависит от мгновенного значения напряжения, приложенного ко входу элемента, и коэффициента отражения, который, в свою очередь, зависит от эквивалентного сопротив-ления линии и входного сопротивления входного логического элемента.
Поскольку входное сопротивление элементов микросхем серии КР1564 многократно превосходит эквивалентное сопротивление линии, выполненной витой парой или экранированным проводником, отраженное напряжение на входе приемника удваивается. Этот отраженный сигнал распространяется вдоль линии обратно к передатчику, где он вновь отражается, и процесс повторяется до полного затухания сигнала.
Преимущество микросхем структуры КМОП, благодаря их высокой нагрузочной способности (серия КР1554), заключается в возможности непосредственно управлять нагрузкой, имеющей емкостной характер. Сбалансированные (симметричные) вольтамперные передаточные характеристики элементов этих микросхем позволяют получить практически одинаковые времена фронтов нарастания и спада сигнала. Кроме того, для трансляции сигналов в линию и приема можно использовать буферные элементы на основе триггеров Шмитта, которые восстанавливают строго прямоугольную форму искаженного сигнала, и тем самым, исключают ложное срабатывание регистров. Кроме того, наличие гистерезиса на передаточной характеристике (при напряжении питания 5 В для ИС КР1564ТЛ2 это значение составляет примерно 400 мВ) создает дополнительный запас по-мехоустойчивости [3].
СХЕМА ЭЛЕКТРИЧЕСКАЯ ПРИНЦИПИАЛЬНАЯ. Устройство содержит два параллельно включенных регистра. Один из них - контрольный, установленный на основной плате устройства. К выходам его микросхем (DD18 - DD21) подключены светодиоды, по которым производится визуальное наблюдение процесса программирования. Второй - выходной регистр (DD23, DD25, DD27, DD29) - является управляющим для гирлянды выносных элементов. Оба регистра работают синхронно, но в процессе программирования участвует только первый из них. Управление выходным регистром, следовательно, и загрузка в него данных, осуществляется по сигнальным линиям последовательного интерфейса: "Данные", "Синхронизация" и "Разрешение индикации". Третья линия - вспомогательная, этот сигнал кратковременно отключает выходы ИМС всех регистров на время загрузки текущей комбинации, что исключает эффект мерцания малоинерционных светодиодов. Таким образом, гирлянда выносных элементов подключается к основной плате устройства (не считая экранирующих (необходимых только при длине линии более 10 м), составляющих пару каждому сигнальному проводнику) всего четырьмя проводами: "Данные", "Синхронизация", "Разрешение индикации" и "Общий".
Благодаря применению последовательного интерфейса, такое построение устройства позволяет наращивать количество световых элементов с минимальными аппаратными затратами без существенного усложнения протокола. Максимальное их число ограни-чено только помехоустойчивостью линии связи и нагрузочной способность источника питания. При указанных номиналах времязадающих элементов C4R12 тактового ВЧ-генератора, собранного на элементах DD3.3, DD3.4, и установке движка подстроечного резистора R13 в положение, соответствующее максимальному сопротивлению (что соответствует частоте ВЧ-генератора FT=20 КГц) и выполнении сигнальных проводников линии витыми парами проводов, её длина может достигать 100 метров.
В устройстве использована ИМС энергонезависимой памяти с электрическим стиранием (ЭСППЗУ) объёмом 16 Кбит (16384 бита) типа AT28C16-15PI. Объём памяти, соответствующий одной комбинации, составляет 32 бита. Полный цикл формирования светодинамического эффекта, например, "бегущего огня" состоит из 32-х комбинаций. Таким образом, объём памяти, занимаемый таким эффектом, составляет 32х32=1024 бита, следовательно, максимальное количество эффектов этого типа, которые одновременно могут быть записаны в ЭСППЗУ, составляет 16384/1024=16. Следует учитывать, что указанный эффект является самым ресурсоёмким, поэтому реальное количество светодинамических эффектов, которые занимают меньше адресного пространства ЭСППЗУ, может быть значительно большим. Для получения еще большего количества эффектов, при неизменном числе элементов гирлянды, объём памяти может быть увеличен, к примеру, до 64 Кбит заменой ИМС ЭСППЗУ на AT28C64-15PI и увеличением разрядности адресного счётчика.
Процесс программирования достаточно прост и удобен: он производится последовательным нажатием трёх кнопок. Задание комбинации светоизлучающих элементов производится последовательным нажатием двух кнопок: SB1 - "Запись "0" и SB2 - "Запись "1", которым соответствует введение на линейку включенного и выключенного светодиодов. Записи "нуля" соответствует именно включенный светодиод, поскольку этот уровень появляется на соответствующем выходе регистра. Светодиодная комбинация, записываемая в регистры, сдвигается вправо на один разряд непосредственно после очередного нажатия любой из указанных кнопок. Запись в ЭСППЗУ сформированной комбинации производится по однократному нажатию кнопки SB3 - "Сохранение комбинации". При этом автоматически формируется последовательность импульсов, при которой происходит запись в ЭСППЗУ текущего состояния контрольного регистра. Следует особо подчеркнуть, что такой алгоритм программирования позволяет полностью исключить возможные ошибки, которые могут быть допущены пользователем в процессе программирования, поскольку нет необходимости сразу же после введения комбинации на контрольную линейку нажимать кнопку SB3, и только убедившись, что с помощью кнопок SB1 и SB2 введена правильная комбинация, - нажимают SB3.
ПРИНЦИП РАБОТЫ. Схема электрическая принципиальная автономного программируемого 32-канального СДУ приведена на рис. 1. На схеме в явном виде показано подключение одного выходного регистра, состоящего из 8 микросхем, с помощью трех сигнальных проводников соединительной линии. Таких выходных регистров, которые при параллельном включении будут работать синхронно, может быть несколько. Общий проводник (на схеме не показан), соединяющий выходной регистр и общий провод основной платы контроллера также входит в состав соединительной линии и должен выполняться многожильным проводом сечением не менее 1 мм2.
Устройство может работать в двух режимах: программирования и считывания. (На схеме показано положение переключателя SA1, соответствующее режиму воспроизведения). Режим программирования устанавливается в нижнем (по схеме) положении переключателя SA1. Этот режим индицирует включение красного светодиода НL2. При этом блокируется работа НЧ-генератора прямоугольных импульсов, собранного на элементах DD3.1, DD3.2 и на выходе элемента DD3.2 (вывод 6) формируется низкий логический уровень. Последовательное нажатие кнопок SB1, SB2 приводит к появлению уровней логического "0" на выходах "1Q" или "2Q" микросхемы DD2, содержащей 4 одинаковых независимых RS-триггера. Появление любого из этих уровней на выходах "1Q" или "2Q", а значит на одном из входов элемента DD1.2, приводит к формированию на его выходе положительного импульса и его последующему ограничению по длительности дифференцирующей цепочкой С2R10. Поскольку на входах "S0", "S1" мультиплексора DD14 были установлены логические "нули", то на его выходы поступит информация с входов "A0", "B0". При этом, какой уровень будет записан в первый разряд регистров DD18, DD23 зависит от нажатой кнопки SB1 или SB2. При нажатии SB1 будет записана логический ноль, при нажатии SB2 -логическая единица.
После введения комбинации на контрольную линейку светодиодов HL12-HL43, а значит - и в контрольные регистры DD18-DD21, нажимают кнопку SB3. При этом инициируется цикл записи текущей комбинации в ЭСППЗУ, состоящий из 4-х тактов. В каждом такте производится запись в буферный регистр DD16 содержимого регистра DD21, перезапись его в ЭСППЗУ, сдвиг информации, содержащейся в контрольных регистрах DD18-DD21, вправо на 8 разрядов и запись содержимого регистра DD21 в регистр DD18. Таким образом, по завершению 4-го такта, в ЭСППЗУ будет записано содержимое всех 4-х ИМС контрольного регистра с одновременным обновлением их состояния.
При нажатии кнопки SB3 на выходе "3Q" третьего RS-триггера ИМС DD2 формируется положительный импульс, равный по длительности времени нажатия кнопки. Этот импульс, после инвертирования элементом DD4.1 и ограничения по длительности дифференцирующей цепочкой C3R11 устанавливает 4-ый RS-триггер ИМС DD2 в единичное состояние. Логическая единица с его выхода "4Q" (вывод 13) разрешает работу ВЧ-генератора, выполненного на элементах DD3.3, DD3.4 и одновременно запрещает индикацию текущей светодинамической комбинации, содержащейся в контрольном и выходном регистрах. Это необходимо для устранения эффекта мерцания малоинерционных светодиодов в процессе загрузки новой комбинации. Также этот уровень воздействует на входы логических элементов DD11.1, DD11.2 и вызывает появление на выходе последнего из них уровня логической "1", которая, воздействует на вход "S0" (вывод 14) мультиплексора DD14 и разрешает прохождение на выходы (выводы 7 и 9) информации с его соответствующих входов "A1", "B1". Поскольку в момент включения питания отрабатывает схема обнуления счётчиков DD6, DD7, DD8.1, DD8.2, DD9.1, то в начальный момент времени первого из 4-х тактов цикла записи на выходах "0" (выводы 3) счётчиков DD6, DD7 формируются уровни логической единицы.
Отрицательный перепад первого импульса положительной полярности на входе "CP" (вывод 13) счётчика DD6 приведёт к появлению на выходе "1" (вывод 2) уровня логической единицы, а значит и уровня "1" на выходе элемента DD5.2. Этот уровень, "проходя" через нижний, по схеме, мультиплексор DD14 и инвертируясь триггером Шмитта DD17.3, воздействует на входы стробирования "C" (выводы 12) контрольных регистров DD18-DD21 (см. диаграмму на рис. 2: отрицательный перепад "CLK1").
Этот логический уровень на выходе элемента DD5.2 сохранится до момента спада третьего импульса на входе "CP" счётчика DD6 (см. диаграмму на рис. 2: положительный перепад (фронт) "CLK1"). В этот период времени, между спадами 1-го и 2-го импульсов, на выходе инвертора DD4.4 будет сформирован отрицательный импульс (см. диаграмму на рис. 2: "CLK2"). Этот импульс, после повторения верхним по схеме мультиплексором, входящим в состав ИМС DD15, произведёт запись в буферный регистр DD16 одного бита информации с выхода "PR" (вывод 17) последнего разряда контрольного регистра DD21. Положительный перепад импульса на выходе инвертора DD4.4 совпадает по времени со спадом 2-го импульса на входе "CP" счётчика DD6 (см. диаграмму на рис. 2: фронт "CLK2"). По спаду 3-го импульса на входе "CP" счётчика DD6, на выходе элемента DD5.2 будет сформирован положительный перепад ("CLK1"), который, после повторения нижним по схеме мультиплексором ИМС DD14 и инвертирования триггером Шмитта DD17.3, произведёт запись одного бита информации c выхода "PR" последнего разряда контрольного регистра DD21 в первый разряд регистра DD18. Мощные триггеры Шмитта DD17.1 и DD17.2 (входящие в состав ИМС КР1554 ТЛ2) введены в устройство для непосредственной работы на линию, имеющую емкостной характер нагрузки, а также для предотвращения попадания отраженного из линии сигнала на входы контрольных регистров, посредством разделения соответствующих сигнальных цепей.
Описанная процедура повторяется 8 раз до момента заполнения буферного регистра DD16 и перезаписи содержимого регистра DD21 в регистр DD18. По завершению 8-го отрицательного импульса синхронизации на входе "C" буферного регистра (см. диаграмму на рис. 2: фронт "СLK2"), в регистр DD16 будет полностью переписано текущее состояние регистра DD21. Это произойдёт по спаду 58-го импульса на входе "CP" счётчика DD6.
По этому спаду, счётчик DD6 перейдёт в 3-е состояние. Поскольку к этому времени счётчик DD7 уже был в 7-ом состоянии, то два сигнала уровня логической единицы, приходящие на входы элемента DD12.1, вызовут появление на его выходе уровня логического нуля. Таким образом, на выходе элемента DD12.1 будет сформирован отрицательный импульс ("CS", см. рис. 2), равный по длительности периоду следования импульсов ВЧ-генератора, выполненного на элементах DD3.3, DD3.4. После "прохождения" через нижний, по схеме, мультиплексор ИМС DD15 (напомним, что на его входе "S0" установлен уровень "нуля", заданный переключателем SA1) этот отрицательный импульс осуществляет выборку кристалла ИМС ЭСППЗУ DD15 по входу "CS" ("Chip Select"-"Выбор Кристалла") и, тем самым, производит параллельную запись 8-ми бит информации, сформированных на выходах буферного регистра DD16 по адресу, установленному на входах A0-A10 ЭСППЗУ DD13.
Визуальный контроль заполнения адресного пространства ИМС ЭСППЗУ DD13 производят по линейке светодиодов HL3 - HL11, отображающих текущий адрес двоичных счётчиков DD8.1, DD8.2, DD9.1. Первые шесть светодиодов HL3-HL9, зеленого цвета индицируют заполнение первых 25% адресного пространства, желтый HL10 в сочетании с зелеными - от 25 до 50%, красный HL11 в сочетании с желтым и зелеными - от 50 до 100%. Одновременное свечение всех светодиодов в режиме записи указывает на заполнение всего адресного пространства ЭСППЗУ, кроме ячеек по четырём последним адресам. После записи светодинамической комбинации по четырем последним адресам, счётчики DD8.1, DD8.2 устанавливаются в нулевое состояние, а DD9.1 - в восьмое, что сопровождается погасанием светодиодов HL3-HL11. На всех адресных линиях устанавливаются уровни "нулей". При этом запись программы может быть произведёна повторно.
Режим чтения устанавливается переводом переключателя SA1 в верхнее, по схеме, положение, чему соответствует включение зеленого светодиода HL1. В этот режим устройство можно перевести в любой момент, даже не завершая программирование всего адресного пространства ЭСППЗУ. В этом случае будет воспроизведена программа, записанная ранее по адресам, начиная с текущего и до конца адресного пространства, а затем, цикл воспроизведения программы продолжится, начиная с нулевого адреса ЭСППЗУ. Ес-ли режим чтения задан до включения питания, схема сброса, собранная на элементах C6R15, DD1.3, DD1.4, DD5.1 установит в нулевое состояние счётчики DD6, DD7, DD8.1, DD8.2, DD9.1. В этом режиме уровень логической единицы с левого, по схеме, вывода переключателя SA1 разрешит работу НЧ-генератора, выполненного на элементах DD3.1, DD3.2 с частотой около 10 Гц. Импульсы положительной полярности с выхода элемента DD3.2, после инвертирования элементом DD4.1 и ограничения длительности дифференцирующей цепочкой С3R11, будут вызывать установку в единичное состояние 4-го RS-триггера ИМС DD2. В этом режиме спад первого положительного импульса на входе "CP" счётчика DD6 установит последний в единичное состояние, что приведёт к переключению в нулевое состояние элемента DD10.1. Уровень логического нуля с его выхода, инвертируясь элементом DD10.2, воздействует на вход элемента DD11.4 и совместно с уровнем "единицы", приходящим на второй вход этого элемента, устанавливает на его выходе также уровень "1". Этот уровень приведёт к переключению выходов буферного регистра DD16 в третье состояние, - теперь они стали входами (см. диаграмму на рис. 2: фронт "SL"). По спаду второго импульса на входе "CP" счётчика DD6 на его выходе "2" (вывод 4) появляется уровень логической "1", который переводит элемент DD5.3 в единичное состояние. Единичный уровень с его выхода воздействует на вход элемента DD12.3 и в сочетании c уровнем логической единицы, приходящей на второй вход этого элемента, установит на его выходе уровень логического нуля. Этот логический уровень, воздействуя на вход "ОЕ" ("Output Enable"-"Разрешение Выходов") ИМС ЭСППЗУ DD13 приводит к переключению ее выходов в активное состояние (см. диаграмму на рис. 2: спад "OE"), а также, "проходя" через нижний, по схеме, мультиплексор DD15 (поскольку на его входе "S0" теперь установлен уровень "1"), приводит к выбору ИМС ЭСППЗУ DD13, по входу "CS". На выходах "D0"-"D7" ЭСППЗУ появляются данные, записанные по текущему адресу, установленному в данный момент на адресных входах "A0"-"A10".
Одновременно, по спаду второго импульса на входе "CP" счётчика DD6, начинается формирование отрицательного импульса параллельной записи в буферный регистр DD16 (см. диаграмму на рис. 2: первый спад "CLK2"). Этот импульс формируется на выходе элемента DD11.3 в начале каждого из 4-х тактов цикла чтения, т.е. перед началом формирования каждого из 8-ми импульсов синхронизации ("CLK1") контрольного и выходного регистров. Формирование импульса параллельной записи в буферный регистр DD16 (см. диаграмму на рис. 2: первый фронт "CLK2") завершится по спаду третьего импульса на входе "CP" счётчика DD6. По спаду четвёртого импульса на входе "CP" счётчи-ка DD6, элемент DD12.3 переключится в состояние логической единицы, что в свою очередь переведёт выходы ИМС ЭСППЗУ DD13 в третье (высокоомное) состояние (см. диаграмму на рис. 2: фронт "OE").Спад пятого импульса на входе "CP" счётчика DD6 приведёт к переключению выходов буферного регистра DD16 в активное состояние (см. диаграмму на рис. 2: спад "SL"). Разнесение по времени моментов включения и выключения выходных каскадов буферного регистра DD16 и ЭСППЗУ DD13 необходимо для корректной согласованной работы выходных каскадов этих микросхем. Как видно из временной диаграммы режима чтения (см. рис. 2), сначала происходит выключение выходов "D0"-"D7" ЭСППЗУ DD13, затем, через 1 такт ВЧ-генератора, - включение выходов "1"-"8" буферного регистра DD16. Еще через 2 такта происходит выключение выходов DD16, и, еще через 1 такт, - теперь уже, включение выходов DD13.
По спаду 6-го импульса на входе "CP" счётчика DD6 начинается одновременное формирование импульсов чтения ("CLK2") буферного регистра DD16 и записи ("CLK1") в контрольные регистры DD18-DD21. Формирование импульса записи (см. диаграмму на рис. 2: фронт "CLK1") в регистры DD18-DD21 закончится на 1 такт ранее окончания формирования импульса чтения (см. диаграмму на рис. 2: второй фронт "CLK2") буферного регистра DD16. В результате, содержимое буферного регистра DD16 будет переписано в регистр DD18, а содержимое последнего будет последовательно переписано в регистр DD19 и так далее. После завершения цикла чтения текущей комбинации, на выходе "2" (вывод 4) счётчика DD8.1 формируется отрицательный перепад, который, после ограничения длительности дифференцирующей RC-цепочкой C5R14 и инвертирования элементом DD1.3, приводит к обнулению счётчиков DD6, DD7 и установке в нулевое состояние 4-го RS-триггера ИМС DD2. Низкий логический уровень с его выхода приводит к блокировке работы ВЧ-генератора, собранного на элементах DD3.3, DD3.4. На выходе элемента DD3.4 устанавливается постоянный уровень логического нуля. Одновременно, уровень "нуля", с выхода "4Q" (вывод 13) четвертого RS-триггера DD2, переводит в активное состояние выходы контрольных DD18-DD21, и выходных DD23, DD25, DD27, DD29 регистров и разрешает индикацию текущей светодинамической комбинации. При этом на выходах регистров зафиксируется кодовая комбинация и, до момента очередного положительного перепада импульса на выходе НЧ-генератора, будет отображаться на линейке светодиодов.
КОНСТРУКЦИЯ И ДЕТАЛИ. Основной контроллер собран на печатной плате размерами 100x150 мм (рис. 3), а выходные регистры - 25x80 мм (рис. 4) из фольгированного стеклотекстолита толщиной 1,5 мм с двухсторонней металлизацией. Рисунки печатных плат разрабатывались для нанесения "от руки", что должно упростить их изготовление в условиях радиолюбительской лаборатории. Соединения, показанные штриховой линией, выполняются тонким многожильным проводом в изоляции.
В устройстве использованы постоянные резисторы типа МЛТ-0,125, переменные - СП3-38б, конденсаторы К10-17 (C1-C6, С8), К50-35 (С7, C9-C16); светодиоды - сверхъяркие, четырех цветов, на основной плате контроллера - диаметром 3 мм, а в выносной гирлянде - 10 мм типа КИПМ-15, размещённые в чередующейся последовательности. Возможны, конечно, и другие варианты сочетания светоизлучающих элементов. Для управления более мощной нагрузкой, например, лампами накаливания или гирляндами параллельно включенных светодиодов выходные регистры необходимо дополнить транзисторными или симисторными ключами. Защитный диод VD1 и развязывающие (VD2, VD3) могут быть любыми кремниевыми средней мощности. Кнопки SB1-SB3, типа КМ1-1, и переключатель, типа МТ-1, распаиваются непосредственно на плате контроллера. Для них предусмотрены отверстия соответствующей конфигурации.
Микросхемы выходного регистра (DD22-DD29, см. рис. 5), управляющие выносной гирляндой световых элементов, как отмечалось выше, подключаются к основной плате контроллера витыми парами проводов. Их включение (с учетом дополнительных инвертирующих триггеров Шмитта) аналогично ИМС DD18-DD21 контрольного регистра (см. рис. 1), но данные с выхода переноса "PR" последней ИМС DD29 выходного регистра не используются, поскольку выходной регистр работает только в режиме приема (загрузки, но не считывания) информации. Питание выносной гирлянды световых элементов, как и основного контроллера, осуществляется от отдельного стабилизированного источника напряжением 12 В. Ток, потребляемый устройством, не превышает 600 мА (это пиковое значение при одновременном свечении всех светодиодов), а при использовании ИМС КР1533ИР24 - не превышает 750 мА. Поэтому источник питания должен обладать соответствующей нагрузочной способностью. Рекомендуется использовать источник питания с минимальным током нагрузки не менее 1А, особенно для питания выходных (удаленных) регистров. Это позволит уменьшить амплитуду сигнала помехи, наводимой по цепи питания на сигнальные цепи микросхем регистров.
Как упоминалось ранее, данные в выходной регистр (DD23, DD25, DD27, DD29) передаются по сигнальным линиям последовательного интерфейса: "Данные" и "Синхронизация". Следует обратить внимание, что в качестве буферных трансляторов на основной плате контроллера используются именно элементы микросхемы КР1554 ТЛ2 (74AC14), а не КР1564 ТЛ2 (74HC14), поскольку только первая из них способна обеспечить большой выходной ток (до 24 мА) и непосредственно управлять емкостной нагрузкой. При небольшой длине линии (до 10 м) частота синхронизирующих импульсов задается максимальной (100 кГц) и движок подстроечного резистора R13 устанавливается в положение, соответствующее минимальному сопротивлению. При значительном увеличении длины линии (более 10 м) возрастает амплитуда сигнала помехи, индуцируемой в сигнальных линиях смежными проводниками. Если амплитуда помехи превысит пороговое значение напряжение переключения входных триггеров Шмитта (с учетом гистерезиса), может произойти сбой передачи данных. Для исключения такой ситуации, при работе контроллера на линии относительно большой длины (от 10 до 100 м), возможно, потребуется несколько уменьшить частоту ВЧ-генератора резистором R13. Скорость загрузки светодинамических комбинаций при этом снизится, но визуального отличия в работе устройства не будет, поскольку эффект мерцания светодиодов полностью маскируется сигналом "Разрешение индикации". Даже при минимально возможной частоте ВЧ-генератора (20 кГц), максимальное время обновления светодинамической комбинации составит 400 мкс x 32 импульса=12800 мкс (12,8 мс), что соответствует частоте регенерации около 78 Гц. Такая частота близка к эргономичному значению 85 Гц.
Регистры DD16, DD18-DD21 типа КР1564ИР24 (прямой аналог 74HС299), используемые на основной плате контроллера, можно заменить КР1554ИР24 (74AC299), а, в крайнем случае, и КР1533ИР24. Поскольку микросхемы КР1533ИР24 (SN74ALS299) ТТЛШ-структуры и потребляют достаточно большой ток даже в статическом режиме (около 35 мА), в удаленных (выходных) регистрах рекомендуется использовать микросхемы КМОП-структуры типа КР1564ИР24 (74HC299). На основной же плате контроллера возможно использование регистров любой из серий КР1554, КР1564 или КР1533. При отсутствии ЭСППЗУ AT28C16-15PI можно использовать ОЗУ статического типа КР537РУ10 (РУ25). При этом если есть необходимость в длительном хранении управляющей программы, нужно использовать источник резервного питания напряжением 3В, состоящий из двух элементов типа LR03 (AAA), который включается через развязывающий германиевый диод типа Д9Б, как показано в [1].
Интегральный стабилизатор DA1 (КР142ЕН5Б), при указанных на схеме номиналах токоограничительных резисторов R17-R59, в радиаторе не нуждается, но если суперярких светодиодов в распоряжении не окажется, можно использовать и обычные, стандартной яркости. При этом номиналы резисторов R17-R59 нужно уменьшить в три-четыре раза, а стабилизатор установить на радиатор площадью не менее 100 см2. Напряжение питания, как основной платы контроллера, так и выходных регистров может быть выбрано в диапазоне 9-15В, но при его увеличении следует помнить, что мощность, рассеиваемая на ИМС стабилизаторов, возрастает пропорционально падающему на них напряжению. Частоту переключения светодинамических комбинаций можно изменять подстройкой резистора R9, а скорость загрузки, при работе на очень длинные линии, - R13.
МЕТОДИКА ПРОГРАММИРОВАНИЯ. Подготовка устройства к работе заключается в занесении светодинамических комбинаций в память ЭСППЗУ с помощью кнопок SB1-SB3. Возможен и альтернативный вариант: записать управляющую программу, сформированную, например, по методике, рассмотренной в [4], с помощью стандартного программатора, а затем установить ИМС ЭСППЗУ в панельку, предварительно распаян-ную на плате устройства.
В качестве примера рассмотрим программирование эффекта "бегущего огня". Будем считать, что до начала программирования питание было отключено.
Пример 1.Эффект "Бегущий огонь". Включить питание. Светодиоды HL3-HL11 светиться не должны (счетчики DD8.1, DD8.2, DD9.1 - в нулевом состоянии). Режим программирования индицирует красный светодиод HL2. Однократно нажать кнопку SB1. Контролировать включение светодиода HL12. Однократно нажать кнопку SB3. (При этом произойдет запись текущей комбинации с одновременным обновлением содержимого контрольных регистров DD18-DD21). Однократно нажать кнопку SB2. Контролировать погасание светодиода HL12 и включение HL13. Однократно нажать кнопку SB3. Однократно нажать кнопку SB2. Контролировать погасание светодиода HL13 и включение HL14. Однократно нажать кнопку SB3. Повторить до прохождения включенным светодиодом всех позиций.
В процессе программирования нажатие кнопки SB3 сопровождается изменением комбинаций двоичного кода на выходах счетчиков DD8.1, DD8.2, DD9.1, которые отображает линейка светодиодов HL3-HL11.
Еще один пример программирования эффекта "бегущей тени" рассмотрен в [1]. Как упоминалось ранее, в устройстве заложена потенциальная возможность наращивания числа световых элементов. Благодаря этому, устройство может использоваться, например, в качестве контроллера светоинформационного табло. Количество элементов гирлянды может достигать нескольких десятков (их удобно увеличивать кратно восьми) без существенного изменения протокола последовательного интерфейса. Необходимо лишь установить требуемое количество контрольных и выходных регистров и соответственно изменить число тактовых импульсов синхронизации. Естественно, нужно учитывать изменение диапазона адресов ЭСППЗУ, соответствующего одной светодинамической комбинации. Если нужно управлять гирляндой, число элементов которой превышает сот-ню, необходимо использовать дополнительные буферные регистры. При этом передача данных в буферные регистры будет производиться с более низкой тактовой частотой, а в выходные регистры, подключенные к их выходам, данные будут переписываться после завершения цикла передачи данных в буферные. Это позволит передавать большие пакеты данных по линиям последовательного интерфейса непосредственно в момент отображения текущей светодинамической комбинации. Естественно, при этом потребуется некоторое усложнение протокола.
По всем вопросам, связанным с реализацией последовательного интерфейса в светодинамических устройствах, можно получить консультацию, направив запрос на адрес электронной почты автора, указанный в начале статьи.
Литература:
- 1. Одинец А. Л. Программируемое светодинамическое устройство с последовательным интерфейсом. Версия 1.0. - "РАДИОЛЮБИТЕЛЬ", 2003 г., № 8, с. 6.
- Слинченков А., Якушенко В. Устройство световых эффектов. - "РАДИО", 2000, № 1, с. 32-35.
- 3. Зельдин Е. А. Цифровые интегральные микросхемы в информационно-измерительной аппаратуре. - Ленинград. "ЭНЕРГОАТОМИЗДАТ", 1986, с. 76-77.
- 4. Одинец А. Л. Светодинамическое устройство с последовательным интерфейсом, - "РАДИОМИР", 2003 г., № 12, с. 16.
Автор: Одинец Александр Леонидович, г. Минск, Беларусь
