Вообще, цветомузыка или светомузыка – это такой вид искусства, основанный на ассоциировании музыкальных колебаний с различными цветами.
Но обыватели часто подразумевают под цветомузыкой – цветомузыкальные приставки (установки – ЦМП/ЦМУ), которые по сути сопровождают колебания частот в музыкальной композиции визуальными эффектами.
Принцип работы
Наглядно схема практически любой ЦМУ представлена ниже.

То есть работа электрической цепи происходит следующим образом:
1.Электрический сигнал из выхода звукового канала (не сам звук из динамика, а именно сигнал, например, из разъема для наушников) поступает на каскад из фильтров разных частот;
2.Каждый из фильтров (их может быть больше, чем три) отсеивает только определенный диапазон частот;
3.Колебания на выходе каждого из фильтров управляют питанием светодиодов.
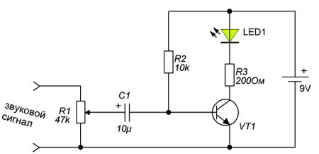
Простейшая схема
Если вы хотите наглядно удостовериться в том, что музыкальный сигнал способен управлять светом светодиода, или вам нужна самая простая схема из всех имеющихся, то попробуйте собрать следующую комбинацию элементов.

В качестве управляющего элемента может выступать, например, транзистор КТ3102 или КТ315. На вход (на базу транзистора) подключается звуковой сигнал.
В данной схеме не используется никакого разделения частот. Колебания звука на светодиоде отследить будет сложно. То есть моргать он будет в ритм, но в определенных композициях, возможно, будет гореть практически равномерно.
Второй вариант простой цветомузыки
Если схему немного усложнить и выполнить условие разделения частот, чтоб каждый светодиод (или ряд светодиодов) принимал только определенный диапазон колебаний, то частота моргания последних существенно снизится, станет более заметной глазу, а общий фон светового сопровождения музыкальной композиции будет намного приятнее для восприятия.
Итак, схема.

Для наглядности элементы размещены так, чтобы были понятны их основные функции:
1.Предусиление входного сигнала;
2.Фильтрация частот;
3.Управление колебаниями (усиление определенных частот).
Трансформатор в схеме выполняет роль гальванической развязки.
На выходе фильтров отсекаются следующие диапазоны частот:
1.На зеленом – колебания свыше 6 кГц;
2.На синем – от 300 Гц до 6 кГц;
3.На красном – до 300 Гц.
Цвета светодиодов можно изменять по своему усмотрению.
В качестве транзисторов можно использовать все те же КТ315 или КТ3102.
Обратный эффект
Специально для ситуаций с управляемой подсветкой можно использовать отключение света, вместо его включения.
То есть при отсутствии управляющего сигнала источник света будет получать питание и гореть, а при подаче импульса низких звуковых частот на вход фильтра – гаснуть.
Схема такой подсветки ниже.

Управление окружающим звуком
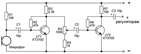
Во всех вышеперечисленных схемах можно реализовать практически "беспроводной" интерфейс просто заменив источник входного сигнала на обычный микрофон.
Однако, из-за того, что собственный сигнал микрофона слаб, его необходимо правильно усилить, например, как на схеме ниже.

Не стоит забывать, что микрофон требует активного питания.
Примечания
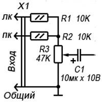
Выход звукового сигнала часто реализуется в двух различных каналах (стереозвук – левый и правый канал).
Можно собрать схемы управления светом светодиодов для каждого канала отдельно, а можно объединить их в один. Например, так.

Источник постоянного тока можно заменить выпрямителем (например, на основе "диодного моста"). Однако, стоить помнить, что светодиодные ленты очень требовательны не столько к напряжению, сколько к силе тока, и поэтому при большом количестве светоэлементов питание должно осуществляться с применением стабилизатора тока.
Автор: RadioRadar
