Аннотация. Как известно, срок службы лампы накаливания во многом зависит от режима ее работы. Ограничение начального тока в момент включения и плавное его увеличение позволяют избежать разрушения нити лампы накаливания. Применение тиристорного регулятора яркости с фазоимпульсным управлением в составе автомата лестничного освещения позволяет ограничить максимальное напряжение в вечерние часы, когда оно возрастает по причине уменьшения числа потребителей. Кроме того, такой автомат можно дополнить акустическим датчиком и функцией таймера, что позволит при появлении звукового сигнала включать лампу накаливания с максимальной яркостью на время от 15 секунд до 10 минут.
Общие сведения. Конструкции, рассматриваемые в данной статье, представляют собой, так называемые, "двухполюсники", что позволяет включать их последовательно с лампой накаливания без необходимости дополнительной проводки. Устройства можно разместить в любом удобном месте, обеспечив хорошую вентиляцию коммутирующим элементам в целях пожарной безопасности.
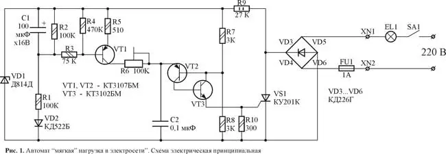
В качестве базового схемотехнического решения автомата лестничного освещения используется тиристорный регулятор яркости [1] с некоторыми изменениями (рис. 1). В частности, два транзистора КТ361, образующие составной, заменены одним из серии КТ3107 с большим коэффициентом усиления, а для уменьшения времени разрядки конденсатора С1 после выключения питания введен резистор R2.

Регулятор обеспечивает плавное нарастание тока в момент включения, в течение 1 сек, что исключает превышение его максимально допустимого значения, благодаря плавному разогреву нити накаливания. Максимальное напряжение в нагрузке задается резистором R6. Это значение можно выбрать в пределах 80…90%, что исключает превышение максимально допустимого напряжения в вечерние часы, когда число потребителей сокращается, и напряжение в сети возрастает.
Автомат "мягкая" нагрузка в электросети" (рис. 1) использует фазоимпульсное управление моментом включения тиристора, что определяет мощность, отдаваемую в нагрузку. Сущность фазоимпульсного метода заключается в изменении момента времени открывания тиристора, считая с момента перехода сетевого напряжения через ноль. Чем раньше открывается тиристор, тем больше мощность, отдаваемая в нагрузку.
В начальный момент времени, когда сетевое напряжение близко к нулю, конденсатор C2 разряжен, транзисторы VT2, VT3 и тиристор VS1 закрыты. После завершения зарядки конденсатора C1 транзистор VT1 полностью открыт, и момент открывания тиристора определяется только постоянной времени цепи R5-R6-C2. По мере заряда конденсатора С2, падение напряжения на эмиттерном переходе транзистора VT2 возрастает. При достижении значения около 0,6 В, начинает приоткрываться транзистор VT3, поскольку в его базовой цепи начинает протекать ток. Это приводит к еще большему увеличению тока базы транзистора VT2 и лавинообразному включению двух последних и тиристора. Момент появления тока управляющего электрода тиристора VS1 определяет мощность, отдаваемую в нагрузку.

Конструкция и детали. Автомат собран на печатной плате (рис. 2) из двухстороннего фольгированного стеклотекстолита толщиной 1,5 мм в виде правильного восьмиугольника, вписанного в квадрат со стороной 65 мм. Можно, конечно, использовать круглую заготовку диаметром 70 мм. Печатная плата предназначена для установки в стандартную сетевую разветвительную коробку с внутренним диаметром 70 мм. Транзисторы VT1, VT2 могут быть любыми из серии КТ3107, VT3 - КТ3102. Стабилитрон VD1 заменим на Д814Г, КС512, КС515. Диод VD2 - любой кремниевый. Тиристор VS1 может быть из серий КУ201, КУ202 с индексами К, Л, М, Н. Диоды КД226 с индексами Г, Д, Е. Предохранитель FU1 устанавливается на держатель.

Принцип работы. Схема электрическая усовершенствованного варианта автомата лестничного освещения, дополненного микрофоном и функцией таймера, приведена на рис. 3. В его составе используется тот же тиристорный регулятор яркости с фазоимпульсным управлением, но для нормальной работы автомата и обеспечения питающих напряжений в состав регулятора введена цепочка последовательно включенных резисторов R30-R31, задающая начальную яркость свечения лампы накаливания на уровне 10…15%. Это необходимо для получения стабильных напряжений "+5" и "+10В" источника питания в режиме ожидания. В момент замыкания цепи питания сопротивление нити лампы накаливания максимально, и поскольку в состав параметрического стабилизатора введены балластные конденсаторы C16, C17 относительно небольшой емкости, зарядка конденсатора C15 происходит не сразу, а в течение десятых долей секунды. По этой причине постоянная времени интегрирующей цепи R13-C10 должна быть несколько больше времени установления питающего напряжения "+5" для обеспечения надежного обнуления счетчика DD2 в момент включения питания. После установления питающего напряжения "+5", на входе инвертирующего элемента DD1.2 с триггером Шмитта еще некоторое время (определяется номиналами R13, C10) поддерживается уровень логического нуля, который после инвертирования этим элементом обнуляет счетчик DD2. После завершения зарядки конденсатора С10 на работу устройства он влияния не оказывает, поскольку диод VD5 закрыт.
После установки счетчика DD2 в нулевое состояние на его выходе "Q12" (вывод 1) старшего разряда появляется уровень нуля, который, инвертируясь элементом DD1.3, открывает ключевой транзистор VT1. Нижний вывод резистора R24 оказывается подключенным к общему проводу и происходит зарядка конденсатора C18. Яркость лампы накаливания возрастает до максимального значения, которое задается сопротивлением резистора R29. Для указанного на схеме номинала R29 максимальное значение яркости составляет около 80%. Таким образом, при первом включении устройства лампа накаливания горит с максимальной яркостью 80% в течение заданного интервала времени. Большую выходную мощность регулятора (до 99%) можно обеспечить, только включив его по схеме "трехполюсника". Для автомата лестничного освещения это не принципиально, поскольку большой яркости освещения обычно не требуется, но, в случае необходимости, компенсировать потерю яркости можно за счет установки лампы накаливания большей мощности.
Одновременно уровень "единицы" с выхода “Q12” (вывод 1) счетчика DD2 поступает на катод диода VD6, смещает его в обратном направлении и разрешает работу генератора, собранного на элементах DD1.5, DD1.6, R19…R21, С11. Импульсы положительной полярности являются счетными для DD2, который при достижении 2048 состояния формирует на выходе старшего разряда "Q12" (вывод 1) уровень "единицы". Этот уровень, инвертируясь элементом DD1.3, приводит к остановке генератора. Этот же уровень закрывает транзистор VT1 и переводит автомат в режим ожидания. В таком состоянии минимальная яркость свечения лампы накаливания определяется положением движка подстроечного резистора R31 и может быть выбрана в диапазоне 10…50%.
Микрофонный усилитель выполнен на ОУ DA1.1 и DA1.2. Его суммарный коэффициент усиления может достигать 5000, поэтому для срабатывания автомата с выхода микрофона достаточно переменного напряжения амплитудой 1 мВ. Чувствительность усилителя можно настроить резистором R5 таким образом, чтобы автомат не срабатывал от звука шагов на лестничной площадке, а только на любую голосовую команду. В таком случае, можно установить яркость в режиме ожидания, к примеру, 50%, и в случае необходимости получения дополнительного освещения "хозяином" лестничной площадки, подать любую голосовую команду.
Для повышения устойчивости на высоких частотах и устранения самовозбуждения в микрофонный усилитель введены конденсаторы C4, C6. Усиленное переменное напряжение с выхода DA1.2 через разделительный конденсатор С7 поступает на выпрямитель, собранный на диодах VD1, VD2. Выпрямленное напряжение сглаживается конденсатором C8 и поступает на одновибратор-формирователь импульса сброса, выполненный на элементах DD1.1, DD1.2, C9, VD3, VD4, R11, R12. При достижении напряжения на конденсаторе C8 порога переключения элемента DD1.1 (примерно 2,6 В), на выходе элемента DD1.2 формируется короткий положительный импульс, длительностью около 8 мкс, который, каждый раз при появлении звукового сигнала, приводит к обнулению счетчика DD2 и перезапуску таймера. Визуальную оценку прошедшего времени выдержки (при настройке таймера) производят по линейке светодиодов HL1…HL4 (HL1, HL2 - зеленые, HL3 - желтый и HL4 - красный). Если требуется визуально оценивать прошедшее время выдержки на расстоянии, необходимо уменьшить сопротивление резисторов R15…R18 до 4,7 кОм, а емкость балластных конденсаторов C16, C17 увеличить до 0,47 мкФ. Время задержки таймера можно увеличить до 3,5 часов заменой конденсатора C11 на больший, номиналом до 2,2 мкФ, а минимальную задержку изменить подбором резистора R19.
Следует отметить еще одну интересную особенность микрофонного усилителя (DA1.1, DA1.2). Если увеличить номиналы конденсаторов: C4=0,01 мкФ; С5=2,2 мкФ; С6=6800 пФ; С7=47 мкФ и установить автомат внутри помещения замкнутого объема, то усилитель не будет срабатывать на звуковые сигналы, а только на изменение давления воздуха даже при бесшумном открывании и закрывании дверей.

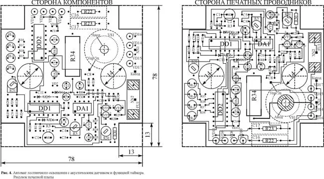
Конструкция и детали. Автомат собран на печатной плате (рис. 4) из двухстороннего фольгированного стеклотекстолита толщиной 1,5 мм из квадратной заготовки размерами 78x78 мм. Для установки в стандартную сетевую разветвительную коробку типа КЭМ5-10-7 в квадратной заготовке вырезаются уголки размерами 13x13 мм. В автомате применены постоянные резисторы МЛТ-0,125, МЛТ-2 (R34), подстроечные СП3-38б в горизонтальном исполнении, балластные конденсаторы С16, С17 типа К73-17 с номинальным напряжением 400В, остальные неполярные - К10-17, оксидные - К50-35 или импортные. Микрофон может быть типа CZN-15E, МКЭ-332, МКЭ-333, МКЭ-389-1. На месте VD12, VD13, как и в предыдущем варианте, могут работать Д814Г(Д), КС512, КС515. Транзисторы VT1, VT4 могут быть из серии КТ3102; VT2, VT3 - КТ3107. ОУ DA1 заменим TL072, TL082; ИС DD1 КР1564ТЛ2 (74HC14), содержащая шесть триггеров Шмитта, заменима CD40106, счетчик КР1561ИЕ20 (CD4040) заменим КР1564ИЕ20 (74HC4040).
Настройка второго варианта устройства заключается в установке минимальной яркости в режиме ожидания с помощью резистора R31, чувствительности микрофонного усилителя - R5 и необходимой выдержки времени - R21. Задержку срабатывания с момента появления звукового сигнала или голосовой команды можно увеличить подбором конденсатора C8. Если при увеличении номиналов конденсаторов C16, C17 до 0,47мкФ будет нечётко обнуляться счетчик DD2 в момент включения питания, нужно увеличить емкость конденсатора C10 до 4,7-10 мкФ. При мощности лампы накаливания более 75 Вт тиристор необходимо установить на теплоотвод.
Литература.
1. "Регулируем яркость светильника". - "Радио", 1992г, №1, с.22.
Автор: Одинец Александр Леонидович, г.Минск, Беларусь
http://dynamic-lights.narod.ru
http://art-of-light.narod.ru
E-mail: A_Odinets@tut.by
