Основное назначение транзисторных выключателей, схемы которых предлагаются вниманию читателей, - включение и выключение нагрузки постоянного тока. Кроме этого, он может выполнять ещё дополнительные функции, например, индицировать своё состояние, автоматически отключать нагрузку при разрядке аккумуляторной батареи до предельно допустимого значения или по сигналу датчиков температуры, освещённости и др. На базе нескольких выключателей можно сделать переключатель. Коммутация тока осуществляется транзистором, а управление осуществляется одной простой кнопкой с контактом на замыкание. Каждое нажатие на кнопку изменяет состояние выключателя на противоположное.
Описание аналогичного выключателя было приведено в [1], но там для управления применены две кнопки. К достоинствам предлагаемых выключателей можно отнести бесконтактное подключение нагрузки, практически отсутствие потребляемого тока в выключенном состоянии, доступные элементы и возможность применения малогабаритной кнопки, занимающей мало места на панели прибора. Недостатки - собственный потребляемый ток (несколько миллиампер) во включённом состоянии, падение напряжения на транзисторе (доли вольта), необходимость принятия мер для защиты от импульсных помех надёжного контакта во входной цепи (может самопроизвольно выключаться при кратковременном нарушении контакта).
Схема выключателя показана на рис. 1. Принцип его работы основан на том, что у открытого кремниевого транзистора напряжение на переходе база-эмиттер транзистора - 0,5...0,7 В, а напряжение насыщения коллектор-эмиттер может быть 0,2...0,3 В. По сути, это устройство представляет собой триггер на транзисторах с разной структурой, управляемый одной кнопкой. После подачи питающего напряжения оба транзистора закрыты, а конденсатор C1 разряжен. При нажатии на кнопку SB1 ток зарядки конденсатора С1 открывает транзистор VT1, и следом за ним откроется транзистор VT2. При отпускании кнопки транзисторы остаются во включённом состоянии, питающее напряжение (за вычетом падения напряжения на транзисторе VT1) поступает на нагрузку и продолжится зарядка конденсатора С1. Он зарядится до напряжения, немногим большем, чем напряжение на базе этого транзистора, поскольку напряжение насыщения коллектор-эмиттер меньше напряжения база-эмиттер.

Рис. 1. Схема выключателя
Поэтому при следующем нажатии на кнопку напряжение база-эмиттер на транзисторе VT1 будет недостаточным для поддержания его в открытом состоянии и он закроется. Следом закроется транзистор VT2, и нагрузка обесточится. Конденсатор С1 разрядится через нагрузку и резисторы R3-R5, и выключатель вернётся в исходное состояние. Максимальный коллекторный ток транзистора VT1 Iк зависит от коэффициента передачи тока h21Э и базового тока Iб: Iк = Iб · h21Э. Для указанных на схеме номиналов и типов элементов этот ток - 100...150 мА. Чтобы выключатель работал нормально, ток, потребляемый нагрузкой, должен быть меньше этого значения.
У этого выключателя есть две особенности. Если на выходе выключателя будет короткое замыкание, после кратковременного нажатия на кнопку SB1 транзисторы на короткое время откроются и затем, после зарядки конденсатора С1, закроются. При уменьшении выходного напряжения примерно до 1 В (зависит от сопротивлений резисторов R3 и R4) транзисторы также закроются, т. е. нагрузка будет обесточена.
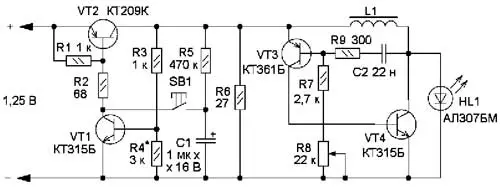
Второе свойство выключателя можно использовать для построения разрядного устройства для отдельных Ni-Cd или Ni-Mh аккумуляторов до 1 В перед составлением их в батарею и дальнейшей общей зарядке. Схема устройства показана на рис. 2. Выключатель на транзисторах VT1, VT2 подключает к аккумулятору разрядный резистор R6, параллельно которому подключён преобразователь напряжения [2], собранный на транзисторах VT3, VT4, питающий светодиод HL1. Светодиод индицирует состояние процесса разрядки и является дополнительной нагрузкой аккумулятора. Резистором R8 можно изменять яркость свечения светодиода, вследствие этого изменяется потребляемый им ток. Так можно производить корректировку разрядного тока. По мере разрядки аккумулятора снижается напряжение на входе выключателя, а также на базе транзистора VT2. Резисторы делителя в цепи базы этого транзистора подобраны так, что при напряжении на входе 1 В напряжение на базе уменьшится настолько, что транзистор VT2 закроется, а вслед за ним и транзистор VT1 - разрядка прекратится. При указанных на схеме номиналах элементов интервал регулировки тока разрядки - 40...90 мА. Если резистор R6 исключить, разрядный ток можно менять в интервале от 10 до 50 мА. При использовании сверхъяркого светодиода это устройство можно применить для построения карманного фонаря с защитой аккумулятора от глубокой разрядки.

Рис. 2. Схема разрядного устройства
На рис. 3 показано ещё одно применение выключателя - таймер. Он был использован мною в портативном приборе - испытателе оксидных конденсаторов. В схему дополнительно введён светодиод HL1, который индицирует состояние устройства. После включения загорается светодиод и конденсатор C2 начинает заряжаться обратным током диода VD1. При определённом напряжении на нём откроется транзистор VT3, который закоротит эмиттерный переход транзистора VT2, что приведёт к выключению устройства (светодиод погаснет). Конденсатор C2 быстро разрядится через диод VD1, резисторы R3, R4 и выключатель вернётся в исходное состояние. Время выдержки зависит от ёмкости конденсатора С2 и обратного тока диода. При указанных на схеме элементах оно составляет около 2 мин. Если взамен конденсатора С2 установить фоторезистор, терморезистор (или другие датчики), а взамен диода - резистор, получим устройство, которое будет выключаться при изменении освещённости, температуры и т. п.

Рис. 3. Схема таймера
Если в нагрузке есть конденсаторы большой ёмкости, выключатель может не включиться (это зависит от их ёмкости). Схема устройства, лишённого этого недостатка, показана на рис. 4. Добавлен ещё один транзистор VT1, который выполняет функцию ключа, а два других транзистора управляют этим ключом, чем исключается влияние нагрузки на работу выключателя. Но при этом потеряется свойство не включаться при наличии в цепи нагрузки короткого замыкания. Светодиод выполняет аналогичную функцию. При указанных на схеме номиналах деталей ток базы транзистора VT1 - около 3 мА.

Рис. 4. Схема устройства
Были опробованы несколько транзисторов КТ209К и КТ209В в качестве ключа. Они имели коэффициенты передачи тока базы от 140 до 170.
При токе нагрузки 120 мА падение напряжения на транзисторах было 120...200 мВ. При токе 160 мА - 0,5...2,2 В. Использование в качестве ключа составного транзистора КТ973Б позволило значительно увеличить допустимый ток нагрузки, но падение напряжения на нём было 750...850 мВ, и при токе 300 мА транзистор слабо грелся. В выключенном состоянии потребляемый ток настолько мал, что измерить его с помощью мультиметра DT830B не удалось. При этом транзисторы предварительно не отбирались ни по каким параметрам.
На рис. 5 представлена схема трёхканального зависимого переключателя. В ней объединены три выключателя, но при необходимости их число может быть увеличено. Кратковременное нажатие на любую из кнопок вызовет включение соответствующего выключателя и подключение соответствующей нагрузки к источнику питания. Если нажать на какую-либо другую кнопку, включится соответствующий выключатель, а предыдущий выключится. Нажатие на следующую кнопку включит следующий выключатель, а предыдущий опять отключится. При повторном же нажатии на ту же кнопку последний работающий выключатель выключится, и устройство возвратится в исходное состояние - все нагрузки будут обесточены. Режим переключения обеспечивает резистор R5. При включении какого-либо выключателя напряжение на этом резисторе возрастает, что приводит к закрыванию включённого ранее выключателя. Сопротивление этого резистора зависит от тока, потребляемого самими выключателями, в данном случае его значение - около 3 мА. Элементы VD1, R3 и С2 обеспечивают прохождение разрядного тока конденсаторов С3, С5 и С7. Через резистор R3 конденсатор С2 разряжает в паузах между нажатиями на кнопку. Если эту цепь исключить, останутся только режимы включения и переключения. Заменив резистор R5 проволочной перемычкой, получим три независимо работающих устройства.

Рис. 5. Схема трёхканального зависимого переключателя
Переключатель предполагалось применить в коммутаторе телевизионных антенн с усилителями, но с появлением кабельного телевидения необходимость в нём отпала, и проект не был реализован на практике.
В выключателях могут быть применены транзисторы самых разных типов, но они должны соответствовать определённым требованиям. Во-первых, все они должны быть кремниевыми. Во-вторых, транзисторы, коммутирующие ток нагрузки, должны иметь напряжение насыщения Uк-э нас не более 0,2...0,3 В, максимальный допустимый ток коллектора Iкмакс должен быть в несколько раз больше коммутируемого тока, а коэффициент передачи тока h21э достаточный, чтобы при заданном токе базы транзистор находился в режиме насыщения. Из имеющихся у меня в наличии транзисторов хорошо зарекомендовали себя транзисторы серий КТ209 и КТ502, несколько хуже - серий КТ3107 и КТ361.
Сопротивления резисторов можно изменять в значительных пределах. Если требуется большая экономичность и не нужна индикация состояния выключателя, светодиод не устанавливают, а резистор в цепи коллектора VT3 (см. рис. 4) можно увеличить до 100 кОм и более, но надо учесть, что при этом уменьшится базовый ток транзистора VT2 и максимальный ток в нагрузке. Транзистор VT3 (см. рис. 3) должен иметь коэффициент передачи тока h21э более 100. Сопротивление резистора R5 в зарядной цепи конденсатора С1 (см. рис. 1) и аналогичных ему в других схемах может быть в интервале 100...470 кОм. Конденсатор C1 (см. рис. 1) и аналогичные ему в других схемах должны быть с малым током утечки, желательно применить оксиднополупроводниковые серии К53, но можно применять и оксидные, при этом сопротивление резистора R5 должно быть не более 100 кОм. При увеличении ёмкости этого конденсатора уменьшится быстродействие (время, по истечении которого устройство можно выключить после включения), а если уменьшить - снизится чёткость в работе. Конденсатор C2 (см. рис. 3) - только оксидно-полупроводниковый. Кнопки - любые малогабаритные с самовозвратом. Катушка L1 преобразователя (см. рис. 2) применена от регулятора линейности строк чёрно-белого телевизора, хорошо работает преобразователь и с дросселем на Ш-образном магнитопроводе от КЛЛ. Можно также воспользоваться рекомендациями, приведёнными в [2]. Диод VD1 (см. рис. 5) может быть любым маломощным, как кремниевым, так и германиевым. Диод VD1 (см. рис. 3) должен быть обязательно германиевым.
Налаживания требуют устройства, схемы которых показаны на рис. 2 и рис. 5, остальные в налаживании не нуждаются, если нет особых требований и все детали исправны. Для налаживания разрядного устройства (см. рис. 2) потребуется источник питания с регулируемым напряжением на выходе. Прежде всего, взамен резистора R4 временно устанавливают переменный резистор сопротивлением 4,7 кОм (в максимум сопротивления). Подключают источник питания, предварительно установив на его выходе напряжение 1,25 В. Включают разрядное устройство нажатием на кнопку и устанавливают с помощью резистора R8 требуемый ток разрядки. После этого устанавливают на выходе источника питания напряжение 1 В, и с помощью добавочного переменного резистора добиваются выключения устройства. После этого надо несколько раз проверить напряжение выключения. Для этого необходимо увеличить напряжение на выходе источника питания до 1,25 В, включить устройство, затем необходимо плавно уменьшать напряжение до 1 В, наблюдая момент выключения. Затем измеряют введённую часть дополнительного переменного резистора и заменяют его постоянным с таким же сопротивлением.
Во всех других устройствах также можно реализовать аналогичную функцию выключения при снижении входного напряжения. Налаживание производится аналогично. При этом то обстоятельство, что вблизи точки выключения транзисторы начинают закрываться плавно и ток в нагрузке тоже будет плавно уменьшаться. Если в качестве нагрузки будет радиоприёмник, то это проявится как уменьшение громкости. Возможно, рекомендации, описанные в [1], помогут решить эту проблему.
Налаживание переключателя (см. рис. 5) сводится к временной замене постоянных резисторов R3 и R5 на переменные с сопротивлением в 2...3 раза больше. Последовательно нажимая на кнопки, с помощью резистора R5 добиваются надёжной работы. После этого повторными нажатиями на одну и ту же кнопку с помощью резистора R3 добиваются надёжного выключения. Затем переменные резисторы заменяют постоянными, как сказано выше. Для повышения помехоустойчивости параллельно резисторам R7, R13 и R19 надо установить керамические конденсаторы ёмкостью несколько нанофарад.
Литература
1. Поляков В. Электронный выключатель защищает аккумуляторную батарею. - Радио, 2002, № 8, с. 60.
2. Нечаев И. Электронная спичка. - Радио, 1992, № 1, с. 19-21.
Автор: В. Булатов, пгт Новый Свет, Донецкая обл., Украина
