Основой предлагаемого мультиметра является микросхема 16-битного двухканального дельта-сигма аналого-цифрового преобразователя (АЦП) AD7705 [1]. Широко распространённые мультиметры на основе дельта-сигма АЦП ICL7106 [2] обеспечивают отображение результата преобразования числом, не превышающим 1999, что соответствует, без учета знака, 11-битному АЦП, за вычетом 48 единиц счёта. Дельта-сигма 16-битные АЦП AD7705 таких не имеют вычетов. В предлагаемом устройстве при использовании источника образцового напряжения (ИОН) напряжением 2,5 В максимальный результат преобразования отображается как десятичное число 250000000. К тому же, в отличие от микросхемы ICL7106, микросхема AD7705 имеет возможность внешней калибровки. Эти АЦП имеют возможность применения интегрального ИОН, но в дешёвых мультиметрах на основе АЦП ICL7106 ИОН не используются.
В предлагаемом мультиметре используется трёхпроводная схема измерения сопротивления [3, с. 76], которая позволяет расширить верхний предел измерения сопротивления от 2 МОм до 25 МОм.
В мультиметре осуществляется контроль напряжения питания. Элементы питания расположены в отдельном батарейном отсеке и заменяются или извлекаются для зарядки без вскрытия корпуса, как и плавкий предохранитель цепи шунта.
Измеряемое постоянное напряжение до 1000 В перекрывается поддиапазонами с верхними пределами 0,2, 2, 200 и 1000 В. Постоянный ток имеет один диапазон измерения 10 А, при этом единица самого младшего разряда соответствует току 0,1 мкА. Интервал измеряемого электрического сопротивления до 25 МОм перекрывается поддиапазонами с верхними пределами 250 Ом, 2,5 кОм, 25 кОм, 250 кОм, 2,5 МОм и 25 МОм. Основная погрешность прибора, выраженная в процентах от верхнего предела установленного поддиапазона, не превышает: ±0,5 % во всём интервале измерения постоянного напряжения; ±3 % во всём интервале измерения постоянного тока; ±1 % во всём интервале измерения сопротивления. Напряжение питания мультиметра - 3,6 В. Потребляемый ток в режиме измерения сопротивления и с включённой подсветкой дисплея - не более 8 мА. Масса с элементами питания - 170 г.

Рис. 1. Схема мультиметра
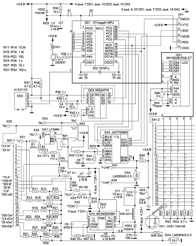
Схема мультиметра показана на рис. 1. Основой измерительной части мультиметра является АЦП DA2. Управление режимами его работы и обработка результатов преобразования производятся микроконтроллером DD1 ATMEGA8-16PU, связанным с АЦП DA2 интерфейсом SPI по сигналу готовности DRDY поступающему на вывод 22 (PC2) микроконтроллера DD1. Микросхемы DA2 и DD1 используют один общий источник сигнала сброса при включении питания прибора. ИОН (2,5 В) для АЦП DA2 собран на микросхеме DA5. Источником тактовых импульсов с частотой следования 1 МГц является таймер 1 микроконтроллера DD1.
Переключение пределов измерения производится секцией переключателя SA1.1. Секция переключателя SA1.2 совместно с диодами VD1-VD51 обеспечивают декодирование положений переключателя, включая незадействованные. Переключение видов измерения производится переключателем SA2. Все внешние измерения производятся через канал 1 АЦП DA2. В показанном на схеме положении подключён преобразователь сопротивление-напряжение (ПСН) на основе ОУ DA3 с высоким входным сопротивлением. ИОН минусовой полярности (-2,5 В) для ОУ DA3 собран на микросхеме DA4.
Источником напряжения -5 В для питания ОУ DA3 служит ШИ-преобразова-тель на микросхеме DA3, включённый по схеме инвертора полярности. Источником напряжения питания +3,6 В ОУ DA3 является батарея GB1. Напряжение на выходе ОУ DA3 в таком включении не превышает напряжения +2,5 В, таким образом, выходные каскады ОУ не перегружаются.
В нижнем по схеме положении переключателя SA2 производится измерение тока и напряжения, при этом шИ-преобразователь DA3 обесточивается. Резисторы делителя напряжения R1-R9 и шунт R10 находятся в общей цепи подобно измерительной цепи тестера Ц4317М, что упрощает коммутацию. Напряжение в эту цепь поступает непосредственно с гнёзд XS1 и XS2. Ток на шунт R10 поступает с гнёзд XS3 и XS2.
Напряжение питания батареи контролируется через второй канал АЦП DA2. Результаты измерения и другая информация выводятся на ЖК-индикатор HG1. Прибор оборудован пьезоэлектрическим излучателем HA1 со встроенным генератором, включённым в цепь коллектора транзистора VT1. Управление режимами осуществляется поворотным энкодером А1 с встроенной кнопкой. Подавление дребезга контактов энкодера производится ФНЧ R39C4 и R40C5, а также сдвиговым регистром DD2, что упрощает программную обработку сигналов энкодера. Программирование микроконтроллера DD1 производится через разъём XP1, при этом цепь сброса переключается перемычками S1 и S2.
Большинство элементов смонтированы на макетной печатной плате размерами 60x80 мм, имеющей металлизированные отверстия, расположенные с шагом 2,54 мм. Диоды VD1-VD51 и резисторы R50-R54 смонтированы на макетной печатной плате размерами 20x80 мм, также имеющей металлизированные отверстия, расположенные с шагом 2,54 мм.
Гнёзда XS1-XS6 - гнездо приборное ГИ4. Гнёзда XS7, XS8 изготовлены самостоятельно из латуни и имеют диаметр внутреннего отверстия 2 мм. Переключатели S1.1 и S1.2 - галеты переключателя 1Н-4.880.001 от приборов Ц4317, Ц4317М или приборов более ранних моделей. Перемычки S1 и S2 - DIP-переключатели DS1040-01RN, но можно применить выключатели ВДМ1-2 или аналогичные импортные. Выключатели SA4 и SA4 - серии SWR-45. Переключатель SA2 - ПДМ2-1. Постоянные резисторы - МЛТ или импортные типоразмера MFR3 производства TT-electronics, за исключением резистора R10 - проволочного шунта и подстроечных резисторов R41 и R49 серии 3266 или 3296 фирмы Bourns. Допуск резисторов R11 -R34 должен быть не более ±0,5 %. В приборе использованы комплект резисторов делителя напряжения и шунт мультиметра DT830. Оксидные конденсаторы С1, С7, С9, С11 - импортные, остальные - К10-17, КМ.

Рис. 2. Конструкция мультиметра
Конструкцию мультиметра поясняет рис. 2. Корпус мультиметра пластиковый и состоит из двух половин 1 и 2. На верхней половине 1 расположены дисплей 5, переключатель диапазонов 7, переключатель видов измерения 11, энкодер 12 и три гнезда 13, предназначенных для измерения сопротивления. На нижней половине спереди размещены гнёзда "COM", "U" и "10 A". Спереди расположены два гнезда 3 "+Uref" и "-Uref", имеющие внутренний диаметр 2 мм, что позволяет использовать щупы импортных мультиметров для калибровки.
В нижней половине снизу расположены батарейный отсек 4, выключатели питания и подсветки дисплея 6, лючок переключателя 8 и крышка держателя предохранителя 9, крепящаяся двумя винтами 10. Внешний вид мультиметра показан на рис. 3.

Рис. 3. Внешний вид мультиметра
Налаживание начинают с установки контрастности ЖК-дисплея с помощью подстроечного резистора R49. Для налаживания прибора в режиме измерения сопротивления необходимо установить переключатель SA2 в верхнее по схеме положение. Гнёзда XS5 и гнездо XS8 необходимо соединить проводом мультиметра (с одной стороны - штекер диаметром 4 мм, с другой стороны - щуп диаметром 2 мм). С помощью подстроечного резистора R41 добиваются нулевого напряжения на выходе (выводе 6) ОУ DA1 относительно общего провода.
Для налаживания прибора в режиме измерения напряжения и тока необходимо установить переключатель SA2 в нижнее по схеме положение. В качестве источника образового напряжения необходимо использовать ИОН на микросхеме DA5 (гнёзда XS7, XS8).
Для налаживания прибора в режиме измерения тока необходимы внешний источник постоянного тока и образцовый амперметр или мультиметр в режиме измерения тока 10 А.
Для работы с прибором необходимо включить прибор выключателем SA3 и при необходимости - подсветку дисплея выключателем SA4. Переключателем SA1 выбирается предел измерения, а переключателем SA2 - вид изме-рения.Вращением энкодера А1 в любую сторону выбирают один из следующих режимов работы:
- "Test after Res";
- "Normal mode Ch0";
- "Self calibr Ch0";
- "Zero-Scale Ch0";
- "Full-Scale Ch0";
- "Zero-Scale Reg";
- "Full-Scale Reg ";
- "Supply Voltage,V".
Нажатием на кнопку энкодера A1 осуществляется вход в выбранный режим, при этом запуск преобразования или самотестирования АЦП также осуществляется нажатием на кнопку энкодера. Выход из выбранного режима осуществляется вращением энкодера А1 в любую сторону. Начинать измерение следует всегда с режима "Test after Res", при этом на дисплее появятся сообщения "Not ready", а по готовности АЦП появится надпись "OK, go on".
Далее рекомендуется произвести калибровку нуля и полной шкалы. Калибровка нуля в режиме измерения сопротивления производится замыканием всех гнёзд XS4, XS5, XS6 накоротко, а в режиме измерения напряжения/тока - замыканием гнёзд XS1, XS2 соответствующими измерительными проводами, с помощью которых будет производиться измерение.
Затем необходимо выбрать режим "Zero-Scale ОЬЮ"и запустить преобразование. Результат преобразования заносится в регистр "Zero-Scale Reg", при последующем включении - 1F4000 HEX.
Калибровка полной шкалы в режиме измерения сопротивления производится замыканием гнёзд XS5, XS6 накоротко, а в режиме измерения напряжения/ тока - замыканием гнёзд XS1, XS7 и XS2, XS8 попарно соответствующими измерительными проводами, с помощью которых будет производиться измерение.
Результат преобразования заносится в регистр "Full-Scale Reg", при включении - 5761ABE HEX. После этого необходимо выбрать режим "Normal mode Ch0" и произвести измерение.
Также можно пользоваться режимом "Self calibr Ch0", но при этом содержимое регистров калибровки обновится. Таким образом, перед началом использования режима "Normal mode Ch0" необходимо производить калибровку.
Режим контроля напряжения питания можно активизировать в любой момент, при любом положении переключателей SA1 и SA2.
Поскольку в приборе использованы комплект резисторов делителя напряжения и шунт мультиметра DT830, основная погрешность не превышает ± 0,5 % во всём диапазоне измерения постоянного напряжения и ±3 % во всём диапазоне измерения постоянного тока, чего и следовало ожидать.

Рис. 4. Результат измерения сопротивления
Основное внимание уделялось измерению сопротивления, особенно на пределе 25 МОм. На рис. 4 показан результат измерения сопротивления последовательно включённых резисторов МЛТ-2 сопротивлением 9,1 МОм ±5 % и импортного сопротивлением 10 МОм ±5 %. Суммарное сопротивление резисторов может быть от 19,145
до 20,055 МОм. На дисплее видны показания 19,4717600 МОм, что находится в указанных границах.
Программа для микроконтроллера находится здесь.
