журнале "Радио" опубликованы статьи [1, 2] с описаниями измерителей ёмкости конденсаторов. По мнению автора, наиболее удачный прибор описан в статье [1]. Им можно измерять ёмкость конденсаторов без выпаивания их из платы, что существенно ускоряет и упрощает ремонт и налаживание электронных устройств. На его основе разработано предлагаемое устройство. При разработке была поставлена задача собрать приставку к мультиметру или вольтметру на недорогих и широко доступных компонентах, простую в регулировке и налаживании, способную автономно работать на аккумуляторах пять дней в неделю по восемь часов в день. В отличие от прототипа [1] приставка содержит стабилизированный повышающий преобразователь напряжения, узел контроля разрядки аккумуляторов и автоматического выключения. В приставке применены микропотребляющие операционные усилители. Для налаживания и калибровки прототипа [1] необходимо подбирать соответствующие конденсаторы. Налаживание и калибровка приставки выполняются намного проще и удобнее подстроенными резисторами.

Рис. 1

Рис. 2
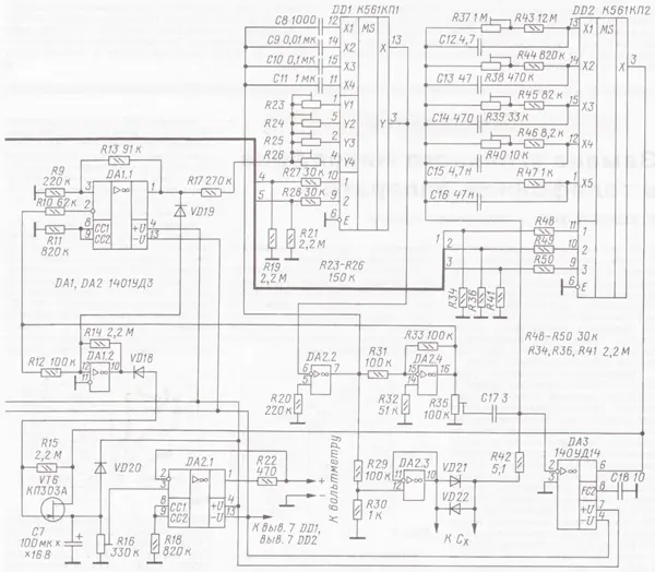
Схема предлагаемой приставки показана на рисунке. Питается она от батареи GB1 из трёх Ni-Cd или Ni-MH аккумуляторов. Зарядка батареи осуществляется от внешнего блока питания с выходным напряжением 8...12 В. Полевой транзистор VT1 стабилизирует ток зарядки, значение которого устанавливают подборкой резистора R2. Контроль за разрядкой батареи до напряжения 2,5...2,9 В осуществляет триггер на транзисторах VT4 и VT5. Он отключает приставку, предотвращая переразрядку аккумуляторов. Цепь R6VD5C3 предназначена для открывания транзистора VT4 при включении питания приставки переключателем SA1, который показан в положении "Зарядка".
Повышающий преобразователь напряжения содержит блокинг-генератор на транзисторах VT2 и VT3, трансформаторе Т1, конденсаторе С1, резисторах R1 и R3, а также выпрямители напряжения плюсовой (VD3C4) и минусовой (VD4C5) полярностей. Частота работы преобразователя - около 100 кГц, он работоспособен при входном напряжении 1,8...5 В, а его выходное напряжение стабилизировано на уровне ±(7±0,5) В.
Основные технические характеристики
Пределы измерения ёмкости, мкФ
минимальный............0,001
максимальный ..........10000
Погрешность измерения в процентах от предела, не более
для ёмкости не больше
10 мкФ......................5
для ёмкости больше
10 мкФ.....................10
Напряжение питания, В
минимальное...............2,5
максимальное................5
Потребляемый ток, мА, не
более ........................13
Габаритные размеры, мм . . . .65x75x35
Масса с батареей питания, г......200
Принцип работы предлагаемой приставки тот же, что и у прототипа. Генератор импульсов треугольной формы собран на ОУ DА 1.1, DA2.2, DA2.4. ОУ DA1.1 работает как компаратор, с его выхода сигнал прямоугольной формы поступает на вход интегратора на ОУ DA2.2, который преобразует прямоугольные импульсы напряжения в треугольные. Частота генератора определяется RC-цепями (R23C8 - 1 кГц, R24C9 - 100 Гц, R25C10 - 10 Гц, R26C11 - 1 Гц), которые переключаются мультиплексором DD1. Резисторы этих цепей подстроенные, ими устанавливают требуемую частоту генерации. В цепи обратной связи генератора стоит инвертор на ОУ DA2.4, обеспечивающий автоколебательный режим. На ОУ DA2.3 собран повторитель напряжения. С его выхода напряжение треугольной формы амплитудой 50 мВ подаётся на проверяемый конденсатор С*. Диоды VD21 и VD22 - защитные. На ОУ DA3 собран дифференциатор. Резистор R42 ограничивает ток, если проверяемый конденсатор пробит.
С помощью переключателя SA2 через диоды VD6-VD17 управляют мультиплексорами DD1 и DD2. В положениях с 1 -го по 5-е переключателя SA2 переключаются каналы с Х1 по Х5 мультиплексора DD2, обеспечивая измерение в пределах от 1 нф до 10 мкФ, а у мультиплексора DD1 открыт канал Х1, тем самым обеспечивая работу генератора на частоте 1 кГц. В положениях с 6-го по 8-е SA2 переключаются каналы с Х2 по Х4 мультиплексора DD1, это даёт измерение значений ёмкости от 100 до 10000 мкФ на частотах 100, 10 и 1 Гц, а у мультиплексора DD2 остаётся открытым канал Х5.
С выхода операционного усилителя DA3 импульсы, амплитуда которых пропорциональна измеряемой ёмкости Сх, подаются на синхронный детектор, собранный на полевом транзисторе VT6 с узлом управления на ОУ DA1.2. С кон-денсатора-С7 через развязывающий повторитель напряжения на ОУ DA2.1 напряжение, также пропорциональное С*, подаётся на вольтметр или мультиметр, который должен находиться в режиме измерения напряжения не менее 1 В. Ёмкость конденсатора 07 должна быть не меньше 100 мкФ, иначе на пределе измерения 10000 мкФ и частоте генератора 1 Гц показания вольтметра будут нестабильными.
На пределах 1 нф и 0,01 мкФ проверяемый конденсатор целесообразно отключать от шунтирующих цепей.
Выводы об их влиянии на точность измерения ёмкости, сформулированные в [1] для прототипа, справедливы и для приставки.
Учитывая, что в приставке операционные усилители обрабатывают сигнал частотой не более 1 кГц, применена микросхема 1401УДЗ, содержащая четыре микропотребляющих ОУ. Её допустимо заменить на 1463УД4 или четыре одиночные 140УД12. Следует обратить внимание на то, чтобы амплитуда колебаний на выходе генератора была одинаковой на всех частотах (1, 10, 100 и 1000 Гц). В противном случае уменьшают сопротивление резисторов R11 и R18, контролируя ток через них так, чтобы он не превышал 0,2 мА.
В приставке использованы подстро-ечные резисторы СПЗ-19 с допустимым отклонением ±10 %. Постоянные резисторы - С2-33, с допустимым отклонением ±5 %. Оксидные конденсаторы - К53-18. Конденсаторы С9-С11 - К73-17 или другие металлоплёночные, конденсатор С8 - КМ5а или КМ56, с ТКЕ не хуже МПО или ПЗЗ. Возможно применение элементов поверхностного монтажа - резисторов Р1-12, Р1-16, конденсаторов К53-68, К10-50 или их импортных аналогов.
Трансформатор Т1 намотан на маг-нитопроводе типоразмера Ш4х4 из феррита 2000НМ проводом ПЭВ-2 диаметром 0,15мм. Обмотка I содержит 15 витков, обмотки II и III - по 35 витков.
ОУ DA3 выбран из серии 140УД14 из-за малого потребляемого тока и большого входного сопротивления. На пределе измерения 1 нф влияние его входного сопротивления скорректировано увеличением сопротивления резистора R43 с 10 (как в прототипе) до 12 МОм. Компенсацию влияния паразитной ёмкости приставки и щупов (установку нулевого выходного напряжения приставки на этом пределе измерения) осуществляют резистором R35. Применена нестандартная частотная коррекция ОУ DA3 конденсатором С18, которая устраняет паразитные колебания, так как дифференциатор склонен к самовозбуждению.
Налаживание приставки начинают с установки частоты генерации на каждом пределе подстроечными резисторами R23-R26. Затем подключают образцовый конденсатор ёмкостью 10 мкФ или немного меньше. Подстроечным резистором R16 устанавливают выходное напряжение в вольтах, равное одной десятой части ёмкости образцового конденсатора в микрофарадах. Далее приставку аналогично калибруют подстроечными резисторами R37-R40 на меньших пределах измерения по друим образцовым конденсаторам. Источник образцового напряжения - свето-диод АЛ102ВМ (HL1) можно заменить на АЛ307ВМ или на цепь из нескольких последовательно соединённых кремниевых диодов из серии КД522. При необходимости образцовое напряжение регулируют подборкой сопротивления резистора R8 в пределах ±30 %. Если этого недостаточно, изменяют число диодов в цепи. Напряжение отключения устанавливают в пределах 2,5...2,9 В.
Зарядный ток аккумуляторов подбирают резистором R2. В экземпляре автора установлен ток 26 мА. При необходимости заменяют полевой транзистор КП302В (VT1) более мощным КП903В.
Литература
1. Васильев В. Измеритель ёмкости конденсаторов. - Радио, 1998, № 4, с. 36, 37; 2000, № 7, с. 50.
2. Кучин С. Прибор для измерения ёмкости. - Радио, 1993, № 6, с. 21-23.
Автор: А. Сучинский, г. Балашиха Московской обл.
