Прибор предназначен для регистрации изменений атмосферного давления во время полёта модели летательного аппарата. Он построен на микроконтроллере семейства MCS-51 и микросхеме энергонезависимой памяти. Аналого-цифровое преобразование реализовано программно. Записанная информация может быть передана в компьютер и использована, например, для построения графика высоты полёта.
Выполнение измерений - едва ли не самая распространённая "профессия" микроконтроллеров. При этом напряжение, пропорциональное измеряемому параметру, предварительно преобразуется в цифровой эквивалент - многоразрядный двоичный код. По завершении этой операции микроконтроллер получает от аналого-цифрового преобразователя (АЦП) сигнал готовности передать ему результат в параллельном или последовательном виде.

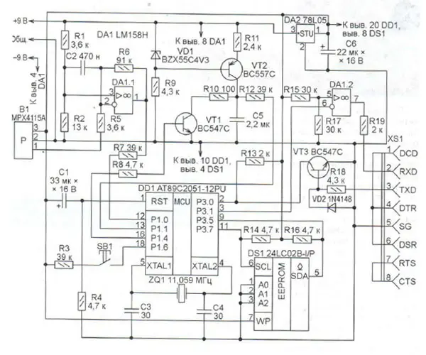
Рис. 1
Такое решение, однако, не всегда оправдано, так как необходимость применения АЦП в виде отдельной микросхемы или даже встроенного в микроконтроллер неизбежно увеличивает стоимость устройства, а иногда и его энергопотребление. Во-вторых добавление в конструкцию микросхемы АЦП усложняет устройство и снижает его надёжность, так как между ней и микроконтроллером требуется организовать множество электрических связей.
Но зачастую, особенно при невысоких требованиях к скорости выполнения аналого-цифрового преобразования, его можно реализовать с помощью несложной программы для дешёвого микроконтроллера, не имеющего встроенного АЦП.
В барографе, схема которого изображена на рисунке, использован всё ещё популярный микроконтроллер АТ89С2051 (DD1) без встроенного АЦП, по архитектуре и набору команд относящийся к семейству MCS-51. Датчик атмосферного давления - МРХ4115А (В1). Пропорциональное измеряемому давлению выходное напряжение датчика, усиленное ОУ DA1.1, подано на один из входов встроенного в микроконтроллер компаратора напряжения. На другой его вход поступает линейно нарастающее напряжение, образующееся на конденсаторе С5 при его зарядке стабильным током источника на стабилитроне VD1 и транзисторе VT2. Отклонение закона изменения этого напряжения от линейного не превышает ±0,3 %.
Результат преобразования - подсчитанное внутренним таймером-счётчиком микроконтроллера число импульсов, поступивших на его вход с момента начала нарастания напряжения на конденсаторе до зафиксированного компаратором момента его равенства усиленному напряжению датчика. После этого микроконтроллер формирует на выходе Р1.4 импульс, открывающий транзистор VT1. Конденсатор С5 разряжается через резистор R10 и открытый транзистор, после чего цикл измерения повторяется.
Таймер работает в режиме Mode 0, он восьмиразрядный, на его счётный вход поступают импульсы с частотой кварцевого генератора микроконтроллера, делённой на 12, прошедшие предварительный пятиразрядный делитель. При частоте кварцевого резонатора ZQ1 Fкв=11,059 МГц, частота счётных импульсов равна
Fсч = Fкв/(12*25) = 11059/384 = 28,8 КГц.
Поскольку в регистре ТНО микроконтроллера сохраняется состояние предварительного делителя на момент окончания счёта, общая разрядность результата преобразования достигает 13.
Если барограф включён с нажатой кнопкой SB1, результаты преобразования сохраняются в микросхеме энергонезависимой памяти 24LC02B (DS1), соединённой с микроконтроллером по интерфейсу I2C. Если же в момент включения питания кнопка SB1 оставалась не нажатой, вся ранее записанная в энергонезависимую память информация через разъём XS1 побайтно отправляется на вход RXD СОМ-порта компьютера. Принять её может любая терминальная программа, запущенная на компьютере.
Формирователем выходного сигнала, соответствующего стандарту RS-232, служит ОУ DA1.2, включённый как компаратор. Хотя в предлагаемом читателям варианте программы микроконтроллера приём информации от компьютера не предусмотрен, необходимый для этого преобразователь уровня в барографе имеется. Он собран на транзисторе VT3.
Разъём XS1 необходимо присоединять к разъёму СОМ-порта компьютера непосредственно или с помощью "модемного" (без перекрёстных связей) кабеля. В большинстве случаев достаточно иметь в кабеле всего два провода - цепи RXD и SG. Для организации приёма барографом информации, передаваемой компьютером, потребуется ещё один, TXD. Остальные пять проводов и перемычки между контактами разъёма XS1 нужны лишь для правильной работы компьютерных программ, формирующих управляющие сигналы DTR и RTS и анализирующих состояние входов DCD, DSR и CTS. В программе микроконтроллера скорость работы его последовательного порта задана равной 9600 Бод.
Питается барограф от двух гальванических батарей напряжением 9 В (например, "Крона"). При разработке программы были использованы находящиеся на сайте компании Atmel примеры реализации связи по интерфейсу I2C микроконтроллера АТ89С2051 с микросхемой памяти.
Автор: К. Дунаев, г. Заречный Пензенской обл.
