Многие читатели по достоинству оценили измерители ёмкости и ЭПС, разработанные автором. Сегодня мы предлагаем ещё один вариант подобного прибора. Надеемся, что и это устройство также вызовет интерес.
В статье описан аналог измерителя ёмкости и ЭПС конденсаторов, опубликованного в [1], который сконструирован в формате пробника аналогично миллиомметру из [2]. Кроме того, в нём применён более современный и менее дорогой микроконтроллер PIC16F690. Все параметры и возможности предлагаемого варианта устройства, а также порядок работы с ним ничем не отличаются от прибора, описанного в [1].

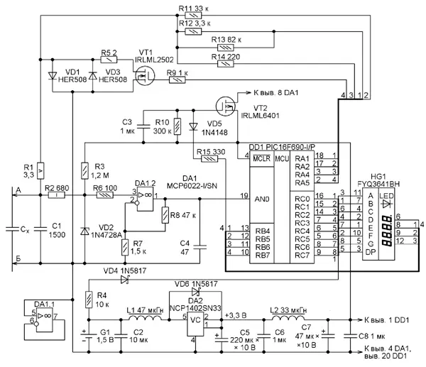
Рис. 1. Схема устройства
Схема устройства приведена на рис. 1. Остановимся только на отличиях от прибора из [1]. Входные цепи защиты не претерпели никаких изменений. Изменены номиналы резисторов R7, R8 на более "ходовые" при сохранении коэффициента усиления ОУ DA1. Из-за ограниченного числа портов ввода-вывода применённого микроконтроллера пришлось организовать питание оУ через ключ на транзисторе VT2, который остаётся открытым при наличии импульсов низкого уровня на выводе 10 (порт RB7) микроконтроллера от системы динамической индикации. Благодаря элементам R15, VD5, C3, R10 при наличии этих импульсов на затворе транзистора VT2 поддерживается напряжение менее 1 В, достаточное для поддержания его в открытом состоянии, и на ОУ поступает напряжение питания 3,3 В. В спящем режиме на выводе 10 микроконтроллера присутствует высокий уровень, транзистор VT2 закрывается и, тем самым, ОУ не потребляет тока от элемента питания.
По той же причине нехватки выводов микроконтроллера функцию входа АЦП, подключённого к входу прибора непосредственно, минуя Оу (требуется для анализа условий выхода из спящего режима), выполняет порт RA4 (вывод 3), сигнал на него поступает через резисторы R1, R14.
Индикатор подключён к микроконтроллеру непосредственно (обоснование корректности такого подключения для организации динамической индикации приведено в [1]). Измерение напряжения питания (порт RC0) и определение типа индикатора аналогичны прибору [2].
Это, пожалуй, все отличия в работе предлагаемого прибора от описанного в[1].
Все детали устройства установлены на печатной плате размерами 93x35 мм, изготовленной из фольгированного с одной стороны стеклотекстолита. Чертёж платы и расположение элементов на обеих её сторонах показаны на рис. 2.

Рис. 2. Чертёж платы и расположение элементов на ней
Программа МК написана на языке C и оттранслирована в среде MikroC. Конструкция щупов повторяет описанную в статье [2]. При замене ОУ МСР6022 на MCP602 увеличится погрешность измерения ЭПС конденсаторов ёмкостью менее 4,7 мкФ. Транзистор IRLML6401 (VT2) можно заменить на AO3401. Резисторы R5, R7, R8, R11 и R12 должны быть с допуском не хуже 1 %. Для уменьшения пульсаций напряжения питания дроссели L1 и L2 следует устанавливать на плате так, чтобы плоскости их витков были взаимно перпендикулярны. Индикатор может быть как с общим анодом, так и с общим катодом.
Фотографии собранного устройства приведены на рис. 3 и рис. 4.

Рис. 3. Устройство в сборе

Рис. 4. Устройство в сборе
Работа с прибором подробно описана в [3], а все изменения - в [1].
Литература
1. Балаев Б. Усовершенствованный измеритель ёмкости и ЭПС конденсаторов. - Радио, 2020, № 8, с. 32-34.
2. Балаев Б. Миллиомметр для внутрисхемных измерений. - Радио, 2020, № 7, с. 21-23.
3. Балаев Б. Экономичный измеритель ёмкости и ЭПС конденсаторов с усиленной защитой. - Радио, 2019, № 8, с. 17-21.
Автор: Б. Балаев, г. Нальчик, Кабардино-Балкария
