Функциональная схема датчика тока компенсационного типа приведена на рис. 1 Чувствительный к магнитному полю элемент Холла находится в зазоре кольцевого магнитопровода.

Рис. 1
Измеряемый ток Iизм, протекая по обмотке I. создает в магнитопроводе магнитный поток, наводящий в чувствительном элементе Холла ЭДС пропорциональную этому току. Снятый с элемента сигнал после усиления поступает на компенсационную обмотку II Протекающий по ней ток Iк создает в магнитопроводе магнитный поток противоположного направления. Магнитная система, элемент Холла и усилитель образуют петлю отрицательной обратной связи, поддерживающую равенство
![]()
где W1 и W|| - число витков обмоток I и II Включенный последовательно с обмоткой II резистор R1 преобразует компенсирующий ток в выходное напряжение датчика. Если выбрать сопротивление этого резистора в омах численно равным отношению числа витков обмотки II

Рис. 2
к числу витков обмотки I то выходное напряжение в вольтах станет численно равным измеряемому току в амперах
Габаритный чертеж использованного в датчике элемента Холла ДХК-0.5А изображен на рис. 2 Напряжение Холла, пропорциональное управляющему току и индукции магнитного поля, измеряют между выводами +U и -U. Чувствительность элемента при номинальном значении управляющего тока 3 мА (втекающего в вывод +I и вытекающего из вывода -I) - 280 мВ/Тл. Указанные полярность напряжения и направление тока соответствуют вектору магнитной индукции В, направленному, как показано на рис. 2 стрелкой. Остаточное выходное напряжение (в отсутствие магнитного поля) не превышает 7 мВ Входное сопротивление (между выводами I) - 1,8...3 кОм, выходное (между выводами U) - не более 3 кОм.

Рис. 3
Если имеется элемент Холла неизвестной чувствительности, ее можно определить экспериментально, поместив элемент в воздушный зазор длиной d любого магнитопровода на котором намотано известное число витков W любого провода К "токовым" выводам элемента подключают источник управляющего тока, а к двум другим - милливольтметр. По обмотке пропускают постоянный ток I. Чувствительность (мВ/Тл) - частное от деления показаний милливольтметра на магнитную индукцию, вычисленную по формуле
![]()
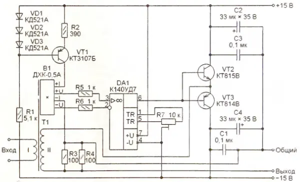
Схема датчика тока показана на рис. 3 Магнитная система изображена на ней как трансформатор Т1, в зазор магнитопровода которого вставлен элемент Холла В1. Усилитель собран на ОУ DA1 и транзисторах VT2, VT3. Стабилизатор тока на транзисторе VT1 задает протекающий через элемент Холла управляющий ток.
Для питания датчика необходим биполярныи источник постоянного напряжения +/-15 В Основной потребитель его энергии - обмотка II трансформатора Т1. В описываемой конструкции обмотки намотаны на ферри-товом кольце от блока питания компьютера. Обмотка II - 1000 витков провода ПЭВ-2 диаметром 0.15 мм Поверх нее намотана обмотка 1 - 10 витков изолированного монтажного провода сечением 0,35 мм2. В кольце сделан воздушный зазор длиной 2 мм - она равна толщине вклеиваемого в зазор элемента Холла

Рис. 4
Необходимо отметить что магнито-провод не обязательно должен быть ферритовым, он может быть изготовлен из любого ферромагнитного материала Оптимальная площадь сечения магнитопровода - 10...12 мм2. Стремиться к увеличению сечения не следует Это приведет к возрастанию длины витков компенсационной обмотки и, следоватепьно. ее сопротивления По этой же причине для компенсирующей обмотки следует выбирать провод возможно большего диаметра.

Рис. 5
Изготовленный датчик изображен на рис. 4, а его передаточная характеристика - на рис. 5 Она была снята при измерении синусоидального тока частотой 50 Гц. По осям графика отложены эффективные значения тока и напряжения В приборе отсутствовал резистор R4. что обеспечило коэффициент преобразования тока в напряжение 1 В/А, постоянный в интервале значений измеряемого тока 0,25...6 А.
Нарушение линейности характеристики при малом токе объясняется тем, что усилитель мощности на транзисторах VT2 и VT3 работает в классе В без начального смещения. Причина нелинейности при больших значениях тока - ограничение сигнала в ОУ К140УД7, в результате чего форма компенсирующего тока уже не совпадает с формой измеряемого и полноценной компенсации магнитных потоков в магнитопрово-де не происходит.
Установив параллельно резистору R3 такой же резистор R4, удалось сделать характеристику линейной при измерении тока до 10 А. Однако коэффициент преобразования уменьшился до 0,5 В/А.
Автор: Н. Салимов. г. Ревда Свердловской обл.
