Описываемый ниже термометр предназначен для измерения температуры воздуха или жидкой неагрессивной среды, например, воды в бассейне. К числу достоинств прибора можно отнести достаточно широкий для бытовых нужд интервал измеряемой температуры, применение ярких светодиодных цифровых индикаторов с высотой знака 57 мм и широким углом обзора. Для удобства считывания показаний предусмотрено гашение незначащего нуля с одновременной "миграцией" знака "минус". Термометр выполнен на доступной элементной базе, не сложен в изготовлении и налаживании. Повторяемости конструкции способствует также использование самодельного датчика температуры из медного провода. Недостаток устройства - инерционность такого датчика, достигающая 5 мин, однако при измерении уличной температуры или температуры воды в бассейне с этим вполне можно смириться.
Предлагаемый вниманию термометр рассчитан на измерение температуры от -99,9 до +99,9 оС. Питать прибор можно от любого неста-билизированного источника с выходным напряжением 9...10 В, потребляемая мощность - не более 5 Вт.
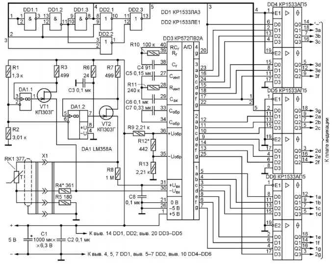
Прибор состоит из двух частей: платы собственно термометра (его схема показана на рис. 1) и платы индикации (рис. 2). Термометр построен на основе аналого-цифрового преобразователя КР572ПВ2А (DD3). В качестве датчика температуры RK1 использована катушка медного провода - обмотка герконового реле РЭС55 с номинальным сопротивлением 377 Ом (такую обмотку имеют реле исполнений РС4.569.600-01, РС4.569.600-06, РС4. 569.600-10, РС4.569.600-14 и РС4.569. 625-01, РС4.569.625-06, РС4.569.625-11). Сопротивление обмотки указано в справочнике [1] при температуре окружающей среды 20 оС. Температурный коэффициент сопротивления меди при этой температуре равен 0,392 %/оС. Изменение температуры на 100 оС вызывает изменение сопротивления ΔR = 377x0,392 = 147,784 Ом.
Датчик RK1 включён в одно из плеч измерительного моста. Его другое плечо - образцовый резистор R4, сопротивление которого равно сопротивлению датчика при нулевой температуре.
Два верхних плеча моста образуют источники стабильного тока 3 мА, выполненные на ОУ микросхемы DA1, транзисторах VT1, VT2 и элементах R1 - R3, R6, R7, C3. Это необходимо для линейного преобразования сопротивление-напряжение. Ток 3 мА не вызывает нежелательного нагрева датчика RK1. К измерительному мосту он подключён трёхпроводной линией, что позволяет избежать влияния сопротивления соединительных проводов и, главное, помех, которые наводятся на них. Экранирование проводов дополнительно ослабляет наводимые помехи, особенно на длинных линиях (в описываемом устройстве датчик температуры может быть удалён от прибора на расстояние до 300 м). Резистор R5 смещает напряжение разбаланса моста к половине питающего напряжения. Это вызвано тем, что напряжение питания АЦП в данном случае однополярное. По этой же причине смещено и подаваемое на АЦП образцовое напряжение.
Напряжение с измерительного моста через помехоподавляющий фильтр R8C8 поступает на вход АЦП (выводы 30, 31) микросхемы DD3, работающего по принципу двойного интегрирования с автокоррекцией "нуля" и автоматическим определением полярности входного сигнала. Элементы R10, C4 задают частоту внутреннего генератора АЦП, элементы R11, C5 входят в состав интегратора. Конденсатор C7 хранит потенциал образцового напряжения, формируемого делителем R9R12R13, для коррекции сдвига "нуля" интегратора.
Рис. 1
Образцовое напряжение Uобр должно быть равно произведению указанных выше значений ΔR и тока источников тока: Uобр = 147,784 Ом х 3 мА = 443,352 мВ.

Рис. 2
Поскольку нагрузочная способность выходов микросхемы КР572ПВ2А невелика (всего 5 мА), а максимальный ток на элемент применённых в термометре цифровых индикаторов SA23-11SRWA достигает 30 мА, они подключены к микросхеме DD3 через шинные формирователи КР1533АП5 (DD4-DD6) с допустимым током на один выход 24 мА. К тому же в этих микросхемах предусмотрена возможность отключения всех выходов по сигналу на входах E1, E2, что использовано для гашения незначащего нуля.
Узел гашения нуля в старшем разряде (DD4, HG1) выполнен на элементах микросхемы DD1. Идентификация нуля осуществляется анализом логических уровней на выходах 3f (вывод 17) и 3g (вывод 22) микросхемы DD3. Совпадение уровней 3f = 1 и 3g = 0 однозначно определяет наличие нуля, при этом лог. 1 с выхода элемента DD1.3 поступает на входы E1, E2 микросхемы DD4, и она переводит свои выходы в так называемое Z-состояние (т. е. отключает их). Но этим решается только часть проблемы, так как одновременно с гашением нуля гаснет и знак "минус" (светодиоды HL1, HL4, HL8, HL12), управляемый микросхемой DD4. Для индикации знака "минус" при отображении отрицательной температуры выше -10 оС (начиная с -9,9 оС) используется элемент 3g погашенного индикатора HG1.
Как видно из схемы, он управляется микросхемой DD5, а сигнал для его активации формирует устройство на элементах микросхемы DD2. Когда на выходе элемента DD1.3 появляется сигнал для гашения незначащего нуля, на выходе элемента DD2.3 возникает
сигнал лог. 1, который вызывает появление на выводе 18 микросхемы DD5 сигнала лог. 0, и элемент 3g индикатора HG1 начинает светиться, дублируя знак "минус". В остальных случаях (когда не надо гасить незначащий нуль) элемент 3g выполняет свою функцию в составе цифр, отображаемых индикатором HG1.
Светодиоды HL2, HL3, HL5-HL7, HL9-HL11, HL13, HL14 служат для отображения знака градуса Цельсия. Напряжение питания всего устройства поддерживается неизменным с помощью интегрального стабилизатора DA1.

Рис. 3
Устройство собрано на двух печатных платах из фольгированного с одной стороны стеклотекстолита. На одной из них (рис. 3) смонтированы детали собственно термометра (разъём X1 условно не показан), на другой (рис. 4) - все остальные детали (выводы резисторов и соединительные провода припаивают к прямоугольным контактным площадкам).

Рис. 4
Резисторы R1-R4, R7, R9, R12, R13 на плате термометра должны быть с допускаемым отклонением сопротивления от номинала не более ±1 % (например, С2-14, С2-29В, С2-36), остальные - МЛТ, С2-33 или аналогичные. Конденсаторы C2-C4, C8 - любые керамические подходящих размеров, C5-C7 - плёночные серий 73-16, К73-17, К73-24. Оксидные конденсаторы - также любые, подходящие по размерам и номинальному напряжению. Микросхемы серии КР1533 заменимы аналогами из серий К555, КР1544, а также соответствующими импортными аналогами, транзисторы КП303Г - другими транзисторами этой серии.
Смонтированную и отлаженную плату термометра закрепляют с помощью винтов с гайками и втулок на плате индикаторов.
Корпус прибора изготовлен из пластин алюкобонда - листового композитного материала толщиной 3 мм, состоящего из двух окрашенных алюминиевых листов толщиной до 0,5 мм, между которыми вклеен полимерный (на основе полиэтилена низкого давления) лист, и алюминиевых уголков, скреплённых заклёпками. Передняя стенка выполнена из бесцветного органического стекла. Для повышения контрастности показаний и для того, чтобы не проглядывались внутренности термометра, на неё накатана тонировочная плёнка с прозрачностью 50 %. Внешний вид прибора показан на рис. 5.

Рис. 5
Для соединения с датчиком температуры использован экранированный трёхпроводный кабель, применяемый в аудиотехнике. Разъём датчика X1 - 2РМ14, но можно использовать и любой другой, подходящий по размерам и числу контактов. Для питания термометра использован блок питания от модема с выходным напряжением 9 В и током нагрузки 500 мА.
Налаживание безошибочно собранного из заведомо исправных элементов термометра сводится к его калибровке. Для этого параллельно резистору R12 подсоединяют включённый реостатом переменный резистор сопротивлением 20...30 кОм, а вместо датчика RK1 - постоянный резистор сопротивлением 200 Ом. Включив питание, записывают показание индикатора, не обращая внимания на знак и запятую. Затем последовательно с резистором 200 Ом включают резистор сопротивлением 148 Ом и складывают новое показание с измеренным ранее. Должно получиться число ровно 100. Если сумма отличается от требуемой, изменяют сопротивление переменного резистора и повторяют описанные операции ещё раз. Добившись нужного результата, измеряют сопротивление введённой в цепь части переменного резистора и подключают параллельно резистору R12 постоянный резистор такого же сопротивления.
Далее подключают датчик RK1, а переменный резистор подсоединяют параллельно резистору R4 и с его помощью добиваются одинаковых показаний калибруемого прибора и образцового ртутного термометра с ценой деления 0,1 °C. Головку последнего и датчик калибруемого термометра следует скрепить канцелярской резинкой и выждать не менее 10 мин, для того чтобы их температура стала одинаковой. В завершение измеряют сопротивление введённой части переменного резистора и подключают параллельно R4 постоянный резистор такого же сопротивления.
При установке датчика на улице желательно следовать рекомендациям, приведённым в статье [2]. Если термометр предполагается использовать для измерения температуры воды, датчик необходимо поместить в металлический стакан и залить его гидроизоляционным материалом (жидкое стекло, парафин и т. п.).
Литература
1. Игловский И. Г., Владимиров Г. В. Справочник по слаботочным электрическим реле. 3-е изд. - М.: Энергоатомиздат, 1990.
2. Суров В. Часы-термометр. - Радио, 2003, № 10, с. 39-41.
Автор: Б. Канаев, Е. Голомазов, г. Бишкек, Кыргызстан
