В журнале "Радио" было приведено описание частотомера на модуле Arduino Uno [1]. Хотя этот модуль является фактически стандартом в радиолюбительской практике, он обладает определёнными недостатками. Гораздо более привлекательно с точки зрения габаритных размеров выглядит плата Arduino Nano. Но у неё есть свой существенный недостаток - тактовый генератор с низкой стабильностью частоты. Но в настоящее время появилась замена этого модуля, лишённая указанного недостатка. Это LGT8F328P-LQFP32 MiniEVB [2] - клон популярной AVR ATmega328p (Arduino Nano) и практически полностью с ним совместимый. Отличительная особенность этого клона - наличие на печатной плате стабильного кварцевого генератора, возможность работы на частоте 32 МГц и совместимое программное обеспечение.

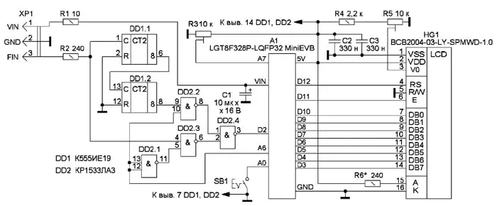
Рис. 1.
Схема частотомера на модуле LGT8F328P-LQFP32 MiniEVB приведена на рис. 1. Устройство питается от внешнего источника питания постоянного напряжения в интервале 8...12 В, которое подают на разъём XP1. Также возможно питание устройства от стабилизированного источника напряжением 5 В, которое подают на UsB-разъём модуля. При этом не допускается одновременная подача этих двух напряжений. Подстроечным резистором R3 производится корректировка частоты кварцевого генератора, а подстроечным резистором R5 - регулировка контрастности изображения на экране ЖК-индикатора HG1. Яркость подсветки можно менять путём подборки резистора R6. Измеряемый сигнал подают на вход - контакт 3 разъёма XP1 (FIN). Уровень сигнала по этому входу должен быть совместим с уровнем сигналов для стандартной ТТЛ-логики. При этом напряжение лог 1 может быть в интервале от 3 до 5,5 В. На вход D2 модуля A1 сигнал поступает либо через логические элементы DD2.3, DD2.4, и частота при этом не изменяется, либо через делитель на 256, который собран на двух двоичных счётчиках DD1.1, DD1.2, и через логические элементы DD2.2, DD2.4. Управление этим делителем осуществляется сигналом на выводе А6 модуля А1.
Частотомер имеет два диапазона измерения частоты, которые переключаются с помощью кнопки sB1. При нажатой кнопке диапазон измерения - 0,5 Гц...300 кГц, а при отжатой кнопке - 130 Гц...30 МГц, при времени измерения, равном 1 с. Максимальная изме-ряемая частота может быть повышена до 100 МГц, если применить более быстродействующие микросхемы DD1 и DD2.

Рис. 2.

Рис. 3.

Рис.4.
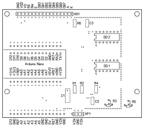
Большинство деталей частотомера расположены на печатной плате из фольгированного с двух сторон стеклотекстолита толщиной 1,6 мм, её чертёж показан на рис. 2. Схема размещения элементов приведена на рис. 3. Вид смонтированной платы показан на рис. 4.
Для программирования микроконтроллера была использована среда разработки Arduino IDE версии 1.8.19. Для работы программного обеспечения с модулем LGT8F328P необходимо сначала в Arduino IDE добавить этот модуль. Во вкладке "Настройка" в "Дополнительные ссылки для менеджера плат" необходимо ввести строку https://raw.githubusercontent.com/ dbuezas/lgt8fx/master/package_ lgt8fx_index.json. После этого во вкладке "Инструменты/Менеджер плат" необходимо ввести в строку поиска lgt8 и установить пакет программ для этого модуля. После этого во вкладке "Инструменты" необходимо указать такие параметры модуля, как число выводов, тип и частота тактового генератора, частота работы процессора и другие. Частоту тактового генератора при этом лучше выбирать максимальную - 32 МГц.
Перед первым включением устройства необходимо проверить качество монтажа и номиналы установленных деталей. Не допускается производить первое включение, используя питание от USB-разъёма компьютера, поскольку при неправильном монтаже платы есть вероятность вывести из строя его USB-порт. Подают внешнее напряжение питания на разъём XP1. Далее проверяют потребляемый ток, он не должен превышать 50 мА. При этом на ЖК-индикаторе должна загореться подсветка. Проверяют наличие напряжения +5 В на микросхемах DD1 и DD2. После этого подключают модуль к USB-порту компьютера. Далее в программе Arduino IDE необходимо указать COM-порт и получить информацию о модуле. Если этот этап прошёл успешно, можно загрузить программу в модуль. После успешной загрузки программы частотомер готов к работе. Если на ЖК-индикаторе при этом отсутствуют какие-либо символы, необходимо отрегулировать контрастность с помощью подстроечного резистора R5. На ЖК-индикаторе отобразится значение следующих параметров (рис. 5): T- длительность интервала измерения; N - число входных импульсов; M - число импульсов опорной частоты; F - измеренная частота.
В этом частотомере предусмотрена корректировка частоты кварцевого генератора. Для её проведения необходимо с образцового генератора на вход FIN подать прямоугольный сигнал с частотой 1 МГц и амплитудой 5 В. Плавно вращая движок резистора R3, добиваются того, чтобы показания измеренной и образцовой частот совпали. При этом движок резистора R3 не должен быть в крайнем положении. Если всё же он находится в крайнем положении, а показания частот не совпали, необходимо скорректировать частоту путём изменения значения переменных Fref и (или) F_korr в программе.

Рис. 5.
На плате были установлены компоненты следующих типов. Конденсатор С1 -танталовый для поверхностного монтажа типоразмера D, остальные - керамические типоразмера 1206 с ТКЕ X5R или X7R на напряжение 50 В. Постоянные резисторы - SMD типоразмера 1206 с допуском 5%. Подстроечный резистор R3 - 3296W с допуском 10%, подстроечный резистор R5 - выводной 3362Р с допуском 10%. Микросхему К1533ИЕ19 можно заменить импортным аналогом SN74LS393N. Микросхему КР1533ЛА3 можно заменить импортным аналогом SN74LS00N. Для соединения ЖК-индикатора с основной платой на плате индикатора установлена вилка штыревая прямая PLS-16 с шагом 2,54 мм. При этом на основной плате установлено гнездо PBS-16 прямое с шагом 2,54 мм.
Слева от разъёма XP1 на печатной плате (см. рис. 3) выведены неза-действованные контакты модуля LGT8F328P-LQFP32 MiniEVB, которые в дальнейшем могут быть использованы для возможности взаимодействия этого частотомера с какими-либо другими устройствами.
Программы и файлы для программирования модуля Arduino Nano, чертежи печатных плат в авторских вариантах находятся здесь.
Литература
1. Булдаков А. Частотомер на Arduino Uno. - Радио, 2022, № 11, с. 59-61.
2. LGT8F328P-LQFP32 MiniEVB в Arduino IDE. - URL: http://rcl-radio.ru/?p=129966 (02.02.23).
А. Булдаков, г. Дзержинск Нижегородской обл.
