От качества и состава воздуха, которым мы дышим, зависит наше самочувствие, работоспособность и здоровье организма в целом. Очень важно не только проветривать жилые помещения, но и следить за уровнем влажности. Негативное влияние оказывает как слишком сухой, так и воздух, чрезмерно насыщенный водяным паром. Постоянное пребывание в некомфортной климатической обстановке сказывается на работе многих внутренних органов. Воздушные массы, перенасыщенные влагой, повышают износ бытовых приборов, отделки, мебели. Чтобы создать благоприятную среду, важно ориентироваться на нормы влажности в квартирах. Рекомендуется придерживаться значений 40...60 %. При увеличении этого числа в разы увеличивается скорость размножения болезнетворных микроорганизмов, появляется грибок. В случае снижения уровня влажности будут пересыхать слизистые, могут появиться заложенность носа, слезоточивость.

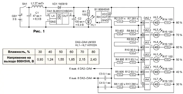
Рис. 1. Схема индикаторного устройства
Для оценки влажности предлагается простое индикаторное устройство, схема которого изображена на рис. 1. В приборе применён датчик влажности 808H5V6 [1]. Для индикации уровня влажности в процентах применяется светодиодный столбик HL2-HL7. Если не горит ни один светодиод, то уровень влажности меньше 30 %. По мере увеличения уровня влажности последовательно загораются светодиоды и при влажности > 80 % горят все светодиоды. Напряжения, согласно таблице [1], формирует резистивный делитель R2- R13. Индикатор влажности питается от двух гальванических элементов напряжением 1,5 В каждый, но можно и отодного. DC-DC преобразователь DA1 повышает напряжение батареи или одного элемента до 3,3 В для питания прибора в целом.
В устройстве применены танталовые полярные конденсаторы, остальные - керамические. Резисторы R2-R13 должны иметь допуск по номиналу не более 1 %, остальные - 5 %.

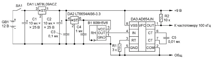
Рис. 2. Схема измерителя уровня влажности
Напряжение на выходе датчика прямо пропорционально уровню влажности, и характеристика преобразования уровня влажности в напряжение имеет очень незначительную нелинейность, т. е. практически линейна [1]. Исходя из этого, можно сделать вывод, что на основе этого датчика можно легко построить измеритель уровня влажности. Схема такого измерителя изображена на рис. 2. В измерителе выходное напряжение датчика влажности преобразуется в частоту импульсов посредством преобразователя напряжение-частота (ПНЧ) AD654 (DA3) [2]. Что это даёт? Во-первых, с применением ПНЧ очень легко масштабировать выходной сигнал датчика. Например, уровню влажности 50 % будет соответствовать 1,55 В на выходе датчика [1], а на выходе ПНЧ будет частота 5 кГц, т. е. абсолютному значению частоты в килогерцах, умноженному на 10, будет соответствовать уровень влажности в процентах. Во-вторых, такой измеритель можно использовать для дистанционного мониторинга влажности, поскольку частота выходных импульсов может передаваться на большие расстояния без искажения информационного параметра - частоты. Коэффициент преобразования ПНЧ AD654 рассчитывают по формуле Fвых = Uвх/(10·RT·CT) [2]. Для указанных на схеме номиналов RТ = R1 и СТ = С5 коэффициент преобразования равен 100 Гц на 1 % влажности. Измеритель питается от батареи напряжением 12 В. Линейный стабилизатор LM78L09ACZ (DA1) понижает это напряжение до 9 В для питания прибора в целом. Напряжение питания ПНЧ (Uп) определяет максимальное входное напряжение, которое рассчитывают по формуле Uвх.mах = Uп - 4 В. При влажности 100 % Uвх.mах = 3 В.
Как и в предыдущем устройстве, полярные конденсаторы - танталовые, остальные - керамические. Конденсатор С5 должен быть термостабильным, группы МП0. Регулировка измерителя сводится к подбору резистора RT (на схеме - R1), чтобы достичь нужного коэффициента преобразования.
Литература
1.808H5V6 Humidity transmitter. - URL: https://www.tme.eu/Document/ 78071a5284b4c8a57c73076df3456edc/ 808H5V6.pdf (10.02.22).
2. AD654 Low Cost Monolithic Voltage-to-Frequency Converter. - URL: https:// www.analog.com/media/en/technical-documentation/d ata-sheets/AD654.pdf (10.02.22).
Автор: А. Корнев, г. Одесса, Украина
