Для контроля напряжения трёхфазной сети обычно применяют вольтметр переменного тока, подсоединяемый с помощью переключателя к той или иной фазе при измерении фазного напряжения или между фазами при измерении линейного напряжения. В промежутках между измерениями вольтметр остаётся подключённым к произвольно выбранной фазе, при этом напряжение остальных фаз не контролируется. Напряжение сети весьма нестабильно, поэтому я предлагаю дополнить вольтметр индикатором "перекоса" фаз, беглого взгляда на который достаточно, чтобы определить,
нужно ли измерить напряжение сети для принятия решения о возможности подключения трёхфазной нагрузки.
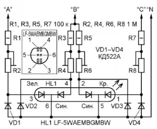
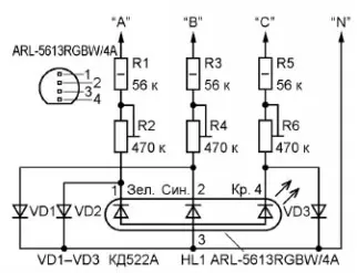
Основа предлагаемого устройства - так называемый полноцветный свето-диод, в корпусе которого размещены светоизлучающие кристаллы красного, зелёного и синего цветов свечения. Известно, что белый свет состоит из смешанных в определённой пропорции составляющих красного, зелёного и синего цветов. Если подать на кристаллы напряжение с различных фаз, отрегулировать ток через них таким образом, чтобы полноцветный светодиод светился суммарным белым светом, то получится отличный индикатор "перекоса" фаз - отклонение напряжения любой из них даже на несколько процентов станет заметным.

Рис. 1
На рис. 1 изображена схема устройства с применением шести-выводного полноцветного светодио-да LF-5WAEMBGMBW, а на рис. 2 - четырёхвыводного светодиода ARL-5613RGBW/4A. Ток через каждый кристалл регулируют раздельно, своим подстроечным резистором. Маломощные кремниевые диоды, подключённые встречно-параллельно кристаллам, защищают их от обратного напряжения (вернее, ограничивают его на допустимом, безопасном для кристаллов уровне). Светодиоды в данных индикаторах мигают с частотой сети 50 Гц, но благодаря инерционности зрения их свечение кажется непрерывным.

Рис. 2
Для повышения экономичности устройств нужно стремиться к тому, чтобы баланс белого получался при возможно большем сопротивлении подстроечных резисторов, но светодиод при этом светился с необходимой яркостью, обусловленной освещением места расположения индикатора. Смонтировать его можно в силовом щите, рядом с вольтметром, или в пульте управления трёхфазной нагрузкой - деревообрабатывающим станком, как у меня, например.
Постоянные резисторы - любые одноваттные, подстроечные - СП-II, СПЗ-29а, СПЗ-29б или аналогичные с номинальной мощностью рассеяния 1 Вт и предельным рабочим напряжением не менее 500 В.
Автор: К. Мороз, г. Белебей, Башкортостан
