Таймер, описание конструкции которого приведено ниже, был собран для использования на кухне по просьбе семьи взамен вышедшего из строя старого советского механического таймера, купленного вместе с кухонной мебелью лет 40 назад. Новые приборы так долго не живут. Но поскольку мы идём в ногу со временем, был собран новый электронный таймер на основе модуля Arduino Nano и цветного сенсорного дисплея 2,4” LCD TFT с последовательной шиной SPI и разрешением 240x320 пикселей. Всё было собрано за один день, поэтому это устройство можно назвать конструкцией выходного дня.

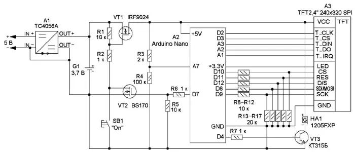
Рис. 1. Схема таймера

Рис. 2.
Схема таймера показана на рис. 1. Он собран на модуле А2 (Arduino Nano) и дисплее А3 (рис. 2), которые соединены между собой по шине SPI. Максимальный уровень входных сигналов дисплея - 3,3 В, а уровень выходного сигнала модуля А2 - 5 В, поэтому дисплей подключён к модулю А2 с помощью преобразователей уровня на резисторах R8-R17. Есть специальные платы преобразователей уровня, их можно приобрести в Интернете, но они четырёхканальные, а необходимо пять каналов, но ставить две платы как-то непрактично.
С помощью делителя напряжения на резисторах R3 и R4 модуль A2 измеряет напряжение аккумулятора. Если оно снизится до 3,3 В, цвет цифр на дисплее сменится на жёлтый, а при снижении напряжения аккумулятора до 3 В и менее - на красный, и устройство издаёт короткий звуковой сигнал раз в минуту. При снижении напряжения аккумулятора ниже 2,5 В устройство отключается. Питается таймер от Li-Ion аккумулятора G1, и напряжения разряженного аккумулятора 3 В хватает для нормальной работы таймера. Заряжается аккумулятор через модуль А1 на микросхеме ТС4056А с помощью зарядного устройства от мобильного телефона с выходным напряжением 5 В.
Включается таймер кратковременным нажатием на кнопку SB1. При этом открывается транзистор VT1, и напряжение аккумулятора поступает на вход +5V модуля Arduino Nano. После этого кнопка блокируется модулем А2 с помощью открытого перехода сток-исток транзистора VT2. Выключается таймер автоматически через 30 с при условии, что не производились никакие действия или после отработки заданного времени с выдачей пятикратного звукового сигнала. Время выдержки устанавливают нажатием на каждую цифру на дисплее (рис. 3), при этом они изменяются в сторону увеличения по кольцу, кроме десятка часов. Нажатием на экранную кнопку SET можно сбросить установленное время, а нажатие на экранную кнопку START запускает обратный отсчёт времени таймера. Кроме времени, на дисплей выводится информация о напряжении аккумулятора.

Рис. 3. Дисплей таймера

Рис. 4. Расположение элементов таймера в пластмассовом корпусе
Расположение элементов таймера в пластмассовом корпусе показано на рис. 4. В передней крышке корпуса резаком, сделанным из ножовочного полотна по металлу, вырезают отверстие размерами 60x43 мм, в которое вставляется дисплей, а затем закрепляется четырьмя винтами М3. С платы дисплея удаляют разъём для подключения SD-карты, а на её место с помощью двухсторонней липкой ленты закрепляют модуль Arduino Nano. На первой макетной плате, которая закреплена в верхней части корпуса, монтируют кнопку SB1, транзисторы VT1-VT3, акустический излучатель НА1 (см. рис. 3). На второй макетной плате устанавливают резисторы преобразователей уровня и припаивают выводы дисплея. Для монтажа применён провод МГТФ-0,12. Модуль А1 приклеен к плате дисплея с помощью двухсторонней липкой ленты в нижней части. В корпусе напротив разъёма для подключения зарядного устройства вырезано отверстие соответствующего размера. Аккумулятор можно применить любой Li-Ion подходящего размера. Все резисторы, применённые в таймере, - для поверхностного монтажа типоразмера 1206. Собран таймер в пластмассовом корпусе размерами 90x70x28 мм.
Налаживания устройство не требует, и если оно собрано без ошибок, после сборки и программирования модуля Arduino Nano начинает работать сразу. Внешний вид таймера в корпусе показан на рис. 5.

Рис. 5. Внешний вид таймера в корпусе
Все библиотеки, которые применены в программе, можно загрузить с сайта GitHub <https://github.com/ru-doc>.
Скетч для Arduino Nano и некоторые библиотеки находятся здесь.
Автор: В. Киба, г. Волжский Волгоградской обл.
