Несколько лет назад автор предлагаемой статьи сделал и установил в своём гараже питающийся от сети электронный термометр с несколькими датчиками, в том числе размещёнными в погребе и в смотровой яме. Но придя как-то в гараж, он обнаружил, что электричество отключено и далее будет подаваться строго по графику. Поэтому, не желая согласовывать посещения гаража с этим графиком, он сделал портативный светодиодный фонарь, совмещённый с термометром.
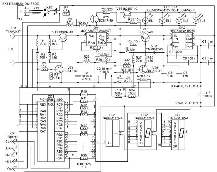
Основа устройства, схема которого изображена на рис. 1, - микроконтроллер DD1 PIC16F886-I/SO, тактируемый встроенным RC-генератором с частотой 4 МГц. Он питается от литий-ионного аккумулятора G1, напряжение которого повышено до 5 В стабилизированным преобразователем постоянного напряжения в постоянное DA2 REG710NA-5/250. Этим же напряжением питаются светодиодные индикаторы HG1-HG3, что обеспечивает их стабильную яркость при постепенной разрядке аккумулятора. Статическое управление индикаторами позволило не использовать в программе микроконтроллера прерывания и упростило считывание показаний датчика температуры BK1, который подключают к гнезду XS2 с помощью штекера XP2. Тип датчика (DS18B20 или DS18S20) программа определяет автоматически.

Рис. 1. Схема устройства
Излучателями света служат светодиоды EL1-EL4 LED-001W-11C-100-110LM-NC-P номинальной мощностью 1 Вт и с цветовой температурой 6500 °K. Каждый из них способен обеспечить световой поток 110...120 лк. Практика показала, что при снижении подводимой мощности до 0,2...0,3 Вт эти светодиоды могут работать без специального теплоотвода, а их суммарная яркость остаётся достаточной для освещения небольшого помещения.
Включает светодиоды по команде микроконтроллера электронный ключ на транзисторах VT3 и VT4. Их яркость при разрядке аккумулятора поддерживается приблизительно постоянной с помощью встроенного в микроконтроллер узла ШИМ. Всего предусмотрено девять условных уровней напряжения аккумулятора, обозначаемых цифрами от 0 (приблизительно 3,4 В, коэффициент заполнения импульсов тока максимален) до 8 (приблизительно 4,2 В, коэффициент минимален). При этом средний ток через светодиоды поддерживается с точностью не хуже ±15 %.
Заряжают аккумулятор G1 через контроллер зарядки DA1, обеспечивающий правильное выполнение всего её цикла без вмешательства оператора. Сначала микроконтроллер DD1 проверяет, подключён ли к разъёму XS1 источник зарядного тока и меньше ли 4,2 В напряжение аккумулятора. Если эти условия выполнены, электронный ключ на транзисторах VT1 и VT2 соединит разъём XS1 с входом контроллера зарядки DA1. Контроллер начнёт зарядку, в подтверждение чего установит на своём выходе Stat (выводе 1) низкий логический уровень. Когда зарядка будет завершена, выход Stat перейдёт в высокоимпедансное состояние. По этому сигналу микроконтроллер DD1 закроет транзисторы VT1 и VT2. Прекратить зарядку можно в любой момент и вручную, достаточно отключить источник зарядного тока от разъёма XS1.
Включают устройство нажатием на кнопку SB1. При этом напряжение аккумулятора через диод VD1 поступает на вход преобразователя DA2 в обход ещё разомкнутого ключа на транзисторах VT5 и VT6. На выходе преобразователя появляется напряжение 5 В. Микроконтроллер DD1 начинает работать и устанавливает на своём выходе RA3 высокий логический уровень. Это открывает транзисторы VT5 и VT6. Теперь кнопку SB1 можно отпустить. Далее она будет служить для управления работой устройства.
Первое, что будет отображено на индикаторе после включения, - условное, от 0 до 8, значение напряжения аккумулятора (рис. 2,а). Светодиоды EL1 -EL4 будут светиться с пониженной яркостью. Чтобы перейти в режим термометра, достаточно кратковременно нажать на кнопку SB1. Если датчик подключён правильно, будет выведено значение температуры (рис. 2,б), а если он неисправен, не подключён или подключён неправильно - три знака минус (рис. 2,в). Яркость свечения светодиодов по-прежнему остаётся пониженной.

Рис. 2. Отображения на индикаторе
Чтобы включить фонарь на полную мощность, необходимо ещё раз кратковременно нажать на кнопку. Индикатор погаснет, а яркость осветительных светодиодов увеличится до максимальной. Приблизительно через минуту она упадёт до минимальной. Ещё через 2 с будет измерено напряжение аккумулятора. Если он ещё не разряжен полностью, яркость светодиодов вновь возрастёт до максимальной.
Этот цикл повторяется до выполнения хотя бы одного из следующих условий:
- аккумулятор полностью разрядился;
- кратковременным нажатием на кнопку SB1 устройство переведено в режим отображения условного значения напряжения аккумулятора;
- длительным нажатием на кнопку SB1 устройство переведено в режим регулировки яркости свечения светодиодов. При удержании кнопки нажатой яркость будет постепенно уменьшаться, а после её отпускания и повторного удержания нажатой - увеличиваться.
Если устройство включить во время зарядки аккумулятора, то на индикаторе каждую секунду станут сменяться изображения, показанные на рис. 2,г - рис. 2,е. После ручного или автоматического завершения зарядки устройство перейдёт в режим отображения условного уровня напряжения аккумулятора (рис. 2,а).
Через 15 с после включения или последнего нажатия на кнопку фонарь-термометр автоматически выключается.
Печатная плата устройства изображена на рис. 3. Расположение элементов на ней показано на рис. 4. Все переходные отверстия должны быть металлизированы. Большинство деталей - для поверхностного монтажа. Типоразмер резисторов - 0805, перемычек - 1206, конденсаторов C3-C6, C8, C9 - 0805, C7 - 0603. Оксидные конденсаторы C1 и C2 - танталовые типоразмера A. Разъёмы XP1 - PLS-5, XP2 - стереофонический аудиоштекер диаметром 3,5 мм, XS1 -DC-055А,XS2 - PJ-W17-03.

Рис. 3. Печатная плата устройства

Рис. 4. Расположение элементов на плате
Аккумулятор - BL-4C ёмкостью 860 мА·ч. Он помещён на стороне печатной платы, где установлены индикаторы HG1-HG3, и соединён с соответствующими контактными площадками короткими проводами.
Микросхему зарядного устройства MCP73832T-2ACI/OT можно заменить на MCP73831T-2ACI/OT, причём резисторы R26 и R29 в этом случае можно не устанавливать. Источник, подключаемый к разъёму XS1, должен иметь напряжение 5±0,5 В при токе нагрузки до 350 мА.
Плата помещена в самодельный корпус, изготовленный из готового корпуса G10010040B, размеры которого уменьшены до 100x55x17 мм. В корпусе сделаны отверстия для индикаторов HG1 - HG3, кнопки SB1, светодиодов EL1 - EL4, разъёмов XS1 и XS2, а также для шнурка, с помощью которого фонарь-термометр удобно повесить нашею или на стену освещаемого помещения.
Файл печатной платы в формате Sprint Layout 6.0 и программа микроконтроллера имеются здесь.
Автор: П. Кожухин, г. Курган
