Проверить степень заряженности гальванического элемента, либо Ni-Cd или Ni-MH аккумулятора простым пробником со светодиодом невозможно. Причина этого - даже при полной зарядке их напряжение остаётся недостаточным, чтобы зажечь светодиод. В этом случае поможет пробник, схема которого изображена на рис. 1.

Рис. 1. Схема пробника
После подключения такого пробника к проверяемому элементу G1 конденсатор C1 заряжается через германиевый диод VD1 и резисторы R2, R3 практически до напряжения этого элемента. Нажатие на кнопку SB1 соединит заряженный конденсатор и проверяемый элемент последовательно. На светодиод через резистор поступит их суммарное напряжение. Если оно превышает 1,6...1,7 В, светодиод вспыхнет. Яркость вспышки тем больше, чем выше напряжение проверяемого элемента, а её длительность зависит от ёмкости конденсатора C1.

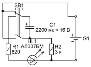
Рис. 2. Схема пробника без диода VD1 и резистора R3
Этот конденсатор должен иметь минимальный ток утечки. Цвет свечения светодиода HL1 обязательно должен быть красным, поскольку у таких светодиодов напряжение, при котором они начинают светиться, минимально. Диод Д2Б может быть заменён любым германиевым диодом, кремниевый диод здесь не годится из-за большего падения напряжения на нём. Но если имеется сдвоенная кнопка с контактами на переключение, пробник можно собрать по показанной на рис. 2 схеме, вовсе исключив из него диод VD1 и резистор R3.
Автор: В. Матвеев, г. Салават, Башкортостан
