Одним из важнейших параметров динамика является его частотная характеристика - зависимости уровня звукового давления в децибелах от частоты при неизменном уровне подводимого электрического сигнала.
Чем шире рабочий диапазон частот головки или громкоговорителя и чем меньше разница в уровнях звукового давления на различных участках этого диапазона, тем лучше этот электроакустический преобразователь.
Наглядное представление о частотной характеристике дает графическое изображение (рис. 1). Как видно из этого рисунка наблюдается уменьшение уровня звукового давления на нижних и верхних частотах диапазона, а также снижение и увеличение уровня ("подъемы" и "провалы") на других частотах.

Рис. 1. АЧХ звукового давления головки динамической 25ГДН-1Л
Все эти отклонения значений звуковых давлений могут быть причиной вносимых громкоговорителем частотных искажений воспроизводимых звуковых программ [1]. Поэтому обязательно учитывается АЧХ головок при проектировании акустических систем, выборе динамиков и типа их акустического оформлении, расчете фильтров и т. п.
Данные о частотной характеристике динамика, заявленные в технической документации (паспорте) и справочниках не являются безусловными. Каждый динамик имеет свою индивидуальную частотную характеристику.
В настоящее время, время стремительного развития цифровых технологий, измерять АЧХ звукового давления головки динамической не представляет трудности, даже без применения специального оборудования. Для этого необходимо иметь персональный компьютер, усилитель НЧ для возбуждения испытуемой головки (компьютерную аудиосистему), микрофон и соответствующее программное обеспечение.
При измерениях АЧХ громкоговорителя особые требования предъявляются к микрофону. Он дожжен иметь широкий частотный диапазон, не уже 30 – 18000 Гц, "гладкую" АЧХ, небольшие размеры мембраны.
Самые высокие электроакустические параметры имеют конденсаторные микрофоны, и в этом их основное преимущество по сравнению с другими разновидностями микрофонов. Частотная характеристика конденсаторного микрофона отличается своей равномерностью. В диапазоне до резонанса мембраны неравномерность может быть очень малой, выше резонанса она несколько увеличивается. Вследствие малой неравномерности характеристики конденсаторные микрофоны используют как измерительные. Измерительные микрофоны изготовляют на диапазон частот от 20 – 30 Гц до 30 – 40 кГц с неравномерностью 1 дБ до частоты 10 кГц и не более 6 дБ свыше 10 кГц. Размеры капсюля такого микрофона берут в приделах 6 – 15 мм, из-за этого он практически ненаправлен до частоты 20 – 40 кГц. Чувствительность его не превышает – 60 дБ [2,3].
Микрофонный капсюль Panasonic WM61 [4] идеально подходит для использования его, в качестве измерительного.
Подключать капсюль напрямую через микрофонный вход ПК, используя, для его работы фантомное питание, не советуется, из-за большой вероятности наводок и шумов, пониженной чувствительности, что негативно скажется на качестве измерений. Микрофон должен подключаться к аудиовходу материнской платы, применяя через согласующее звено – микрофонный предварительный усилитель.
Изготовить своими руками такое устройство (рис. 2) совсем не сложно. Оно состоит из, помещенного в трубку, длиной 20 см, микрофонного капсюля диаметром 6 мм, микрофонного усилителя на ОУ ОРА2134, отличающимся высокими характеристиками [6], химического источника питания, напряжением 9 вольт, типа "Крона".

а

б

в
Рис. 2. Микрофон измерительный: а – общий вид; б – вид со стороны капсюля; в – вид со стороны линейного выхода.
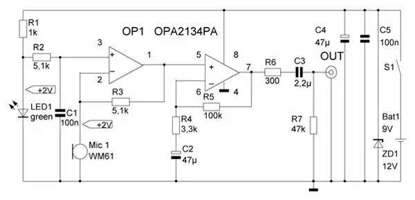
Схема электрическая принципиальная измерительного микрофона взята из источника [6]. После некоторых изменений имеет вид, представленный на рис. 3. Конденсатор С3 заменен пленочным (К-73, К-78 или другой, рекомендованный для установки в сигнальные цепи звуковых устройств). Налаживание усилителя сводится к подборке светодиода, который обеспечивал бы спад напряжения до 2 вольт на участках указанных в схеме на схеме.

Рис. 3. Схема электрическая принципиальная
Печатная плата изготавливается из фольгированного стеклотекстолита размерами 55 х 20 мм - рис. 4. Проектирование и печать выполняется на ПК с использование программы Sprint Layout 6.0.

а

б
Рис. 4. Печатная плата: а – вид со стороны дорожек; б - размещения деталей.
Все это монтируется в металлический корпус - для экранирования схемы - рис. 5.

Рис. 5. Расположение элементов в корпусе
Подключают измерительный микрофон к линейному входу звуковой карты ПК через экранированный кабель с двумя жилами. Экран провода подключается с одной стороны – стороны звуковой карты, это также положительно сказывается на точности измерений – рис. 6.

Рис. 6. Схема соединительного шнура
Данная конструкция имеет широкий диапазон рабочих частот, относительно высокую чувствительность, ровную АЧХ, "слышит" звуки на большем расстоянии, по сравнению, например, с микрофоном МКЭ-3. Замеры можно производить почти с любой, слышимой ухом человека, дистанции, а это важно при тестировании не только одной головки, а всей акустической системы (систем), например в помещении или салоне автомобиля. Микрофон успешно испробован с программой Right Mark 6.2.3. Представленный на рис. 1 график АЧХ звукового давления динамика 25ГДН-1Л построенный с помощью этой программы. Для измерений, микрофон располагают на одной оси с головкой на расстоянии 300 – 400 мм. Подключение измерительных устройств выполняют по схеме, показанной на рис. 7. Важно, что бы в усилителе регуляторы тембра были в среднем положении, а режим тонокомпенсации и корректирующие звенья отключены. Испытуемая головка размещается наиболее удаленно от стен, мебели и других предметов [7].

Рис. 7. Схема устройства для снятия АЧХ динамика
Печтную плату можно скачать здесь
Литература
- Эфрусси М. Громкоговорители и их применение. – М., "Энергия", 1976.
- Сапожков М. Электроакустика. – М., "Связь", 1978.
- Сапожков М. Электроакустика. Справочник. – М., "Радио и Связь", 1989.
- https://dl.dropboxusercontent.com/u/87298597/blog/em06_wm61_a_b_dne.pdf
- http://radiocom.dn.ua/image/data/pdf/OPA2134_BB.pdf
- http://audiogarret.com.ua/viewtopic.php?f=15&t=7866#p135608]
- Марченко В. Доработка динамических головок и измерение из частотных характеристик. – Радио № 2, 2014.
Автор: В. Марченко, г. Умань, Украина
