В системе водоснабжения дачного дома накопительным элементом служит полиэтиленовая бочка объёмом 160 л, установленная на чердаке [1 ]. Весьма полезным дополнением к системе является описываемый в этой статье измеритель уровня (объёма) воды в бочке.
Датчиком предлагаемого измерителя является конденсатор, образованный двумя обкладками из полос фольги, укреплёнными на наружной поверхности пластмассовой бочки вертикально с противоположных сторон. Ёмкость такого датчика практически линейно зависит от уровня воды: от 7 пФ - для пустой бочки, до 270 пФ - для почти полной. Индикатором может быть мультиметр или стрелочный микроамперметр.
Для получения электрического сигнала, пропорционального ёмкости, использован хорошо известный принцип - импульсы прямоугольной формы пропускают через измеряемую ёмкость датчика и диодный выпрямитель, собранный по схеме удвоения напряжения. Если сопротивление нагрузки выпрямителя мало и падение напряжения на ней существенно меньше амплитуды импульсов, средний выпрямленный ток в первом приближении пропорционален ёмкости: I = U·f·Cд, где U - амплитуда импульсов за вычетом падения напряжения на выпрямительных диодах; f - частота следования импульсов; Сд - ёмкость датчика.
Этот ток можно подать на микроамперметр и подобрать частоту импульсов так, чтобы его показания были прямопропорциональны объёму воды в литрах или в процентах (от максимального объёма). Если на выход выпрямителя установить резистор и подключить к нему цифровой вольтметр (мультиметр в режиме измерения напряжения), получить ту же информацию можно в цифровом виде.

Рис. 1. Схема измерителя
Схема такого измерителя показана на рис. 1. Он состоит из генератора прямоугольных импульсов, собранного на трёх логических элементах DD1.1 - DD1.3, буферного каскада на элементе DD1.4 и выпрямителя на диодах VD1 и VD2 со сглаживающим конденсатором С4. Генератор работает на частоте около 100 кГц. При напряжении питания 9 В, падении напряжения на двух диодах около 1,2 В и ёмкости датчика 270 пФ выходной ток, рассчитанный по приведённой выше формуле, составит I = (9-1,2)х100х103х270х10-12 = 210х10-6 = 210 мкА. Поэтому расчётное падение напряжения на резисторе R5 составит UR5 = 210х10-6х820 = 170 мВ. Реально измеренное напряжение при почти полной бочке меньше - около 150 мВ.
Измеритель рассчитан на совместную работу с широко распространёнными цифровыми мультиметрами серии М83хх, справа на рис. 1 показаны точки подключения к нему. Если в мультиметре установить предел измерения 200 мВ, разрешающая способность измерителя (вес младшего разряда) будет 0,1 л. Конечно, погрешность измерения количества воды будет больше, прежде всего, из-за нецилиндрической формы бочки. Если же установить предел измерения мультиметра 2 В, показания будут в литрах.
Представляет интерес подключение выхода выпрямителя измерителя к входам мультиметра при питании их от одного источника. В мультиметре ни один из входов непосредственно не соединён с источником питания, но и выход выпрямителя по постоянному току также не обязательно должен быть связан с источником питания. Это позволило подключить выход выпрямителя непосредственно ко входам мультиметра "COM" и "VΩmA", а для соединения выхода выпрямителя по переменному току с источником питания пришлось установить конденсатор С3.
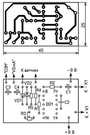
Все детали измерителя установлены на односторонней печатной плате из фольгированного стеклотекстолита толщиной 1,5 мм, чертёж которой показан на рис. 2. Применены постоянные резисторы - МЛТ, подстроечный - импортный СA9V или отечественный СП3-19а, конденсатор С2 - К10-17, КМ-5. Диоды КД510А можно заменить любыми маломощными импульсными кремниевыми.

Рис. 2. Чертёж платы
Для подключения к источнику питания, цепям мультиметра и к датчику в плату впаяны штырьки диаметром 1 мм от разъёма серии РП, а для подключения к разъёму питания мультиметра к двум штырькам подпаяна колодка от использованной девятивольтовой батареи. Вариант установки платы измерителя в отсек батареи питания мультиметра М83х показан на рис. 3. В качестве источника питания использован блок питания (адаптер) от телевизионного антенного усилителя. В нём микросхемный стабилизатор на напряжение 12 В заменён на девятивольтовый (78L09).

Рис. 3. Вариант установки платы
Если для индикации использовать не мультиметр, а микроамперметр, в качестве источника питания можно использовать зарядное устройство 5 В от сотового телефона. При этом следует увеличить частоту генерации за счёт подбора конденсатора С2, а резистор R5 исключить. Следует, однако, иметь в виду, что часто стабильность напряжения зарядных устройств невысока, а само выходное напряжение незначительно превышает 5 В. Поэтому необходимо предварительно проверить, что напряжение практически не меняется при подключении к выходу зарядного устройства резистора сопротивлением 100...200 Ом и при изменении напряжения сети. Если это не так, на его выход следует установить интегральный стабилизатор с малым падением напряжения, так называемый Low drop на напряжение 5 В, например, LM2931Z-5.0 или КР1158ЕН5 с любым буквенным индексом.
Датчик изготовлен из двух полос алюминиевой фольги для кулинарной выпечки шириной 120 мм и длиной, соответствующей высоте бочки. Для подключения использованы узкие полоски медной фольги, которые завёрнуты в концы полос фольги, а к этим полоскам припаяны провода, идущие к плате. Полосы закреплены на поверхности бочки с помощью липкой упаковочной плёнки. Если расстояние между бочкой и платой преобразователя больше полуметра, для устранения влияния ёмкостной связи между проводниками подключение датчика к выходу элемента DD1.4 следует произвести экранированным проводом, экран которого нужно подключить к плюсу или минусу источника питания, а сопротивление резистора R4 уменьшить вдвое. При расстоянии между бочкой и индикатором более трёх метров лучше разнести плату и индикатор, установив плату не далее полуметра от бочки.
Налаживать устройство не сложно. Если в качестве индикатора применён стрелочный микроамперметр, следует, не впаивая резистор R5, подборкой конденсатора С2 и резистором R3 добиться показаний (при почти полной бочке), соответствующих 150 л, или 100%. При использовании мультиметра этого добиваются подборкой конденсатора С2 и резистора R5, а также плавно резистором R3. Конструкцию датчика иллюстрирует рис. 4. Для индикации автор использовал изготовленный много лет назад мультиметр со светодиодными индикаторами [2].

Рис. 4. Конструкция датчика
Устройство можно дополнить вторым датчиком в виде двух горизонтальных полуколец, закреплённых на верхней части бочки, и изготовить автомат, выключающий насос при наполнении бочки. Одно полукольцо соединяют с выходом генератора, другое - со входом выпрямителя. Конденсатор С3 не устанавливают, нижний по схеме выход выпрямителя соединяют с минусом источника, а другой выход - с пороговым устройством, выключающим насос. Шланг с обратным клапаном [1] для исключения последствий аварийного перелива надо установить обязательно!
Литература
1. Бирюкове. Водоснабжение на даче.- САМ, 2015, № 6, с. 12-14.
2. Бирюков С. Портативный цифровой мультиметр. - Сборник "В помощь радиолюбителю", вып. 100. - М.: ДОСААФ, 1988.
Автор: С. Бирюков, г. Москва
