В [1] автором была предложена простая приставка к мультиметрам серий М-83х, DT-83x, расширяющая предел измерения сопротивлений резисторов до 20 МОм. В доработанной приставке этот предел увеличен до 200 МОм.
Схема доработанной приставки приведена на рис. 1. Доработка исходного варианта [1] коснулась введения переключателя пределов измерения SA1 и дополнительного резистивного делителя. Кроме того, удалён делитель на выходе ОУ DA1.2, что позволило более точно измерять сопротивление резисторов сопротивлением меньше 2 МОм, о чём будет сказано ниже.

Рис. 1. Схема доработанной приставки
В верхнем по схеме положении переключателя SA1 предел измерения - 200 МОм. Он задан делителем напряжения R1R2R3. При напряжении на выходе делителя 0,15 В выходной (измерительный) ток источника тока (ИТ) на ОУ DA1.1 - 0,01 мкА. Даже при таком малом значении буферный усилитель на ОУ DA1.2 не оказывает влияния на точность измерений, поскольку его входной ток около 1 пА [2]. В нижнем положении переключателя SA1 предел измерения - 20 МОм. Он задан напряжением 1,5 В резистивного делителя R4R5R6 и выходным током ИТ 0,1 мкА. Поскольку контакты переключателя SA1 на обоих пределах включены последовательно с высокоомным резистором R9, их сопротивление не оказывает влияния на точность измерений.
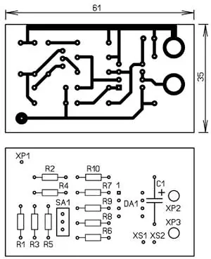
Чертёж платы показан на рис. 2. Элементная база приставки осталась прежней. Резисторы R7, R10и R8, R9 для уменьшения погрешности измерения следует подобрать парами с разбросом не более 1 % (чем меньше, тем лучше). Отклонение от номинального значения в парах на точность измерений не влияет. Переключатель SA1 - движковый SS12D07 или аналогичный малогабаритный. Резисторы R8, R9 можно применить с более доступным номиналом сопротивления 10 МОм, a R7, R10 - 2 МОм. В этом случае необходимо изменить и номиналы резисторов: R1 - 1,1 кОм; R3 - 18 кОм; R4 -20 кОм; R5 -9,1 кОм^6 - 910 Ом. При этом напряжения на делителях, задающие ток измерения у ИТ, будут соответственно 0,1 и 1В. После монтажа плату следует тщательно очистить спиртом от флюса.

Рис. 2. Чертёж платы
При работе с приставкой переключатель рода работ мультиметра устанавливают в положение измерения постоянного напряжения "DCV 2000m". Перед калибровкой во избежание выхода из строя внутреннего стабилизатора +3 В АЦП приставку сначала подключают к автономному источнику питания напряжением 3 В (можно использовать два гальванических элемента по 1,5 В, соединённых последовательно) и измеряют потребляемый ток, который не должен превышать 3 мА, а затем подключают к мультиметру.
Далее проводят калибровку. Начать можно с любого положения переключателя SA1. На пределе 200 МОм к гнёздам XS1, XS2, "Rx" подключают резистор сопротивлением несколько десятков мегаом, которое заранее измерено с погрешностью 1 %, или применяют резистор с таким же классом точности. Подборкой резистора R3 добиваются соответствующих показаний на индикаторе мультиметра. Аналогично подборкой резистора R6 добиваются нужных показаний на пределе 20 МОм, подключив к гнёздам "Rx" резистор сопротивлением несколько мегаом. Возможно, понадобится подбор резисторов R1 и R5. На этом налаживание закончено. При измерении сопротивлений, меньших 2 МОм, переключатель рода работ можно перевести в положение "DCV 200т", при этом предел измерения с 20 МОм изменится на 2 МОм. Внешний вид приставки показан на рис. 3.

Рис. 3. Внешний вид приставки
Чертежи печатной платы в форматах Sprint LayOut 5.0 и TIFF имеются здесь.
Литература
1. Глибин С. Мегомметр - приставка к мультиметру. - Радио, 2015, № 5, с. 53, 54.
2. MCP601/1R/2/3/4 2,7v to 6v Single Supply CMOS Op Amps. - URL: http://ww1. microchip.com/downloads/en/DeviceDoc/ 21314g.pdf (01.05.17).
Автор: С. Глибин, г. Москва
